Позвольте поделить старой историей о том, как я делал себе «нормальный» звук после переезда в Питер в далеком 2009 году.
Итак, через некоторое время после переезда в новый город, я обнаружил возле дверей своего дома пару колонок S-30. По их внешнему виду было сразу заметно, что над ними успели поработать. Но, к сожалению, у одной из них не было динамика. Безо всякой задней мысли я забрал исправную колонку — вдруг пригодиться, а пока, послужит тумбочкой. Каково было мое удивление, когда я через пару дней обнаружил у подъезда еще один комплект S-30. Но на этот раз, мне достались совершенно не тронутые, советских времен колонки. Тогда я уже начал понимать, что без нормального усилка я дальше не смогу.

Не прошло и пары недель, как я стал счастливым обладателем усилителя Любава-85-стерео, аналогом Радиотехники-101. Первое прослушивание прошло в унынии и безысходности… Совковые колонки, хрипели, фыркали из всех щелей, дребезжали панелями, плевались полуразложившимся поролоном и дурно попахивали. Так как я уже занимался доработкой свеновского саба, что делать с колонками мне было ясно с самого начала. Выкидывать? Нет! Переделывать!
Первым делом я сходил в строительный магазин и приобрел там:
- Силиконовый герметик (наше все)
- Войлок (утеплительный, дорогой, в садовом отделе)
- Несколько трубок для утепления водопроводных труб
- Клей ПВА
- Вата
- 4м 1.0 аудио кабеля, и прочее для пайки
- 20 черных 2см саморезов
Потом наступил момент разборки колонок. Вот тут-то я очень пожалел, что не взял вторую колонку без динамика. Они, оказывается, были довольно неплохо доработаны, и достаточно было бы поставить недостающую запчасть из советского аналога. Ну, ничего, подумал я, мы смогем и лучше!
Выкрутил ужасные блестящие шурупы с передней панели, да, они, конечно же, были уже сорваны! Пришлось помучаться. Снял решетки, динамики, хмм, пластилин все еще держался, вот же делать умели в СССР… В первой улучшенной колонке, новый пластилин уже начал превращаться в какие то сопли, а по виду то прошло не больше 5 лет. Заметил расположения плюса и минуса на динамиках и пищалках и маркером пометил их, так как ни каких отметок «+» и «-» на динамиках найдено не было. Обрезал провода, ведущие внутрь корпуса, и извлек задние крыши с платами фильтров. Носки с ватой сразу в топку, ну или можно скурить.
К сожалению, фотографировать начал только на стадии оклейки войлоком.

Отвертку нож в зубы, и через час возни деревянный корпус колонки зачищен от черного пластилина, который, по истечению долгих лет, приобрел интересной свойство пачкать все, словно вакса. Задние крышки лучше от пластилина не очищать, а просто выровнять его, и заполнить счищенным с корпуса излишками канавку на крышке, так позже будет легче добиться ее герметичного прилегания.
Дальше взял волшебный силиконовый герметик и промазал изнутри все стыки стенок. Измерил внутренние размеры корпуса (если мне не изменяет память, то они составляют 325 высота, 180 высота и 145 глубина), выкроил из войлока нужные куски и вырезал в них соответствующие отверстия. На мой взгляд, для демпфирования боковых стенок достаточно одного 5мм слоя войлока, так как они имеют хорошую толщину. А вот на переднюю и заднюю тонкую стенку надо минимум 2 слоя войлока. Так я и сделал. Приклеивал все с помощью ПВА.

Дальше нужно разобраться с туннелями фазоинверторов. Оригинальные сделаны из сгнившего и рассохшегося поролона, и имеют 80мм длину и 30мм диаметр. Плюс, к тому же, на передней пластмассовой крышке есть выступ, входящий во внутрь фазоинвертора, и служащий отличнейшим проводником вибраций. Поролоновая порнография была выкинута, за место нее в ход пошли утеплительные трубки для водопроводных труб. Задача стояла сделать систему из колец внешним диаметром 65мм, внутренним 30мм и с длинной внутреннего канала 100мм (не знаю почему, интуитивно решил сделать фазики длинной в 10см). Мне хватило всего двух колец для достижения желаемых параметров. Склеивалось, промазалось все силиконовым герметиком, сверху была намотана изолента, так, чтобы была. Позже выяснилось, что внутреннюю трубку нужно было сделать выступающей из корпуса на 5мм, для более плотного прилегания к передней пластиковой панели.



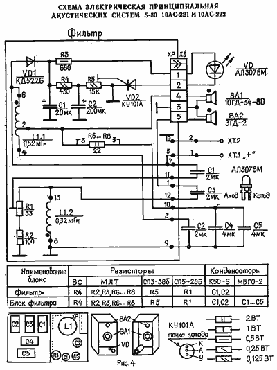
Теперь, пришла очередь самого сложного, на мой взгляд, этапа – доработки фильтра. Сперва, нужно решить, нужен ли вам индикатор перегрузок, мигает он довольно прикольно. Но я решил, что если он не делает звук лучше, то, значит, он лишний в схеме.


Выпаял элементы, отвечающие за индикацию перегрузки – VD1, VD2, C1, C2, R3, R4, R5. Все семь элементов компактно расположены в верхнем правом углу платы, если смотреть на фотографию, которая приведена выше. Только, на ней почти не видно VD1, который находится четь левее C1. Если лень выпаивать все это, можно аккуратно убрать элементы кусачками, только смотрите чтоб кз не было.
Конечно же, оригинальные тонкие металлические провода тут не годятся, и я заменил их на «акустические из бескислородной» меди. Провода, которые пойдут к динамикам, я завел прямо на плату, по возможности минуя сигнальные дорожки. Вот что получилось.

На этом этапе обязательно подсоедините к фильтру динамики и проверьте, все ли работает как надо. В моем случае, на последнем моменте сборки выяснилось, что одна из пищалок молчит. Беглый осмотр показал, что капризничает фильтр… Чуть менее беглый осмотр в течение последующих двух часов выявил закономерность работы и не работы фильтра с пищалкой относительно их положения к созвездию малых и больших усилителей. В общем, этот бред получилось исправить только путем перепайки третей платы с запасной колонки.
Дальше было нужно как-то усилить самое слабое место в корпусе колонки – пластиковую крышку, на которой расположен фильтр. Я снял с нее все элементы, приклеил на нее вставки из войлока, и покрыл их поверху слоем ваты. На все это установил обратно фильтр, и потом еще раз подкрепил всю конструкцию ватой, поместив ее в образовавшиеся зазоры и полости. Вышло очень внушительно, надежно и глухо.

Понятное дело, что устанавливать динамики прямо на дерево нельзя. Я читал советы о том, что можно сделать прокладки из резины, но ее у меня под рукой не оказалось и я немного схитрил, заполнив углубления, сделанные в корпусе под динамики силиконовым герметиком. Выровняв его, и дав высохнуть, я получил идеальные прокладки. И не забываем про отверстия под болты.

Теперь пришел черед передних панелей, достаточно неудачно вписанных в корпус усилителя. Над пластиком были совершены следующие зверства – отпилены патрубки шедшие внутрь фазиков, и отломаны все… ээээ… полукруглые шпеньки, обеспечивающие плотное прилегание к корпусу и фирменное дребезжание.


В прочитанных ранее гайдах по переделке S-30, демпфирование пластика было сделано за счет приклеенного демпфера на корпус колонки, поверх которого крепилась сама панель. Мне этот вариант не понравился, так как он не исключает дребезжания пластика, а передняя стенка корпуса колонки уже была достаточно хорошо усилена. Поэтому тщательной звукоизоляции, по средству наклеивания войлока (в местах до 3х слоев), подверглись злосчастные панели… Не забудьте поставить на место светодиоды индикации перегрузки, для красоты, или для этой самой индикации, у кого как… У меня так, чтобы глаз радовало.

Ну вот и наступил трепетный момент сборки всех составляющих в единое целое – чудо звуко-техники под названием S-30. Задние панели с фильтрами посадил на их место, на герметик, конечно же, образовавшиеся полости вокруг элементов фильтра заполнил ватой.

Припаял провода к динамикам и становил последние в отведенные под них отверстия в корпусе, опять же, с применением волшебного силиконового герметика. На этом этапе обязательно нужно проверить корпус на герметичность. Ртом через отверстие фазоинвертора загоняем воздух во внутрь колонки, и слушаем, не сифонит ли он из щелей. У меня сифонил, промазал герметиком внешние стыки между передней деревянной панелью и боковыми стенками. Все, герметичность стала идеальной. Теперь можно устанавливать укрепленные войлоком передние панели с уже ставшей родной надписью S-30, и только черными саморезами!!… В конечном счете получилось, что-то в этом роде…



Звучание… Оно прекрасно… Быть может только чуть-чуть размытые мягкие низа, но именно этого я добивался, устанавливая шероховатые трубки фазоинверторов. В общем, данные колонки, пока что, лучшее, что у меня было по звучанию, не перестаю им радоваться.

Пожалуй, это все стоило двух вечеров работы и потраченных 400 рублей.
P.S. Прощу прощения за качество фотографий, они делались почти 10 лет назад на невнятную мыльницу.
Автор: BadMan02
