
Минутка истории
История электролюминесцентных индикаторов начинается в 1923 году, в стенах Нижегородской радиолаборатории. Выдающийся советский физик и изобретатель Олег Владимирович Лосев, экспериментируя с кристаллическими детекторами обнаруживает свечение кристалла карборунда в точке контакта с металлической иглой, фактически открыв явление инжекционной электролюминесценции — на которой и работают все светодиоды.

Зонной теории твёрдого тела ещё не существовало, поэтому физически обосновать свечение не представлялось возможным. Однако, Олег Лосев максимально глубоко исследовал этот эффект, написав множество статей на эту тему как в отечественных, так и в европейских журналах [1]. Более того, он показал, что это свечение могло быть промодулировано высокочастотным сигналом. Экспериментально удалось проверить до частот в 78кГц. Испытать модуляцию на более высоких частотах не позволяло имевшееся в лаборатории оборудование.
В 1929 году он получает патент на изобретение Световое Реле. Этот патент описывает приёмное фототелеграфное устройство, со светодиодом в качестве источника света, промодулированное принимаемым сигналом. До этого в фототелеграфе использовалась неоновая лампа.
Патент на изобретение №12191 от 31 декабря 1929 года:

И снова в вопрос первенства вмешивается Гульермо Маркони. В 1907 году, за 16 лет до Лосева, помощник Маркони инженер Генри Джозеф Раунд был первым, кто наблюдал эффект электролюминесценции кристалла карбида кремния, о чём опубликовал следующую заметку в журнале Electrical World, датируемую 9 февраля 1907 года. (Скан журнала в archive.org)

В ней он описывает странный феномен. Когда он подал потенциал 10В между двумя точками на кристалле карборунда, он наблюдал свечение жёлто-зелёным, оранжевым или голубым цветами в месте контакта электрода с отрицательным потенциалом. Там же он спрашивает, не знает ли кто что это за эффект?
Дальнейших исследований в этой области Генри Раунд не проводил. Олег Лосев же — напротив, много времени провёл за исследованиями процесса, разглядев в том числе и оба типа свечения — инжекционное, на котором работают светодиоды и предпробойное — о котором и пойдёт сегодня речь.
Кстати говоря, первые серийно выпускаемые светодиоды в стране — были на базе карборунда. Существенно больший выход света от арсенидов и нитридов галлия был обнаружен значительно позднее.
Предпробойная электролюминесценция
Конструкция индикатора на эффекте предпробойной электролюминесценции была создана французским учёным Жоржем Дестрио в 1936 году.

Электролюминесцентный индикатор от Жоржа Дестрио.
Он помещал суспензию сульфида цинка в касторовом масле между двух электродов и подавал на них переменный ток высокого напряжения. Возникающее в диэлектрике свечение и было электролюминесценцией.
Практическое применение эффекта начинается с 1950 года, когда американскими исследователями Пэйном, Магером и Джеромом была предложена конструкция твёрдотельного люминесцирующего конденсатора для освещения и созданы достаточно эффективные люминофорные порошки.
В начале 60-х годов произошёл взрывной рост популярности ЭЛИ, в первую очередь в военной сфере, но с появлением светодиодных источников индикации — произошло и столь стремительное падение интереса к ним.
Конструкция индикаторов
Принципиально, современный ЭЛИ ничем не отличается от конструкции Жоржа Дестрио. Это всё тот же конденсатор с диэлектриком, который излучает свет под воздействием сильного электрического поля.

Структура тонкоплёночного ЭЛИ. 1 — прозрачное стекло, 2 — прозрачный токопроводящий слой, 3 — слой изолятора, 4 — слой электролюминофора, 5 — задний электрод Слой изоляции может быть как один, у любого из электродов, так и с обеих сторон.
Для создания индикатора необходимо на металлический электрод нанести слой диэлектрика с высокой диэлектрической проницаемостью — например, суспензию титаната бария в алкидном или эпоксидном лаке. Это необходимо для повышения электрической прочности прибора (рабочее напряжение 200-300В) и уменьшения напряжения зажигания люминофора.
Нанесение слоя электролюминофора в УФ свете для контроля процесса:

Далее, наносится тонкий слой электролюминофора — как правило — всё тот же сульфид цинка, допированный медью, алюминием, марганцем или другими металлами, влияющими на цвет свечения.

Зависимость цвета излучения от допирования.
Сверху — устанавливается второй — прозрачный электрод и индикатор готов к работе.
Самодельный электролюминесцентный индикатор. Экспериментальный образец №1:

Разумеется, дьявол кроется в деталях, но эти самые детали я разберу в отдельном материале про самодельные электролюминесцентные индикаторы.
▍ Верхний электрод
В классическом ЭЛИ в качестве верхнего электрода используется токопроводящее стекло. Самый популярный токопроводящий слой — на базе твёрдого расплава оксидов индия и олова, т.н. ITO-стекло. Есть и другие виды покрытий, но ITO — самое распространённое. Вся моя коллекция серийных и опытных индикаторов — исключительно с верхним стеклом. Даю 100 к 1, что вы читаете сейчас этот текст сквозь такое стекло.

Второй вариант — токопроводящая плёнка. ITO film. Стоит значительно дешевле стекла, хотя сопротивление токопроводящего слоя — заметно выше. Резистивный тач знаете? там токопроводящая плёнка. Гибкие экраны также изготавливают на базе токопроводящей плёнки.
Ещё вариант — прозрачный токопроводящий лак. Таким покрыта моя коллекция лабораторных образцов. Что именно за состав использовался в неизвестном мне НИИ в 1989 году — для меня, к сожалению, загадка.

Лабораторные образцы неизвестного НИИ различных цветов в УФ свете. Конструктив — металлическое основание — изоляция — люминофор — токопроводящий лак.
Есть американская контора — Lumilor. Именно их набор использовал Ben Krasnow для своих экспериментов с самодельными ЭЛИ и при изготовлении реплики индикаторной панели Apollo DSKY. Стоимость их решения — 250 евро за набор из четырёх банок в 56мл — или свыше 4 тысяч евро за литр. Зато их технология позволяет наносить электролюминесцентный рисунок на поверхности любой формы. Но у них тоже токопроводящая краска. Её стоимость — всего лишь 1200 евро за литр.
▍ Люминофор
Красный электролюминофор 670нм в УФ-свете:

Далее, слой электролюминофора. Во всей литературе говорится про сульфид цинка допированный металлами — медь, алюминий, марганец, кадмий, галлий и другие. Люминофор может быть сварен любого цвет: от темно-синего до темно-красного. Более яркий и долговечный люминофор — варится на базе ортосиликата цинка. Именно такой и использует компания Lumilor.
У меня сейчас есть ZnS люминофоры трёх цветов: пол-кило голубого(455нм), кило зелёного (525нм) и щепотка красного (670нм).
▍ Задний электрод
Как правило, с помощью заднего электрода формируется рисунок будущего индикатора. По крайней мере, так реализовано на моих образцах. Хотя рисунок электродов на стекле тоже можно вытравить — иначе не сделать матричные ЭЛИ с динамической индикацией.
Я не хочу уничтожать серийный ЭЛИ, но вот в опытных образцах использовалась печатная плата с нужной конфигурацией сегментов.

Опытный индикатор. Видно стекло спереди (трещина не повлияла на работу) Видна двухсторонняя печатная плата с дорожками в форме сегментов
А вот стеклышко без всего. Тут задние электроды нужной конфигурации нанесены либо гальванопластикой, либо напылением через шаблон. Этот двухцветный индикатор, вероятно, является демонстрационным образцом индикатора на стекле.

Двухцветный опытный индикатор на стекле.
Сплошные преимущества ЭЛИ
В начале 60-х годов в период бурного роста популярности ЭЛИ (разумеется, в первую очередь в военной сфере), когда они являлись единственными представителями знакосинтезирующих индикаторов, разработчиков привлекали такие достоинства как:
- Равномерное приятное глазу свечение элементов отображения.
- Возможность создания индикаторов практически любых размеров и конфигураций.
- Возможность регулирования яркости свечения — изменением подаваемого напряжения.
- Очень малое потребление — 20-30Вт на 1кв метр и отсутствие нагрева во время работы.
- Большой угол обзора и высокая контрастность.
- Высокая разрешающая способность, ограниченная возможностями изготовления электродов.
- Механическая прочность.
- А ещё ЭЛИ продолжит работать там, где ЖКИ сосет — например, в минус 60.
А поскольку индикатор твёрдотельный, то он идеален для космоса. Их можно увидеть на приборной панели космических кораблей СОЮЗ и АЛМАЗ.

Пульт космического корабля СОЮЗ-Т. Все индикаторы здесь — ИЭЛ.
Если увеличить фотографию, хорошо видно семисегментные индикаторы с характерным выгоранием надписей и коричневой рамочкой — это однозначно ЭЛИ:

Семисегментные ИЭЛ на пульте КА СОЮЗ-Т
Также на панели много световых полей, подсвечивающих ту или иную надпись.

Статусные индикаторы в работе
Где они применялись на гражданке — честно говоря и не знаю, но ЭЛИ в роли подсветки циферблата -«фишка» часов Casio.
Но не всё так гладко
С появлением иных источников индикации — в первую очередь светодиодных — произошло столь же стремительное падение интереса к электролюминесценции. Увы, этой технологии присущи как минимум два фатальных недостатка:
- Значительная потеря яркости от времени. В первые 500 часов индикатор теряет в яркости трёхкратно. Затем выходит на плато и следующие тысячи часов будет гореть почти без потери яркости. С другой стороны, мои опытные образцы точно отработали не один десяток тысяч часов и пока ещё светят.
- Высокое рабочее Переменное напряжение. Не так страшно высокое напряжение — например, плазменные телевизионные панели требуют 100-150В анодного напряжения для работы на каждую строку. Существуют специальные многоканальные микросхемы, например, HV507. Но ЭЛИ, как правило, — это статическая индикация сегментов и ей требуется переменное напряжение для работы.
Схема питания индикаторов
Питание индикаторов осуществляется переменным током, напряжением 115-220В, частотой 400-1200Гц. Яркость индикатора зависит от приложенного напряжения, Но превышать номинальное напряжение настоятельно не рекомендуется, так как может пробить слой диэлектрика и индикатор будет уничтожен. Для своих экспериментов я использую высокоомную обмотку лампового генератора ГЗШ-63.

Запуск индикатора «Принцесса Селестия» от генератора ГЗШ-63
Яркость также зависит от частоты, повышаясь к некой точке «а-ля-резонанса». Скажем, от 800-1000Гц голубой люминофор будет светиться гораздо ярче, нежели от 50Гц. При этом от частоты также зависит цвет свечения — чем выше частота, тем короче будет длина волны. Скажем, люминофор с пиком 455нм — ярко-голубой. Но на 10кгц он будет отдавать фиолетовым оттенком. Стоит отметить, что начальное выгорание происходит тем быстрее, чем выше частота питания.
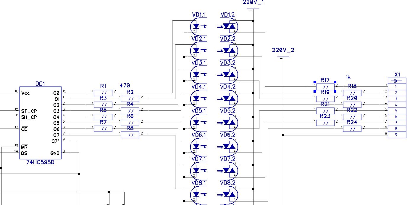
Для управления сегментами индикаторов я выбрал оптосимисторы. Это наиболее простой и правильный способ подачи переменного напряжения на нужный сегмент:

Принципиальная схема 8 каналов управления. Оптопары MOS3023
Для удобства работы были созданы платы на 16 каналов каждая, имеющие входной и выходной интерфейсные разъёмы. Плоскими шлейфами платы соединяются в цепочку нужной длины. Так как индикация статическая, за задержки передачи пары десятков байт по SPI можно не переживать.

6 плат драйверов. 96 каналов. Распаяно на мнемопанель.
Из того что надо переделать в следующей версии: Использовать корпус SMD вместо DIP для упрощения монтажа, увеличить число каналов как минимум в два раза, использовать резисторные сборки, заказать шаблон для нанесения паяльной пасты.
Ben Krasnow разработал готовые 64-канальные платы управления такими индикаторами на базе микросхемы HV507.

Готовая компактная плата управления на 64 канала с USB и источником высокого напряжения. Можно поставить 8-канальную микросхему
Вероятно, для самодельных индикаторов попробую и этот проект в том числе. Правда он требует доработки — на плате нет пинов для программирования микроконтроллера — его надо запаивать уже с загрузчиком Adafruit.
Ещё один вариант коммутации — реле. Например, они использовались в схеме управления индикаторным модулем Apollo DSKY. CuriousMarc делал подробный обзор в своём видео.

Оригинальный модуль Apollo DSKY с родными релейными модулями управления
Я тоже изначально задумывал использовать миниатюрные реле для коммутации сегментов. Но вагон моих герконовых реле РЭС55 и РЭС64 рассчитан на напряжение не более 150-180В, что совершенно недостаточно для моих задач.
Сегментные индикаторы
Семи- Восьми- и девятнадцати-сегментный индикаторы в работе:

Знакосинтезирующие индикаторы являются одними из самых распространённых индикаторов. В моём случае привычные семи-сегментные, восьми-сегментные и девятнадцати-сегментные.
Если с семисегментными всё понятно, то смысл существования страшных восьмисегментников лично я изначально не понял. В комментариях под видео мне разъяснили, что восьмисегментник остаётся гораздо более читаемым в случае неисправности одного сегмента. Если у семисегнментного перегорит один элемент, то можно будет легко спутать цифры 1 и 7, или 8 и 9, 0. Восьмисегментный свободен от данной проблемы. А если учесть, что схема управления собрана на дискретных элементах, каждая для своего канала, то начинаешь задумываться, что в этом всё же есть смысл.
Девятнадцати-сегментный специально создан для отображения всех букв русского алфавита. У меня нет чёткого описания, как должны выглядеть буквы, так что наблюдаемое на анимации может не соответствовать реально применявшемуся шрифту.
Но определённо точно буква Д на 19-сегментном — самая крутая.
Матричные индикаторы
Знакосинтезирующие индикаторы всё же узкоспециализированы. То ли дело матричные индикаторы, на которых можно вывести всё что угодно. Взять например ИГПП32-32, на базе которой можно создавать огромные сборные панели во всю стену.
Bad Apple на 9 газоразрядных панелях ИГПП32х32, общим разрешением 96х96 точек:

У меня есть два матричных ЭЛИ. Первый представляет собой поле точек разрешением 8х8, где каждая точка является отдельно стоящим сегментом и может управляться независимо от других:

Опытный матричный ЭЛИ статического типа, с полем 8х8. Два сегмента не горят из-за отвала в разъёме.
Проблема в том, что поле всего лишь 8х8 — а нужно уже 64 драйвера. И количество квадратично. Для поля 16х16 потребуется уже 256 драйверов. Серийно выпускавшиеся индикаторы МЭЛ-1 имеют поле 160х27 точек. Но 4320 драйверов им всё же не требуется, так как они — матричные индикаторы динамического типа. Где идёт перебор строк (так как их меньше, а значит рабочее время будет 1/27), а на столбцы подаются данные для нужной строки.

Матричный ЭЛИ ТМЭЛ-1, с полем 160х27 точек спереди и сзади.
Матричные индикаторы мне ещё предстоит запустить. ТМЭЛ-1, например, требует до 500В на электрод, так что микросхемой HV507 (она до 300В) его запустить не выйдет. Только две сотни оптопар.
Мнемопанель
Самый крутой индикатор в моей коллекции!

Стенд с мнемопанелью и 19-сегментными ИЭЛ-0-IX
Судя по наличию пустых треугольников и ромбиков, а также отсутствию смысла в самой мнемосхеме — полагаю этот опытный образец был создан исключительно для демонстрации возможностей завода. У данной мнемопанели размером 30х30см больше 100 выходов. Я подключил на 88 каналов драйверов и в принципе можно сделать гораздо более красивую анимацию, нежели ту, что получилась в результате бага в прошивке.
19-сегментные индикаторы сверху — стояли в большом стенде одного НИИ и десяток лет показывали одну и ту же надпись — ЭЛИ-81. По словам очевидцев — это год выпуска индикаторов и они горели в стенде в качестве демонстрации долговечности индикаторов данного типа. Я не стал подключать эти индикаторы в каналы драйверов, а распаял как было — статичной надписью. Негоревшие сегменты значительно отличаются в яркости относительно горевших — где-то в два-три раза, а значит нужно их «выжигать» сотню-другую часов для нивелирования разницы.
Лабораторные образцы
Не менее интересными являются лабораторные образцы продукции, сделанные совершенно иначе — нежели всё остальное. Если индикаторы показанные выше используют схему стекло — люминофор — задний электрод нужной конфигурации, то эти — начинаются от стальной пластины толщиной 1мм в качестве заднего электрода, слоя люминофора, возможно разных цветов и токопроводящего лака сверху неизвестной марки.

Лабораторные образцы с токопроводящим лаком в УФ свете
Да, я подсвечиваю лабораторные образцы лампой чёрного света, потому что они прогорают быстрее, чем я успеваю их включать. Они отсырели и с трудом выдерживают и половину рабочего напряжения. Вероятно, если их просушить в печке, а потом заламинировать, то они снова заработают как надо. Но это — не точно.
Вместо заключения
Следующий этап — создание самодельных ЭЛИ. Есть множество идей, люминофоры разных цветов и желание сотворить самую уникальную сувенирку.
Немного источников не помешает:
- Лосев. У истоков полупроводниковой техники. Избранные труды. Издательство Наука, Ленинград, 1972г/
- Часть информации взята с сайта к155ла3.
- Лучшая книга по электролюминесценции: Handbook of electroluminescent materials. D R Vij.
- Build an electroluminescent glass panel display — an Apollo DSKY.
- Electroluminescent paint and multi-channel control circuit.
- Apollo DSKY panel relight: the full story.
Автор: Артем Кашканов
