
Добрый вечер! В этой публикации я расскажу о своей самоделке, задумал которую я достаточно давно. Но реализовал только сейчас.
Впервые увидел этот эффект еще в детстве. Меня попросили помочь, подержать и посветить автомобильным стробоскопом на маховик двигателя автомобиля. Мотор запустили и после чего я увидел на вращающемся моховике, почти не подвижную насечку, которая стояла на одном месте, а маховик при этом вращался. После чего родилась идея сделать вентилятор и стробоскопом остановить его. Идею спустя какое то время реализовал, на лампе ИФК-120, тиристоре КУ202 с обвязкой, поигрался и закинул в дальний угол, но вот лет 6 тому назад увидел японское видео с левитацией воды. Так и родилась идея повторить этот трюк с левитацией капель. Долго не доходили до реализации руки и вот наконец то, сбылась мечта…
Посмотрите видеоролик того, что у меня получилось:
Как это работает
В ютубе есть несколько видео, в которых пытаются рассекать воду на капли, текущую из силиконового шланга, при помощи аудио колонки или динамической головки. Но в этом способе есть несколько недостатков.
1 — громоздкость конструкции(колонка, усилитель, генератор частот, стробоскоп)
2 — низкочастотный динамик не может воспроизводить меандр, из — за своей механической конструкции и на выходе у него получается что то вроде синусоиды. В итоге вода не рассекается на капли, а извивается как змея.
3 — Генератор частот каждый раз придется подстраиваться под частоту стробоскопа. Частота будет уплывать.
В моей конструкции все просто и дешево. Эту конструкцию может повторить каждый желающий, в домашних условиях.
Работает так:
Стробоскоп и электромагнит от автомобильного реле, работают на одной частоте. Электромагнит разбивает поток воды на капли, а стробоскоп засвечивает эти капли, в определенный момент. Так как капли падают с частотой равной стробоскопу, то получается эффект висящих в воздухе капель.
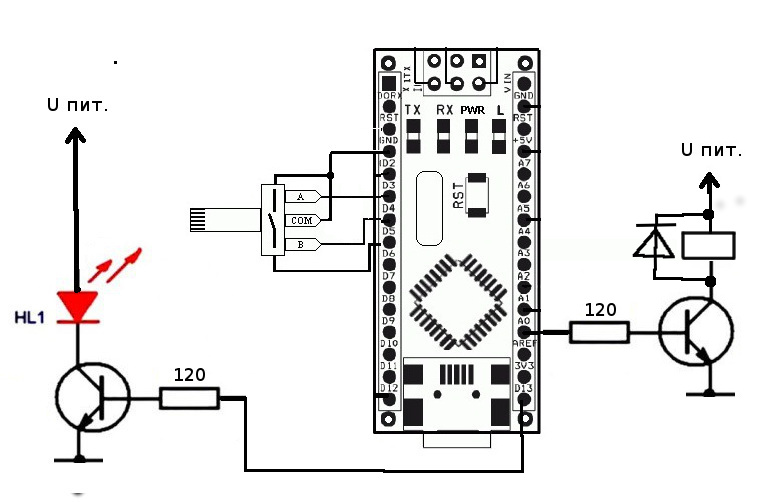
Схема
Транзисторы КТ972 у меня были под рукой, вот я их и поставил. Вы можете поставить любые другие транзисторы рассчитанные на напряжение не менее 30В и ток не менее 2А. Резисторы в базах транзисторов ограничивают ток до 40мА, что бы не повредить выход контроллера. Светодиодный элемент я использовал из старой неисправной светодиодной лампы. Что бы уменьшить напряжение питания элемента до 24 В. Я поделил элемент на две части, разрезав одну дорожку и запараллелил эти два массива светодиодов. Так как питание светодиодного элемента осуществляется короткими импульсами, а напряжение питания равно напряжению падения на светодиодах, то ограничивать ток я не стал. Диод стоящий параллельно электромагниту, защищает от отрицательных выбросов электромагнитной катушки. Можно поставить диод из той же, разобранной LED лампы. Электромагнит сделан из автомобильного реле. Реле у меня уже было раскурочено, по этому мне пришлось использовать его таким какое оно есть. Если бы у меня было исправное реле, я бы сначала попробовал подключить китайскую палочку на якорь реле. Для обеспечения зазора между постоянным магнитом и электромагнитом, можно вложить между ними кусочек поролона, или сдвинуть палочку с магнитом в бок. Как я и сделал.

Подробности по коду для ардуино
Я использую Arduino Nano, потому что у меня их много и они прекрасно устанавливаются на макетной плате. Но Вы можете использовать абсолютно любой контроллер Ардуино и даже Digispark. Энкодер использует прерывание INT1. Если вращать энкодер без нажатия, то тогда регулируется частота вспышек стробоскопа и частота электромагнита, с шагом 0,1Гц. Если вращать с нажатием, то регулируется длительность вспышек светодиода, у фотографов это называется время выдержки. При этом частота не изменяется. Управление светодиодным элементом, для удобства отладки я подключил на D13, но Вы можете поменять все пины подключения, на любые другие. Только нельзя менять пин D3(INT1) энкодера.
// Выводы ЭНКОДЕРА
#define CLK 3 // Clock Подключаем к INT1, нельзя переназначать
#define DT 4 // второй вывод энкодера
#define SW 5 // switch кнопка энкодера
#define led_pin 13 // подключен светодиод
#define coil_pin A0 // электромагнит
#define Min 1 // минимальное значение
#define Max 20000 //максимальное значение
#define step_freq 1 // шаг изменения частоты плавно 0,1Гц
#define step_freq_rough 10 // шаг изменения частоты грубо 1Гц
#define step_timelght 100 // шаг приращивания в мкс
volatile int freq = 250; // частота в Гц умноженная на 10, для более плавной настройки
volatile uint32_t paus, time_light=2000; // время свечения светодиода в мкс по умолчанию
uint32_t oldcount;
boolean DT_last; // последнее состояние энкодера
void setup()
{
pinMode(CLK,INPUT_PULLUP); // Clock Подключаем к INT1, нельзя переназначать
pinMode(DT, INPUT_PULLUP); // второй вывод энкодера
pinMode(SW, INPUT_PULLUP); // кнопка энкодера
pinMode(led_pin, OUTPUT); // управление симистором
pinMode(coil_pin, OUTPUT);
attachInterrupt(1, encoderTick, CHANGE); // прерывания от Энкодера
DT_last = digitalRead(CLK); // считываем положение CLK
Serial.begin(115200); // для отладки
}
void loop()
{
paus=5000000/freq;
digitalWrite(coil_pin, 1);
digitalWrite(led_pin, 1);
oldcount = micros();
while( (micros() - oldcount) < time_light){} // длительность импульса выдержки
digitalWrite(led_pin, 0);
while( (micros() - oldcount) < paus){} // положительный полупериод
digitalWrite(coil_pin, 0);
oldcount = micros();
while( (micros() - oldcount) < paus){} //отрицательный полупериод
}
//********************обработчики прерываний Энкодера*******************************
void encoderTick()
{
uint8_t DT_now = digitalRead(CLK); // считываем текущее положение CLK
if (DT_now != DT_last && digitalRead(SW)) // если предыдущее и текущее положение не равны, значит был поворот
{
if (digitalRead(DT) != DT_now) // если DT не равен CLK, значит вращение по часовой стрелке
{
if( freq < Max ) freq += step_freq; // прибавить
} else { // если DT равен CLK, значит вращение против часовой
if( freq > Min ) freq -= step_freq; // убавить
}
} else
if (DT_now != DT_last && !digitalRead(SW)) //если нажата кнопка и было вращение
{
if (digitalRead(DT) != DT_now) // если DT не равен CLK, значит вращение по часовой стрелке
{
if( time_light < paus ) { time_light += step_timelght; } // убавить длительность
} else if( time_light > 0 ) time_light -= step_timelght; // прибавить длительность импульса выдержки/
}
DT_last = DT_now; // сохранить положение CLK для следующей проверки
}
Настройка левитрона
Основная настройка сводится к регулировке потока воды. Нужно настроить скорость потока воды таким образом, чтобы электромагнит мог стабильно разбивать поток воды на капли. Я думаю что это очень просто и Вы визуально сразу поймете где золотая середина. Также настройте частоту вспышек стробоскопа, на более комфортную для Ваших глаз. Частота вспышек влияет
на расстояние между каплями, а если капли начнут рваться без синхронизации, то перестройте поток воды. Если хотите снять видео на камеру, то нужно подстроить стробоскоп под частоту камеры, что бы на камере не было мерцаний
Что дальше?
Планирую купить импульсный насос и на его основе сделать левитирующий дождь из душевой лейки. Так что будет еще одна небольшая статья и видео на тему «Левитация воды»
Будут вопросы спрашивайте, не стесняйтесь.
Я с удовольствием отвечу на них
Автор: Алекс
