До нового года осталось меньше 2 недель, улицы засыпает снегом, даже в Африке, люди украшают новогодние ели, а у меня появилась волшебная палочка... ну ладно, чудес не бывает — я ее сделала сама.
Все началось после прочтения в блоге DIY про led cube, подробного описания сборки не было и возникла мысль — почему бы не сделать такое же своими руками. В процессе пострадал один паяльник и arduino nano, а я узнала, что нельзя включать светодиод без сопротивления и с паяльниками надо обращаться осторожно и аккуратно. Потом были статьи, книги по электротехнике, магазины радиотоваров с поиском нужных деталей, но паять достаточно хорошо, чтобы собрать схему я так и не научилась.
А недавно нашла на сайте instructables описание POV Wand, достала изрядно запылившийся паяльник, arduino uno, остатки светодиодов, резисторы и — собрала «волшебную палочку».
Данная статья не перевод, а скорее адаптация. Я взяла в 2 раза меньше диодов, не стала устанавливать кнопку.
POV — persistebce of vision означает инерцию зрения или персистенцию. Если верить вики, это способность глаза соединять быстро сменяющиеся изображение в одно — неподвижное. Именно на этом принципе устроен кинематограф, поскольку любое изображение (в кино или на экране монитора) представляет собой множество быстро сменяющихся изображений.
Двумерный дисплей POV часто создается с помощью быстро движущихся ряда светодиодов вдоль линейной или круговой траектории. Изображение воспринимается как единое целое зрителем тех пор, пока проходит вдоль траектории в течение времени инерции зрения для человеческого глаза. POV дисплеи используются в сочетании с длительной экспозицией камеры для рисования светом.
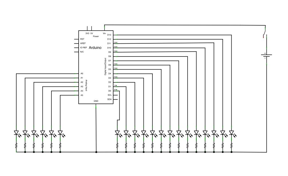
Чтобы сделать POV Wand понадобится:
(1x) Arduino Uno
(10x) светодиодов (к сожалению не помню характеристики)
(1x) батарея 9В
(10x) резисторов 220 Ом
(1x) макетная плата
(1x) штыревая вилка на 10 контактов
Схема
Плата

