Одной из основных задач современного проектирования является поиск новых планировочных решений зданий с максимальным внутренним простором. Не сложно догадаться, что именно проектирование здания из металлического каркаса дает возможность для реализации этой идеи. Поэтому, металлические каркасы зданий — это не только актуальная тема для проектировщика, но и прогрессивное решение при проектировании и строительстве любых объектов.
Но как реализовать идею и превратить ее в готовый проект? С этим нам поможет справиться специализированное программное обеспечение СПДС Металлоконструкции. Это вертикальное приложение, которое устанавливается на такие платформы как AutoCAD и nanoCAD. СПДС Металлоконструкции — это универсальная программа, которая создана для разработки двухмерных чертежей металлических конструкций марок КМ и АС.
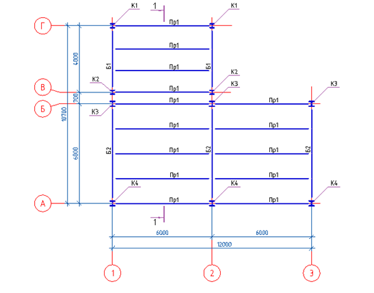
Создание проекта каркаса здания начинается обычно с создания плана расположения металлических конструкций. Для этого в программе предусмотрены все необходимые инструменты по созданию сетки осей и самих элементов металлического каркаса.
В процессе создания проекта чаще всего используются команды «Колонна» и «Балка» — это базовые инструменты программы, которые нужны для построения элементов металлического каркаса здания. Каждый инструмент имеет большой набор параметров, которые задаются пользователем непосредственно через диалоговое окно выбранной команды. Все введённые ранее параметры для определенной марки элемента программа запоминает, и при следующем создании элемента эти параметры вводить уже не придется.

Установив для каждого конструктивного элемента свои параметры, остается только разместить их на плане. Маркировка элементов происходит автоматически, что значительно ускоряет процесс оформления чертежей.

В проектировании довольно часто случаются такие моменты, когда необходимо срочно внести изменения в элементы конструкций. Одной из ключевых особенностей программы является возможность автоматической корректировки параметров для группы элементов одной марки. Например, чтобы изменить типоразмер профиля или материал стали, вовсе не нужно менять его на каждом отдельном элементе, это можно сделать на одном из элементов и все произведенные корректировки будут применены ко всей группе элементов. Благодаря такой возможности, процесс редактирования конструктивных элементов можно выполнить за считанные секунды.
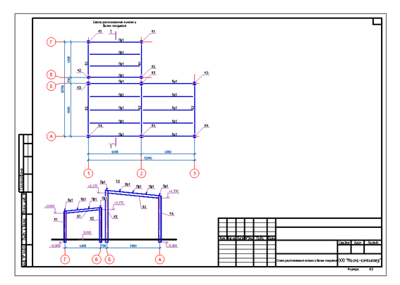
После завершения работы с планом, следующим этапом проектирования является создание вертикальных продольных и поперечных разрезов. Есть несколько способов построения разрезов. В нашем проекте применен самый простой способ: когда элементы каркаса создаются с ранее созданными марками, но с другим видом отображения. Для балок и колонн вид был изменен на вид «Спереди», а для прогонов установлен вид «Сечение». С данными видами и был построен поперечный разрез металлического каркаса.

В проекте изначально предусматривалась установка легких ограждающих конструкций из сэндвич-панелей, для этого балки и прогоны каркаса были запроектированы с уклоном, рекомендуемым самим производителем кровельных панелей. Согласно схеме каркаса, крайние прогоны попадают непосредственно на колонны и для правильной установки прогонов, подрезку оголовков колонн необходимо выполнить с выдержкой этого уклона. Стоит отметить, что все необходимые подрезки лучше выполнить сразу на разрезе: это избавит вас от дальнейшей подрезки этих элементов в узлах.

Когда разрезы уже готовы, необходимо создать узлы сопряжения металлических конструкций между собой. Узлы в чертежах приводят, когда надо показать принципиальные детали соединения элементов несущих конструкций, а затем на их основе создать деталировочные чертежи.
В программе СПДС Металлоконструкции есть отдельная команда по созданию узлов -команда «Узел». Принцип ее действия очень прост. На разрезе выбирается нужное сопряжение конструкций, для которого необходимо создать узел, далее по команде производится вырез и копирование выбранного фрагмента на лист чертежа. Сразу после вставки производится автоматическая нумерация узла и маркировка элементов. Далее пользователю остается только откорректировать расположение линий обрыва, позиционных выносок и добавить соединительные элементы.
Для того чтобы реализовать монтажный зазор, с помощью команды «Подрезка профилей» производится подрезка торца балки Б1. Далее деталировка узла дополняется опорными элементами из пластин, для этого с помощью команды «Пластина» создается опорный столик, оголовок колонны и соединительная накладка.

Немаловажным плюсом является наличие в программе уже интегрированного модуля СПДС, который поможет вам качественно и в соответствии с требованиями ГОСТ оформить документацию.

С помощью команды «Отметка уровня» на разрезах показываются высотные отметки в местах опирания балок. А с помощью команды «Сварной шов» на узлах, в местах соединения конструкций показываются угловые монтажные и заводские сварные швы согласно стандарту ГОСТ 21.502-2016.

Для облегчения чтения чертежей необходима правильная компоновка изображений элементов конструкций на формате листа. С помощью инструмента СПДС «Форматы» можно выбрать необходимый нам формат, разместив элементы конструкций в левой части листа, а правую часть оставить свободной для спецификации.

Завершающим этапом в проекте является создание спецификаций на элементы металлических конструкций. Для этого на панели инструментов есть две команды для вывода необходимой спецификации. Спецификации легко и без всяких настроек генерируются, автоматически происходит подсчет массы металла и пользователю остается всего лишь разместить их на формате листа.

В заключении хотелось бы отметить, что с помощью программы СПДС Металлоконструкции можно выполнять проекты не только простых конструкций, но и зданий со сложными формами. Работа в данной программе несложная, и не требует от пользователя специальных навыков. Выходная проектная документация сохраняется в распространенном формате dwg и поддерживается многими САПР-приложениями. Таким образом, СПДС Металлоконструкции – это не только простое и удобное решение по созданию двухмерных чертежей металлических конструкций, но и гарантия качества выпускаемой проектной документации.
Познакомиться подробнее с функционалом программы СПДС Металлоконструкции можно на канале Magma computer на YouTube или на сайте проекта СПДС.
Автор: defranco
