Приветствую! Думаю, любой инженер или просто радиолюбитель/DIYщик/мейкер, занимающийся разработкой электроники, старается развивать свои навыки, которые растут вместе со сложностью выполняемых проектов. В какой-то момент человек достигает уровня, когда ему кажется, что проекты стали очень сложными, займут много времени на разработку и надо что-то с этим делать — нужно оптимизировать свою работу. Сегодня я расскажу как в Altium Designer 18 (далее AD или AD18) повысить производительность своего интеллектуального труда и сэкономить время, нервы и деньги.

Введение
Теперь немного информации для тех, кто не знает что такое Altium Designer. Это один из трех популярных профессиональных САПР, которые позволяют разрабатывать электронику практически любой сложности. Два оставшихся пакета — это Mentor Expedition (и PADS наверное) и Allegro Cadence. У каждого из этих 3-х пакетов есть свои плюсы и минусы, а так же условная специализация. Сегодня сравнений не будет, поэтому я лишь скажу почему выбрал Altium для себя:
- Отличный дизайн и продуманный интерфейс данной программы просто вне конкуренции. Достаточно посмотреть на конкурентов и все становится ясно. Да, дизайн и удобство это важно, когда ты проводишь за работой по несколько часов ежедневно. Так же это облегчает процесс обучения новичков, ведь учиться в понятном и логичном САПРе намного проще;
- Возможность напрямую работать с таким механическим «титаном» как SolidWorks. Мы можем просто открыть плату из AD в солиде и добавить ее как часть сборке без потери качества. Прощай конвертация через STEP. Для меня, да и наверняка для вас, это важно, т.к. электронное устройство — это не просто плата с компонентами, это почти всегда еще и корпус. Данная возможность позволяет легко сделать сборочную модель всего устройства и не допустить ошибок при проектирование и производстве пресс-форм по 3-5 тыс.$ каждая;
- Наличие достаточно большого количества информации на русском языке, что обеспечивает достаточно низкий порог вхождения. Это основная причина, почему в СНГ главенствует именно Altium, а не что-то другое. Попробуйте найти что-то на русском по Mentor или Cadence, сразу расхотите учиться работать в них;
- В СНГ и Азии большинство компаний работают в Altium, да и в Штатах у них большая доля рынка. В Европе очень любят SolidWorks PCB, который является как раз таки встроенным AD. Что это дает? Вы легко сможете найти работу, если надумаете работать в сфере разработки электроники.
Да да, я не рассказал о всяких возможностях симуляции, инструментах и прочем, но это и не нужно. Все 3 описанные выше САПР с технической стороны умеют примерно одно и тоже, просто с разной степенью удобства и костыльности.
Я хочу научиться работать в Altium, но он меня пугает
Когда-то, году так в 2011-2012, мне довелось впервые поработать в AD, он мне показался крутым, но страшным, т.к. в тот момент английский для меня был преградой и вообще было не понятно как в нем работать. Преодолеть свой страх перед огромным количеством инструментов и функционала мне помогли видео-ролики от тов. Сабунина (спасибо ему), которые есть на youtube на русском языке и описывают базовые простые вещи, позволившие сделать первые шаги в освоение. За прошедшие 6 лет информации по AD на русском стало еще больше, поэтому порог вхождения стал еще ниже, так что не бойтесь и учитесь.
Чтобы вам было легче осваивать Altium Designer предлагаю парочку «пряников» от себя:
- Цикл обучающих видео-уроков — тут. Ролики имеют большую длительность, но содержат в себе исчерпывающую информацию по базовым функция (так говорят по крайней мере) и позволят любому школьнику без проблем спроектировать свое первое устройство;
- Библиотеки для Altium Designer — тут. Тут вы найдете все пассивные компоненты (резисторы, конденсаторы и прочее), а так же большое количество популярных транзисторов, диодов и микросхем, включая МК и FPGA. Создание библиотек на старте занимает очень много времени, поэтому надеюсь, что сэкономлю вам не мало времени.
Если в процессе изучения у вас будут какие-то вопросы и возникнут сложности, то вы можете написать мне в личные сообщения, по возможности стараюсь отвечать всем.
Когда проект становится сложным?
У любого более менее серьезного проекта, будь то исходный код какой-то программы или принципиальная схема электронного устройства, всегда есть черта после которой наступает хаос, проект становится непонятным, его сложно проверять и тестировать, он выходит из под контроля.
Данная граница индивидуальна для каждого разработчика: один может отлично разобраться в устройстве из 1000 компонентов, а другой начинает допускать ошибки и испытывает сложности с проектом из 200 компонентов. Вообще оценка в количестве электронных компонентов немного субъективная, но общую суть проблемы понять позволяет.
Из выше написанного можно сделать следующий вывод:
Проект становится сложным, когда разработчику становится необходимым выполнять действия по сохранению читаемости и понятности исходников проекта.
До какого-то момента вы можете конечно забить на все и «рисовать» на схеме что угодно и как угодно, например, как тут:

Все сливается, схема выполнена неаккуратно и в конечном итоге это приведет к тому, что где-то криво или не туда провели дорожку, в этом хаосе сразу не заметили и в итоге режете проводники на платах и подпаиваете сопли.
Давайте посмотрим еще на один шедевр — схема arduino, выполненная в AD:

Как вам? Мне вот больно… Смотрю я на R2 и R3, вроде понятно что это подтяжки для I2C, но где этот I2C и около какого разъема они должны быть для меня загадка и тут приходится уже искать долго и нудно, при чем это схема с малым количеством компонентов и простая, а уже хаос.
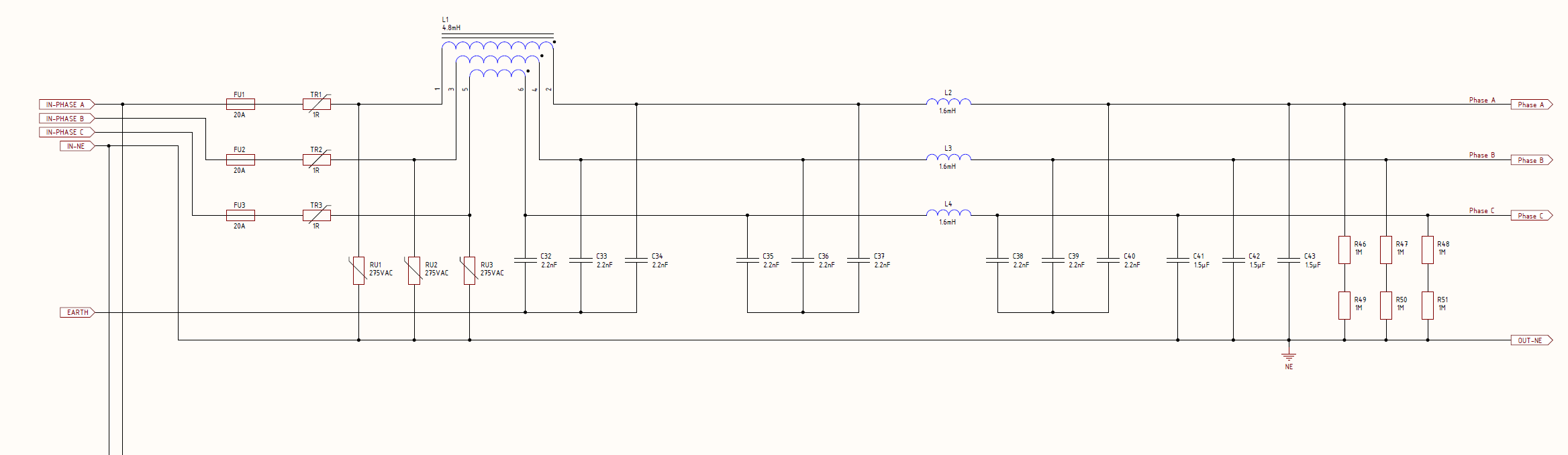
Теперь как альтернатива — пример из своих произведений (кликабельно):
Смотрите на схему и я думаю вам сразу понятно как минимум где вход, а где выход — «стрелки» вам на это намекают, да и мы не арабы, читаем (в том числе и схемы) слева направо. Функция у модуля одна — трехфазный синфазный фильтр и ничего лишнего. Схема сделана аккуратно и занимаете 1 лист в документации. 1 лист — 1 функция.
На самом деле то о чем я написал выше — мелочи, важные и облегчающие жизнь, но все таки мелочи. Хотя я надеюсь общую идеологию вы уловили, давайте теперь подведем итог как же «надо» делать:
- Принцип инкапсуляции применителен и в схемотехнике: каждый модуль выполняет единственную простую задачу. Модуль обычно это один лист в документации, например, А3 какой-нибудь;
- Принципиальная схема должна выполняться в одном стиле и очень аккуратно. Аккуратность при работе в будущем окупится вам сполна. Да и когда вы на собеседовании покажите понятную, аккуратно выполненную схему о вас сразу же сложится хорошее впечатление. Рукожопов видят сразу и обычно не любят;
- Не используйте листы больше А2, даже если у вас пару тысяч компонентов. Если хочется влепить А1, то что-то вы делаете не так. Вероятно вам на схеме нужно выделить какие-то модули и перенести на отдельный лист.
Критикуешь? Предлагай!
Теперь раскритиковав других необходимо предложить альтернативу «как надо делать». Стоит понимать, что описанное в статье лишь субъективное мнение автора, основанное на опыте работы и собственном взгляде на мир.
Предлагаю сделать как все нормальные люди, то есть сначала сделаем через жопу плохой вариант схемы, а затем героически решим все проблемы и доведем до приемлемого состояния. Поехали!
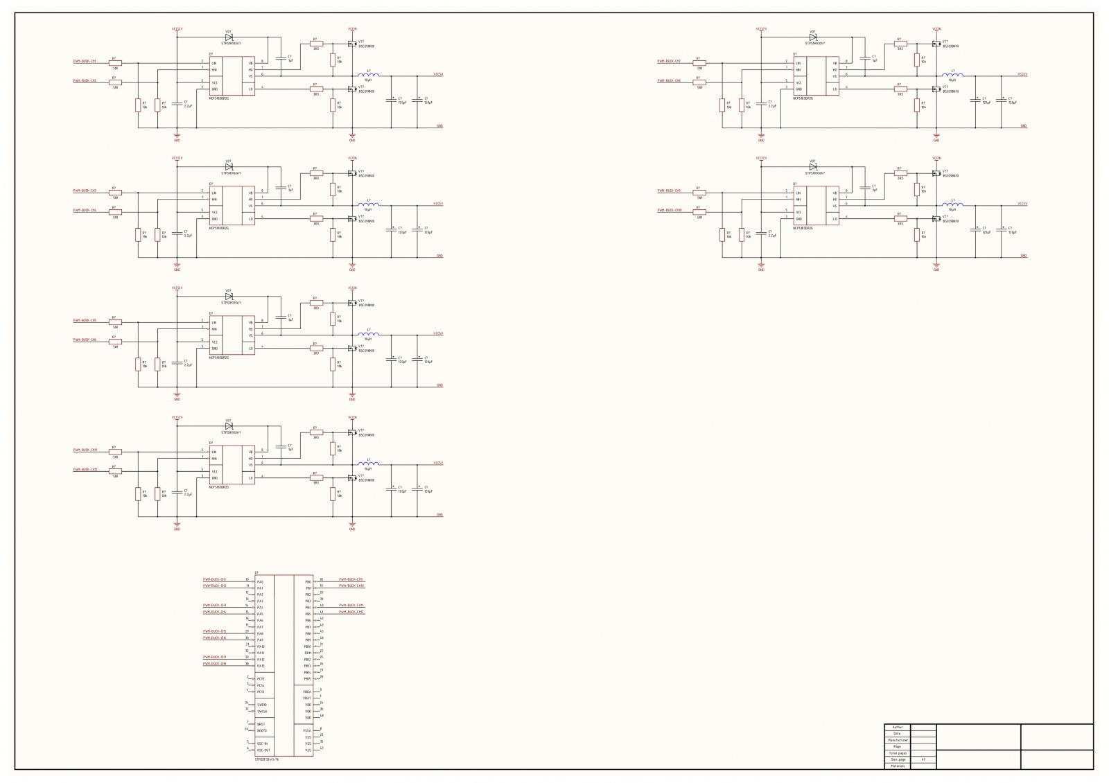
Создаем проект в Altium Designer. В нем для примера я изображу 6-ти фазный buck преобразователь DC/DC. У меня будет 6 силовых каналов и 1 МК для управления всеми фазами. Каждый силовой канал будет выглядеть следующим образом (кликабельно):
Сам канал силовой я изначально начертил правильно. Если посмотрите внимательно, то у меня на схеме есть входы сигнало — 2 ШИМа слева + VCCIN с GND, есть выход — VCC5V и GND. Сам модуль выполняет одну задачу — преобразует VCCIN в 5В. Дальше делаем плохо…
Тут мы натыкаемся на первое ограничение — один канал занимает практически весь лист А3, у нас их 6, следовательно если я увеличу лист до А2 все равно не уместится. Можно увеличить лист до А1 — отлично, пока что мы рукожопы неопытные разработчики и идем по такому пути и наблюдаем следующую картину (кликабельно):
Вроде как пока понятно — есть 6 каких то кусков схемы, есть МК внизу. Вот только это 30% схемы, что еще нужно? Обвязка МК + обратные связи? Конечно! Устройство должно общаться с внешним миром? Конечно, добавим RS485. Аааа, еще нужно питание для драйверов, то есть из VCCIN необходимо получить +12В и для этого добавим DC/DC! Еще же МК… ему надо еще 1 DC/DC и теперь добавив все это — смотрим (кликабельно):
Понятно что тут? А если бы я не сказал изначально о функционале устройства? А если вдобавок к этому еще и отдельные куски схемы рисовал коряво? А если УГО компонентов в библиотеках нарисованы изначально криво? Напугал? То-то же…
Что же делать?
Теперь давайте поразмышляем… В данном устройстве всего компонентов 150, в моих средних проектах связанных с силовой электроникой, их обычно от 1500 до 4000, то есть масштаб бедствия вы представляете, когда таких листов А1 как выше будет 10 штук и все они захламлены и забиты. Ошибки неизбежны!
Смотрим и думаем дальше. Первое что стоит сделать — сформировать модули. У меня они все сформированы, т.к. я их просто копировал с одной домашней поделки, но один модуль разбил — EEPROM память по I2C работающую. Я совершил ошибку такую же как в схеме ардуины, как стоит сделать:

Как видите я собрал в одну «кучку» микросхему памяти, блокирующий конденсатор по питанию, который будет стоять около нее и подтяжки к +3.3В. Теперь мне не придется искать по схеме все компоненты, которые нужны для обвязки микросхемы памяти, они все уже в одном месте. Кстати не обязательно выделять отдельный лист под каждую мелкую микросхему, все таки EEPROM это не отдельный модуль, а скорее часть обвязки микроконтроллера. МК с обвязкой — вот это уже модуль достойный отдельного листа.
Идем дальше… У нас есть повторяющиеся части схемы, например, 2 абсолютно одинаковых канала для обратной связи на операционном усилителе (ОУ), еще 6 абсолютно одинаковых силовых каналов. Это можно оптимизировать тоже.
Еще одна светлая мысль — если все 6 каналов buck одинаковые, то и трассировка у них наверняка будет одинаковая. Этим надо воспользоваться. Может можно развести дороги для одного модуля, а потом оставшимся 5-ти сказать «а ну повтори»? Оказывается можно, AD позволяет нам очень сильно облегчить себе жизнь.
Давайте делать красиво!
С чего начинается любое электронное устройство? С идеи разумеется. Как эту идею превратить во что-то материальное? Например, можно нарисовать блок-схему, где будет отображаться макро-функционал. Сильно мудрить не надо, достаточно картинки на доске или листке бумаги:

На листке уместился весь функционал нашего устройства. Во-первых, данная схема дает нам понять как устройство в принципе работает: есть силовая часть (Buck) 6-ти канальная, которой управляет МК (MCU), который для управления получается 2 сигнала обратной связи через ОУ (Amp.), а так же имеется парочка dc/dc для самопитания и интерфейс Modbus для связи с миром. Во-вторых, по схеме сразу видно готовые функциональные блоки.
Теперь нам необходимо создать в AD 5 листов А3 и в каждый перенести соответствующую часть схемы, но перед этим необходимо рассмотреть типы соединений и цепей, которые мы будем использовать в AD:
- Power port

Данный тип является глобальным по всему проекту. То есть если мы поставили такой порт на одном листе и на другом, то они объединятся в единую цепь с именем «VCC3V3». Соответственно дополнительно цепи питания на разных листах соединять не надо. Данным типом порта задают только цепи питания и землю (GND); - Net Lable

Инструмент для присвоения имени конкретной цепи на схеме. Цепи с одинаковым именем (NetLable) объединяются как внутри одного листа, так и за его пределами. Мы будем использовать данный инструмент кошерно, то есть только для задания имен и соединения внутри одного листа; - Place Port

Инструмент для межмодульных соединений. В противоположность NetLable, который служит для соединения внутри модуля/листа, данный порт применяется для общения с «внешним миром». Им мы соединяем между собой модули, все цепи кроме питания и земли (GND).
Теперь нам необходимо задать с помощью Place Port сигналы, которые будут выходить за пределы модуля. Например, для модуля с операционным усилителем это будет выглядеть так:
Теперь наш модуль превратился во вполне логичную часть схемы: у него есть вход (INPUT), есть выход (ADC-OUT) и есть 2 глобальных подключения (Power Port) — GND и VCC3V3. Ничего лишнего. Проделаем тоже самое для других модулей и сделаем автоматическое присвоение номеров условным обозначениям (designator), перейдя в Tools -> Annotations -> Annotate Schematics и нажав Update Changes List:
Далее жмем Accept Changes и в открывшемся окне жмем Execute Changes:
Закрываем лишние окна и видим, что нашим обозначения (D?, R?, C? и т.п.) получили уникальные номера. После проделанных действий мы получаем вот такой проект — PDF.
Ну как? Думаю никто не станет спорить — все аккуратно, понятно как работает с первого взгляда, нет помойки на схеме. Теперь осталось за малым — нам надо как-то из одного листа создать 6 каналов и вообще соединить все в кучу.
Для этого создадим новый лист, у меня он будет называться просто Main design, но имя может быть любое. В данном листе у нас будет располагаться блок схема, которую я ранее рисовал от руки. Для создания модуля идем Place -> Sheet Symbol. Теперь зададим нашему элементу стилистику всего проекта, то есть шрифт (у меня ISOCPEUR), ширину и цвет рамки, обозначение (designator) и прочее, а так же пропишем имя листа с нашим модулем:

Теперь правой кнопкой мыши нажимает на наш модуль (оранжевый квадрат) и идем Sheet Symbol Actions -> Synchronize Sheet Entries and Port и откроется окно:

В нем мы видим список наших Place Port. Выбираем все и жмем Add Sheet Entries, устанавливаем в наш модуль и задаем общий тип шрифта, получаем такой модуль:

Теперь повторяем тоже самое для остальных 4-х модулей и на выходе получаем вот такую структуру:

Тут стоит обратить внимание на 2 момента:
- 5-й лист (Page 5) с dc/dc при попытки синхронизации не обнаружит Place Port и если посмотрите на схему модуля, то их там действительно нет, только Power Port. НО! Вынести модуль для Page 5 нужно обязательно, иначе компоненты с данного листа просто не появятся на плате;
- Обратите внимание, что у инструмента Place Port есть параметр направленности: input, output и bidirectional. Вам стоит правильно определять тип порта для вашего сигнала, например, порты PWM-H являются исходящими (output) для модуля MCU и входящими (input) для модуля Buck.
Клонируем
Теперь когда мы создали все модули необходимо увеличить их количество для того, чтобы получить 6 каналов для силовой части и 2 канала для операционных усилителей. Как говорится выхода всегда два, даже если тебя съели и данный случай не исключение. Я покажу оба способа:
- Копирование в рукопашную
Тут все просто — обычный копипаст. Выделяем наш модуль, Ctrl+C и Ctrl+V — получаем новый модуль. Остается просто сменить ему номер обозначения (designator) с M3 на M6. Дальше все соединяем и получаем промежуточный вариант схемы:Я скопировал модуль ОУ, добавил пару разъем и шины GND и VCCIN, они теперь глобальные и подключаются сразу во всех модулях где встречаются. Тащить им отдельно Place Port в данном случае смысла нет. Так же я соединил все внешние цепи кроме модуля Buck, на нем продемонстрирую 2-й, более компактный, способ.
- Копирование по-джедайски
В противоположность предыдущему варианту тут все сложно для понимая, но проще в реализации и главное более грамотно. Создание нескольких каналов будет осуществляться с помощью директивы REPEAT. Для этого вместо обозначения (designator) M1 пишем команду REPEAT(BUCK, 1, 6). Данная команда создаст каналы с обозначениями (designator) от BUCK1 до BUCK6, то есть наши 6 штук. Жмем Enter и видим как AD создал необходимое число каналов:
Теперь необходимо соединить цепи. Начну с простого — наши выходы OUT-5V у всех каналов должны объединяться, т.к. все наши фазы работают как один преобразователь на общий выход. Для этого мы просто из Place Port выводит обычную цепь и подключаем ее на выходной разъем:

Теперь необходимо сказать AD, что наши порты PWM-H это не один порт/цепь, а 6 раздельных каналов. Для это кликаем по Place Port с именем PWM-H и в графу с именем пишем REPEAT(PWM-H), это создаст 6 разных цепей:

Теперь необходимо вывести обычную цепь (Ctrl+W) из Place Port с именем REPEAT(PWM-H) и дать этой цепи имя PWM-H с помощью инструмента NetLable. Затем из цепи необходимо вывести шину (Bus) и дать ей имя PWM-H[1..6]. Таким образом из одного порта мы вывели 6 разных цепей у которых будут имена PWM-H1, PWM-H2 и так далее:

Далее шину PWM-H[1..6] мы подключаем к выходу шины на модуле MCU для верхних транзисторов полумоста. Аналогичные процедуры так же необходимо провести для нижний транзисторов и так же прокинуть шину, в итоге мы будем иметь схему следующего вида:

Теперь познав дзен давайте переделаем «по-джедайски» модуль с операционным усилителем, чтобы не оставлять костыль в виде копипасты. В результате получим финальную версию принципиальной схемы:
На этому мы с принципиальной схемой закончим, финальный результат вот — PDF. Как видите схема вышла простейшая, всего пару полу-пустых листов А3, разобраться в ней сможет любой радиолюбитель с минимальными затратами времени и нервов.
Экономим десятки человеко-часов на трассировке
В современных реалиях, когда степень интеграции компонентов (микросхем) достаточно высокая, разработка принципиальной схемы занимает все меньше и меньше времени. Уже не так часто встретишь на 90% аналоговых монстров и это хорошо. «Слабым местом» в процессе разработки устройства остается проектирование печатной платы (PCB). Современные САПР предоставляют множество различных инструментов для сокращения трудозатрат на разработку платы и именно это было основной целью данной статьи.
Как я ранее указывал, в нашем устройстве есть несколько повторяющихся модулей: buck и ОУ. Если вы посмотрите на современные устройства, то во многих будет множество таких повторений, например, 4-х канальный осциллограф у которого все каналы идентичны. Мы можем конечно трассировать каждый канал руками, а можем и упростить себе жизнь.
Все, что ранее было описано в статье называется просто — многоканальная схема, звучит просто и со вкусом. Именно такую принципиальную схему мы создали и теперь она нам позволит сделать следующее — развести цепи для одного канала buck, а затем просто скопировать в оставшиеся 5 и расположение компонентов (компоновку) и все проводники. Для начала переносим все наши компоненты с принципиальной схемы в файл с печатной платой, жмем Design -> Update PCB Document:
Теперь жмем Execute Changes и в результате получаем вот такую печатную плату:
Как видите на плате появилось 6 красных зон, которые называются комнатами (Room). В каждой комнате находятся электронные компоненты для одного канала и ничего более. Теперь необходимо задать габариты комнаты, то есть указать какую конкретную площадь будут занимать компоненты нашего канала и сделать компоновку деталей. Выглядит это следующим образом:
Так будут распологаться компоненты каждого канала и именно такую площадь занимать. Правда что-то мне тут не нравится… Ага! Обозначения компонентов в слое шелкографии (белый надписи) имеют не сквозную нумерацию, а нумерацию в формате «Обозначение_Название комнаты», то есть у нас есть резисторы R6_BUCK1, R6_BUCK2 и так далее. Я хочу чтобы не было приставки "_BUCK1" и у каждого компонента был свой номер. Нажимаем Ctrl+L и затем идем в меню Annotate Options, где видим такое меню:
Теперь необходимо выбрать вариант нумерации $ComponentPrefix$GlobalIndex и нажать ОК. Нажимает Reset All чтобы все значения скинуть и затем нажимаем Anotate Designated. Как видим в канале BUCK2 компоненты сменили свои обозначения с R6_BUCK2 на более привычные нам обозначения R6, R7 и т.д.:

Осталось согласиться с изменениями, нажав Accept Changes и в открывшемся окне подтвердить все кликом по Execute Changes. Переносим изменения из схемы на печатную плату Design -> Update PCB Documet как мы уже делали. В результате наблюдаем «человеческие» обозначения, которые не занимают всю плату и гадят в ней:

Имея адекватную компоновку и обозначения переходим к трассировке — выполним трассировку цепей внутри одной комнаты «BUCK6» и получим вот такую картину:

Я не стал разводить все, GND оставил не тронутой, т.к. это обычно единым полигоном заливается. Для демонстрации достаточно. Теперь делаем следующее:
- Идем Design -> Rooms -> Cope Room Format
- Altium нам внизу подсказывает Choose source room, то есть предлагает тыкнуть в комнату с которой нужно все скопировать, в моем случае в BUCK6
- Теперь altium подсказывает ChooseDestination Room, то есть просит ткнуть в комнату в которую нужно скопировать нашу разводку. Выбираем любую из BUCK-ов.
- Откроется меню в котором можно поставить галочку Apply To Specified Channel, которая говорит, что надо скопировать не просто в выбранную комнату, а во все аналогичные.

- Жмем ОК и радуемся!
Я не поставил галку и выбрал кликами 2 канала, т.к. бывают ситуации, когда, например, не все каналы идентичны. Вспомни VRM на материнке у CPU, там часто 3-4 фазы с одной стороны, а еще 3-4 с другой. Применительно к моему случаю это могут быть 3 фазы с одной разводкой и еще 3 фазы с другой. Думаю обща идеология понятна. Теперь давайте посмотрим на результат:
Наблюдаем 3 идентичных канала и самое главное — времени я потратил на все каналы как на 1. В данном абстрактном случае экономия времени в 6 раз, но и в реальных задачах порядок уменьшения трудозатрат примерно такой же. Да и не маловажный фактор — если делать 6 каналов руками, то «глаз замыливается» из-за однотипной работы и велика вероятность допустить ошибку или сделать компоновку кривую.
Итог
Надеюсь вам было интересно узнать об одной из базовых парадигм проектирования электроники и почерпнете для себя что-то новое и полезное. И помните — аккуратность в документации, библиотеках и использование правильных инструментов в САПР позволят вам избежать ошибок и сэкономить кучу времени.
Автор: Илья













