В последней своей статье про Домофон с MQTT я проводил опрос на тему того, какую статью написать следующей. Выбор пал на заказ производства печатных плат, вот собственно немного расскажу об этом. Если статья зайдет, напишу по следующей теме из голосовалки.
Я ни в коем разе не принуждаю сразу выливать ваше хлорное железо / перекись водорода, оставьте их для макетирования. Я лишь хочу показать, что заказать платы на производстве в наше время совсем не сложно, как может показаться начинающему радиолюбителю. Есть в этом что-то магическое — подержать в руках красивую плату собственного изготовления.
Для меня электроника выступает в качестве хобби, и я, разводя очередную плату, просто отсылаю ее на производство и возвращаюсь к ней только после получения готовых плат. Таким образом, у меня может крутиться несколько проектов одновременно. Я не травлю платы сам и макетирую на проводах только в крайнем случае.
В статье затрону минимальную подготовку к производству плат в программе Eagle CAD. Другими программами не пользуюсь, но думаю смысл будет примерно таким.
Ну, начнем с того, что Eagle CAD (далее буду иногда называть его Орлом) — сама по себе программа платная, но есть бесплатная версия с ограничениями. На один проект допускается рисовать не более 2х листов схемы и разводить не более 2х слоев платы площадью до 80 см2. Мне пока что хватает. Зато всегда пользуюсь актуальной версией с сайта производителя, а не каким-то ломаным старьем.
Учить работать с программой я не буду, для этого есть хорошие статьи от DiHalt’а (ссылка будет в конце статьи), а лишь быстро пробегусь по тому, что нужно сделать для заказа плат.
Разводка платы и DRC контроль
Перед началом разводки необходимо ознакомиться с нормами, которые допускает производитель при изготовлении — это минимально допустимые размеры и зазоры. От них зависит, насколько корректную плату вы получите. Для начала разводки главное среди них это минимальный размер дорожки и переходного отверстия. Производители всегда указывают свои технологические возможности на сайте и почти все сейчас делают дорожки от 6 mil (0,150 мм). Конечно возможно и меньше, но чаще это будет дороже. Советую не мельчить и разводить покрупнее — вам же будет потом удобнее.
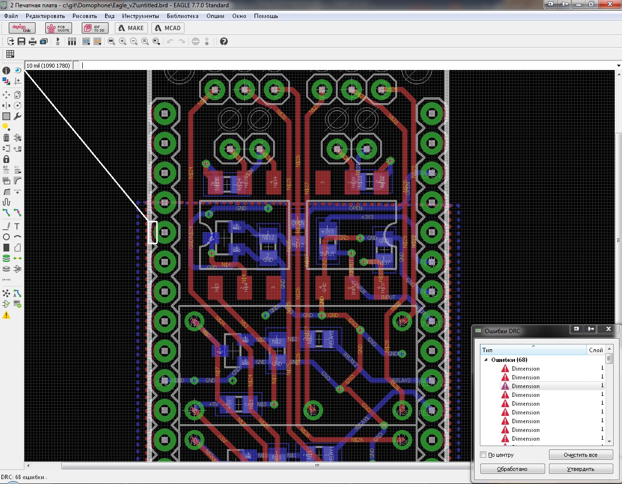
Допустим, вы худо-бедно развели печатную плату. Теперь необходимо проверить зазоры в автоматическом режиме по всей плате. Производители иногда прикладывают файлы для их контроля в разных программах. Вот, например, OSH Park подготовил свои нормы в файлах для скачивания. В принципе, по этим нормам можно заказывать и у других производителей, везде технологические возможности примерно одинаковые.

*Открываем в пункте DRC скаченный файл или настраиваем зазоры сами
Жмем Проверить и получаем кучу ошибок. По каждой ошибке можно посмотреть место, где она вызвана, и принять решение: либо исправлять, либо забить и ничего не делать. Заказ плат процедура простая: что нарисуешь, то и получишь, задача программы лишь подсказать тебе слабые места.
Выгрузка на сайт производителя
Все производители принимают платы в виде gerber файлов, но бывают приятные исключения. Например, тот же OSH Park позволяет загружать прямо *.brd файл из Орла или *.kicad_pcb из программы KiCAD с последующим просмотром получившегося результата.
CAM processor
Вернемся к gerber файлам. Для генерации этих файлов из Орла, необходим так называемый CAM процессор. Это файл, в котором настраивается какие слои в какой файл выводить.
Вы конечно можете настроить вывод сами по тем же требованиям с сайта производителя, а можете воспользоваться готовым, если найдете.

*Eagle выведет слои top, pads, vias в файл *.toplayer.ger
Но тут надо быть внимательным, т.к этот CAM процессор выведет файлы с названиями, которые будут понятны одному производителю, а другой в них запутается. Так что смотрим требования к именам gerber файлов на сайте производителя и называем их соответственно.

*требования с сайта одного из производителей
Предварительный просмотр gerber файлов
Прежде чем оплачивать заказ не будет лишним посмотреть, как сгенерировались ваши файлы. Возможно, там съехал слой шелкографии или поехали шрифты (самая частая проблемы, всегда пишите векторными шрифтами).
Для этого есть разные бесплатные online сервисы или программы. Файлы загружаются в zip архиве. Иногда функция просмотра встроена прямо в форму заказа платы. Так, например, EaseEDA имеет свой просмоторщик.

Ну а как оплатить заказ, я уж думаю, сами разберетесь. Благодарю за внимание.
Ссылки:
1. Работа в Eagle Cad — цикл статей от DiHalt'a
2. Долой Sprint Layout, да здравствует Eagle Cad — а тут я когда-то писал про работу с Орлом
3. Проверенные производители печатных плат (всегда сравнивайте цены): OSH Park, EasyEDA, iTead, Seeed Studio
4. Онлайн просмоторщики gerber файлов: EasyEDA, Gerber-Viewer
Автор: Анатолий

Мне нужна была печатная плата. Я обратился к одной компании по разработке и производству печатных плат. Подробнее на http://m-l-teh.com