Во время последнего ремонта над ванной комнатой обнаружилось место между потолками высотой примерно в 20см, выходящее в том числе и в кухню. Было решено не закрывать его обратно полностью, а вставить несколько цветных стеклоблоков с лампочками позади. Время шло, стеклоблоки стояли на месте уже полгода, и наконец у меня дошли руки до лампочек. Конечно, просто включать их вместе с верхним светом было неинтересно, и хотелось заставить их что-то показывать.
.jpg)
Тут приехал компьютер raspberry pi, и проект начал обретать очертания. Не буду рассказывать, что спаял всё за один вечер, это были скорее месяцы.
В качестве источников света взял обрезки диодной ленты от верхнего света в кухне. Лента самая простая, 6Вт/м, питается от 12В (старого универсального ноутбучного блока питания). Примерно в этот момент верхний свет тоже захотелось сделать управляемым, так что управляемых линий стало не шесть, а семь.
-2.jpg)
Желтое стекло светит ярче других, сделаем послабее при помощи синей изоленты
-3.jpg)
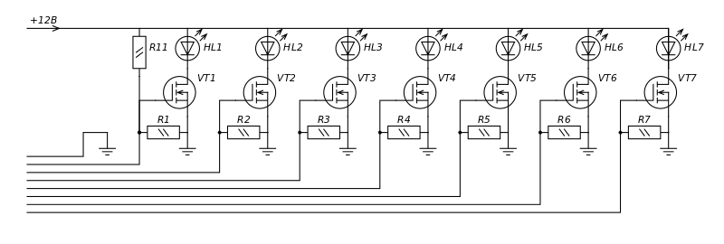
Для включения-выключения света нужно размыкать один из контактов к светодиодной ленте (0 или +12В). Ноль оказался проще, это позволило объединить нули 12-вольтового БП освещения и 5-вольтового БП pi. В закромах нашлись транзисторы IRLML6344TRPBF (хотя подошли бы почти любые), по одному на каждую линию. Получилась такая схема:
-4.png)
Слева управляющие линии. Светодиоды обозначены схематично, каждый символ это кусочек диодной ленты
Чтобы управляющая нога транзисторов не болталась в воздухе, прицепил ее через 15кОм (опять неважно сколько, лучше больше) к нулю для всех транзисторов. Для первой же линии (верхний свет) соорудил делитель R1:R11 (15кОм:45кОм), чтобы она была по умолчанию включена.
Цеплять намертво pi к этой схеме не хотелось, да и расположена она будет в труднодоступном месте, так что нужно соединить восьмижильным кабелем (семь управляющих линий и земля)… стоп, я же знаю подходящий кабель!
Вот та же самая из кусочка макетной платы, SMD транзисторов и старых сопротивлений:
-5.jpg)
-6.jpg)
На этом конце витая пара припаяна, а на другом пока торчат проводочки
-7.jpg)
Один разъем — для блока питания, второй — для провода к верхнему свету
Подключаем — свет горит. Коротим проводочки с тем, что по умолчанию включен — лампочки перемигиваются. Порядок ног можно не запоминать, главное отличать землю (коричневый). Обжимаем другой конец и делаем всё красиво:
-8.jpg)
У pi много свободных ног
Пробуем!
Всё, теперь ничто не мешает включить свет откуда угодно:
Для управления GPIO используется библиотека webiopi (даёт HTTP REST-интерфейс к ногам).
Оказалось, что включать свет с телефона неудобно (кто бы сомневался!), так что лампы были запрограммированы на самостоятельную работу. Сейчас они показывают цветом уровень яндекс-пробок. Рассказать об этом в следующей серии?
Автор: legrus, Самодельные лампы-индикаторы из стеклоблоков и диодной ленты (и, конечно, raspberry pi)
