
В прошлый раз мы разобрали основы полевых транзисторов, поговорили об их нюансах и возможных подвохах. Но на основах здесь дело не заканчивается, поэтому давайте разберём реальные случаи применения этих транзисторов во всём их разнообразии! Я хочу показать вам несколько крутых схем, где дружелюбные полевики, особенно их МОП-модификация, способны вам помочь. Попутно с этим я также представлю вам несколько полевых транзисторов, с которыми вы, как мне кажется, подружитесь надолго. Если, конечно, вы с ними ещё не знакомы.
▍ Управление реле
Это, пожалуй, самое популярное применение для NPN-транзистора — управление катушками, такими как реле или соленоиды. Мы все уже привыкли управлять реле с помощью биполярных транзисторов, обычно NPN-модификаций, но это не обязательно должны быть именно они. Зачастую с этой задачей справятся и полевики. На картинке вы видите N-FET, используемый в той же конфигурации, что и типичный биполярник, за исключением того, что вместо ограничивающего базовый ток резистора здесь у нас резистор между затвором и истоком. После сборки платы нельзя просто выпаять биполярник и впаять на его место полевик, но в остальном эта замена проблем не составляет. Здесь по-прежнему необходим диод с обратной защитой от ЭМ-полей на случай, когда вы включаете реле, и катушка, протестуя, создаёт непредсказуемое напряжение. Что поделать, идеала не существует.

Причина, по которой вы можете управлять реле тем же образом, довольно проста: в обычной NPN-цепи оно управляется логическим уровнем интерфейса ввода-вывода с напряжением 3,3 или 5 В, а для малосигнальных полевиков это вполне вписывается в диапазон Vgs. Тем не менее, если ввод-вывод вашего микроконтроллера имеет 1,8 В и параметр Vgs полевого транзистора для него не подходит, NPN-модель окажется более удачным решением, поскольку будет функционировать при условии, что вы сможете подавать любой невысокий ток и мизерные 0,7 В, необходимые для работы.
А вот и наши первых два дружелюбных транзистора — 2N7002 и BSS138 — они оба являются малосигнальными N-FET, подходящими как раз для такой работы. Модель 2N7002 — это довольно простая деталь — вы зачастую встретите её там, где может подойти N-FET. BSS138 в этом плане очень похож при чуть более высоком диапазоне Rds и чуть более низком . Их вы встретите в некоторых схемах от Sparkfun или Adafruit. Вы можете спокойно купить кучу тех или других и использовать в своих схемах, когда вам требуется небольшой N-FET, которым можно управлять с помощью ввода-вывода.
▍ Смещение уровня
Естественно, относительно небольших полевиков логического уровня есть и ещё кое-какие нюансы — к примеру, если вам когда-либо требовалось смещать уровень нескольких сигналов, то вы могли использовать небольшие платы «смещения уровня» с деталями в корпусе SOT23. Эти детали фактически являются полевыми транзисторами, и наша коллега Дженни Лист разбирала этот вид в своей обширной статье о смещении уровня (англ.). Помимо прочего, этот метод недорог в реализации, прост и будет работать с подавляющим большинством сигналов, уровень которых вам потребуется смещать — ещё больше причин запастись малосигнальными N-FET.

▍ Защита от обратной полярности
Вот прекрасная схема, которая позволит вам реализовать безупречную защиту от обратной полярности с помощью полевиков. Вы можете использовать любой их вид — зачастую для этой цели берут P-FET, поскольку наличие непрерывной общей земли имеет свои плюсы, но и N-FET тоже сойдёт. Этот способ защиты намного лучше использования последовательно включённого диода, потому что здесь вы уже не затрачиваете столько мощности — при потреблении 1–2 А диод может привести к потере более 1 Вт на нагрев.
Если Vgs не превышает ожидаемую входную мощность, то вам достаточно привязать затвор P-FET к минусовому пину, подключить питание к плюсовому, а пин стока оставить в качестве выхода. В противном случае, если ваше входное напряжение может превысить пороги Vgs или обратного Vgs, нужно добавить стабилитрон и резистор для ограничения напряжения. Такой вид защиты от обратной полярности дешёв, безупречен и может полноценно защитить ваши компоненты от огненной смерти.

Естественно, если у вас уже не маломощная схема, то потребуется выйти за пределы возможностей малосигнальных полевиков — примером может стать вход питания для макетной платы, с которой вы работаете. Быть может, здесь вам подойдёт тот же вид полевых транзисторов, который бы вы установили для переключения периферии на стороне питания? Давайте разберём полевики помощнее — в частности, несколько небольших, но хороших P-FET, способных налегке справляться с более высоким током.
Существует довольно мало небольших, но мощных полевых транзисторов с максимальным диапазоном Vgs от 12 до 24 В и максимальным Ids в районе 2–4 А, которые подойдут во многих случаях. Некоторые из них имеют хвалёный вход логического уровня, что обычно означает адекватный показатель Rds при Vgs значительно ниже логического уровня 3,3 В, то есть 1,8 В. Если вам когда-либо потребуется переключать питание для Wi-Fi-модуля 3,3 В, и вы решите делать это с помощью ввода-вывода, то подобный полевик отлично подойдёт. Другие модели не хвастаются наличием входа логического уровня, но имеют разумный Rds при низком Vgs.
Среди излюбленных мной универсальных P-FET с поддержкой высокого тока я начинала с IRLML6401 и IRLML6402, а теперь использую их аналоги восточного производства, CJ2305 и HX2301A, только потому, что они стоят дешевле на LCSC. Когда дело доходит до N-FET аналогичного калибра, отлично подойдёт IRLML2502, а AO3400A уже давно зарекомендовал себя как классика среди деталей с восточного рынка. Ищите что-то ещё? Ознакомьтесь со статьёй Ask Hackaday: Dude, where’s my mosfet?, в которой электронщики высказывают свои рекомендации по использованию конкретно этого вида полевых транзисторов.
▍ Шина питания
Мы все видели схему с двумя диодами, позволяющую подавать питание через вход постоянного напряжения или батарею с помощью простого переключения. Тем не менее здесь есть проблема — при питании от батареи использование последовательного диода приведёт к потере приличного объёма выходного напряжения, что станет особенно заметно при запитывании схемы 3,3 В от литий-ионной батареи с диапазоном 4,2–3 В. Эта схема в процессе зарядки аккумулятора снимает с него нагрузку и запитывает её от 5 В. И хотя здесь может показаться, что ситуацию исправит параллельное подключение нагрузки к батарее, вмешиваться в CC/CV-цикл зарядки не стоит.
Я упоминала эту схему в статье Lithium-Ion battery circuitry is simple, но стоит упомянуть её ещё раз — очень уж она хороша. Естественно, вам потребуется подходящий сюда полевой транзистор, и на роль такого вполне сгодится P-FET с выходом логического уровня. Ах да, подходящий подбор резистора позволит избежать проблем — можно безопасно использовать экземпляр на 10 КОм или даже 47КОм, и если ваша схема сгорит при отключении зарядки, то просто снизить ёмкость до 1 КОм. В конце концов затвор полевика не нуждается в столь большом токе для удержания заряда.

Здесь нужно помнить — в отличие от обычного монтажа, при реализации переключения на стороне питания на этой схеме полевик разворачивается, чтобы сток и исток поменялись местами, и 5 В не подавалось на батарею через паразитный диод. При этом он всё равно будет работать, в частности потому, что паразитный диод приводит к появлению напряжения на пине истока. Но учитывайте, что необходимо вычислить порог Vgs, отняв понижение напряжения на паразитном диоде от минимального возможного напряжения батареи — в противном случае транзистор может не открываться.
▍ Плавный пуск
В некоторых случаях, когда вы переключаете подачу питания на периферию вроде GSM-модема, находящегося на собственной коммутационной плате, на шине питания которой установлено несколько мощных конденсаторов, он будет потреблять очень много тока и просаживать напряжение, наверняка приводя к отключению и перезагрузке микроконтроллера. Установив единственный конденсатор между затвором и стоком, вы можете добавить к своей основанной на P-FET схеме переключения простенькую фичу плавного старта. При этом полевой транзистор будет дольше находиться в линейной области при включении, предварительно заряжая конденсаторы до своего полного открытия и сглаживая пик потребления мощности. Это хак, но он решает проблему, и его вполне можно реализовать уже на этапе пост-продакшена.

Хотите разобраться получше? Вот прекрасная публикация (англ.) от onsemi, где он говорит об основах переключения нагрузки с помощью полевых транзисторов, описывая больше практических примеров и стоящих за ними тонкостей. Там же разбираются случаи, когда вам может потребоваться использовать вместо этого переключатель нагрузки. Кстати, а какие это могут быть случаи?
▍ Когда уместнее использовать переключатель нагрузки
Сложно противопоставить что-либо интегральным микросхемам — один такой чип может решить все ваши задачи так, как не сможет ни одно решение на дискретных компонентах. К примеру, вы хотите переключать нагрузку 5 В/1,5 А, но также хотели бы получить защиту от превышения тока. В случае самодельного решения на основе полярных транзисторов вам по меньшей мере потребуется добавить токоизмерительный резистор и операционный усилитель или компаратор.

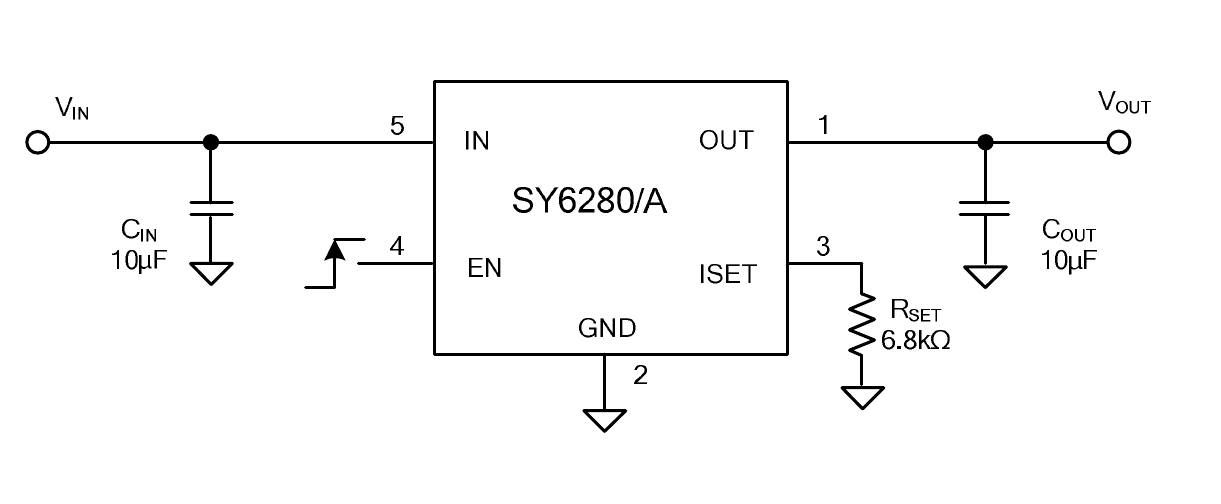
С другой стороны, переключатель нагрузки вроде SY6280 обладает всеми возможностями, которые у вас могут быть при сборке собственного основанного на полевиках переключателя на стороне питания. В таком случае ограничение тока будет легко настраиваться с помощью одного резистора, и будет присутствовать даже опциональный выходной разряжающий резистор на случай, если вашему устройству пойдёт на пользу наличие остаточного напряжения после отключения.
В целом существует много разнообразных переключателей нагрузки, спроектированных с целью упрощения ваших схем и повышения их надёжности. При этом такое решение выходит ненамного дороже использования дополнительного полевика. В них всех есть такие транзисторы, но управляются они всегда через ввод-вывод, в связи с чем пропадает потребность в учитывании ёмкости затвора или Vgs. Некоторые из них позволяют выполнять плавный пуск, другие имеют ограничение тока, у третьих есть защита от обратного тока. Но какая бы задача перед вами ни стояла, вы сможете подобрать под неё переключатель нагрузки, если вдруг ваша схема на полевиках станет уж чересчур сложной.
▍ Поиск «друзей»
Естественно, иногда вам потребуется конкретный полевой транзистор, например в случаях, для которых вы не знаете подходящих кандидатов. Тут вам придётся обратиться к функционалу подборки деталей в онлайн-магазине — и это может немного пугать, поскольку у транзисторов есть немало параметров. Для начала обратитесь к SMD-полевикам, которые подойдут для большинства упомянутых выше случаев — довольно сложно найти транзисторы под монтаж в отверстия (THT, Through Hole Technology), которые подойдут под параметры «20
Под одни и те же параметры N-FET окажутся несколько дешевле P-FET, у них будет чуть меньший Rds, и они могут оказаться более доступны. Здесь у вас обычно не будет свободы выбора, но в случаях, когда вы имеете контроль над схемой, для задач переключения высокой мощности, пожалуй, лучше будет предпочесть именно N-FET. Выбрав подходящий вид полевого транзистора, ограничьтесь этой категорией и, возможно, также ограничьте варианты по количество каналов. Лучше всего будет использовать один-два, но обычно имеет смысл задействовать один, если только ваша схема не предполагает установку множества похожих полевиков.
Среди многих параметров транзисторов наиболее важными являются
После ограничения диапазона
▍ Распространённые, универсальные, полезные
Существует ещё много рецептов для использования полевых транзисторов в ваших схемах. Вы можете реализовывать ШИМ-контроллеры, контроллеры двигателей, электронные нагрузки, защитные схемы — в этом случае полевики также будут иметь заслуженное место на ваших платах. В следующий раз мы поговорим про обработку малой и большой мощности, когда лучшим союзником может стать именно дружелюбный полевик.
Пол-лимона подарков от RUVDS. Отвечай на вопросы и получай призы 🍋
Автор: Дмитрий Брайт
