
Владимир Тимофеевич Поляков (RA3AAE) широко известен в нашей стране как разработчик любительской радиоэлектроники. Его конструкции всегда отличались простотой и хорошей повторяемостью. Ещё в них всегда присутствовала какая-то «сумасшедшинка».
В публикации я расскажу о разработке Полякова, увидев которую, я не смог понять, как она работает. Старшие товарищи, к которым я обратился за помощью, ничего вразумительного мне сказать тоже не смогли.
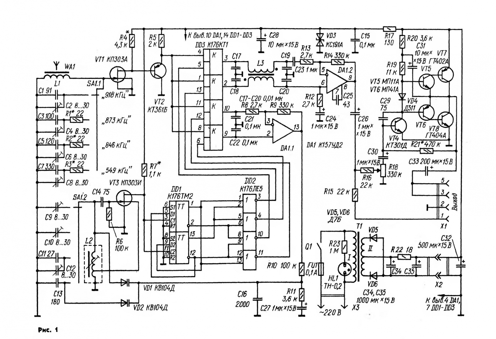
Речь идёт о синхронном АМ приёмнике, схема которого была опубликована в журнале «Радио» №8 за 1984 год.
Ничего не понимаю…

При взгляде на схему приёмника в глаза сразу бросались три КМОП микросхемы: К176ТМ2, К176ЛЕ5 и К176КТ1. Причём, К176КТ1 была включена между усилителем радиочастоты (УРЧ) и усилителем звуковой частоты (УЗЧ). Т.е. эта микросхема (цифровая) в этой схеме играла роль детектора в аналоговом тракте.
Описание работы схемы ясности не добавляло: четвертинки К176КТ1 там именовались «ключами балансного смесителя». Два нижних «ключа» образовывали «фазовый детектор», выходы двух верхних «ключей» назывались «выходом синхронного детектора».
С двумя другими цифровыми микросхемами было понятней: К176ТМ2 делила частоту гетеродина на четыре, а К176ЛЕ5 формировала сигналы со скважностью 4. Это был счётчик с дешифратором.
Дешифратор управлял «ключами». С выхода нижней по схеме половинки микросхемы операционного усилителя (ОУ) К157УД2 на гетеродин подавалось напряжение «подстройки». Это было понятно, но зачем нужно поддерживать фазовый сдвиг 90° между входным сигналом и сигналом гетеродина, в голове старшеклассника не укладывалось.
Конструкция была отложена, но не забыта.
… и вот опять
Первый раз к конструкции синхронного АМ приёмника я вернулся при изучении материалов «Радиоежегодника» за 1988 год, где В.Т. Поляков опубликовал статью «Гетеродинный приём».
Часть статьи касалась синхронного приёма АМ сигналов. В частности, давалась структурная схема синхронного приёмника и описание его работы:

Синхронный прием АМ сигналов возможен при установке второго смесителя и ВЧ фазовращателя. Гетеродинные напряжения на оба смесителя U1 и U2 подаются со сдвигом фазы 90 градусов. Квадратурные сигналы ЗЧ фильтруются ФНЧ Z2 и Z3, усиливаются (А1, А2), один из сигналов служит выходным, а другой используется в системе ФАПЧ с элементами Z4 и V1. Усилитель А2 здесь должен быть УПТ. С его выхода можно снять и переменное демодулированное напряжение при ФМ входного сигнала.
Начало же статьи изменило раз и навсегда моё представление о работе детекторов и смесителей на диодах. Дословно:
Увлечение сверхдлинными волнами [...] породило не только мощные электромашинные РЧ генераторы, но и гетеродинные приемники с синхронным механическим выпрямителем — колесом Гольдшмидта. В них детектор [...] заменен механическими контактами, замыкаемыми при вращении колеса с частотой, близкой к частоте сигнала. При этом, если моменты замыкания контактов попадают на положительные полуволны сигнала, на выходе приемника выделяется положительная постоянная составляющая напряжения, если же на отрицательные — то соответственно отрицательная.
Так происходит синхронное детектирование. Но строго синхронизировать частоты вращения вала генератора и колеса Гольдшмидта трудно, чаще всего они отличались, тогда в телефонах прослушивался тон биений, равный разности частот сигнала и коммутации контактов. Механический коммутатор был идеальным смесителем гетеродинного приемника, поскольку он вообще не детектировал сигнал, а лишь преобразовывал его по частоте.
Суть озарения: механические ключи-прерыватели в детекторах гетеродинных приёмников были в своё время заменены диодами. Диоды в современных схемах детекторов гетеродинных приёмников могут быть заменены электронными ключами, коммутируемыми с частотой принимаемого сигнала.
Таким образом и было узаконено в моих глазах применение микросхемы К176КТ1 в качестве синхронного детектора.
Как это работает
Сигнал гетеродина на транзисторе VT3 делится на четыре счётчиком Джонсона на двух D-триггерах из состава микросхемы DD1. На выходах дешифратора DD2 формируются сигналы с частотой приёма, коммутирующие ключи из состава микросхемы DD3.
Сигналы на выходе дешифратора имеют скважность 4 и сдвиг по фазе 0°, 90°, 180° и 270°. Коммутируемые этими сигналами ключи с подключенными к их выходам конденсаторами C18, C22, C17 и C21 соответственно, образуют схему выборки-хранения, где каждый конденсатор сохраняет значение напряжения на входе синхронного детектора в момент размыкания своего ключа.

Пусть гетеродин при подаче половины напряжения питания на варикапы настроен точно на частоту, превышающую в четыре раза частоту несущей принимаемого сигнала. Сопротивление открытых ключей К176КТ1 равно нулю. Сопротивление закрытых ключей К176КТ1 равно бесконечности. Входное сопротивление ОУ равно бесконечности.
На диаграмме слева делённая на четыре частота гетеродина отстаёт по фазе от сигнала несущей на 90°. На входах верхней по схеме половинки ОУ (синхронного детектора) присутствует примерно одинаковое напряжение. На входах нижней по схеме половинки ОУ (фазового детектора) присутствует разность напряжений (U90 — U270), примерно равная размаху принимаемого сигнала.
На выходе фазового детектора формируется отличное от половины питающего напряжение, изменяющее частоту гетеродина. Это отклонение перестанет формироваться только при равенстве фаз делённой на четыре частоты гетеродина и сигнала несущей, когда на входах фазового детектора будет одинаковое напряжение.
Режим синхронной работы приёмника показан на правой диаграмме. На входах синхронного детектора присутствует разность напряжений (U0 — U180), примерно равная размаху принимаемого сигнала. На входах фазового детектора присутствует примерно одинаковое напряжение.
В реальных условиях между частотами гетеродина и несущей частотой АМ сигнала постоянно будут возникать биения, обусловленные нестабильностью гетеродина и «замираниями» сигнала станции. При этом петля ФАПЧ будет постоянно подстраивать фазу гетеродина под фазу несущей, если частота биения этих частот не превышает полосу пропускания фильтра на элементах R10, C16, R11, C27.
На практике это чем-то напоминает переход регенеративного приёмника в режим «автодина»: при настройке на станцию возникает свист, тон которого тем ниже, чем ближе частота настройки к частоте несущей; при «захвате» сигнала станции свист пропадает.
Я где-то это уже видел
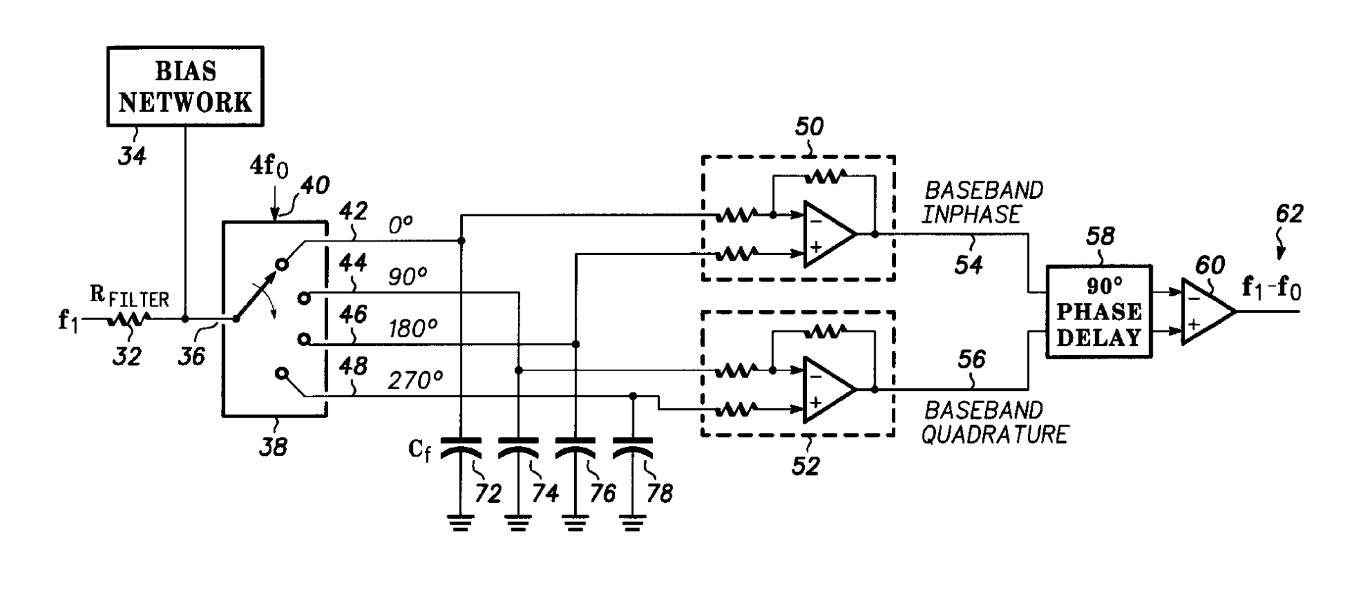
Второй раз к конструкции синхронного АМ приёмника я вернулся при погружении в тему SDR. В «классических» SDR-приёмниках часто применяется решение квадратурного детектора (QSD) по схеме Tayloe. Поиск по сочетанию «Tayloe Detector» приводит к патенту US6230000.
Патент US6230000 был получен 08.05.2001 года сотрудником Motorola Inc. Daniel Richard Tayloe по заявке, поданной 15.10.1998 года. Патент защищает аппаратное решение, принцип действия которого раскрывается иллюстрацией ниже:

Устройство служит для приёма однополосных сигналов с подавленной несущей (SSB). «Математика» работы этого решения описана в главе 3 «Фазовый принцип формирования и приёма SSB сигналов» книги В.Т. Полякова «Трансиверы прямого преобразования», выпущенной в 1984 году.
Из иллюстрации видно, что Tayloe делает акцент на ключевом детекторе, который управляется сигналом задающего генератора с частотой, в четыре раза превышающей частоту принимаемого сигнала. Сигналы на выходе ключевого детектора имеют сдвиг по фазе 0°, 90°, 180° и 270°. К выходам ключевого детектора подключены конденсаторы.
Подобное решение присутствует и в схеме балансного смесителя синхронного АМ приёмника Полякова. Разница — в дальнейшей обработке сформированных сигналов.
В схеме Полякова «квадратурный» сигнал (Q, Baseband Quadrature) включен в цепь ФАПЧ, а из «прямого» сигнала (I, Baseband Inphase) сумматором на DA1.1 формируется демодулированный АМ сигнал. В схеме Tayloe сигналы I и Q поступают на фазовращатель (58) для формирования на выходе сумматора (60) демодулированного сигнала с верхней боковой полосой (ВБП, USB).
Нужно сделать дополнение, что в «классических» SDR-приёмниках схема детектора Tayloe заканчивается цепями I и Q, и дальнейшая обработка сигнала производится какими-либо внешними программными средствами.
Возвращаясь к схеме синхронного АМ приёмника Полякова необходимо отметить, что Владимиру Тимофеевичу удалось сделать на очень несовершенной элементной базе элегантное аппаратное решение не менее элегантной математической модели. Подобные решения на более совершенных компонентах применяются во всём мире по сей день.
Облачные серверы от Маклауд быстрые и безопасные.
Зарегистрируйтесь по ссылке выше или кликнув на баннер и получите 10% скидку на первый месяц аренды сервера любой конфигурации!
Автор: Korean Pilot

