
Даже после появления цифровых вычислительных машин вычисления и обработка сигналов зачастую производились средствами аналоговой электроники. Основу этих устройств составляли операционные усилители.
Операционные усилители как класс появились в качестве унифицированных элементов аналоговых вычислительных машин (АВМ) после Второй Мировой войны. На них собирались звенья, производящие математические операции: сложение, вычитание, интегрирование, дифференцирование и т.п. Слово «операционный» в названии появилось в силу этого факта. В качестве входного сигнала использовалось напряжение.
Вычисления могли быть достаточно сложными и требовать большого количества звеньев, что выдвигало достаточно жёсткие требования к унификации и стабильности характеристик операционных усилителей. Выполнение требований стабильности характеристик достигалось введением в схемы звеньев отрицательной обратной связи (ООС). Для унифицированных операционных усилителей применялась внешняя обратная связь. Характеристики такого звена определялись исключительно параметрами цепи обратной связи.
Массовое применение операционных усилителей началось со второй половины 60-х годов прошлого века, когда был налажен серийный выпуск относительно недорогих интегральных ОУ. Использование микросхем операционных усилителей стало тогда экономически целесообразным сначала в промышленной электронике, а затем и в бытовой технике.
В качестве КДПВ использована фотография советского аналога операционного усилителя LM101, одного из первых массовых интегральных ОУ.
▍ Идеальный операционный усилитель
Обычно операционный усилитель имеет два входа, инвертирующий и неинвертирующий, и один выход. ОУ усиливает разность напряжений на входах. Коэффициент передачи операционного усилителя с отключенной ООС – порядка 104…106 (80…120 dB) в цепях постоянного тока.
Принцип действия ОУ наиболее наглядно раскрывается на модели «идеального операционного усилителя». Модель обладает следующими свойствами:
- Входы идеального ОУ не оказывают влияния на входные сигналы и имеют бесконечно большое сопротивление и бесконечно малую ёмкость.
- Выход идеального ОУ имеет нулевое сопротивление и может обеспечить на нагрузке любое напряжение и любой ток.
- Коэффициент передачи идеального ОУ стремится к бесконечности и не зависит от частоты входных сигналов.
- Время задержки распространения сигнала в идеальном ОУ равно нулю, сдвиг фаз отсутствует.
- Охваченный ООС идеальный ОУ стремится установить равное напряжение на входах.
Схема операционного усилителя без обратной связи представлена ниже:

Идеальный ОУ, включенный без обратной связи, работает следующим образом: напряжение на выходе равно разности напряжений на входах, умноженной на коэффициент передачи идеального ОУ без обратной связи:
| (1) |
Выразим разность напряжений на входах идеального ОУ через напряжение на выходе и коэффициент передачи идеального ОУ без обратной связи:
| (2) | ||
| где: | Uвых – напряжение на выходе ОУ; | |
| Uвх+ – напряжение на неинвертирующем входе ОУ; | ||
| Uвх- – напряжение на инвертирующем входе ОУ; | ||
| Gо – коэффициент передачи ОУ с разомкнутым контуром обратной связи. |
Поскольку, согласно свойству 3 модели идеального операционного усилителя коэффициент передачи Gо стремится к бесконечности, получаем подтверждение свойства 5 модели и для идеального ОУ, неохваченного ООС:
| (3) |
▍ Идеальный инвертирующий усилитель
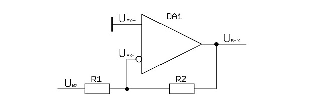
Инвертирующий усилитель является пропорциональным (усилительным) звеном. Он производит операцию умножения входного сигнала на коэффициент k.
Усилитель охвачен отрицательной обратной связью по постоянному току. Цепь обратной связи состоит из делителя напряжения, собранного на резисторах R1 и R2:

Из свойства 5 модели следует, что напряжение на инвертирующем входе ОУ Uвх- равно напряжению на неинвертирующем входе Uвх+. Поскольку, неинвертирующий вход ОУ подключен к общему проводу, на инвертирующем входе образуется потенциал 0 В.
Согласно свойству 1 модели идеального операционного усилителя, инвертирующий вход ток не потребляет, следовательно, падение напряжения на резисторе R1 равно напряжению Uвх, падение напряжения на резисторе R2 равно напряжению Uвых, токи через резисторы делителя равны.
Получаем следующее соотношение:
| (4) |
из которого следует:
| (5) | ||
| где: | Uвых – напряжение на выходе инвертирующего усилителя; | |
| Uвх – напряжение на входе инвертирующего усилителя; | ||
| R1, R2 – сопротивления резисторов в цепи обратной связи инвертирующего усилителя. |
Согласно формуле (5), коэффициент передачи инвертирующего усилителя:
Из формулы (6) видно, что коэффициент передачи идеального инвертирующего усилителя может быть в пределах от 0 до — ∞.
Входной импеданс идеального инвертирующего усилителя равен сопротивлению резистора R1, поскольку, согласно свойству 1 модели идеального усилителя на ОУ входы не потребляют ток, и на инвертирующем входе установлен потенциал 0 В согласно свойству 5.
При равенстве сопротивлений резисторов в цепи обратной связи получаем инвертирующий повторитель.
При соотношении сопротивлений резисторов R1 > R2 схема работает как инвертирующий аттенюатор, т.е. начинает «ослаблять» входной сигнал.
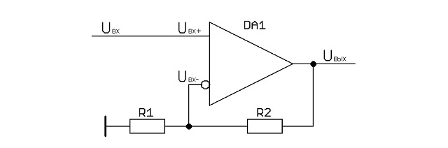
▍ Идеальный неинвертирующий усилитель
Неинвертирующий усилитель, как и инвертирующий усилитель, является пропорциональным звеном. Он производит операцию умножения входного сигнала на коэффициент k.
Усилитель охвачен отрицательной обратной связью по постоянному току. Цепь обратной связи состоит из делителя напряжения, собранного на резисторах R1 и R2. Сигнал с делителя напряжения подаётся на инвертирующий вход:

Из свойства 5 модели следует, что напряжение на инвертирующем входе ОУ Uвх- равно напряжению на неинвертирующем входе Uвх+. При этом Uвх+ равно входному напряжению Uвх.
Согласно свойству 1 модели идеального операционного усилителя, входы ОУ ток не потребляют, следовательно, падение напряжения на резисторе R1 равно напряжению Uвх, а падение напряжения на последовательно включенных резисторах делителя напряжения R1 и R2 равно напряжению Uвых.
Получаем следующее соотношение:
Согласно формуле (7), коэффициент передачи неинвертирующего усилителя:
Из формулы (8) видно, что коэффициент передачи идеального неинвертирующего усилителя не может быть меньше единицы.
Входной импеданс идеального неинвертирующего усилителя равен импедансу неинвертирующего входа, который согласно свойству 1 модели идеального усилителя на ОУ стремится к бесконечности.
Частным случаем схемы неинвертирующего усилителя на ОУ является схема повторителя, где сопротивление R1 = ∞, а R2 = 0:

Схема имеет высокое входное и низкое выходное сопротивление, что позволяет согласовать, например, высокоомный источник сигнала с низкоомной нагрузкой.
▍ Сравнение схем инвертирующего и неинвертирующего усилителей
Обе схемы усилителей, инвертирующего и неинвертирующего, являются пропорциональными звеньями, осуществляющими операцию умножения входного сигнала на коэффициент k.
Принципиальные различия между схемами заключаются в том, что:
- Инвертирующий усилитель изменяет знак входного сигнала, а неинвертирующий усилитель знак входного сигнала не изменяет.
- Коэффициент передачи инвертирующего усилителя может быть меньше единицы, а коэффициент передачи неинвертирующего усилителя меньше единицы быть не может.
- Входное сопротивление неинвертирующего усилителя определяется входным сопротивлением применённого ОУ, а входное сопротивление инвертирующего усилителя определяется сопротивлением резисторов в цепи обратной связи.
Исходя из вышесказанного, инвертирующие усилители целесообразно применять в схемах, требующих согласования с низкоомными источниками сигнала, а неинвертирующие – для согласования с высоомными источниками сигнала, а также на входах измерительных устройств для минимизации влияния на измеряемый сигнал.
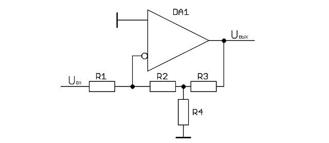
Увеличение входного сопротивления инвертирующего усилителя резистором R1 требует пропорционального коэффициенту передачи k увеличения сопротивления резистора R2. Предотвратить чрезмерное увеличение сопротивления резистора R2 можно применением в цепи ООС усилителя Т-моста:

Коэффициент передачи инвертирующего усилителя с Т-мостом:
| (9) |
Входное сопротивление инвертирующего усилителя с Т-мостом приблизительно равно сопротивлению резистора R1.
При k = 10 и сопротивлении R1 = 500 кОм в схеме инвертирующего усилителя с делителем напряжения в цепи обратной связи сопротивление резистора R2 должно быть 5 МОм.
В случае инвертирующего усилителя с Т-мостом, при k = 10, сопротивлении R1 = 499 кОм и сопротивлении R4 = 100 Ом, сопротивление резисторов R2 и R3 будет равно 22.6 кОм. Расчёт цепи обратной связи в этом случае сложней, но применение Т-моста в цепи обратной связи при больших значениях сопротивления резистора R1 обеспечивает более стабильную работу усилителя.
▍ От автора
Данный цикл публикаций состоит из шести частей. Краткое содержание публикаций:
- Предпосылки появления ОУ. «Идеальный» операционный усилитель. Инвертирующий и неинвертирующий усилители, повторитель. < — Вы тут
- Отличия «реального» ОУ от «идеального». Основные характеристики реального ОУ. Ограничения реального ОУ.
- Суммирующий усилитель. Разностный усилитель. Измерительный усилитель. Интегрирующее звено. Дифференцирующее звено. Схема выборки-хранения.
- Активный детектор. Активный пиковый детектор. Логарифмический усилитель. Активный ограничитель сигнала. Компаратор на ОУ. Источник опорного напряжения. Источник тока. Усилитель мощности.
- Частотно-зависимая обратная связь в ОУ. Активные фильтры на ОУ. Генераторы сигналов на ОУ.
- Однополярное включение ОУ. Входные помехи, «развязки» и защиты входных цепей, экранирование.
Использованные источники:
- Гутников. Интегральная электроника в измерительных устройствах. Энергоатомиздат, 1988
- Хоровиц, Хилл. Искусство схемотехники. 2-изд. Мир, 1993
- Титце, Шенк. Полупроводниковая схемотехника. 5-изд. Мир, 1982
- Шкритек. Справочное руководство по звуковой схемотехнике. Мир, 1991
Автор: Дмитрий Руднев
