Привет! Можно ли увидеть «тёплую ламповость» искажения сигнала на экране осциллографа или измерить иным прибором?
Сегодня мы соберём усилитель на двух лампах 6К4П, посмотрим, что он делает с формой сигнала, и послушаем его звучание в качестве гитарного предусилителя.

С 1957 года советская промышленность выпускала селеновый выпрямитель BСA-10A с инновационным по тем временам дизайном.

Под съёмными крышками с двух сторон корпуса прибора находились катушки для сетевого шнура и выходных проводов с крокодилами для зарядки аккумуляторов. Для всего были предусмотрены фиксаторы: для сетевой вилки, предохранителя, крокодилов. Недоставало, на мой взгляд, только концевого выключателя, который отключал бы предохранитель и колодку переключения первичных обмоток от сетевого шнура, когда крышка не установлена и не закреплена.

После того как провода сняты с катушек, перед включением прибора крышки следовало установить на место и закрепить эргономичными гайками. Под провода в крышках были прорези.
Сегодня такое оформление покажется нам грубым и архаичным, а тогда цилиндрический корпус, покрытый не простой, а молотковой эмалью, был очень даже стильным. Лично мне кажется, что устройство разрабатывалось с любовью. Далеко не в каждом изделии минувшей эпохи наблюдалась такая любовь к мелочам.

Что интересно, для зарубежных блоков питания и зарядных устройств до появления стиля стимпанк форма цилиндра, ассоциирующаяся с реакторами, генераторами и паровыми котлами, не была характерна.

Исключение составляют американские зарядные устройства 1920-х годов, но тут дизайн обусловлен не эстетическими соображениями, а техническим принципом работы: такой выпрямитель, напоминающий паровоз, не имел ламп-кенотронов или селеновых столбов.

Выпрямитель был вибрационным. Его конструкция очень напоминала катушку Румкорфа. Подвижный постоянный магнит на пружине колебался с частотой 60 герц в такт переменному току американской электросети, и механически связанные с ним контакты переключали полярность входа. А на выход поступало выпрямленное пульсирующее напряжение. То есть 60 раз в секунду прибор определял, где в розетке плюс, а где минус.
▍ Недостающее звено

А в 1995 году британская компания Musical Fidelity выпустила предусилитель линейного уровня X-10D. Его корпус — горизонтальный бочонок на двух рельсах, который пользователи окрестили «поросёнком». Он выполнен не из листовой стали, а из литого и фрезерованного алюминиевого сплава — тем не менее, очень напоминает селеновый выпрямитель BСA-10A. А ещё генератор, реактор или накопитель энергии, некий артефакт техномагии.

Изделию присвоили претенциозное маркетинговое название «Недостающее Звено». Другие названия такого прибора — «выносной корректор сигналов» и «ламповый буфер».

Задача буферного повторителя — обеспечивать согласование выходного сопротивления источника аудиосигнала и входного сопротивления его приёмника. И стало быть, устранять влияние соединительного кабеля, которое тем сильнее, чем выше выходное сопротивление источника. Как, например, у пассивных звукоснимателей электрогитары с высокоомными переменными резисторами темброблока.
Заявленное входное сопротивление предусилителя 470 килоом. Что и видим на схеме: два резистора по одному мегаому параллельно, и сетка триода через резистор 1 кОм.

Однако заявленное выходное сопротивление 200 Ом больше напоминает маркетинговое заявление, чем технический факт. 12.5 миллисименса проводимости половинки двойного триода ECC88, он же 6Н23П и 6DJ8, при анодном напряжении 90В, токе 15 мА и -1.3В на сетке соответствуют 80 омам.
Потому в 200 Ом при анодном напряжении 56 вольт в этой схеме можно было бы поверить, при условии, что выходной триод включён катодным повторителем, как у фонокорректора RIAA MM из нашей прошлогодней статьи.

Но у предусилителя X10-D выходной триод включён по схеме с общим катодом, с анодной нагрузкой в виде резистора R208 на 10 кОм. 200 омам выходного сопротивления здесь взяться неоткуда, хотя оно действительно значительно ниже, чем входное, и более чем эффективно согласуется со входом усилителя, ресивера и т. п., а также устраняет влияние ёмкости кабеля.

R210, C205, R206 и С203 у X10-D, подобно С13, С15 и R21 у фонокорректора RIAA MM, обеспечивают последовательную шунтовую ООС. Эта отрицательная обратная связь является частотно зависимой, в отличие от рассмотренной в статье про гитарный фуз на кремниевых транзисторах, где она просто регулирует коэффициент усиления и, соответственно, степень искажения сигнала. Она выполняет функции частотной коррекции.

Итак, здесь мы имеем двухкаскадный ламповый усилитель звуковой частоты. Он неинвертирующий, так как оба каскада инвертирующие — с общим катодом. Аудиофилы считают, что это важно.
Ещё они пишут про «фокусировку частот». В гитарной музыке такое понятие действительно существует, и означает не только образование статических формант через подъёмы и спады амплитудно-частотной характеристики (АЧХ). Звукоинженерам известно, что каждому музыкальному инструменту отводится своя частотная полоса. Подчёркивание определённых полос может улучшить восприятие музыкальной композиции.
Также частотная фокусировка в мире гитарного звука распространяется на разную динамику на разных частотах, то есть разную компрессию, либо наоборот, расширение динамического диапазона. Иными словами, частотнозависимые нелинейные искажения.

С точки зрения алгебры точности, они портят сигнал, а с точки зрения гармонии восприятия — украшают. Потому взрослые люди продолжают играть в тёплые лампы, ищут самые сладкозвучные операционные усилители, снабжают их как можно более бесшумными высоковольтными источниками питания, чтобы достичь высокой скорости нарастания (slew rate), и так далее.
▍ Умножитель анодного напряжения
Коль скоро речь зашла о блоке питания, выносной корректор Musical Fidelity X10-D питается переменным напряжением 12 вольт от простого дешёвого сетевого трансформатора в корпусе-вилке.
Судя по дискуссиям в Интернете, некоторых любителей hi-fi и hi-end аппаратуры это отпугнуло от покупки прибора. А мне наоборот, очень нравится такое доступное, компактное и действенное решение. Ламповая схема, питаемая одной линией, это просто красота! Разве что не будет работать от батареек, но перед нами и не переносное устройство.

Нити накала ламп включены последовательно через однополупериодный выпрямитель D1 и RC-фильтр R1 C9 C10. Резистор R1 дополнительно ограничивает ток накала, что особенно актуально в момент включения: температурный коэффициент сопротивления (ТКС) металла нити положительный, потому на номинальное сопротивление она выходит только после прогрева, а через холодную нить течёт повышенный ток.
Именно потому и осветительные лампы накаливания, и нити накала электронных ламп чаще всего перегорают в момент включения. Чтобы сберечь дорогостоящий кинескоп и недешёвые лампы, одно время продавались приставки к телевизору — ограничители тока накала.

Схемотехнически они состояли из мощного резистора, одновибратора и реле, электромагнитного или твердотельного в виде симистора либо тринистора с диодным мостом. Но если включить через такой ограничитель более современный телевизор с обратноходовым блоком питания (либо через лампочку, которую используют при проверке БП), телевизор может сгореть.
Потому что БП некоторых телевизоров 1990-х годов при слишком низком напряжении питания пытаются достичь номинальных выходных напряжений, увеличивая коэффициент заполнения ШИМ первичного ключа настолько, что ключ (транзистор) не выдерживает повышенного тока, и/или импульсный трансформатор входит в насыщение, что тоже приводит к возрастанию тока и выходу силового транзистора из строя.
Так что ограничение напряжения не всегда гарантирует безопасность, надёжность и долговечность. Иногда наоборот, когда под действием отрицательной обратной связи при снижении напряжения растёт ток.
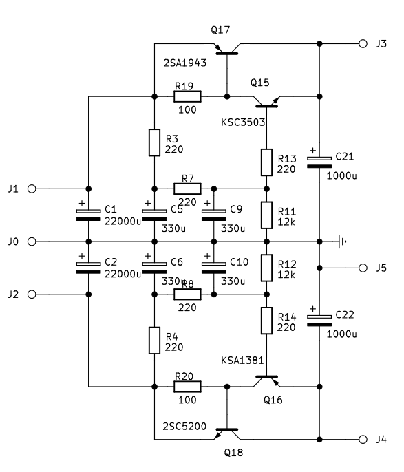
Но в рассматриваемой сегодня схеме таких ловушек и недоработок, к счастью, нет. На диодах D2, D3 и электролитических конденсаторах С1, С2 собран удвоитель положительного напряжения, а на D4, D5, C5, C6 — удвоитель отрицательного напряжения. Вместе они образуют учетверитель со средней точкой и обеспечивают 56 вольт анодного питания ламп.

Далее видим две интересные двухтранзисторные схемы. Это умножители ёмкости. Транзисторы включены по схеме Дарлингтона и служат эмиттерными повторителями. На вход повторителя включён электролитический конденсатор.
Простейший транзисторный умножитель ёмкости работает таким образом. Резистор R2 на схеме изображает полезную нагрузку. Без транзистора Q, резистор R2 был бы нагрузкой конденсатора С1. С транзистором ток пульсаций через С1 будет меньше, чем без транзистора, в β + 1 раз, где β — коэффициент усиления транзистора по току.

Иными словами, за единицу времени через схему пройдёт количество электричества пульсаций в β + 1 раз большее, чем конденсатор «переварил» бы без транзистора. Что эквивалентно умножению ёмкости на β + 1.
А можно просто смотреть на эту схему как на эмиттерный повторитель сглаженного напряжения на конденсаторе. C1 поддерживает входное напряжение повторителя постоянным. Подобным образом работают буферизованные искусственные средние точки в серьёзных схемах на операционных усилителях.

Кроме одиночного транзистора, операционного усилителя и пары Дарлингтона, в умножителе ёмкости можно использовать пару Шиклаи, состоящую из двух транзисторов разной проводимости. Изображённая на рисунке схема обеспечивает выходной ток до 2.5 ампер и годится для питания усилителя мощности звуковой частоты (УМЗЧ) класса А мощностью 10-30 ватт.
Применительно к узлам источников питания, прежде всего ламповых схем, умножители ёмкости иногда называют электронными дросселями. Их не следует путать с электронными балластами для люминесцентных ламп дневного света.
▍ Опыт с ламповым усилителем
Предприимчивые китайцы давно срисовали схему «Недостающего звена» Musical Fidelity X10-D и творчески переработали её с учётом имеющихся у них излишков электронных ламп.

Этот радиоконструктор комплектуется китайскими радиолампами 6J1, 6J2 и 6K4, являющимися аналогами советских 6Ж1П, 6Ж2П и 6К4П, а также зарубежных 6AK5, EF95, EF93, W727, 6BA6(W), 6BD6, 6F31«Tesla», 5749, 6660, PM04, M8101, 6CG и других.

Так как вместо двойного триода применён одинарный пентод в триодном включении, китайский вариант британского лампового буфера имеет однокаскадные каналы без отрицательной обратной связи. Проще не придумаешь.
Для светодиода LED не предусмотрен целый отдельный однополупериодный выпрямитель на диоде D6, как у англичан. Его просто запитали с катода D1 вместе с фильтром питания нитей накала.
Светодиода здесь два, они синие и подсвечивают лампы снизу, что создаёт видимость перегруженного режима работы ламп, когда ускоренные электроны, вылетающие через окна анода, выбивают из стекла баллона фотоны синего цвета.

А также рентгеновские лучи, которые испускала печально известная лампа ГП-5 в стабилизаторах напряжения цветных ламповых телевизоров УЛПЦТ-59-ll — Рубин 707, Радуга-703Д и других.

Анод этого мощного генераторного триода напрямую подключался к катоду кенотрона и аноду кинескопа, и лампа забирала весь лишний ток себе, чтобы не допустить перенапряжения на аноде. Если его допустить, в рентгеновскую трубку превращался сам кинескоп. Зато не было коронавируса.
К счастью, в нашем усилителе лампы используются в очень щадящем режиме, и синее свечение колб — всего-навсего следствие светодиодной подсветки. Кроме которой, китайцы добавили регулятор громкости, которого нет у английского оригинала.
Соединяем вход правого канала с выходом левого и получаем двухкаскадный неинвертирующий усилитель. Подаём на вход левого канала синусоидальный сигнал частотой 500-3000 герц с функционального генератора на специализированной микросхеме XR2206.
Удостоверимся в том, что сигнал синусоидальный, поскольку при чрезмерном усилении (которое регулируется ручкой на генераторе) микросхема начинает его искажать. Вплоть до определённого положения регулятора громкости лампового усилителя синусоида на его выходе остаётся нетронутой.

Но если прибавлять громкость, верхняя полуволна выходного сигнала становится круглой, а нижняя — сужается.

Именно так выглядит присутствие второй гармоники при отсутствии фазового сдвига. На графике видно, как складываются колебания, и какая форма волны получается в результате.

Повысим усиление ламповых каскадов, зашунтировав катодные резисторы R14 и R19 электролитическими конденсаторами 100 мкФ 16 В. Теперь при максимальной громкости верх синусоиды становится сплюснутым: достигнуто ламповое ограничение, оно же перегруз, овердрайв.

Здесь появляется уже третья гармоника, которая выглядит на экране осциллографа как синусоида, симметрично сплюснутая сверху и снизу. Но ламповый сигнал остаётся асимметричным, суженным в нижней части. То есть в нём преобладают приятные чётные гармоники.
Выходит, что неспроста разработчики гитарных педалей перегруза очень часто предпочитают асимметричное ограничение.
А самым простым способом обогатить сигнал сладкозвучием чётных гармоник является использование электронной лампы. Как в сфере гитарного усиления, так и в мире высококачественного звуковоспроизведения, если под качеством понимать не точность, а красоту звучания.
Теперь подключим ко входу нашего лампового усилителя электрогитару Squier Mustang со стоковыми хамбакерами через самодельный прозрачный овердрайв Klon Centaur. И послушаем, как это всё зазвучит.
В качестве электронной нагрузки и симулятора кабинета воспользуемся Torpedo Captor X, а роль усилителя мощности звуковой частоты (УМЗЧ) выполнит модуль на микросхеме TDA2030. И так как амплитуда выходного напряжения нашего лампового усилителя достигает 30 вольт, включим между его выходом и входом модуля резистор на 150 кОм. Входное сопротивление модуля 10 кОм. Получается аттенюация 1/16, или 24.1 децибел.
▍ Выводы
И чистый звук, и лёгкий перегруз звучат вполне приемлемо и музыкально применимо. В этом смысле дешёвый конструктор с Алиэкспресс очень порадовал. Не сомневаюсь, что и воспроизводимую звукозапись это простое доступное устройство приятно подкрасит ламповыми гармониками.
А также поможет согласовать сопротивление источника и приёмника аудиосигнала и избавиться от влияния ёмкости кабеля, ведущей к потере высоких частот и атаки звука, то есть разборчивости, «читаемости» и так далее.
И самое главное, мы увидели на экране осциллографа, сопоставили с графиками и узнали, что именно лампа делает с сигналом звуковой частоты.
Выясняется, что красота ламповых искажений — не маркетинговый миф, а объективная реальность, имеющая физический смысл и наблюдаемая на экранах приборов.
В мире музыкантов и звукоинженеров, в отличие от аудиофилов, приборы «психоакустики», обогащающие аудиосигнал приятными чётными гармониками, называются не «недостающими звеньями», буферами и корректорами, а эксайтерами, от слова excitement, восхищение.
Также фактом является то, что ламповое украшение звука можно приобрести не только за условные 550 тысяч, но и за реальные 550 рублей. Столько стоит комплект из печатной платы, компонентов и ламп с экономной почтовой доставкой. За акриловый корпус придётся доплатить ещё 150 рублей.
Правда, понадобится паяльник, припой, умение ими пользоваться, а ещё сетевой трансформатор с выходным напряжением 12 вольт переменного тока. Подойдёт, например, старый добрый ТВК-110ЛМ. Напряжение следует брать с одной из вторичных полуобмоток, а вторую оставить неиспользуемой.

Напишите в комментариях, доводилось ли вам использовать в блоках питания трансформаторы ТВК, а также какие ламповые приборы вы собирали или планируете собрать.
Автор: Гитарная электроника


