Типовое размещение антенн на арке тоннеля

В переходе
Для нас, связистов, одна из сложных особенностей метрополитена Санкт-Петербурга – это наличие станций закрытого типа, так называемых «горизонтальных лифтов». На таких станциях поезд подъезжает к платформе, «стыкуется» дверями состава к дверям платформы, затем пары дверей одновременно открываются.
Такие металлические двери здорово защищают не только от монстров из перегонов и самоубийц, но и отлично экранируют сотовый сигнал. Поэтому при открытии на аплинк базовой станции платформы одновременно начинает коннектиться несколько сотен абонентов, и получается своего рода DDoS-атака.
Вторая проблема — длинные эскалаторы, часто выходящие не в вестибюль, а через небольшой зал в «глухой» подземный переход.

Фрагмент схемы
Общая ситуация
Сотовая связь в метро нужна, и нужна достаточно сильно. Метрополитены различных городов — как правило, закрытые стратегические объекты, поэтому им присущи достаточно строгие ограничения на возможности организации связи, монтажа и так далее. В нашем случае в метрополитене есть один провайдер, обеспечивающий транспортный канал, и один сертифицированный подрядчик, занимающийся монтажными работами и обслуживанием. Это достаточно благоприятная ситуация, потому что эти две компании имеют все необходимые допуски и могут проводить те же аварийные работы очень быстро. В других городах могут возникать проблемы с тем, что на любое движение нужно получать согласование за 5-6 дней. У нас регламентные работы обычо согласовываются куда быстрее, есть возможность оперативно выполнять ремонты.
Связь в метро реализуется не так, как в городе. В городе используются так называемые макросоты — мощные устройства, рассчитанные на множество абонентов на большой площади. В метро на станциях есть следующие особенности радиопланирования:
- Площади покрытия, как правло, достаточно малые — это платформа, переходы и эскалаторы.
- Эти площади часто вытянуты (например — высокий эскалатор), и возожность монтажа может быть только с одной стороны объекта.
- Абонентов в час пик в соту может набраться столько же, сколько в «большую» соту на поверхности.
- Почти нет сложностей с интерференцией и пересечениями с соседними сотами — соседей банально нет кроме точки стыка с поверхностью. Исключение — открытые перегоны, но у нас их очень мало.
- Во многих местах люди находятся достаточно близко к излучающему оборудованию, поэтому особое внимание уделяется его безопаности.
- В последние полгода резко возрасла потребность абонентов метро в интернет-трафике.
- Наше метро достаточно глубокое: в отличие от «мелкого» европейского метрополитена, почти нет ситуаций, когда городские соты могут использоваться для покрытия платформ или когда их сигнал «пробивается» в перегон или переход.

Антенны у эскалатора
В силу особенностей именно нашего метрополитена, в тоннелях проложен антенный кабель (фактически — длинная железка с дырками-антеннами) Для организации связи в тоннелях нужен доступ к этому кабелю, которого у нас пока нет, но, возможно, появится в будущем.
История вопроса
Первый цикл работ выполнялся в 2004-2005 году: тогда на станции метрополитена были установлены 2G-станции и репитеры для покрытия переходов. Сами управляющие модули базовых станций (всё то, что не антенны) устанавливалось в специальных технических помещениях (серверных) на станциях — вы наверняка видели эти всегда запретные двери у края платформы либо в переходах. Одна серверная используется всеми четыремя операторами города, и за её функционирование отвечает подрядчик, работающий в метро. Если нужно что-то потрогать руками — нашему специалисту назначается специальный сопровождающий, который открывает все двери и следит за работой.
В начале этого года мы начали масштабную замену оборудования по Петербургу. Один из главных моментов — переход от одного вендора к другому. Первые новые станции 3G-станции испытывались в тестовой зоне, затем мы поставили одну на станции и провели бета-тест, а затем модернизировали все базовые станции метрополитена. Всего за три месяца новое оборудование было выведено в эфир на 64 станциях.
В итоге были сделаны следующие работы:
- Репитеры были сняты и заменены обычными секторами.
- 2G-станции демонтированы и заменены 2G-3G-станциями.
- Транспортный канал был расширен до 30 Мбит/с на станцию. У нас есть возможность расширять его дальше по мере необходимости, но на практике для голоса и сёрфинга этого хватает. Если вы один на станции и стоите около антенны — можно получить 42 Мбит/с по стандарту, но по факту будет около 30 из-за ограничений транспорта. Если людей много — соответственно, канал делится между ними. Параллельно мы провели комплекс работ по резервированию каналов со своей стороны — речь о всех точках проброски данных до нашей core network, не зависящих от провайдера метрополитена. В частности, например, мы снимаем отдельно данные 2G и 3G станций, что, фактически, даёт некоторую защиту от выхода из строя фидера или блока на БС. Оставшиеся сбои связаны с транспортом, что от нас не зависит, и касается сразу всех операторов.
- Заодно переконфигурировали БС, чуть ниже более подробно.
- Заложили резерв на случай подключения к излучающему кабелю в перегонах — когда его можно будет использовать, мы сможем поднять сервис за считанные дни, не меняя железо БС.

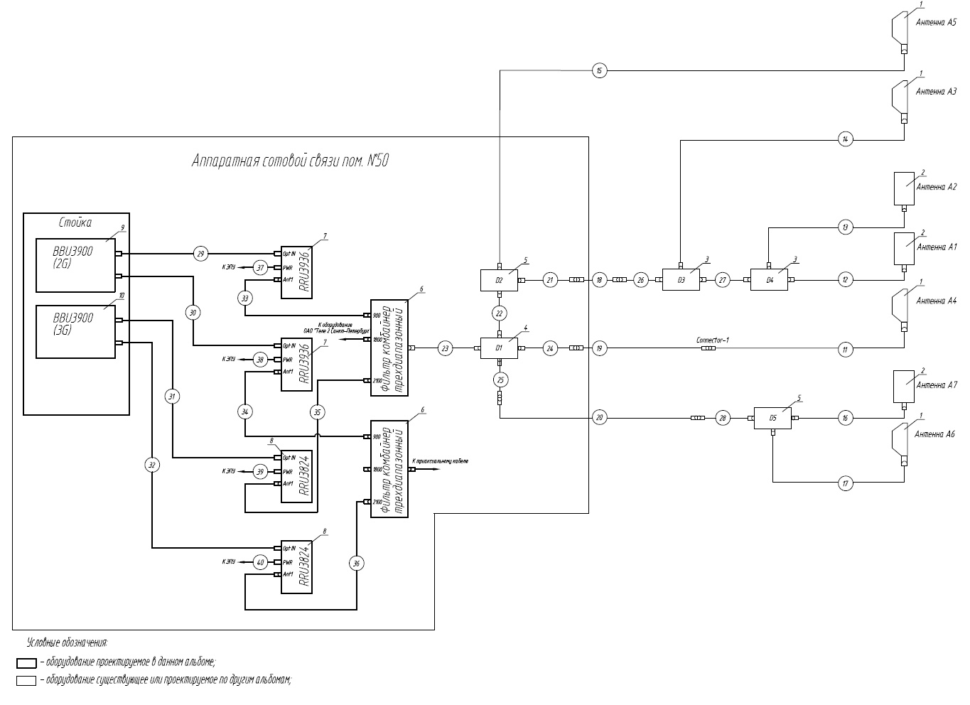
Монтаж 19” стойки и блока комбайнера.

Монтаж многодиапазонных комбайнеров операторов связи.
Монтаж блоков RRU 900 и 2100 диапазонов

Монтаж
Позиции мы практически не меняли, поэтому принципы монтажа остались теми же, что в 2004-2005 году:
- Платформы покрываются антеннами, расположенными на арке тоннеля. В самом тоннеле, кстати, устанавливать ничего нельзя: там ходит специальный поезд, который замеряет габариты — он собьёт всё, что торчит.
- Эскалаторы покрываются антеннами на арке внизу, направленными вверх. Исключение составляют особо длинные эскалаторы вроде позиции на Адмиралтейской (самой глубокой на сегодняшний день станции петербургского метро) — там покрытие делается с двух сторон.
- Переходы — с одной из точек, чаще всего — наиболее близкого к серверной торца.
- Оборудование БС размещается на станциях в техпомещениях в обычных 19-дюймовых стойках, чаще всего — по два юнита.
- Транспорт — 30 Мбит/с Ethernet.


Стойка 19” с установленными блоками базовых станций, источником питания и транспортным маршрутизатором.
При этом в как и при обычной процедуре запуска БС на поверхности, когда для разных организаций измеряется уровень излучения несколько раз, в метро есть специальная процедура. Проверяется не просто излучение сектора, а совокупный электромагнитный поток ото всех излучателей (а их может быть 4-8 в одном месте, по паре антенн на оператора).
По факту это означает ещё одну сложную для нас вещь — 3G-станции отдают выходную мощность около 2 Ватт, что означает небольшую зону распространения сигнала. Здесь мы и встречаемся с проблемой горизонтальных лифтов. К счастью, 2G-сигнал обладает лучшей проникающей способностью, и способен проходить в туннель на некоторое расстояние (обратите внимание на щели под дверями на платформе — как раз в них «светит» 2G).
Когда поезд подходит к станции, сначала часть абонентов получает 2G, затем остальные «ломятся» на 3G-станцию, перебивая аплинк, затем из-за помех часть отваливается или уходит на 2G, и только через 15-20 секунд (или до 30 секунд в час пик) все подключаются. Это именно проблема одновременных запросов, а не ресурсы БС — их там с запасом, учитывая возможный переход на LTE в будущем.

Изменение трафика по дням за 2 месяца лета в Мб синим по дням, чёрным — усреднённое.
При замене инженеры производителя БС прозванивали весь фидерный тракт, измеряя КСВ и при необходимости подрядчик заменял соединительные кабели. Они же забивали «болванку» настроек под метро, которую мы затем переконфигурировали под каждую конкретную станцию. По большей части работа автоматизирована, но вначале пришлось хорошо поковыряться. Дело в том, что на альфе и бета-тестах мы не выявили одну специфическую проблему, возникающую только при нагрузках часа пик. Пришлось немного повозиться с транспортным оборудованием, чтобы решить эту проблему контроллера — но, в целом, по итогам двух месяцев эксплуатации, всё прошло штатно. Мы ждали больших сюрпризов от нового железа.
Бесшовный хендовер на городскую макросоту
Городские соты «задувают» чаще всего в вестибюль как в обычное помещение, и сигнал может вплоне нормально ловиться аж до начала эскалатора. Если мощности сигнала снизу от минисоты и сигнала от макросоты хватает, они вполне нормально передают абонента друг другу по стандартному хендоверу. Кстати, соты у нас от разных производителей, но проблем с конфигурацией, на удивление, не было — есть стандартный протокол, и сюрпризов не случилось.
Бывают ситуации, когда мощности сигнала на хендовер не хватает. Это станции, где выход делается в подземный переход: сама архитектура перехода прямо-таки создана чтобы экранировать сигнал на частотах сотовой связи. В этом случае, конечно, будет потеря сети на несколько секунд, пока абоненты выходят. Коллеги в других городах иногда решают вопрос установкой минисот или дополнительных секторов в вестибюлях или переходах, но в Петербурге так не делается, по крайней мере, пока.
Итак, когда мы обновляли БС, то делали стандартный indoor-тесты. На основании испытаний руками удалялись или добавлялись соседи, что позволило добиться очень качественного бесшовного перехода.
В час пик количество абонентов обычно удваивается от нормальной загрузки соты, и на некоторых точках, например, выходах из метро, плотность абонентов очень высока. У коллег в Москве на некоторых позициях есть решения, которые поворачивают антенны макросоты на выход из метро в 9-10 утра и 18-19 вечера, а днём поднимают антенны чуть выше, на пробки. У нас такие моторы не используются. Управление электрическими углами наклона возможны (моторы есть), но программно изменения углов для ЧНН метро не выполняются.
Регулярно проводятся драйв-тесты, поскольку у нас меняется сеть «сверху». По результатам часто приходят оптимизированные параметры. Выездная команда пишет нам служебную записку о том, что стоит поменять, наши скрипты анализируют записку и собирают конфиги, плюс сразу заворачивают их в командные файлы. Выглядит это так: днем инженеры едут на тесты, вечером выдают служебную записку, утром мы приходим в офис и видим готовые пакеты на деплой. Проверяем параметры и просто накатываем на БС.
Автор: GArtasov
