
Меня зовут Александр Батин, я инженер‑схемотехник. Уже больше трёх лет я работаю в Яндексе в команде, которая занимается разработкой умных экранов и новых продуктов. Отвечаю за проектирование материнских плат (разрабатывал материнскую плату для Станции Дуо Макс), а в последних проектах участвую уже в качестве техлида.
Сегодня я хочу посвятить свой рассказ ключевым аспектам разработки первой портативной колонки с Алисой — Станции Стрит:
-
рассмотрим интересные моменты на этапе проектирования,
-
поговорим о технических решениях, принятые в процессе работы,
-
обратим внимание на сложности, с которыми столкнулась команда разработчиков.
Особое внимание уделю подходам к преодолению технических и инженерных вызовов: оптимизацию работы AI‑ассистента в условиях ограниченных вычислительных ресурсов и обеспечения стабильного взаимодействия при мобильном использовании без доступа к интернету.
Акустический дизайн: от анализа к разработке
Выбор акустического дизайна
На ранних этапах проектирования особое внимание наша команда уделила изучению акустических решений, реализованных в популярных портативных Bluetooth‑колонках. Для этого мы провели анализ технических решений устройств различных ценовых категорий — от бюджетных до премиум‑сегмента. Практически во всех случаях прослеживается типовая архитектура: один или два широкополосных динамика в сочетании с пассивными излучателями, предназначенными для усиления низкочастотного диапазона без увеличения энергозатрат.
У каждого решения были свои преимущества:
-
Минималистичные конфигурации обеспечивали чистый, сбалансированный звук и энергоэффективность.
-
Модели с пассивными излучателями демонстрировали заметно более насыщенные низкие частоты.
-
Модели с симметричной аудиоархитектурой (например, с двумя широкополосными динамиками) давали выраженный эффект равномерного звучания в пространстве, но требовали увеличения габаритов устройства и потребляли больше энергии.
На основании результатов анализа были выбраны несколько потенциальных конфигураций акустической системы:
Вариант 1. Один широкополосный динамик + пассивный излучатель. Простое и энергоэффективное решение с ограниченным воспроизводимым диапазоном частот, особенно в верхнем и нижнем спектре.
Вариант 2. Два разнонаправленных широкополосных динамика. Обеспечивает более равномерное распределение звука в пространстве и начальный уровень стереоэффекта. Однако страдает от нехватки глубины на крайних частотах и требует большего уровня энергопотребления энергии.
Вариант 3. Раздельный низкочастотный и высокочастотный динамики. В том случае звучание намного лучше, чем в предыдущих образцах за счёт расширенного частотного диапазона. Однако из‑за этого есть свои нюансы в настройках звука.
В итоге исследования у нас получилась сравнительная таблица, в которой мы обобщили основные характеристики и компромиссы, связанные с каждой конфигурацией:

Целевая амплитудно-частотная характеристика
Один из ключевых параметров, определяющих качество звучания акустической системы — её амплитудно‑частотная характеристика (АЧХ). Именно она показывает, насколько ровно устройство воспроизводит звуковой спектр от самых низких частот до высоких. В Яндекс Станции Стрит в качестве основы использовалась АЧХ в Z‑взвешивании — то есть без дополнительной фильтрации, с прямой регистрацией уровня звукового давления (SPL) в децибелах.
Чтобы колонка звучала чисто и комфортно при любой громкости, мы также контролируем уровень гармонических искажений — Total Harmonic Distortion (THD). Для портативной акустики допустимы искажения до 10% на низких частотах (басах), где такие отклонения менее заметны, и до 5% на средних и высоких, где слух особенно чувствителен к качеству звучания. При настройке звукового профиля мы следили за тем, чтобы колонка не превышала этих порогов даже на высокой громкости. Это позволяет сохранить плотный бас, разборчивые голоса и общее ощущение чистого, сбалансированного звука.
Для оценки частотного отклика мы ориентируемся на уровень звукового давления (SPL — Sound Pressure Level), измеренный в диапазоне от 20 Гц до 20 кГц. В качестве контрольного параметра используется равномерность частотной характеристики — насколько кривая отклоняется от среднего значения.
Для портативной акустики мы считаем допустимым диапазон ±6 дБ, что обеспечивает разумный баланс между компактными размерами, энергоэффективностью и качеством звука. Для сравнения, в стационарных аудиосистемах класса Hi‑Fi этот допуск обычно не превышает ±3 дБ.
В Станции Стрит рабочий диапазон охватывает частоты от 80 Гц до 20 кГц, что соответствует типичному спектру музыкальных и речевых сигналов. Такая настройка обеспечивает сбалансированное звучание: басы ощущаются физически, вокал читается отчётливо, а детали сохраняются даже на высоких частотах.
На приведённом ниже графике отображена измеренная АЧХ устройства в Z‑шкале:
-
точка 1 обозначает допуск ±6 дБ (зелёный коридор);
-
точки 2 и 3 соответствуют пределам измеряемого диапазона (20 Гц и 20 кГц);
-
фактический отклик системы остаётся в пределах заданного коридора в области от 80 Гц до 20 кГц.
Преимущества выбранной целевой АЧХ включают:
-
Низкий уровень акустических искажений восприятия (речь остаётся разборчивой при любом уровне громкости).
-
Снижение слуховой утомляемости за счёт отсутствия акцентированных резонансных пиков.
-
Универсальность при воспроизведении (музыка, подкасты и голосовые ответы звучат натурально без «перекраски»).
Техническая реализация и связь с акустической архитектурой
Для формирования ровной и контролируемой амплитудно‑частотной характеристики в диапазоне 80 Гц — 20 кГц в Станции Стрит используется двухполосная акустическая система с раздельными НЧ‑ и ВЧ‑динамиками. Спектр распределяется между излучателями на уровне усилителя с помощью встроенного DSP: аудиосигнал проходит через цифровой кроссовер с точно заданной частотой раздела и набором фильтров (в том числе фазовых и эквалайзерных), адаптированных под характеристики конкретных драйверов.
НЧ‑динамик обрабатывает диапазон от нижней границы до области средних частот, ВЧ‑драйвер берёт на себя передачу высокочастотного контента. Такая архитектура позволяет минимизировать интермодуляционные и гармонические искажения, повысить разборчивость речи и сохранить стабильность звучания при изменении уровня громкости и условий прослушивания.
-
НЧ‑динамик отвечает за воспроизведение основной энергетической составляющей звука — басов и нижней середины;
-
ВЧ‑динамик передаёт высокочастотные компоненты сигнала, включая нюансы, обертоны и характерную «воздушность» звучания.
В конструкции применяются два пассивных динамика закрытого типа, у которых нет прямого подключения к усилителю — они работают за счёт колебаний воздуха внутри герметичного корпуса. Динамики размещены ассиметрично относительно активного НЧ‑динамика — такое решение мы приняли исходя из конструктивных ограничений и акустического моделирования.
Несмотря на отсутствие симметрии, подобранные параметры массы, жёсткости подвеса и геометрии позволили нам добиться согласованной работы системы без паразитных резонансов и перекосов по фазе. Пассивные излучатели значительно усиливают восприятие низких частот, особенно в условиях компактного корпуса, где объём воздуха ограничен.
Вот основные преимущества такого подхода:
-
Расширение низкочастотного диапазона без увеличения энергопотребления. Пассивные излучатели резонируют на заданных частотах, усиливая бас за счёт перераспределения внутреннего давления, а не за счёт дополнительной нагрузки на усилитель.
-
Более чистое звучание. В герметичном корпусе низкочастотный динамик работает в оптимальных условиях и не перегружается при высокой громкости.
-
Повышенная надёжность при пиковых нагрузках. Пассивные элементы частично берут на себя колебания воздуха, снижая риск выхода диффузора за пределы безопасного хода.
Таким образом, пассивные излучатели дополняют НЧ‑динамик и обеспечивают полновесное и насыщенное звучание в нижнем диапазоне, при этом сохраняя конструктивную простоту и герметичность корпуса.
Оптимизация характеристик динамиков
На ранних этапах разработки мы выбрали динамики, соответствующие ключевым требованиям проекта — в первую очередь по размерам, рабочему частотному диапазону и наличию пылевлагозащиты стандарта IP67.
Первые прототипы показали удовлетворительные результаты, и базовая конфигурация укладывалась в заданные границы THD и SPL. Однако в процессе тестирования мы обнаружили аномальный пик нелинейных искажений в диапазоне 800–900 Гц. Хотя уровень оставался в пределах допустимого, мы решили попробовать оптимизировать этот момент, поскольку график THD был излишне резким, а у нас оставался резерв по времени до завершения аппаратной части проекта.
При этом мы столкнулись с важным ограничением: любые модификации не должны были менять габариты и монтажные точки динамика. Это позволяло сохранить совместимость с уже спроектированным корпусом без необходимости переделывать пресс‑формы и оснастку.
В итоге мы предприняли следующие шаги:
-
Материал подвеса был заменён с NBR (акрилонитрил‑бутадиеновый каучук) на IIR (бутилкаучук), обладающий более выраженными демпфирующими свойствами.
-
Поверхность диффузора получила дополнительное герметизирующее покрытие, нанесённое на бумажный конус для повышения стабильности параметров.
Результаты оказались обнадёживающими: всплеск искажений в районе 800–900 Гц полностью исчез, а график THD стал заметно более пологим (видно на графике ниже), что говорит о снижении резонансных паразитных эффектов в конструкции излучателя.
В целом это улучшение дало нам сразу несколько дополнительных преимуществ:
-
Увеличение допуска по параметрическим разбросам. Система стала менее чувствительной к колебаниям характеристик динамиков в массовом производстве, что облегчает контроль качества.
-
Снижение нагрузки на DSP и усилитель. Благодаря более ровному спектру искажений цифровая обработка требует меньших компенсационных поправок, а значит, уменьшается общее энергопотребление, что напрямую влияет на длительность автономной работы устройства.
Таким образом, точечные доработки в пределах исходной конструкции позволили нам существенно улучшить качество воспроизведения и надёжность системы, не выходя за рамки производственных и конструктивных ограничений.
Пассивные излучатели: конструктивная доработка и герметизация
На ранних этапах проектирования пассивные излучатели устанавливались путём вклейки непосредственно в боковые крышки корпуса. Такой подход был прост в реализации, однако на практике влиял на герметичность устройства на этапе финальной сборки. Особенно проблемными оказались швы в местах сопряжения крышек и основного корпуса — именно там мы замечали протечки и снижение давления, которые негативно сказывались как на водозащите, так и на акустических характеристиках Станции.
На стадии инженерных образцов мы перешли к другому решению: пассивные излучатели стали изготавливаться как отдельные сборочные единицы и устанавливаться между боковой крышкой и корпусом. При этом конструктивно мы предусмотрели, что отверстия на пассивных элементах направлены наружу — это технологическое ограничение, связанное с особенностями производства и сборки. Но такая ориентация потенциально повышает риск проникновения влаги и, как следствие, коррозии металлических элементов излучателя.
Для финальной версии изделия мы провели серию доработок, направленных на устранение этих рисков без ущерба для акустики:
-
снизили общее количество технологических отверстий в конструкции излучателя;
-
добавили дополнительную операцию — частичное заполнение полости излучателя эластичным клеевым составом.
Такая конструкция надёжно предотвращает проникновение влаги внутрь корпуса, сохраняя при этом подвижность элементов. Акустические измерения подтвердили, что небольшое увеличение массы пассивных излучателей не повлияло на амплитудно‑частотную характеристику системы в рабочем диапазоне.
Финальная конструкция пассивных излучателей надёжно защищает начинку колонки от внешней среды, а также сохраняет стабильные акустические параметры при серийном производстве.
Адаптивная конфигурация звука в зависимости от акустической среды
Одна из ключевых особенностей Яндекс Станции Стрит — поддержка адаптивных звуковых конфигураций, зависящих от окружения, в котором работает устройство. В устройстве есть две основные акустические конфигурации:
-
Режим «помещение» активируется, когда колонка фиксирует наличие отражённых звуковых волн от стен. В этих условиях звуковая энергия частично возвращается к слушателю, поэтому система снижает акцент на средние частоты и выравнивает общий баланс звучания, чтобы избежать эффекта «загруженности» в голосовом диапазоне.
-
Режим «улица» используется при отсутствии акустических отражений — на открытых площадках, во дворе или на террасе. В этом случае устройство повышает громкость и усиливает среднечастотный диапазон, чтобы компенсировать естественное рассеивание звука в пространстве.
Обе конфигурации подбираются так, чтобы колонка звучала сбалансированно и узнаваемо вне зависимости от окружения — будь то замкнутая комната или открытый воздух.
Можно поставить режим «Смарт» в приложении Дом с Алисой, так колонка будет переключаться автоматически на основе анализа акустической обратной связи с помощью встроенных микрофонов. Также режим можно переключать вручную — командой «Алиса, я на улице» или в мобильном приложении. Также мы предусмотрели возможность закрепить один из режимов в качестве постоянного, если колонка работает преимущественно в одном типе окружения.
В диапазоне средних частот заметны характерные отличия: в уличном режиме усиливается этот диапазон, чтобы компенсировать отсутствие отражающих поверхностей, и делает речь, вокал и основные инструменты более чёткими и разборчивыми.
Важно отметить, что работа над звуковыми конфигурациями продолжается. Мы регулярно собираем обратную связь от пользователей и на основе этого постепенно улучшаем акустические настройки, стремясь обеспечить максимально комфортное и узнаваемое звучание в любой обстановке.
Архитектура питания: выбор аккумуляторной системы
Одним из ключевых вызовов при создании первой портативной Яндекс Станции стало проектирование системы питания. Выбор аккумуляторной сборки требовал баланса сразу по нескольким критериям:
-
энергоэффективность;
-
компактность;
-
надёжность;
-
простота интеграции;
-
стоимость;
-
время автономной работы устройства.
Команде инженеров предстояло не просто выбрать подходящий тип аккумуляторов, но и спроектировать такую конфигурацию, которая обеспечивала бы заявленные характеристики звука и продолжительности работы, не выходя за пределы габаритных и экономических ограничений.
Анализ форм-факторов аккумуляторов
Для начала мы рассмотрели наиболее распространённые типы аккумуляторов для портативных устройств:
-
цилиндрические элементы типоразмеров 18 650 или 21 700;
-
пакетные (или pouch) Li‑ion ячейки — гибкие элементы в оболочке из полимерно‑алюминиевого ламината.
Мы начали с pouch‑ячеек: их профиль действительно удобен для размещения вдоль плоской стенки корпуса и обеспечивает хороший теплоотвод. Такой тип аккумуляторов отлично подходит для устройств с прямоугольной или плоской геометрией. Однако конструкция портативной колонки часто включает округлые или сложные формы. В этих случаях размещение плоских pouch‑элементов становится затруднительным. Кроме того, у pouch‑формата есть ряд ограничений, которые делают его менее предпочтительным в нашем случае:
-
такие элементы склонны к набуханию при интенсивной нагрузке;
-
они требуют физической защиты от проколов, ударов и деформаций.
Хотя pouch‑ячейки часто выделяются компактной формой, для безопасной работы они обычно требуют дополнительной механической защиты — жёсткого кожуха или усиливающей конструкции (собственно, как и цилиндрические элементы). Однако в нашем случае pouch‑формат оказался менее удобным: при заданной форме корпуса и ограниченном внутреннем объёме обеспечить прочное и стабильное размещение таких элементов оказалось технически сложнее, чем цилиндрических аккумуляторов.
Переход к цилиндрическим аккумуляторам
В результате мы остановились на использовании надёжных цилиндрических Li‑ion‑ячеек. Они обладают встроенной механической жёсткостью, устойчивы к вибрациям и ударам, а также широко доступны на рынке.
Однако одной ячейки было бы недостаточно — как по ёмкости, так и по напряжению. Нам потребовалась полноценная аккумуляторная сборка. Существуют два распространённых варианта конфигурации:
-
2S1P (две ячейки последовательно): ~7.2 В, 3300 мА·ч;
-
1S2P (две ячейки параллельно): ~3.6 В, 6600 мА·ч.
Учитывая, что колонка способна развивать мощность до 30 Вт, а питание усилителей требует напряжения порядка 12–15 В, более эффективным оказалось последовательное соединение с номинальным выходом ~7.2 В. Это решение позволило нам минимизировать потери на преобразование напряжения и вдвое снизить токи по цепям питания. К тому же это благоприятно повлияло на температурный режим устройства и общий КПД системы.
Контроль, защита и производство
Аккумуляторная сборка включает в себя отдельную плату балансировки и защиты, отвечающую за: выравнивание заряда между ячейками и предотвращение перезаряда и глубокого разряда.
При выборе аккумуляторных компонентов ключевым приоритетом стала стабильность характеристик и соответствие современным стандартам безопасности. Надёжность источника питания напрямую влияет на качество работы всей системы, особенно в условиях интенсивной эксплуатации.
Стоит отметить, что при длительном нахождении устройства на морозе возможно временное снижение ёмкости и падение напряжения ниже порога отключения защиты. Этот сценарий мы также предусмотрели в архитектуре питания.
Итак, Яндекс Станция Стрит предназначена для активного, мобильного использования — на улице, в автомобиле, на велосипеде или в походе. Поэтому мы изначально закладывали в конструкцию высокие требования к надёжности и безопасности аккумуляторного блока. В отличие от стационарных устройств, портативная колонка больше подвержена рискам механических ударов, падений и воздействию влаги. В ряде ситуаций это может привести не только к выходу из строя электроники, но и к более серьёзным последствиям, включая короткие замыкания и тепловые повреждения.
Чтобы исключить подобные сценарии, в Станцию Стрит были интегрированы следующие меры защиты:
-
Встроенный модуль защиты от короткого замыкания отключает подачу тока при обнаружении аномального сопротивления на выходе.
-
Контроллер заряда следит за тем, чтобы напряжение на аккумуляторе оставалось в пределах допустимого диапазона. При слишком низком или высоком уровне заряда он автоматически отключает питание — это защищает аккумулятор от переразряда и перезаряда, помогая сохранить его ресурс и обеспечить безопасную эксплуатацию.
-
Температурный контроль предотвращает перегрев при эксплуатации в неблагоприятных условиях.
-
Конструкция сборки дополнительно защищена от вибраций и ударов за счёт механического демпфирования.
Важно, что защита от короткого замыкания реализована с помощью платы балансировки, встроенной в аккумуляторную сборку. При возникновении замыкания на нагрузке — например, в случае пробоя на плате — схема моментально отключает выход, предотвращая подачу тока и снижая риск повреждения устройства.
При этом физическое повреждение корпуса, не затрагивающее электронику, само по себе не приводит к отключению питания. Но, если в результате удара произойдёт короткое замыкание, система защиты аккумулятора сработает, не допуская подачи напряжения на основную электронику. Так мы обеспечили базовую электрическую безопасность даже в аварийных сценариях.
Тестирование надёжности
На производственной линии проводится обязательный цикл испытаний надёжности аккумуляторной сборки. Поскольку Яндекс Станция Стрит рассчитана на активное мобильное использование, особенно важно убедиться в стабильной работе аккумуляторов при механических и температурных воздействиях.
В зависимости от типа используемых элементов применяются различные методы тестирования:
-
Для цилиндрических ячеек (18 650), использованных в сборке, проводятся испытания на вибрационную и ударную нагрузку, термостойкость и устойчивость к короткому замыканию. Аккумуляторы подвергаются контролируемому удару, кратковременной перегрузке по току и циклическому заряду‑разряду — это позволяет гарантировать безопасность даже при нештатной эксплуатации.
-
Испытания также включают имитацию механического повреждения — например, сдавливание сборки в контролируемых условиях. При этом проверяется отсутствие критических повреждений корпуса и неконтролируемой тепловой реакции. Один из критериев — полное отсутствие возгорания и разгерметизации ячеек после теста.
Отмечу, что методика прокалывания и погружения в воду применяется преимущественно к pouch‑элементам (гибким пакетным аккумуляторам), которые чувствительнее к механическим повреждениям. Цилиндрические ячейки, благодаря металлическому корпусу и конструктивной прочности, тестируются иначе — с упором на устойчивость к перегреву, коротким замыканиям и ударным нагрузкам.
Все процедуры выполняются в рамках утверждённых стандартов, с контролем температуры, токов, давления и состояния корпуса. Данные протоколируются и входят в отчёт о приёмке партии. Производственная площадка оснащена всем необходимым оборудованием, включая специализированные камеры для термоударных и токовых испытаний.
Быстрая зарядка: как это реализовано и при чём здесь температура
С учётом сценариев использования Яндекс Станции Стрит — в дороге, на улице, в путешествии — мы приняли решение поддержать функцию быстрой зарядки. Это позволяет сократить время пополнения заряда аккумулятора и сделать устройство максимально готовым к использованию в любой момент. Однако реализация быстрой зарядки в компактных устройствах — это всегда компромисс между скоростью, температурой и долговечностью элементов питания.
В отличие от ряда массовых решений, где зарядка ограничена небольшими токами в угоду упрощению схемотехники и снижению нагрева, в нашей колонке применяется контроллер заряда IP2366 от компании Injoinic. Он обеспечивает интеллектуальное управление током зарядки в зависимости от температуры аккумулятора, контролируя безопасность каждого цикла.
Зарядный ток выбирается в соответствии с температурным диапазоном окружающей среды и корпуса аккумулятора. Условно его можно разделить на пять зон:
-
Температура ниже 0 °C: зарядка полностью блокируется во избежание деградации аккумулятора.
-
0 °C…15 °C: умеренный зарядный ток (до 1650 мА).
-
15 °C…45 °C: оптимальные условия для быстрой зарядки (до 3300 мА).
-
45 °C…50 °C: снижение тока до ~900 мА — зарядка продолжается в замедленном режиме.
-
Температура выше 50 °C: зарядка автоматически отключается, чтобы предотвратить перегрев аккумулятора. При этом колонка продолжает работать в обычном режиме. Если температура батареи достигает 60 °C, устройство переходит в защитный режим и полностью отключается — для обеспечения безопасности пользователя и сохранности элементов питания.
Таким образом, быстрая зарядка доступна только при соблюдении условий безопасного теплового режима. Контроллер постоянно отслеживает температуру и автоматически регулирует зарядный ток — это позволяет эффективно заряжать колонку при умеренной температуре воздуха и избежать перегрева в жарком климате.
При температурах около 20–25 °C устройство дольше остаётся в «зелёной» зоне и его можно заряжать на максимальной скорости. В то же время при использовании в жару (например, при +35 °C и выше) температура аккумулятора может быстрее достичь верхнего порога и зарядка перейдёт в замедленный режим. Это универсальное ограничение, которое касается всех Li‑ion аккумуляторных систем.
Все температурные параметры зарядки мы тщательно протестировали при участии производителя аккумуляторной сборки. По итогу сертификационных и ресурсных испытаний все режимы укладываются в диапазон безопасной эксплуатации.
А ещё, согласно данным заводских испытаний, при типичной нагрузке и стандартных условиях эксплуатации аккумулятор теряет около 10% ёмкости в год. Это означает, что даже через несколько лет активного использования Яндекс Станция Стрит сохраняет достаточный запас энергии для полноценной работы. Такой темп деградации соответствует нормам для Li‑ion элементов.
Интеллектуальное питание: режим NVDC
В конструкции Яндекс Станции Стрит мы реализовали схему питания с использованием архитектуры NVDC (Narrow Voltage Direct Charging). Такой подход помогает гибко распределять энергию между источниками и минимизирует потери при работе устройства как от аккумулятора, так и от внешнего адаптера.
В режиме NVDC, когда устройство подключено к источнику питания и аккумулятор полностью заряжен, зарядка автоматически отключается: транзистор на стороне батареи размыкает цепь, а питание процессора и усилителей поступает напрямую от блока питания по отдельной линии. Это позволяет избежать циклической перезарядки, снижает нагрузку на аккумулятор и продлевает срок его службы.
Если питание от адаптера отключается, NVDC‑схема мгновенно переключает систему на питание от аккумулятора — без прерывания работы устройства.
Подобная архитектура характерна для ноутбуков и продвинутых портативных систем, где важны энергоэффективность, безопасность и ресурс аккумулятора. Мы применили её и в нашей колонке, чтобы пользователь мог не задумываться о том, как и когда заряжать устройство.
Конструктивная надёжность и защита от влаги и пыли
Класс герметичности IP67
При проектировании Яндекс Станции Стрит мы стремились создать устройство, которое будет надёжно работать вне дома — в условиях улицы, двора, площадки или поездки. Для этого ключевым требованием к корпусу стала высокая степень пыле‑ и влагозащиты, соответствующая международному стандарту IP67.
Система классификации IP (Ingress Protection) разработана Международной электротехнической комиссией (IEC 60 529) и описывает, насколько корпус устройства защищён от проникновения посторонних тел и жидкостей. Обозначение IP67 расшифровывается следующим образом:
-
Первая цифра (6) — максимальный уровень защиты от твёрдых частиц. Это означает полную герметичность: внутрь корпуса не может попасть пыль, песок или другие загрязнения.
-
Вторая цифра (7) — устойчивость к кратковременному погружению в воду. Устройство способно выдерживать погружение на глубину до 1 метра в течение 30 минут без потери работоспособности и без проникновения влаги внутрь корпуса.
Для подтверждения соответствия IP67 в лабораторных условиях колонку полностью погружают в воду на заданную глубину и выдерживают 30 минут. После извлечения устройство разбирается, и специалисты проверяют герметичность корпуса — есть ли следы влаги и капель на внутренних элементах или нет. По регламенту даже минимальное попадание воды считается недопустимым.
Практическое значение такой защиты заключается в следующем:
-
колонка надёжно работает в условиях, когда вокруг много пыли, грязи, песка и влаги;
-
не боится случайного падения в воду — например, в ванну, раковину или лужу;
-
допускается использование под дождём или на пляже;
-
корпус спокойно переносит небольшое намокание, например если колонку протирают или моют.
Однако, несмотря на высокий уровень герметичности, важно учитывать ограничения: класс IP67 не предполагает длительное или глубокое погружение. Если вы хотите использовать колонку при постоянном контакте с водой, то тут потребуется защита уровня IP68 или выше, а также другая архитектура корпуса.
Испытания в пылевой камере (IP6X)
Чтобы подтвердить соответствие уровню защиты IP6X, мы испытывали колонку на пылезащищённость в пылевой камере. Эта процедура описана в международных стандартах, например в IEC 60 529. Вот как это происходит.
Шаг 1. Подготовка образца:
-
Берём колонку, которая собрана в штатной конфигурации, как для эксплуатации: установлены заглушки, кнопки, прокладки и декоративные элементы.
-
Все внешние интерфейсы и разъёмы должны быть закрыты заводскими уплотнениями.
-
Если в устройстве предусмотрен дыхательный клапан или сетка, она не перекрывается.
Шаг 2. Помещение в пылевую камеру:
-
Колонка фиксируется в испытательной пылевой камере на расстоянии от стенок и воздухозаборников, чтобы пыль могла равномерно воздействовать со всех сторон.
-
Используется стандартный тестовый порошок (например, тальк с частицами диаметром не более 75 мкм) в концентрации 2 кг на кубометр камеры.
Шаг 3. Испытание первой категории — создание разрежения внутри корпуса:
-
Испытуемый образец оснащается измерительным штуцером или присоединительным патрубком, через который создаётся пониженное давление.
-
В течение первых 5 минут испытания внутри корпуса создаётся пониженное давление −2 кПа (−20 мбар) относительно атмосферного. Это разрежение поддерживается на протяжении всего теста. Цель — симулировать возможное втягивание пыли внутрь корпуса при естественных перепадах давления.
-
Общее время теста составляет 8 часов. Но он может закончиться и раньше, если концентрация пыли в камере достигает заданных параметров раньше. Продолжительность испытания также зависит от насыщенности воздуха частицами пыли и стабильности циркуляции, насколько это допускается в рамках методики.
-
Всё это время вентиляторы внутри камеры обеспечивают непрерывную циркуляцию пыли, которая контактирует с поверхностью корпуса, щелями и интерфейсами.
Шаг 4. Завершение и вскрытие:
-
По окончании испытания устройство вынимается из камеры и аккуратно очищается снаружи.
-
Далее колонка вскрывается. Специалисты осматривают внутренние отсеки, акустику и её составляющие, прокладки, микрофоны.
Шаг 5. Оценка устройства по критериям соответствия:
-
Считается, что колонка прошла испытание, если:
-
внутри корпуса полностью отсутствует пыль;
-
нет загрязнений на внутренних частях, в том числе тонкой пылевой плёнки;
-
сохраняется полная функциональность всех компонентов.
-
-
Так как колонка оснащена микрофоном и пассивными резонаторами, они также проходят визуальный осмотр и замеры акустических характеристик после теста. Так мы можем убедиться, что пыль не влияет на их работу.
После завершения испытаний устройство включается и проводится проверка его ключевых функций, включая стабильность подключения по Wi‑Fi и Bluetooth. Это необходимо для подтверждения полной работоспособности после воздействия пыли и гарантии сохранения герметичности и целостности внутренних компонентов.
Испытания в погружной камере (IPX7) с водой
Для подтверждения соответствия стандарту водозащиты IPX7 каждая ревизия Станции Стрит проходит серию лабораторных испытаний в погружной камере. Стандарт IPX7 также определён в соответствии с международной системой классификации IEC 60 529: устройство должно выдерживать кратковременное погружение в воду без последствий для функциональности и внутренней герметичности.
Стадии испытания чем‑то похожи на пылевые.
Шаг 1. Подготовка устройства к испытанию:
-
Для испытаний берём серийную или предсерийную версию колонки, собранную в штатной конфигурации.
-
Все разъёмы, кнопки и вентиляционные элементы закрываются штатными уплотнителями. Проверяется целостность прокладок и отсутствие внешних дефектов корпуса.
Шаг 2. Создание условий для проведения испытания:
-
Согласно IEC 60 529, устройство должно быть полностью погружено в воду на глубину до 1 метра.
-
Время пребывания под водой — 30 минут.
Вода должна быть чистой, пресной, комнатной температуры (от +15 °C до +35 °C). -
Давление воды определяется высотой водяного столба над верхней точкой устройства (максимум 1000 мм).
-
При необходимости используется фиксация устройства в заданной ориентации — чтобы избежать всплытия или неполного погружения.
Шаг 3. Проведение испытания:
-
Колонка аккуратно погружается в испытательную ванну, на дно которой уложен амортизирующий материал для предотвращения повреждений.
-
Засекаем время. В течение 30 минут устройство должно находиться полностью под водой без внешнего воздействия.
-
Испытание проходит в статичных условиях — без движения воды или давления струёй.
Шаг 4. Извлечение и сушка:
-
Колонка извлекается из воды, аккуратно протирается и просушивается внешне без разбора.
-
После визуального осмотра и просушки включается питание и проверяется функциональность.
Шаг 5. Вскрытие и контроль герметичности:
-
После завершения внешней оценки колонка вскрывается.
-
Внутренние отсеки, акустическая камера, микрофоны, герметизирующие прокладки и контактные зоны осматривают специалисты на предмет следов влаги, капель, запотевания или конденсата.
Шаг 6. Оценка устройства по критериям соответствия:
-
Считается, что колонка прошла испытание, если:
-
внутри корпуса полностью отсутствует влага;
-
нет коррозии на контактах и признаков нарушения герметика;
-
сохраняется полная функциональность всех компонентов, включая Bluetooth, Wi‑Fi, управление.
-
Испытания на водозащиту позволяют гарантировать надёжность Станции Стрит при использования вне дома — например, под дождём, вблизи бассейна или при случайном падении в воду. Однако ещё раз напомню, что IPX7 не подразумевает работу устройства под водой — это защита именно от случайного кратковременного погружения.
Защита от влаги и перегрева разъёма Type-C
Разъём зарядки является критически важной частью конструкции любого устройства. В Станции Стрит реализована многоуровневая система её защиты — прежде всего от влаги, перегрева и нестабильного подключения.
-
При попадании воды внутрь разъёма USB Type‑C изменяется импеданс между сигнальными контактами. Этот параметр отслеживается встроенной схемой контроля: при его отклонении от нормы пользователю выводится предупреждение о наличии влаги.
-
Контроллер отслеживает любые отклонения импеданса в разъёме — будь то вызванные влагой, пылью или, например, металлической стружкой. Но пользователю всегда приходит стандартное уведомление о попадании воды. Такое унифицированное сообщение применяется для всех потенциально опасных ситуаций.
-
В ответ на такую ситуацию колонка автоматически блокирует зарядку до полного восстановления нормальных условий. Это сделано намеренно: подача напряжения на влажные контакты может вызвать электрохимическую реакцию — процесс гальванической коррозии, которая может испортить металлизированные дорожки и контакты.
Даже несмотря на то, что разъём физически соответствует требованиям IP67, открытая конструкция USB Type‑C всё ещё подвержена повреждениям при взаимодействии с током и влагой. Защитный алгоритм реализован на уровне прошивки и может отключать питание при малейших признаках риска.
Также мы предусмотрели аппаратную защиту по температуре:
-
Под разъёмом Type‑C встроен термодатчик, который отслеживает перегрев в зоне контактов.
-
При использовании повреждённого кабеля, нестандартного или неисправного блока питания может возникать локальный нагрев — например, из‑за нестабильного контакта или паразитных токов.
-
В случае превышения безопасной температуры зарядка немедленно отключается, и пользователю вновь выводится предупреждение о наличии влаги — поскольку система интерпретирует перегрев как потенциальный признак воды или короткого замыкания.
Такое поведение позволяет сохранить стабильную работу и продлить срок службы устройства.
Если колонка сообщает о наличии влаги в разъёме, не подключайте к ней кабель. В большинстве случаев достаточно оставить колонку в сухом помещении или аккуратно просушить разъём тёплым, но не горячим потоком воздуха — например, с помощью бытового фена. При этом сама колонка остаётся полностью герметичной.
В ходе одного из тестов мы намеренно отключили защиту и начали заряжать колонку с влагой в разъёме. Уже спустя несколько сеансов зарядки контакты покрылись коррозией и соединение стало нестабильным — при этом все остальные компоненты колонки остались в рабочем состоянии.
Плата с разъёмом USB Type‑C выполнена в виде отдельного модуля — при повреждении её можно заменить целиком, без необходимости пайки. В сервисных центрах предусмотрена замена всей вспомогательной платы, на которой размещён порт, что упрощает обслуживание и сокращает сроки ремонта. Поэтому, если что‑то случилось с разъёмом для зарядки, ситуацию всё ещё можно спасти.
Устойчивость конструкции и надёжность крепления ножек
Ещё одна нетривиальная задача — обеспечить устойчивое положение Станции Стрит при размещении на различных поверхностях. Это особенно важно для портативной колонки, которая может использоваться на природе, в движении, на неровных поверхностях.
Изначально из‑за значительной массы широкополосного динамика (особенно в области магнитной системы) и аккумуляторной батареи центр тяжести устройства смещался. Это приводило к тому, что колонка была неустойчивой при наклоне корпуса даже на 8°. В некоторых случаях она опрокидывалась — нас это, конечно же, не устраивало.
Для улучшения устойчивости мы оптимизировали геометрию основания: точки установки опорных ножек сместили от центра, чтобы увеличить площадь опоры, и пересмотрели распределение нагрузки.
По внутреннему стандарту команда стремилась обеспечить устойчивость устройства при наклоне более 14–15°, при том что стандартные требования допускают наклон до 10° без потери устойчивости. Проведённые тесты подтвердили, что колонка сохраняет стабильное вертикальное положение при наклоне больше 14° без опрокидывания.
Особое внимание было уделено прочности фиксации ножек. Конструкция предусматривает вставку каждой ножки в технологическое отверстие корпуса, после чего их вплавляют в пластик с использованием прецизионной оснастки. Такой подход позволяет надёжно закрепить элементы и обеспечивает долговечность элементов конструкции даже при интенсивном использовании.
Точная настройка оснастки для вплавления ножек была критически важна: даже небольшое смещение может привести к неравномерному оплавлению и ослаблению фиксации. А от качества вплавления напрямую зависит прочность крепления ножки.
Процесс запайки ножек в акустическую решётку
В рамках одного из инженерных этапов мы провели испытания на прочность крепления ножек: мы измерили силу, которую нужно приложить, чтобы оторвать их от корпуса. Результаты показали достаточный запас прочности даже на этапе промежуточных прототипов.
Испытание на прочность крепления ножек
Дизайн боковых крышек и технология изготовления решётки
Одним из эстетически и технологически сложных элементов корпуса стала переходная зона между цилиндрической частью колонки и её боковыми крышками. По задумке дизайнеров, переход должен быть максимально плавным — без резких изломов и ступенек, чтобы сохранить визуальную целостность формы.
Однако при проектировании акустической решётки, закрывающей динамики, мы столкнулись с рядом технологических ограничений. Из‑за особенностей литья пластика невозможно получить деталь с переменной толщиной и сложной геометрией без риска деформации или дефектов. Тогда мы рассмотрели несколько альтернатив:
-
использовать утолщённый материал с последующей механической доработкой (CNC‑операция);
-
изменить геометрию и сделать переход более угловатым, например с жёстким изломом под 90°.
И у каждого варианта были серьёзные недостатки. Первый приводил к трудностям при установке решётки на корпус: толстый и жёсткий пластик плохо деформировался, увеличивая риск растрескивания при сборке. Второй нарушал задуманный облик устройства и не соответствовал требованиям к эргономике и дизайну.
Оптимальным выходом стала разработка составной решётки. Вместо цельной детали мы спроектировали её как две симметричные части, которые отливаются отдельно, а затем соединяются в единое изделие термосваркой.
Термосварка двух составных частей корпуса
После сварки получается цельная неразборная конструкция, которая визуально и функционально не отличается от цельнолитой детали. Этот подход позволил соблюсти баланс между дизайном, технологичностью и производственной эффективностью, а ещё:
-
мы реализовали плавный радиус сопряжения с боковыми крышками;
-
обеспечили стабильную геометрию детали;
-
решётка получила необходимую гибкость и прочность при сборке;
-
улучшилась повторяемость и повысилась надёжность процесса на производственной линии.
Заглушка на разъёме Type-C: компромисс между защитой и удобством
На ранних этапах проектирования мы рассматривали вариант сделать защитную заглушку для разъёма USB. Эта идея казалась логичной: дополнительное физическое препятствие могло бы повысить стойкость к влаге и пыли. Мы разработали и протестировали несколько прототипов с заглушками и даже изготовили инженерные образцы. Однако при практическом использовании у нас возникли проблемы:
Заглушка, зафиксированная на корпусе, при подключении кабеля сильно изгибалась и со временем отрывалась. Это происходило из‑за ограниченного пространства вокруг разъёма: при каждом подключении кабеля уплотнитель деформировался, что ускоряло его износ.
Если уменьшить размер заглушки, её становится трудно поддеть — особенно в перчатках или с короткими ногтями. Более крупные варианты заглушек требуют дополнительного пространства и жёсткого крепления. Однако такие решения отлично подходят для больших корпусов, где можно использовать откидную крышку на гибком креплении, а в нашем случае подобный вариант оказался технически ограничен форм‑фактором и конструктивными особенностями.
К тому же герметичная заглушка могла бы мешать естественному испарению влаги, если вода всё же попала в разъём. Она бы удерживала капли внутри, увеличивая вероятность коррозии при последующей подаче напряжения. Это противоречит логике безопасной эксплуатации.
Да, заглушка часто воспринимается как дополнительный уровень защиты, но на деле это не так. Раньше широкое использование заглушек было обусловлено отсутствием надёжных влагозащищённых разъёмов USB Type‑C. Современные коннекторы, соответствующие стандарту IP67, изначально обладают достаточной степенью защиты от влаги и пыли, что позволяет отказаться от дополнительных физических уплотнителей.
Учитывая это, а также анализируя ограничения по эргономике, надёжности и производственной сборке, мы приняли решение не использовать заглушку в финальной конструкции. Современный влагозащищённый разъём, в сочетании с интеллектуальной системой контроля импеданса и температур, обеспечивает не только физическую, но и программную защиту. Такое решение оказалось надёжнее, удобнее и долговечнее, чем внешняя заглушка.
Водоотталкивающая ткань: защита, стойкость и комфорт
Одним из важных элементов конструкции портативной колонки с заявленной степенью защиты IP67 стала тканевая обивка. К ней у нас были не только эстетические, но и функциональные требования. Материал должен был:
-
отталкивать воду и не накапливать влагу;
-
быть устойчивым к истиранию и загрязнениям;
-
сохранять внешний вид при длительном воздействии солнечного света;
-
не менять цвет и не деформироваться под воздействием бытовых жидкостей.
Особое внимание мы уделили стойкости ткани к ультрафиолетовому излучению. При частом использовании на открытом воздухе ткань не должна быстро выцветать или терять прочность. Есть промышленные методы «досветки» материалов — то есть их предварительного облучения для повышения стойкости к солнцу. Но такие методы могут привести к нестабильным результатам, поэтому мы предпочли более надёжный путь: подбор ткани, изначально рассчитанной на эксплуатацию в уличных условиях.
Для оценки стойкости к УФ‑излучению мы провели испытания в камере с длиной волны 340 нм, интенсивностью 0,89 Вт/м²/нм и температурой 60 ± 3 °C — имитировали самый жёсткий солнечный свет. Образцы ткани провели в камере 8, 24, 48 и 96 часов. После испытания мы сравнили образцы — изменили ли они оттенок и структуру. Всё закончилось хорошо: выбранный образец показал высокую стабильность цвета и устойчивость к выгоранию.
Не менее важным критерием была водоотталкивающая способность ткани. В рамках испытаний на отрезок ткани размером 180 × 180 мм мы нанесли 250 мл дистиллированной воды через распылитель с равномерным покрытием. После встряхивания на ткани не должно оставаться ни капель, ни следов влаги. И тут наша ткань успешно прошла этот тест.
Также мы провели серию испытаний на устойчивость к бытовым загрязнителям. В качестве тестовых жидкостей мы использовали:
-
лимонный сок;
-
эспрессо без сахара;
-
обычную водопроводную воду;
-
жёлтую горчицу;
-
кетчуп.
Каждое из веществ наносилось на поверхность ткани и выдерживалось 5 минут при комнатной температуре. Затем материал промывался под проточной водой. Итог: ткань не изменила цвет, не деформировалась, а все загрязнения полностью исчезли.
Сейчас Яндекс Станция Стрит выпускается в двух цветах: чёрном и зелёном. Однако в будущем мы рассматриваем возможность расширения цветовой палитры.
Прочность карабина и хлястика
Один из ключевых элементов конструкции Станции Стрит — встроенный карабин. Он позволяет закрепить колонку на рюкзаке, велосипеде, одежде или других предметах для удобства переноски. Однако, помимо эргономики, карабин должен гарантировать надёжность и выдерживать высокие механические нагрузки.
Мы испытывали карабин в лабораторных условиях, прикладывая к нему нагрузку в 300 Н (эквивалент примерно 30 кг) в течение 60 секунд. Тест проводили в двух ориентациях. По итогам испытаний карабин сохраняет свою геометрию и продолжает выполнять функцию крепления без деформации.
Дополнительно мы проверили прочность всей системы крепления — карабина в сборе с хлястиком и заклёпкой. При увеличении нагрузки до 400 Н (40 кг) заклепка, увы, ломается. Тем не менее это значение значительно превышает фактическую нагрузку на устройство: при массе колонки менее 1 кг запас прочности более чем в 40 раз — отличный результат.
Так крепление Станции Стит выдерживает не только повседневное использование, но и возможные экстремальные нагрузки.
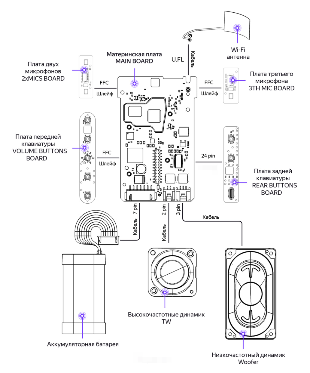
Электроника
Начинка Станции Стрит
Под компактным корпусом колонки скрыта продуманная электронная архитектура, сочетающая энергоэффективность, производительность и надёжность. Чтобы обеспечить все функции — голосовое управление, воспроизведение музыки, беспроводную связь и автономную работу — мы спроектировали несколько печатных плат, каждая из которых выполняет свою задачу:
Центральный элемент — конечно же, MAIN BOARD. Именно здесь располагаются ключевые компоненты:
-
Внешняя антенна Wi‑Fi,
-
BT‑антенна (печатная, интегрированная в плату),
-
DDR4-память объёмом 512 MБ,
-
Процессор Amlogic A113L — энергоэффективный двухъядерный SoC,
-
Усилитель ACM8625P от ACME,
-
Зарядный контроллер IP2366 от Injoinic,
-
Модуль Wi‑Fi и Bluetooth AW3155–50R от ITON,
-
Датчик уровня заряда аккумулятора CW2217BAAD от Cellwise.
Wi‑Fi‑антенна вынесена за пределы платы, поскольку при попытке использовать две печатные антенны (BT и Wi‑Fi) внутри корпуса мы заметили сильное взаимное влияние и серьёзное падение чувствительности. Даже с внешней антенной и разумным размещением BT‑антенны потребовалось дополнительное экранирование: SoC и DDR‑память получили индивидуальные металлические крышки.
Выбор процессора A113L стал вызовом: это самый энергоэффективный SoC, который мы использовали, но при этом — с наименьшим количеством ядер (2 ARM‑ядра). Для достижения привычной скорости и качества отклика Алисы разработчикам пришлось существенно переписать и оптимизировать код AI‑ассистента, а также алгоритмы обработки звука и микрофонных данных.
Отдельным этапом стала полная миграция обработки голоса на DSP‑ядра SoC. Это решение позволило не только сэкономить энергию, но и обеспечить до 12 часов автономной работы при полноценной поддержке голосовых команд.
Контроллер зарядки IP2366 обеспечивает согласование с разными типами зарядных устройств и отвечает за быстрое и безопасное восстановление заряда. Особенность схемотехники — поддержка работы в обход аккумулятора, если тот полностью разряжен. Внутри микросхемы реализована логика управления зарядом с учётом температуры, а также механизм восстановления «глубоко разряженной» батареи, например после длительного хранения при низкой температуре.
Wi‑Fi/BT‑модуль AW3155–50R — проверенное решение, ранее использовавшееся и в других моделях устройств Яндекса.
CW2217BAAD играет роль кулонометра, отслеживая остаточную ёмкость и количество полных циклов заряда‑разряда аккумулятора.
Плата VOLUME & BUTTONS BOARD отвечает за сенсорную панель и подсветку кнопки вызова Алисы. Здесь используются три RGB‑светодиода и три белых — для увеличения яркости и точности отображения цветов анимаций. Использование белых диодов позволило нам избежать установки дополнительного драйвера для работы шести RGB‑светодиодов.
Производство и контроль качества
Напоследок — немного закулисья. Мы редко показываем, как собираются наши Станции, но здесь — несколько фотографий, сделанных непосредственно на производстве.
На одном из этапов сборки прошивается главная плата (MAIN BOARD). Специальная оснастка позволяет одновременно прошивать до четырёх отдельных плат, что значительно ускоряет процесс.
Следом — станция контроля качества. Здесь измеряются электрические параметры компонентов, проверяется работоспособность питания, интерфейсов и ключевых цепей. Все данные по результатам проверки записываются в систему и привязываются к конкретной плате. Это необходимо для последующего отслеживания качества на всём жизненном цикле устройства.
Одна из самых впечатляющих зон — комната испытания на надёжность. Здесь только что собранные колонки работают на максимальной громкости в течение двух часов, воспроизводя розовый шум. Этот этап позволяет выявить возможные проблемы с акустикой, резонансами корпуса или питанием на высокой нагрузке.
После успешного завершения всех этапов колонка поступает на финальное тестирование: проверяется качество воспроизведения, работа микрофонов, подключение к Wi‑Fi и Bluetooth, а также функционирование AI‑ассистента.
Каждая колонка проходит этот путь. Только после этого она получает право отправиться к своему владельцу.
Создание Яндекс Станции Стрит потребовало от команды решения целого ряда инженерных задач. Основной целью было объединить качественное звучание, голосовое управление и надёжную защиту от внешних воздействий в компактном и автономном устройстве.
За сдержанным дизайном скрывается комплекс продуманных решений — от адаптивной акустики до системы интеллектуального контроля питания и влагозащищённой конструкции. Все элементы конструкции и программной части прошли последовательную проверку, были доработаны и адаптированы под реальные сценарии использования.
В результате получилась портативная колонка, работающая в самых разных условиях — как в помещении, так и на улице. Мы уверены, что она станет надёжным спутником в повседневной жизни.
Автор: Dervinter
