Итак, наконец-то я «добил» вторую часть про Умную розетку Redmond SkyPlug RSP-100S.
Как я рассказал в первой части – статье «Умная розетка Redmond SkyPlug RSP-100S. Анализ конструкции и схемы электрической принципиальной. Выявление недостатков», я вынужден был нарисовать схему этой розетки, для того чтобы её доработать. Уж очень меня не устраивал ещё один, на мой взгляд, главный недостаток этой умной розетки, о котором в первой части я не стал говорить. Вообще, я люблю что-нибудь дорабатывать, мне коллеги на работе даже шутят, что если что-то не будет мной доработано, то это что-то – не моё. :)
Итак, огласим этот недостаток, и это, если многие не догадались, глядя на схему, – отсутствие автономного источника питания. Дело в том, что в составе ИМС nRF51822 есть часы реального времени, и они работают, т.е. отсчитывают время, только когда есть питание от сети, т.к. внутреннего источника питания нет, ни батарейки, ни аккумулятора, ни даже ионистора. А это значит, что если произойдёт отключение электроэнергии, даже на короткое время, то часы обнулятся и ранее сохранённые программы включения/выключения станут неактуальными. Попользовавшись умной розеткой, я почти сразу обратил на этот недостаток внимание, и придал этому большое значение, т.к. электроэнергию в моём городе отключают часто. Особенно часто бывают отключения во время грозы и т.п. И ещё один недостаток – это то, что розетка не сохраняет текущее состояние, и если она во время отключения электроэнергии была в состоянии «Вкл», то после подачи электричества она начинает работать в состоянии «Выкл».
Как-то пришлось мне на пару недель отлучиться из дома, и я попросил одного замечательного человека, чтобы приходила ко мне домой кормить аквариумных рыб. И в один из дней, она мне звонит и говорит, что в аквариуме не горит освещение. Я попросил посмотреть – показывают ли время часы на микроволновой печи, на что получил ответ – нет, а это у меня индикатор отключения электроэнергии. Я сразу понял, что было отключение электроэнергии, и когда подачу электроэнергии восстановили, умная розетка не включилась, потому что у неё в прошивке не предусмотрено хранение последнего состояния. Но даже если бы состояние хранилось, то ввиду отсутствия точного времени это состояние могло бы быть неактуальным, к примеру, если электроэнергию отключили днём, а восстановили глубокой ночью, когда освещение в том же аквариуме уже не требуется. Тут и возникла идея доработать умную розетку и ввести в неё какой-нибудь автономный источник питания. Для этого мне и потребовалось выяснить принцип работы и, как следствие – знать электрическую принципиальную схему умной розетки: какие там напряжения питания, какие комплектующие, какой Bluetooth-контроллер, куда сохраняются программы включения/выключения и где идёт отсчёт времени и дней недели, а вероятно и даты. Отсчёт времени по всей логике в розетке должен был быть встроенный, т.к. программы включения/выключения через смартфон задаются по дням недели и на определённое время, а Bluetooth-соединение с смартфоном поддерживается не всегда и, следовательно постоянной синхронизации времени и программ у умной розетки нет. В результате проделанной работы, описанной в первой части, я определил, что программы вкл/выкл хранятся в памяти самого Bluetooth-контроллера и часы реального времени у него тоже есть, и синхронизируются часы при соединении умной розетки по Bluetooth с смартфоном, т.е. время берётся из смартфона при каждом соединении.
В итоге стало ясно, что необходима защита от пропадания электроэнергии в электроосветительной сети, хотя бы на пару часов, а это можно решить только вводом вышеописанных устройств: элемента питания, аккумулятора или ионистора.
1 ПОИСК СПОСОБА АВТОНОМНОГО ПИТАНИЯ
Для начала я решил попробовать самое простое – ионистор, поскольку этому прибору не нужно вводить никаких схем зарядки, и его достаточно подключить параллельно выводам питания Bluetooth-контроллера, и ионистор бы заряжался от источника питания до напряжения этого источника. Я припаял к выводам 1 и 4 посадочного места под вилку XP1 (напомню, что этой вилки нет на плате, но под неё предусмотрено место и отверстия, крайние выводы которых 1 и 4 являются выводами подключенными к цепям питания Bluetooth-контроллера, и там должно присутствовать напряжение 3,3 В). Ионистор заряжался до напряжения питания Bluetooth контроллера, но после отключения умной розетки от сети, ионистор разряжался примерно за минуту. Энергии накопленной ионистором оказалось недостаточно, чтобы поддерживать питание пару часов, т.к. бывают случаи отключения электроэнергии на 1 – 2 часа. Надо сказать, что ионистор я ставил не сильно большой ёмкости, всего 0,33 Ф, т.к. бо́льшей ёмкости ионисторы имели уже довольно приличные габариты и ввести внутрь розетки их было бы не просто. Да и, как показала практика, даже если поставить ионистор на 1,0 Ф, то его тоже хватило бы не так надолго, как хотелось бы, но, конечно, для кратковременных пропаданий электроэнергии он вполне годился бы.
После ионистора, была мысль поставить нечто вроде литиевого элемента питания, по типу как на компьютерах – CR2032, но не такого размера, а поменьше – CR1620. Но, эта идея почти сразу отсеялась, т.к. элемент питания недолговечный – быстро сядет и заряжать его нельзя, а также его сложно подключать – паять проводники к нему не очень хорошая идея, т.к. можно перегреть и он выйдет из строя. Малогабаритных элементов питания с приваренными выводами в своём городе в продаже я не нашёл, но даже если бы нашёл, то для их замены каждый раз приходилось бы разбирать розетку, либо ставить их снаружи, что увеличило бы габариты умной розетки и утратился бы эстетический вид.
Когда я искал ионисторы и элементы питания, то в одном из радиомагазинов на витрине обратил внимание на малогабаритные Li-Pol аккумуляторы, в форме прямоугольного параллелепипеда и, что немаловажно, подходящих, на мой взгляд, габаритов. В магазине были аккумуляторы с ёмкостью 20, 40, 65 и 100 мА•ч. Я тогда прикинул, что вроде как по габаритным размерам более всего подходит на 65 мА•ч, но всё же надо было ещё раз заглянуть внутрь розетки и оценить пространство под аккумулятор, чтобы не разочароваться, купив неподходящий, а цена на них немаленькая: от 200 до 350 руб и, как на зло, 65 мА•ч – самый дорогой.
2 ПРОРАБОТКА АВТОНОМНОГО ПИТАНИЯ НА БАЗЕ АККУМУЛЯТОРА
Поскольку было решено ставить аккумулятор, то теперь встала проблема в применении схемы зарядки этого аккумулятора и организации питания от него микросхемы Bluetooth-контроллера, т.к. на ней допустимое рабочее напряжение – 3,6 В, согласно даташита, а полностью заряженный Li-Pol аккумулятор выдаёт напряжение 4,2 В. Для заряда аккумулятора, особенно с такой малой ёмкостью требуется небольшой ток, и надо было сделать схему заряда с ограничением тока. На ум сразу пришла схема на ИМС TP4056. Готовые платки – зарядные устройства для Li-Ion аккумуляторов, на основе этой микросхемы, я не так давно заказал на всем известном сайте, и когда они пришли, сразу им применения не нашлось, и они благополучно были отправлены в коробку, где ждали своей участи. Ждать им пришлось не долго, по крайней мере, одной из них. Плата выглядит как на фото ниже, на ней присутствует ИМС TP4056, светодиоды индикации режимов и остальная обвязка. Хоть эта микросхема и для Li-Ion аккумуляторов, но, думаю, для Li-Pol тоже сойдёт.

Рисунок 1 – Контроллер заряда аккумуляторов на базе ИМС TP4056
Согласно описания на сайте продавца, данный экземпляр рассчитан на зарядный ток 1 А, это объясняется применённым номиналом резистора установленному между общим проводом (IN-) и выводом 2 микросхемы, на фото этот резистор снизу – 1,2 кОм, что по даташиту и соответствует ограничению тока заряда в 1 А. Согласно даташита, в котором была приведена таблица токов заряда в зависимости от номинала резистора я не смог подобрать резистор, который давал бы ток заряда менее 130 мА, что вдвое больше ёмкости аккумулятора, а аккумуляторы обычно заряжают током не более 0,2 от С (где C – ёмкость аккумулятора). В данном случае, я предположил, что мне подходит аккумулятор ёмкостью 65 мА•ч, т.е. С = 65 мА•ч, откуда определяем ток заряда 13 мА. Чтобы обеспечить такое ограничение тока, надо было подобрать резистор между общим проводом и выводом 2 микросхемы. Я по имеющимся номиналам резистора и соответствующим токам составил график, на котором условно продолжил линию в сторону увеличения сопротивления резистора и примерно определил нужный номинал при необходимом токе, я выбрал сопротивление 62 кОм. Затем, согласно даташита, резистор, идущий от источника питания на вывод питания ИМС TP4056 (выв. 4), должен быть от 0,2 до 0,5 Ом, но поскольку на плате стоял резистор 0 Ом (перемычка), то решил последовать даташиту и из имевшихся малогабаритных поверхностных резисторов нашёл один на 1 Ом и два на 1,5 Ом, припаял их все параллельно и тем самым набрал сопротивление примерно 0,43 Ом. Честно говоря, не знаю зачем, этот резистор, ведь судя по схеме, этот резистор шунтом не является, но, возможно, он стоит на случай КЗ в аккумуляторе, чтоб ограничить ток.
Теперь, когда резисторы были подобраны и припаяны, надо было от платы-контроллера заряда отрезать лишнее, а именно область где припаян разъём мини-USB, эта область не позволила бы засунуть плату в предусмотренное для неё место в корпусе, и если её отрезать, то плата чётко ставится туда, куда я её определил. Итак, демонтируем гнездо мини-USB, чтобы было удобнее отсечь лишнее ножницами по металлу. Ниже на снимке можно увидеть, как выглядит плата после доработки.

Рисунок 2 – Доработанный контроллер заряда аккумулятора
А вот на этом снимке видно, где можно расположить плату контроллера заряда в корпусе умной розетки:

Рисунок 3 – Размещение контроллера заряда аккумулятора в корпусе умной розетки
Затем, возникла следующая проблема. Теперь надо чем-то питать контроллер заряда, ведь бестрансформаторный источник питания умной розетки был рассчитан на напряжение 12 В, в режиме, когда реле отключено, а контроллер заряда TP4056, согласно даташита, питается напряжением не более 8 В. Поэтому напрямую питать контроллер заряда нельзя, и надо было понижать напряжение для обеспечения исправной работы TP4056. Но лучше всего питать от 5 В, т.к. это более распространённое напряжение и к тому же на плате стояло гнездо мини-USB, что подразумевало питание от 5 В. Самое простое и малогабаритное что я смог придумать для получения 5 В – это поставить линейный стабилизатор в корпусе SOT-23 или SOT-89, т.к. токи нагрузки (зарядки) не будут превышать тока 100 мА, на который обычно рассчитаны такие малогабаритные стабилизаторы. Из имеющегося арсенала нашлась микросхема L78L05ABUTR в корпусе SOT-89, которую я и решил применить, но её надо было куда-то поставить и навесным монтажом такую мелочь паять чревато – можно было надломить выводы, да и был риск что-то где-то замкнуть, ведь свободного места на плате умной розетки не так много. Поэтому быстренько изготовил платку под эту микросхему, на которую также предусмотрел установку керамических конденсаторов.

Рисунок 4 – Линейный стабилизатор напряжения на 5 В
Теперь, когда был контроллер заряда и плата питания контроллера заряда, я смог оценить место их установки, и теперь уже было видно – где будет стоять один из приглянувшихся аккумуляторов. Я снова посетил тот магазин, ещё раз посмотрел на все, и всё же выбрал тот, который был на 65 мА•ч, его можно увидеть на снимке ниже.

Рисунок 5 – Li-Pol аккумулятор LP451124
3 СБОРКА СИСТЕМЫ АВТОНОМНОГО ПИТАНИЯ
Теперь есть аккумулятор, схема заряда, стабилизатор напряжения для схемы заряда, соединяем это всё в соответствующей последовательности и получаем конструкцию как на снимке ниже.

Рисунок 6 – Аккумулятор с контроллером заряда
Проверяем данную сборку в работе. Подаём на стабилизатор напряжение чуть более 5 В и смотрим напряжения на выходе стабилизатора и затем на аккумуляторе. В моём случае всё заработало сразу, на аккумулятор поступал ток заряда, при этом горел красный светодиод. Немного выдержав и контролируя ток заряда, я сделал вывод, что заряжание проходит медленно, что надо бы увеличить ток заряда. Снова заглянул в даташит на аккумулятор и там было сказано, что стандартный ток заряда данного аккумулятора – 0,5•С, что соответствует току 27,5 мА. Тогда я уменьшил сопротивление резистора, устанавливающего ток заряда до 47 кОм, в результате чего аккумулятор зарядился быстрее и на контроллере загорелся зелёный светодиод, сигнализирующий об окончании заряда.
Аккумулятор, контроллер заряда и стабилизатор напряжения для контроллера заряда есть, теперь надо рассмотреть схему питания Bluetooth-контроллера nRF51822, чтобы не превысить на нём напряжение питания 3,6 В, а ещё лучше не превышать 3,0 – 3,3 В, при которых производитель гарантирует нормальную работу. Для этого самое простое и малогабаритное что можно придумать, это от аккумулятора пустить напряжение через два последовательно соединённых диода типа 1N4148, на которых падает по 0,5 – 0,6 В на каждом, в итоге после диодов мы получим напряжение 3,0 – 3,2 В, что допустимо для работы ИМС nRF51822. Также, диоды не позволят разряжаться аккумулятору, когда в сети будет присутствовать напряжение, на выходе линейного стабилизатора DD1 в составе родной схемы умной розетки будет присутствовать напряжение 3,3 В, в результате чего диоды закроются и напряжение не будет поступать на аккумулятор и также с аккумулятора напряжение не будет поступать на nRF51822 во время наличия напряжения в сети. Ещё в даташите на nRF51822 сказано, что минимальное рабочее напряжение 1,8 В, что при разряде аккумулятора до 2,8 – 3 В позволит нам поддерживать работу nRF51822 при отсутствии электроэнергии в сети, а значит часы реального времени до этих пор не обнулятся и нагрузка будет поддерживаться в состоянии «Вкл» или «Выкл» – как до отключения электроэнергии, и это состояние будет поддерживаться до тех пор, пока не сработает программа, если придёт время, если она была задана, или до тех пор, пока не сядет аккумулятор.
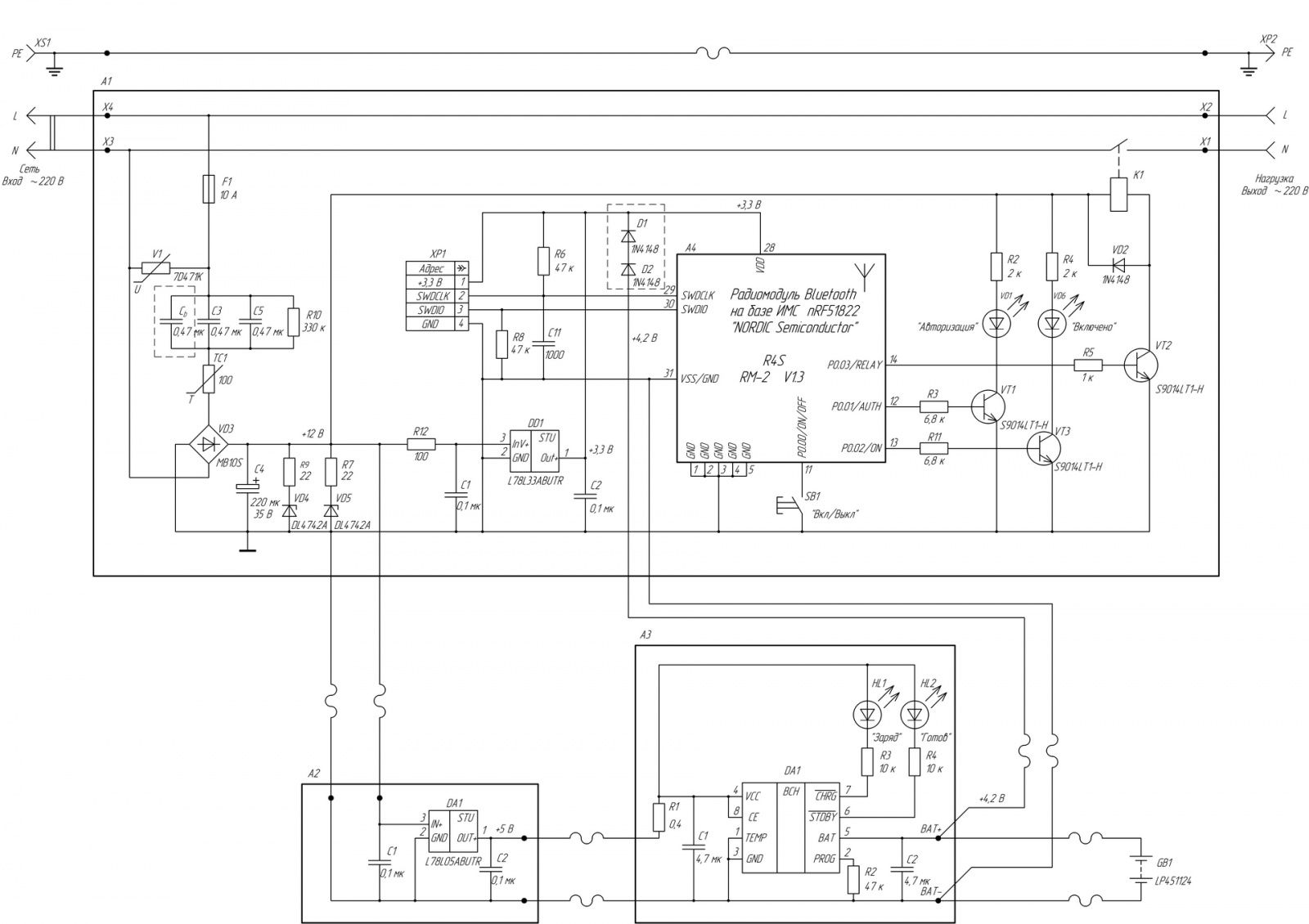
4 СХЕМА ЭЛЕКТРИЧЕСКАЯ ПРИНЦИПИАЛЬНАЯ УМНОЙ РОЗЕТКИ С АВТОНОМНЫМ ПИТАНИЕМ
Строим новую схему электрическую принципиальную доработанной умной розетки, автономным источником питания на базе Li-Pol аккумулятора. Схема представлена на рисунке ниже.

Рисунок 7 – Схема электрическая принципиальная доработки умной розетки
На схеме дополнительные диоды типа 1N4148 имеют позиционные обозначения D1 и D2, для удобства поиска также обведены штриховой линией в пределах платы А1.
5 УСТАНОВКА СИСТЕМЫ АВТОНОМНОГО ПИТАНИЯ НА БАЗЕ АККУМУЛЯТОРА. СБОРКА НОВОЙ КОНСТРУКЦИИ УМНОЙ РОЗЕТКИ
Согласно схемы, на плату умной розетки следует установить дополнительные диоды, затем установить аккумулятор, контроллер заряда и стабилизатор в корпус умной розетки на предусмотренные места и распаять все входы и выходы.
Контролер заряда и стабилизатор ставим так, как показано на снимке ниже. Плату контроллера заряда просто вставляем в пространство между стойкой под винт и выступом гнезда под вилку, она туда вставляется относительно плотно – не болтается и не выскакивает, а плату стабилизатора напряжения для контроллера сажаем на термоклей элементами в сторону гнезда. Также видно, что скобу для заземления я наполовину заклеил термостойким скотчем, для чего – ниже станет ясно.

Рисунок 8 – Установка контроллера заряда
Установку аккумулятора проводим в место, как показано на фото ниже:

Рисунок 9 – Установка аккумулятора
На снимке видно, что аккумулятор установлен в проём одного из углов корпуса розетки по одну сторону скобы заземления. Для изоляции эту скобу я обклеил двумя слоями термостойкой ленты, во-первых, это изолирует выводы аккумулятора, а во-вторых, будет дополнительная изоляция фазы и заземления, т.к. на аккумуляторе присутствует неразвязанное фазное напряжение. К выводам аккумулятора припаяны проводники соответствующей полярности, которые идут от платы контроллера заряда, а от платы контроллера заряда проводники идут на питание Bluetooth-контроллера через диоды на плату розетки, как показано на принципиальной схеме. Выводы аккумулятора с припаянными проводниками я изолировал термоусадочной трубкой, при этом выводы и часть оболочки аккуратно без резких движений изгибаем под углом 90° к основанию гнезда, где установлена скоба заземления.
Распайку цепей питания стабилизатора и выхода аккумулятора, а также установку дополнительных диодов D1 и D2 можно произвести, как показано на фото ниже.

Рисунок 10 – Распайка цепей аккумулятора и дополнительных диодов
Такая установка аккумулятора, контроллера заряда и стабилизатора напряжения для контроллера заряда позволяет беспрепятственно собрать розетку, т.е. аккумулятор и дополнительные платы после сборки нисколько не мешают основной плате: ничто не упирается и не касается. Но всё же, для надёжности я термостойкой лентой изолировал место пайки провода заземления идущего к скобе заземления нагрузки от скобы заземления сети. И ещё следует обратить внимание на гибкие проводники, которые при сборке необходимо заправить так, чтобы они не пересекали отверстия контактов для сетевой вилки нагрузки. Возможно, как в моём случае, потребуется их где-то прихватить термоклеем. Кстати, в качестве проводников я использовал провод МГТФ-0,12, он достаточно прочный на высоковольтный пробой и изоляция не плавится при пайке.

Рисунок 11 – Упаковка проводников вокруг отверстий розетки
После монтажа аккумулятора, я обратил внимание на то, что скоба, которая заземляет нагрузку, если вставить вилку нагрузки в умную розетку, будет сильно прижиматься к аккумулятору, что может повредить или замкнуть аккумулятор, поэтому эту скобу надо доработать, а именно подогнуть, как показано на фото ниже.

Рисунок 12 – Формовка контактов скобы заземления
Конечно, можно и совсем удалить эту скобу, но с землёй безопаснее, если у вас трёхпроводная электросеть.
6 ПРОВЕРКА РАБОТЫ И ПРОВЕДЕНИЕ ПРЕДВАРИТЕЛЬНЫХ ИСПЫТАНИЙ ДОРАБОТАННОЙ УМНОЙ РОЗЕТКИ
В результате, после проделанной работы и сборки, мы имеем более умную розетку, т.е. уже менее зависимую от отключения электроэнергии, с аккумулятором и контроллером заряда аккумулятора на борту, да ещё и сквозь корпус видно свечение светодиодов контроллера заряда, красный – идёт заряд, зелёный – заряд окончен.

Рисунок 13 – Индикация режима заряда
После сборки было проведено испытание, зарядка осуществлялась, со временем загорался зелёный светодиод, свидетельствовавший об окончании зарядки, часы реального времени считают, состояние «Вкл» / «Выкл», соответственно, тоже поддерживается, но если бы не одно «но». Как оказалось, если во время пропадания электроэнергии было состояние «Вкл», то есть транзистор VT2 оставался открытым, после восстановления электроэнергии в сети, розетка включалась в прежнем состоянии и видно, что горит светодиод VD6 «Включено», но поскольку транзистор открыт, то в момент подачи питания ток с выхода диодного моста сразу же идёт через катушку реле и транзистор, в результате конденсатор не успевает зарядиться до 12 В и напряжение получается сразу просаженным до 5 – 6 В, чего не хватало для гарантированного срабатывания реле. Получилось, что вроде как розетка в состоянии «Вкл», а реле не включается – слабоват источник питания, и надо бы нарастить его мощность.
7 ДОПОЛНИТЕЛЬНОЕ ВНЕСЕНИЕ ИЗМЕНЕНИЙ В ИСТОЧНИКЕ ПИТАНИЯ УМНОЙ РОЗЕТКИ. ОКОНЧАТЕЛЬНЫЕ ИСПЫТАНИЯ
Я стал выяснять, что же за балластные конденсаторы C3 и C5 применили в данной розетке, чтобы по возможности найти такие же и добавить. Измерил их ёмкость, получил примерно по 0,47 мкФ каждый, суммарно примерно 1 мкФ. А вот напряжение измерить не представляется возможным, но судя по размерам конденсаторов и напряжению в сети, оно должно было быть примерно от 400 до 500 В. В типовых размерах данных конденсаторов имеется напряжение 500 В для таких ёмкостей, но, согласно найденной информации на сайте Murata на похожие конденсаторы, при напряжениях около 220 В, ёмкость этих конденсаторов значительно ниже, чем их номинал при низких напряжениях. Отсюда и стало ясно, почему данные конденсаторы не позволяют обеспечить достаточную мощность, чтобы не было значительных просадок напряжения на выходе этого источника питания. А тут ещё и добавилась схема заряда аккумулятора, которая тоже брала некоторый ток, примерно 10 – 20 мА, пока аккумулятор не зарядится. Поскольку такие конденсаторы не очень хорошо себя проявляют при высоких напряжениях, решил попробовать найти небольшой по габаритам металлоплёночный конденсатор, хотя бы на 400 В и с более менее нормальной ёмкостью. Стал копаться в старых платах различных устройств и нашёл на одной из плат небольшой по размерам импортный металлоплёночный конденсатор на 450 В и ёмкостью 0,47 мкФ.

Рисунок 14 – Металлоплёночный конденсатор 450 В – 0,47 мкФ.
Выпаял этот конденсатор, осмотрел плату умной розетки, и оказалось, что для него есть очень даже подходящее место.

Рисунок 15 – Проверка возможности размещения добавочного конденсатора
Конденсатор подошёл по высоте и толщине по тому месту как на снимке выше, и решено было его применить – припаять параллельно балластным конденсаторам C3 и C5, а закрепить его можно термоклеем.
К выводам конденсатора я припаял отрезки проводов МГТФ-0,2, заизолировал песта паек проводов термоусадочной трубкой и дополнительно термоклеем. Затем конденсатор приклеил к реле термоклеем и распаял проводники параллельно конденсатору C3.


Рисунок 16 – Монтаж дополнительного балластного конденсатора
После установки этого конденсатора сразу проверил работоспособность умной розетки в таком включении, а именно в состоянии «Вкл» вставил эту розетку в сеть, в результате чего реле сработало, контакты замкнулись, напряжение на выводах конденсатора С4 установилось на уровне примерно 9 В, чего было достаточно для пуска реле и для работы остальных органов розетки. Конечно, при таком напряжении и ток потребления катушкой реле выше, а значит и потребление электроэнергии розеткой возросло, я измерил цифровым ваттметром, мощность холостого хода составила 2,2 Вт. Можно попробовать оптимизировать и попытаться ещё снизить напряжение до такого уровня, при котором реле будет гарантированно срабатывать и ток потребления будет минимальным, но на данном этапе я пока не заморачивался, главное, что теперь розетка с автономным питанием, а значит часы не будут сбиваться при пропадании напряжения в сети, пока не сядет аккумулятор и будет сохраняться состояние «Вкл» или «Выкл». Также был проведён эксперимент на время работы от аккумулятора, которое составило 10 – 11 часов, что вполне достаточно, т.к. электроэнергию на такое или большее время отключают редко.
8 ИТОГОВАЯ СХЕМА ЭЛЕКТРИЧЕСКАЯ ПРИНЦИПИАЛЬНАЯ УМНОЙ РОЗЕТКИ С АВТОНОМНЫМ ИСТОЧНИКОМ ПИТАНИЯ
Ну и после всех доработок, окончательная схема умной розетки выглядит так:

Рисунок 17 – Схема электрическая принципиальная умной розетки с автономным питанием
В данной схеме дополнительный балластный конденсатор, параллельный конденсаторам C3 и C5, обозначен как Cb и обведён штриховой линией.
На этом всё, вторую розетку, возможно, как-нибудь так же доработаю. Критика и, возможно, дополнительные рекомендации приветствуются.
Спасибо за внимание!
Автор: Vanderas
