
С чего начинается конференция? Конечно, с бейджа! Это первое, что ты получаешь на входе, целый день (или несколько) вы с ним неразлучны, а потом он висит над твоим столом, напоминая окружающим о твоей космической крутизне и профессионализме.
Поэтому бейдж для международной конференции по практической безопасности OFFZONE мы стараемся сделать запоминающимся. Бейдж-карты OFFZONE 2018 были полноценными компьютерами на базе 8-битного процессора с JVM на борту. А на OFFZONE 2019 (17–18 июня) роль бейджа участника играла интерактивная печатная плата, выполненная, в согласии с общим стилем конференции, в виде дискеты 3,5 дюйма. Олды тут?!
Бейдж: начало
Каждый участник конференции при регистрации получал бейдж-плату и набор из четырех батареек ААА. Вставляешь батарейки — бейдж радостно приветствует тебя каруселькой из всех цветов радуги.
Бейдж радовал глаз и собирал лайки в инстаграме, но это не главная его функциональность. Даже в базовом варианте он служил кошельком для OFFCOIN — официальной валюты конференции. Ее получали за решение разнообразных тасков и обменивали на фирменный мерч.

«Базовая поставка» бейджа включала в себя микроконтроллер с необходимой обвязкой, системой питания и ИК-передатчиком. Это уже неплохо, но иногда душа требует праздника. На этот случай у бейджа были скрытые возможности.
Бейдж: продвинутый уровень
Первое правило ИБ-конференции — ломать можно все, в том числе бейджи. Мы не отошли от традиции, но немного ее модифицировали: чтобы взломать нашу светящуюся плату, ее нужно было сперва «починить» — собственноручно напаять недостающие электронные компоненты.
Обо всех апгрейдах для бейджа можно было узнать двумя способами. Первый, для внимательных — изучить инструкцию на сайте конференции. Второй, для нетерпеливых — устроить допрос с пристрастием кому-нибудь из организаторов на площадке.
Оба способа приводили участников на зону пайки. И тут начиналось самое интересное! Катушки припоя, запах флюса и прочие радости, ранее доступные только радиолюбителям.

5 шагов к тюнингованному бейджу
Первым шагом к апгрейду бейджа было напаять DIP Switch на 8 переключателей и 8 резисторов R8-R15 номиналом 220 Ом и типоразмера smd 0603 на противоположной стороне платы. DIP Switch давал возможность переключать режим работы бейджа, а еще открывал доступ к первому заданию.

В первом задании нужно было выставить младшие четыре разряда переключателей в такую комбинацию, чтобы все четыре светодиода загорелись зеленым цветом. Как только это происходило, бейдж в USB через COM-порт отправлял участнику флаг.
Немного объяснений для тех, кто не успел в зону пайки на конференции и хочет повторить трюк дома. Старшие четыре разряда переключателя определяют то, в каком режиме запустится бейдж после рестарта. Положение этих переключателей нужно трактовать как представление двоичного числа: восьмой переключатель в положении ON — это 0001, седьмой ON — это 0010, восьмой и шестой ON — это 0101 и так далее. Таски имели номера от 1 до 5. Состояние 0 — режим кошелька OFFCOIN.
Для второго задания нужно было смонтировать миниатюрный 0,96-дюймовый OLED-дисплей с интерфейсом I2C и пару перемычек. Это задание тоже удастся воспроизвести не только на площадке OFFZONE, так что вот инструкция.
Все просто. Дисплей — разъем PLS-4, а перемычки — резисторы R2 и R5 типоразмера smd 0603. Запаяли, выбрали режим 2 на DIP Switch, перезапустили бейдж, дождались окончания процесса погрузки программы, прошли тест на эпилептика и теперь можно играть во Flappy Quote.

Цель таска — пройти 1337 ворот кавычкой и не умереть. Руками сделать это не так-то просто. Однако если подключиться по COM-порту к бейджу в режиме Flappy Quote, можно увидеть очень много полезной информации — ее хватит, чтобы написать своего бота! Цель в 1337 ворот уже не выглядит столь устрашающей.
На третьем шаге можно было напаять простой ИК-приемник TSOP38238, найти в зоне пайки установленный организаторами бейдж и принять посылку, которая там передается. Посылкой оказывался 7ZIP-архив, который содержал пожатую файловую систему FAT12. Нужно было покопаться в ней и найти флаг.
Затем участники могли напаять RFID-приемопередатчик RC-522, в зоне с заданиями по взлому IoT-устройств найти помеченную карту-пропуск, сдампить ее, поковыряться в дампах, заметить некоторые интересные особенности в них, подкорректировать данные и записать на свою карту-болванку. Если все сделано правильно, проверка карты на IoT-зоне проходила успешно и участник получал флаг.

Для последнего задания у нас было радио диапазона 433МГц и два модуля: приемник и передатчик. При помощи радио был реализован чат для всех владельцев этих модулей, а также поиск постоянно курсирующего туда-сюда источника передачи флага. Нужно было просто гулять по OFFZONE, глазеть по сторонам и ловить радиопакетики. Один из них и содержал искомый флаг.

Последние три таска выполнить уже не получится — нужные условия были только на OFFZONE. Но если есть желание, всегда можно завершить модификацию!
Дополнительная информация
-
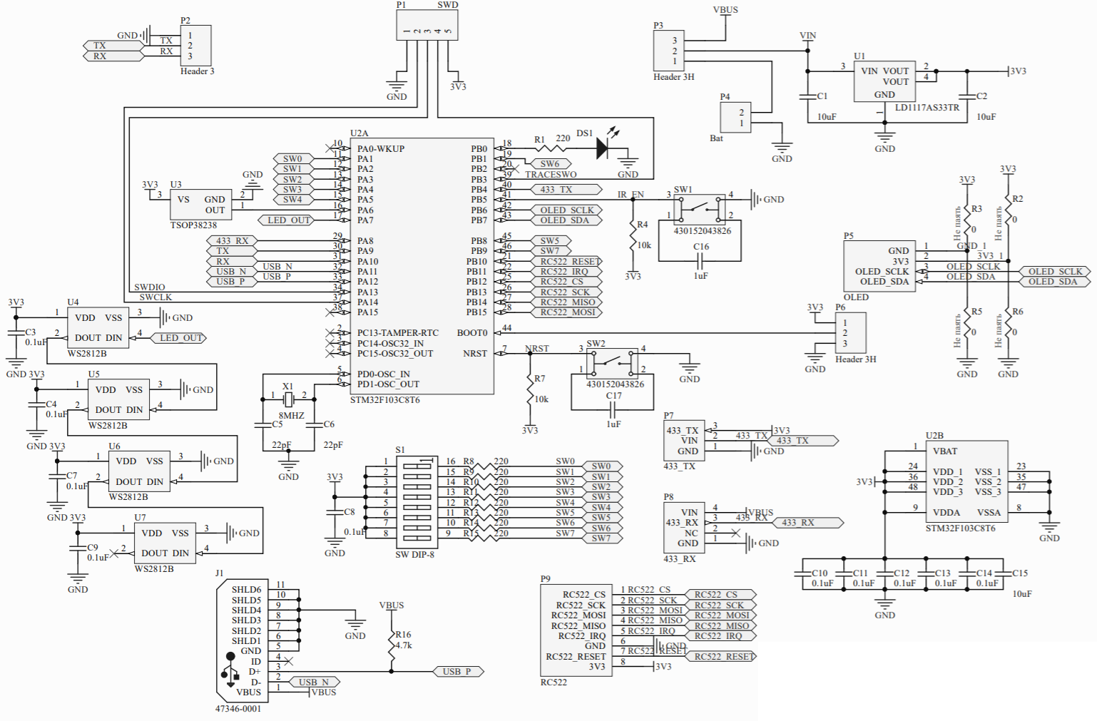
Схема бейджа
- Драйвер COM порта
- DIP Switch
- 220 Ом smd 0603
- I2C OLED-дисплей
- 0 Ом smd 0603
- ИК-приемник TSOP38238
- RFID-приемопередатчик RC-522
- 433МГц приемник-передатчик
Автор: BiZone_team
