В правильно сконструированном двухтактном преобразователе постоянный ток через обмотку и подмагничивание сердечника отсутствуют. Это позволяет использовать полный цикл перемагничивания и получить максимальную мощность. Поскольку трансформатор имеет много взаимозависимых параметров, расчет ведут по шагам, уточняя при необходимости исходные данные.
1. Как определить число витков и мощность?
Габаритная мощность, полученная из условия не перегрева обмотки, равна [1]:
Pгаб = So ⋅ Sc ⋅ f ⋅ Bm / 150 (1)
Где: Pгаб - мощность, Вт;
Sc - площадь поперечного сечения магнитопровода, см2 ;
So - площадь окна сердечника, см2;
f - частота колебаний, Гц;
Bm = 0,25 Тл - допустимое значение индукции для отечественных никель-марганцевых ферритов на частотах до 100 кГц.
Максимальную мощность трансформатора выбираем 80% от габаритной:
Pmax = 0,8 ⋅ Pгаб (2)
Минимальное число витков первичной обмотки n1 определяется максимальным напряжением на обмотке Um и допустимой индукцией сердечника Bm:
n1 = ( 0,25 ⋅ 104 ⋅ Um ) / ( f ⋅ Bm ⋅ Sc ) (3)
Размерности единиц здесь те же, что и в формуле (1).
Плотность тока в обмотке j для трансформаторов мощностью до 300 Вт принимаем 3..5 А/мм2 (большей мощности соответствует меньшее значение). Диаметр провода в мм рассчитываем по формуле:
d = 1,13 ⋅ ( I / j )1/2 (4)
Где I - эффективный ток обмотки в А.
Пример 1:
Для ультразвуковой установки нужен повышающий трансформатор мощностью 30..40 Вт. Напряжение на первичной обмотке синусоидальное, с эффективным значением Uэфф = 100 В и частотой 30 кГц.
Выберем ферритовое кольцо К28x16x9.
Площадь его сечения: Sc = ( D - d ) ⋅ h / 2 = ( 2,8 - 1,6 ) ⋅ 0,9 / 2 = 0,54 см2
Площадь окна: So = π ⋅ ( d / 2 )2 = π⋅ ( 1,6 / 2 )2 = 2 см2
Габаритная мощность: Pгаб = 0,54 ⋅ 2 ⋅ 30 ⋅ 103 ⋅ 0,25 / 150 = 54 Вт
Максимальная мощность: Pmax = 0,8 ⋅ 54 = 43,2 Вт
Максимальное напряжение на обмотке: Um = 1,41 ⋅ 100 = 141 В
Число витков: n1 = 0,25 ⋅104 ⋅ 141 / ( 30 ⋅ 103 ⋅ 0,25 ⋅ 0,54 ) = 87
Число витков на вольт: n0 = 87 / 100 = 0,87
Эффективное значение тока первичной обмотки: I = P / U = 40 / 100 = 0,4 A
Плотность тока выберем 5 А/мм2.
Тогда диаметр провода по меди: d = 1,13 ⋅ ( 0,4 / 5 )1/2 = 0,31 мм
2. Как уточнить плотность тока?
Если мы делаем маломощный трансформатор, то можем поиграть с плотностью тока и выбрать более тонкие провода, не опасаясь их перегрева. В книге Эраносяна [2, Стр.109] дана такая табличка:
|
Pн, Вт |
1 .. 7 |
8 .. 15 |
16 .. 40 |
41 .. 100 |
101 .. 200 |
|
j, А/мм2 |
7 .. 12 |
6 .. 8 |
5 .. 6 |
4 .. 5 |
4 .. 4,5 |
Почему плотность тока зависит от мощности трансформатора?
Выделяемое количество теплоты равно произведению удельных потерь на объем провода. Рассеиваемое количество теплоты пропорционально площади обмотки и перепаду температур между ней и средой. С увеличением размера трансформатора объем растет быстрее площади и для одинакового перегрева удельные потери и плотность тока надо уменьшать. Для трансформаторов мощностью 4..5 кВА плотность тока не превышает 1..2 А/мм2 [3].
3. Как уточнить число витков первичной обмотки?
Зная число витков первичной обмотки n вычислим ее индуктивность. Для тороида она определяется по формуле:
L = μ0 ⋅ μ ⋅ Sс ⋅ n2 / la (5)
Где:
Площадь Sс дана в м2;
средняя длина магнитной линии la в м;
индуктивность в Гн;
μ0 = 4π ⋅ 10-7 Гн/м - магнитная постоянная.
В инженерном виде эта формула выглядит так:
L = AL n2 (5А) , n = ( L / AL )1/2 (5Б)
Коэффициент AL и параметр мощности Sо ⋅ Sc для некоторых типов колец приведены в Таблице 2 [4,5,6]:
|
Кольцо |
К7х4х2 |
К10х6х3 |
К10х6х4,5 |
К16х10х4,5 |
К20х12х6 |
К32х20х6 |
К38х24х7 |
К40х25х11 |
|
AL , нГн/вит2 ± 25% |
224 |
310 |
460 |
430 |
620 |
570 |
650 |
1050 |
|
Sо ⋅ Sc , см4 |
0,004 |
0,017 |
0,025 |
0,106 |
0,271 |
1,131 |
2,217 |
4,050 |
Для работы трансформатора в качестве согласующего устройства должно выполняться условие:
L > ( 4 .. 10 ) ⋅ R / ( 2 ⋅ π ⋅ fmin ) (6)
Где L - индуктивность в Гн;
R = U2эфф / Pн приведенное к первичной обмотке сопротивление нагрузки Ом;
fmin - минимальная частота, Гц.
В ключевых преобразователях в первичной обмотке трансформатора текут два тока: прямоугольный ток нагрузки Iпр = Um / R и треугольный ток намагничивания обмотки IT:
Для нормальной работы преобразователя величина треугольной составляющей не должна превышать 10% от прямоугольной, т.е индуктивность обмотки должна удовлетворять неравенству:
L > 5 R / f (7)
При необходимости число витков увеличивают или применяют феррит с большей μ. Чрезмерно завышать число витков в обмотке не желательно. Из-за роста межвитковой емкости на рабочей частоте могут возникнуть резонансные колебания.
Выбранный феррит должен иметь достаточную максимальную индукцию и малые потери в рабочей полосе частот. Как правило, на низких частотах (до 1 МГц) применяют феррит с μ = 1000 .. 6000 , а на радиочастотах приходиться использовать материалы с μ = 50 .. 400.
Пример 2:
Трансформатор из Примера 1 намотан на кольце К28х16х9 из никель-марганцевого феррита 2000НМ с магнитной проницаемостью μ = 2000.
Мощность нагрузки P = 40 Вт , эффективное напряжение первичной обмотки Uэфф = 100 В , частота f = 30 кГц. Уточним число его витков.
Приведенное сопротивление нагрузки: R = 1002 / 40 = 250 Ом
Площадь поперечного сечения магнитопровода: Sc = 0,54 см2 = 0,54 ⋅ 10 -4 м2
Средняя длина магнитной линии: la = π ( D +d ) / 2 = π ( 2,8 + 1,6 ) ⋅ 10 -2 / 2 = 6,9 ⋅ 10 -2 м
Коэффициент индуктивности: AL = 4π ⋅ 10-7 ⋅ 2000 ⋅ 0,54 ⋅ 10 -4 / 6,9⋅10-2 = 1966 нГн / вит2
Минимальная индуктивность первичной обмотки по формуле (6):
L = 10 ⋅ 250 / ( 2π ⋅ 3 ⋅ 104 ) = 13,3 мГн
Число витков: n = (13,3 ⋅ 10 -3 / 1,963 ⋅ 10 -6 ) 1/2 = 82
Оно даже меньше, чем рассчитанное ранее в Примере 1 nmin = 87.
Таким образом, условие достаточной индуктивности выполнено и число витков первичной обмотки n = 87.
4. Какие ферриты можно применить и почему?
Как известно, сердечник в трансформаторе выполняет функции концентратора электромагнитной энергии. Чем выше допустимая индукция B и магнитная проницаемость μ , тем больше плотность передаваемой энергии и компактнее трансформатор. Наибольшей магнитной проницаемостью обладают т.н. ферромагнетики — различные соединения железа, никеля и некоторых других металлов.
Магнитное поле описывают две величины: напряженность Н (пропорциональна току обмотки) и магнитная индукция В (характеризует силовое действие поля в материале). Связь В и H называют кривой намагничивания вещества. У ферромагнетиков она имеет интересную особенность — гистерезис (греч. отстающий) — когда мгновенный отклик на воздействие зависит от его предыстории.
После выхода из нулевой точки (этот участок называют основной кривой намагничивания) поля начинают бегать по некой замкнутой кривой (называемой петлей гистерезиса). На кривой отмечают характерные точки — индукцию насыщения Bs, остаточную индукцию Br и коэрцитивную силу Нс.

По значениям этих величин ферромагнетики условно делят на жесткие и мягкие. Первые имеют широкую, почти прямоугольную петлю гистерезиса и хороши для постоянных магнитов. А материалы с узкой петлей используют в трансформаторах. Дело в том, что в сердечнике трансформатора есть два вида потерь — электрические, и магнитные. Электрические (на возбуждение вихревых токов Фуко) пропорциональны проводимости материала и частоте, а вот магнитные тем меньше, чем меньше площадь петли гистерезиса.
Ферриты это пресс порошки окисей железа или других ферромагнетиков спеченные с керамическим связующим. Такая смесь сочетает два противоположных свойства — высокую магнитную проницаемость железа и плохую проводимость окислов. Это минимизирует как электрические, так и магнитные потери и позволяет делать трансформаторы, работающие на высоких частотах. Частотные свойства ферритов характеризует критическая частота fc , при которой тангенс потерь достигает 0,1. Тепловые — температура Кюри Тс , при которой μ скачком уменьшается до 1.
Отечественные ферриты маркируются цифрами, указывающими начальную магнитную проницаемость, и буквами, обозначающими диапазон частот и вид материала.
Наиболее распространен низкочастотный никель-цинковый феррит, обозначаемый буквами НН. Имеет низкую проводимость и сравнительно высокую частоту fc. Но у него большие магнитные потери и невысокая температура Кюри.
Никель-марганцевый феррит имеет обозначение НМ. Проводимость его больше, поэтому fc низкая. Зато малы магнитные потери, температура Кюри выше, он меньше боится механических ударов.
Иногда в маркировке ферритов ставят дополнительную цифру 1, 2 или 3. Обычно, чем она выше, тем более температурно стабилен феррит.
Какие марки ферритов нам наиболее интересны?
Для преобразовательной техники хорош термостабильный феррит 1500НМ3 с fc=1,5 МГц, Bs=0,35..0,4 Тл и Tc=200 ℃.
Для спец применений выпускают феррит 2000НМ3 с нормируемой дезакаммодацией (временной стабильностью магнитной проницаемости). У него fc=0,5 МГц, Bs=0,35..0,4 Тл и Tc=200 ℃.
Для мощных и компактных трансформаторов разработаны ферриты серии НМС. Например 2500НМС1 с Bs=0,45 Тл и 2500НМС2 c Bs=0,47 Тл. Их критическая частота fc=0,4 МГц, а температура Кюри Tc>200 ℃.
Что касается допустимой индукции Bm, этот параметр подгоночный и в литературе не нормируется. Ориентировочно можно считать Bm = 0,75 Вsmin. Для никель-марганцевых ферритов это дает примерно 0,25 Тл. С учетом падения Bs при повышенных температурах и за счет старения в ответственных случаях лучше подстраховаться и снизить Bm до 0,2 Тл.
Основные параметры распространенных ферритов сведены в Таблицу 3:
|
Марка |
100НН |
400НН |
600НН |
1000 |
2000 |
2000 |
1000 |
1500 |
1500 |
|
μнач |
80..120 |
350.. |
500.. |
800.. |
1800.. |
1700.. |
800.. |
1200.. |
1200.. |
|
fc, МГц |
7 |
3,5 |
1,5 |
0,4 |
0,1 |
0,5 |
1,8 |
0,7 |
1,5 |
|
Tc, ℃ |
120 |
110 |
110 |
110 |
70 |
200 |
200 |
200 |
200 |
|
Bs, Тл |
0,44 |
0,25 |
0,31 |
0,27 |
0,25 |
0,38.. |
0,33 |
0,35.. |
0,35.. |
5. Насколько нагреется сердечник?
Потери в магнетике.
При частоте менее критической fс потери энергии в магнетике складываются в основном из потерь на перемагничивание, а вихретоковыми можно пренебречь.
Опыт и теория показывают, что потери энергии в единице объема (или массы) на одном цикле перемагничивания прямо пропорциональны площади петли гистерезиса. Следовательно мощность магнитных потерь:
PH = P0 ⋅ V ⋅ f (8)
Где:
P0 – удельные потери в единице объема (измеренные на частоте f0 при индукции B0 ) ;
V – объем образца.
Таблица 4. Удельные объемные потери в ферритах 2500НМС при f0 =16 кГц ; B0=0,2 Тл:
|
T , oC |
P0 , мкВт / ( см 3 ⋅ Гц ) |
|
|
2500НМС1 |
2500НМС2 |
|
|
25 |
10,5 |
8,5 |
|
100 |
8,7 |
6 |
Однако, с ростом частоты индукция насыщения уменьшается, петля гистерезиса деформируется, а потери растут. Для учета этих факторов Штейнмец (C. P. Steinmetz, 1890-1892) предложил эмпирическую формулу:
PH = P1 ⋅ m ⋅ ( f / f1 ) α ( B / B1) β (9)
Условились [7, Стр.54], что f1 = 1 кГц, B1 = 1 Тл.
Величины P1, α, β и массу сердечника m указывают в справочнике.
Таблица 5. Удельные потери в некоторых ферритах
|
Марка |
1500НМ3 |
2000НМ1-А,Б |
2000НМ3 |
2000НМ-17 |
3000 |
6000НМ-1 |
|||
|
f |
- |
0,4..100 кГц |
0,1..1 МГц |
- |
0,4..100 кГц |
0,1..1 МГц |
0,4..200 кГц |
20..50 кГц |
50..100 кГц |
|
P1, |
23,2 |
32±7 |
13±3 |
44,6 |
63±10 |
25±4 |
48±8 |
11±2 |
38±0,8 |
|
α |
1,2 |
1,2 |
1,4 |
1,3 |
1,2 |
1,4 |
1,2 |
1,35 |
1,6 |
|
β |
2,2 |
2,4 |
2,7 |
2,85 |
2,76 |
2,69 |
2,6 |
||
Потери в меди.
Омические потери в первичной обмотке при комнатной температуре и без учета скин-эффекта:
PM1 = I2 эфф ( ρ / Sm ) ( ( D - d ) + 2h ) ⋅ n1 (10)
Где:
Iэфф - эффективный ток,
D - внешний, d - внутренний диаметр кольца, h - его высота в метрах;
n1 - число витков; Sm - поперечное сечение провода, в мм2 ;
ρ = 0,018 Ом ⋅ мм2 / м - удельное сопротивление меди.
Суммарные потери во всех обмотках при повышенной температуре окружающей среды:
PM = ( PM1 + PM2 + .. )⋅ ( 1 + 0,004⋅ ( T - 25oC ) ) (11)
Общие потери в трансформаторе.
Потери в магнетике и меди:
PΣ = PH + PM (12)
Предполагаемая температура перегрева при естественной конвекции:
ΔT = PΣ / ( αm Sохл ) (13)
Где αm = (10..15) -4 Вт/(см2 oС) , Sохл = π /2 ( D2 - d2 ) + π h ( D + d )
Пример 3:
Найдем потери в трансформаторе из Примеров 1 и 2. Для простоты считаем, что вторичная и первичная обмотка одинаковые.
Эффективный ток первичной обмотки Iэфф = 0,4 А.
Потери в меди первичной обмотки:
PM1 = 0,42 ⋅ ( 0,018 / 0,08 ) ⋅ ( 28 - 16 + 18 ) ⋅ 10 -3 ⋅ 87 ≈ 0,1 Вт.
Потери в меди обеих обмоток: PM = 0,2 Вт.
Согласно справочным данным для феррита 2000НМ P1 = 32 Вт / кг ; α = 1,2 ; β = 2,4 ; масса сердечника К28х16х9 равна 20 грамм.
Потери в феррите: PH = 32 ⋅ ( 30 / 1 ) ⋅ 1,2 ⋅ ( 0,25 / 1 ) ⋅ 2,4 ⋅ 20 ⋅ 10 -3= 1,36 Вт
Суммарные потери в трансформаторе: PΣ = 1,56 Вт.
Ориентировочный КПД = ( 40 - 1,56 ) / 40 ⋅ 100% ≈ 96%
6. Как учесть инерционные свойства трансформатора?
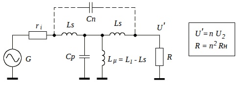
На Рис.2. показана T-схема замещения трансформатора. В нее входят сопротивление источника ri , приведенное сопротивление нагрузки R = n2 Rн или R = Pн / U2эфф , где n = U1 / U2 - коэффициент трансформации, Uэфф - эффективное напряжение первичной обмотки.

Инерционные свойства трансформатора определяют малые индуктивности рассеяния Ls, индуктивность намагничивания Lμ (почти равна индуктивности первичной обмотки L1), параллельная емкость обмотки Сp (т.н. динамическая емкость) и последовательная емкость между обмотками Сп.
Как оценить индуктивности и емкости?
L1 рассчитывают по формуле (5) или измеряют экспериментально.
Согласно [8] индуктивность рассеивания по порядку величины равна Ls ~ L1 / μ.
Емкость Ср составляет примерно 1 пФ на виток.
Трансформатор работает подобно полосовому фильтру. На малых частотах он представляет собой ФВЧ с частотой среза ωн = R / Lμ.
На высоких частотах элементы Ls и Cp образуют ФНЧ с частотой среза ωв ≈ ( Ls Cp )-1/2
Последовательная емкость Сп невелика и на работу практически не влияет.
В модели есть два характерных резонанса:
Низкочастотный (резонанс намагничивания) в параллельном контуре Lμ Ср.
Его частота fμ ≈ ( 1/ 2 π ) ⋅ (Lμ Cp )-1/2 , а добротность
Qμ ≈ ( ri || R ) ⋅ ( Lμ / Cp)-1/2 (14)
Высокочастотный (резонанс рассеивания) в контуре, образованном Ls и Cр.
Его частота fs ≈ ( 1/ 2 π ) ⋅ (Ls Cp )-1/2 , а добротность Qs ≈ ( Ls / Cp)1/2 / ri (15)
Как влияют резонансы обмотки?
Амплитудно-частотная характеристика трансформатора похожа на АЧХ полосового фильтра, но на ее верхнем краю резонанс fs дает характерный пик.
Реакция же на импульсы напряжения зависит от способа включения источника и величин сопротивлений схемы.
При малом внутреннем сопротивлении источника ri проявляется лишь резонанс fs в виде характерного "звона" на фронтах импульсов.
Если же источник подключается через ключ, то при его размыкании могут возникать интенсивные колебания с частотой fμ.

7. Экспериментальное измерение параметров импульсного трансформатора.
Для пробы было взято кольцо из феррита 3000НМ размера К10х6х2. Первичная обмотка составляла 21 виток; вторичная 14; коэффициент трансформации n = 1,5 ; сопротивление нагрузки равнялось 4,7 кОм; источником служил генератор прямоугольных импульсов на TTL микросхемах с уровнем 6В, частотой 1 МГц и внутренним сопротивлением ri ≈ 200 Ом.
Рассчитаем теоретические параметры:
Sc = 4 ⋅ 10 -6 м2 , la = 25,13 ⋅ 10 -3 м , AL теор = 600 нГн / вит2 , L1теор = 0,6 ⋅ 212 = 265 мкГн, Ls теор ≈ 265/3000 = 0,09 мкГн , Сp теор ≈ 21+14 = 35 пФ.
Приведенное сопротивление нагрузки R = n2 Rн = 2,25 ⋅ 4,7 ~ 10 кОм.
Результаты измерений индуктивностей прибором АКИП-6107:
L1 = 269 мкГн , L2 = 118 мкГн , закоротив вторичную обмотку получим 2Ls = 6,8 мкГн, что на два порядка выше ее теор оценки.
Динамическую емкость Cp можно оценить по формуле (15), подав на трансформатор прямоугольные импульсы и измерив при помощи осциллографа период колебаний "звона" на фронтах импульсов на выходе вторичной обмотки. Частота "звона" fs оказалась 18,5 МГц , что дает Ср ≈ 21 пФ и неплохо согласуется с теор оценкой.
Для сравнения с опытом эквивалентная схема с измеренными параметрами моделировалась в программе LT Spice.


Итак, модель, построенная на основе измеренных Lμ , Ls и Cp вполне согласуется с экспериментом.
Теоретическая оценка [8] емкости 1 пФ на виток для малых колец приемлема, но оценка индуктивности рассеяния на два порядка расходится с фактической. Ее проще определять на опыте.
Приложение 1. Вывод формулы для числа витков.
При подаче напряжения U на обмотку в ней возникнет ЭДС индукции E:
U = -E = n Sc dB / dt
Для синусоидального напряжения с амплитудой Um:
Um = n Sc ω Bm
Откуда число витков: n = Um / ( Sc ω Bm )
Выразив круговую частоту через обычную, а площадь в см2 получим инженерную формулу:
n = 0,16 ⋅ 104 / ( f ⋅ Bm⋅ Sc )
Для прямоугольного напряжения величиной Um приращение индукции:
dB = dt Um / ( n Sc )
Интегрируя ее по времени от 0 до T/2 и учитывая, что за половину периода поле изменится от -Bm до +Bm получим: 2Bm = ( T / 2) Um / ( n Sc )
Выразив период через частоту, а площадь в см2 получим инженерную формулу:
n = 0,25 ⋅104 / ( f ⋅ Bm ⋅ Sc )
Она пригодна для обоих случаев.
Приложение 2. Вывод формулы для габаритной мощности трансформатора.
Согласно закону электромагнитной индукции Фарадея связь напряжения на катушке с изменением магнитной индукции в ней:
U dt = n Sc dB
За время от 0 до T/2 индукция изменится от -Bm до +Bm. Интегрируя в этих пределах получим среднее напряжение:
Uср = 4n ⋅ Sc ⋅ Bm ⋅ f
Где:
Но приборы измеряют не среднее, а действующее напряжение, которое эквивалентно постоянному по энергии. Связь среднего и действующего напряжения дает коэффициент формы кф = Uэфф / Uср . Для меандра он равен 1, для синуса 1,11.
Отсюда эффективное напряжение на катушке:
Uэфф = 4 ⋅ кф ⋅ n ⋅ Sc ⋅ Bm ⋅ f
Габаритную мощность оценим из следующих соображений. Частота f не велика, потери на вихревые токи и перемагничивания малы и мощность ограничена лишь перегревом обмотки. Его определяет максимальная плотность тока j , одинаковая для обоих обмоток.
Определим габаритную мощность как полусумму мощностей первичной и вторичной обмоток.
Pгаб = ( P1+P2 ) / 2 = ( Uэфф1⋅ I1 + Uэфф2 ⋅ I2 ) / 2 = j ( S1 n1 + S2 n2 ) 4 кф Sc Bm f / 2
Где S1 и S2 площади витка первичной и вторичной обмоток.
Это соотношение можно записать через площадь меди Sm:
Pгаб = 2⋅ кф ⋅ f ⋅ Sc ⋅ Sm ⋅ Bm ⋅ j
Площадь меди связывают с коэффициентом заполнения окна σ = Sm / Sо.
Сигма это некий эмпирический коэффициент, равен минимум 0,15 для однослойной обмотки и максимум 0,4 для многослойной (больше не поместится).
В итоге наша формула имеет вид:
Pгаб = 2 ⋅ кф ⋅ σ⋅ f ⋅ Sc⋅ Sо ⋅ Bm ⋅ j
Все величины здесь в СИ.
Допустим, что напряжение имеет форму меандра, кф = 1. Выбирая плотность тока j = 2,2 А / мм2 ; коэффициент заполнения σ = 0,15 ; выразив площади в см2 ; Bm в Тл ; частоту в Гц получим расчетную формулу:
Pгаб = Sc ⋅ So ⋅ f ⋅ Bm / 150
Как видно, эта формула выведена с большим запасом, реально можно получить с трансформатора и большую мощность.
Литература.
-
Косенко С. “Расчёт импульсного трансформатора двухтактного преобразователя” // Радио, №4, 2005, с. 35 - 37, 44.
-
Эраносян С. А. Сетевые блоки питания с высокочастотными преобразователями. - Л.: Энергоатомиздат. Ленингр. отд-ние, 1991,— 176 с: ил.
-
С. В. Котенёв, А. Н. Евсеев. Расчет и оптимизация тороидальных трансформаторов и дросселей. - М.: Горячая линия-Телеком, 2013. — 359 с.: ил.
-
А. Петров "Индуктивности, дроссели, трансформаторы "// Радиолюбитель, №12, 1995, с.10-11.
-
Михайлова М.М., Филиппов В.В., Муслаков В.П. Магнитомягкие ферриты для радиоэлектронной аппаратуры. Справочник. - М.: Радио и связь, 1983. - 200 с., ил.
-
Б.Ю.Семенов. Силовая электроника для любителей и профессионалов. М. : Солон-Р, 2001. - 327 с. : ил
-
Курс лекций "Импульсная техника" для студентов 4-го курса кафедры Радиофизики. Глава 3.
Автор: Андрей К
