Привет! Сегодня я решил сделать полный гайд по клавиатурам для Arduino.
Внимание! Статья ориентирована преимущественно на новичков!
Во многих проектах появляется необходимость создания возможности ввода данных пользователем. Если вам нужно реализовать большое количество кнопок(относительно), то подключать их по-отдельности становится и долго, и нерационально. Для этой цели лучше выбрать какую-нибудь клавиатуру, но как и к любому выбору, к нему нужно подходить осознано. Какие же бывают виды клавиатур и как с ними взаимодействовать?
Глобально, все модули данного типа можно поделить на две большие категории: матричные и аналоговые.
Матричные клавиатуры
Самый простой, дешёвый и популярный вид клавиатур. Он относительно прост в изготовлении и заполняет собой большую часть рынка модулей ардуино. Выглядит чаще всего следующим образом:


Принцип работы
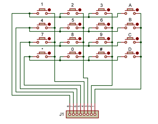
Понять как устроенная данная клавиатура можно изучив следующую схему:

Чтобы понять какая кнопка была нажата, нужно подавать сигнал на первые четыре контакта модуля и смотреть какой сигнал возвращается со второй. Но не стоит пугаться того, что вам придется писать алгоритмы обработки для восьми пинов вручную — в этом нам поможет готовая библиотека «keypad.h», благодаря которой нам не придется изобретать велосипед.
Подключение к плате
Подключение собственно модуля
В этой статье я воспользуюсь следующей схемой подключения:

У Вас наверное возникает вопрос: «Почему я решил использовать пины со второго по девятый, пропустив нулевой и первый?» — дело в том, что некоторые модули, используют их в качестве каналов RX и TX для получение и передачи данных соответственно. К примеру, блютуз модуль. По-этому с учётом возможного дополнения проекта другими модулями, было решено оставить данные пины подключения свободными.
Написание скетча
Для начала, для того, чтобы получить возможность использовать библиотеку для подключения клавиатур в коде, нужно установить её на ваше устройство. Это можно сделать следующим образом: в самой Arduino IDE нажимаем Скетч -> Подключить библиотеку -> Управлять библиотеками… либо используем комбинацию гарячих клавиш «Ctrl + Shift + I». В поиске вбиваем «keypad.h»(без скобочек) и нажимаем «Установка».
После установки приступаем к написанию скетча:
#include <Keypad.h> // подключаем библиотеку для управление клавиатурой
const byte ROWS = 4; //число строк у нашей клавиатуры
const byte COLS = 4; //число столбцов у нашей клавиатуры
char hexaKeys[ROWS][COLS] = {// здесь мы располагаем названия наших клавиш, как на клавиатуре,для удобства пользования
{'1','4','7','*'},
{'2','5','8','0'},
{'3','6','9','#'},
{'A','B','C','D'}
};
byte rowPins[ROWS] = {5, 4, 3, 2}; //к каким выводам подключаем управление строками
byte colPins[COLS] = {9, 8, 7, 6}; //к каким выводам подключаем управление столбцами
//передаем все эти данные библиотеке:
Keypad customKeypad = Keypad( makeKeymap(hexaKeys), rowPins, colPins, ROWS, COLS);
void setup(){
Serial.begin(9600);//запускаем отладочный вывод в монитор порта
}
void loop(){
char customKey = customKeypad.getKey();//записывем нажатый символ
if (customKey){//если что-то нажато
Serial.println(customKey);//выводим нажатый символ в монитор порта
}
}
Плюсы и минусы
Минусы
- Слишком много пинов нужно подключить для работы. Это довольна крупная проблема, если вы создаёте не калькулятор или кодовый замок, а более масштабный проект, в котором еще нужно задействовать огромное количество различных модулей — возможно им просто не хватит пинов.
- Слишком низкое качество выполнения модуля: никто вам не гарантирует постоянный стабильный сигнал. Оригинальные клавитуры выполнены не на очень высоком уровне, а если вы вообще сделали заказ на Aliexpress, то скорее всего, вам предстоит исправлять косяки китайских инженеров паяльником, чтобы добится стабильной работы.
- Используется дополнительная библиотека, которая также будет занимать память микроконтроллера, которой у него и так не очень много. Если вы пишите большой проект с множеством функций и вычислений и вам каждый байт на счету нужно считывать данные с клавиатуры вручную либо использовать аналоговую клавиатуру.
Плюсы
- Низкая цена
- Легко найти в продаже
Аналоговые клавиатуры
Принцип работы
В аналоговых клавиатурах для изменения уровня напряжения используются резисторы, а сигнал выходит по одному каналу, который подключается в, собственно, аналоговый пин на плате. Как всё устроено можно понять взглянув на следующую схему:

Подключение к плате
Подключение выполняется очень просто, но может изменятся в зависимости от конкретной клавиатуры. В этой статье я буду рассматривать пример использование этой китайской аналоговой клавиатуры с али.
Итак: аналоговый выход клавиатуры соединяем с любым аналоговым пином на плате, контакт VCC на плате соединяем с 3.3V(не смотрите на надпись на самой клавиатуре, которая гласит о 5V — это ошибка), а GND на плате с GND на модуле. Вы можете воспользоватся следующей схемой:

Написания скетча
Здесь не нужно использовать сторонние библиотеки, т.к. всё предельно просто и понятно. Вот собственно и сам код, который считывает нажатую кнопку и выводит её номер, от 1 до 16(слева на право, с верху в низ) либо 0 если ничего не нажато, в монитор порта.
unsigned const short int KEYPAD_PIN = 0;//аналоговый порт для клавиатуры
void setup() {
Serial.begin(9600);
analogReadResolution(10);//все аналоговые значение будут в диапазоне 0...1023
}
void loop() {
Serial.println(getPressedKeypadButton());//выводим номер нажатой кнопки в монитор порта
}
short int getPressedKeypadButton(){//считывает нажатия keypad`a
//возвращает значение от 1 до 16 в зависимости нажатой кнопки или 0 если ничего не нажато
const int OCCURACY = 5;//ошибка в точности определения значений
int sensorValue = analogRead(KEYPAD_PIN);//читаем значение с датчика
int keys[] = {1016, 937, 860, 794, 683, 641, 604, 571, 509, 485, 464, 444, 407, 328, 275, 236};//массив примерных значений для клавиш(0-15, где 0=1, 1=2 и т.д.)
if(sensorValue > -OCCURACY && sensorValue < OCCURACY){return 0;}//если ничего не нажато, то сразу возвращаем 0
for(short int i = 0; i < 16; i++){//проверяем в цыкле с каким по номеру элементом массива совпадает значение с датчика
if(sensorValue > (keys[i] - OCCURACY) && sensorValue < (keys[i] + OCCURACY)){
return i+1;//возвращаем на один больше, т.к. при проверке у нас 0 считается первой кнопкой, но для удобства 0 будет отсутсвием сигнала
}
}
}
Плюсы и минусы
Плюсы
- Очень простое подключение
- Занимает лишь один пин
- Экономит память, которую вы не тратите под библиотеку
- Обеспечивает стабильную работу(при условии, если вы не будете нажимать более одной кнопки одновременно)
Минусы
- Стоит дороже матричных клавиатур
- Скорее всего единственным способом покупки будет заказывать с Китая и доставка займёт какое-то время
Итоги
Лично я рекомендую использовать именно аналоговые клавиатуры, так как они чаще-всего более качественные и подключать их проще-простого. Главное обращать внимание на таблицу значений нажатых кнопок, которую предоставляет производитель или же, если таковой нет, можно сделать эти замеры самостоятельно, выводя значения из аналогового порта в монитор порта, чтобы потом использовать их в коде. Но выбор, всегда остается за Вами: использовать стандартный дешёвый вариант либо переплатить ради значительных плюсов в некоторых ситуациях.
На этом у меня всё. Оставляйте свои вопросы в комментариях, пишите своё мнение и встретимся на просторах !
Автор: IcticStep
