Привет! Продолжаем изучать микросхемы стандартной логики, позволяющие делать многие интересные и полезные вещи без микроконтроллеров, которые в последние годы подорожали и стали дефицитными.
Сегодня изучим и соберём четыре интересные схемы, первой из которых триггер пригодился бы, а в трёх остальных они имеются и являются основой. Это будут машина для голосования, дежурный светильник, светодиодная свечка и кодовый замок.
▍Машина для голосования
Первая из сегодняшних поделок зажигает светодиод только при условии, что одновременно нажаты две кнопки. Любые две из трёх, либо все три. Таков принцип голосования: решение принято, если за него проголосовало большинство.

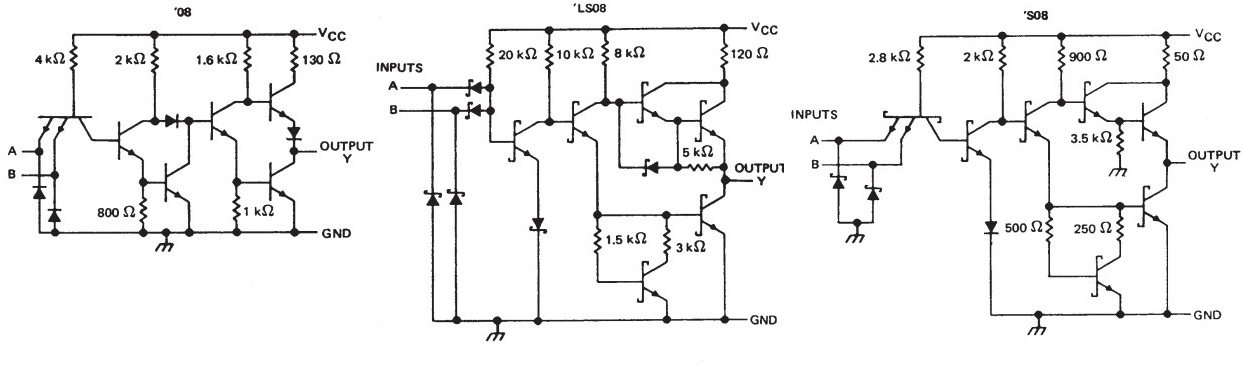
Схема использует три логических элемента 2И микросхемы 74LS08, она же К555ЛИ1. Входы каждого из них обрабатывают три возможных пары из трёх кнопок — первая и вторая, вторая и третья, первая и третья.
74 и 555 являются сериями микросхем ТТЛ — транзисторно-транзисторной логики. В 7408 используются транзисторы структуры NPN и обычные кремниевые диоды. В 74S08 применены диоды Шоттки и транзисторы Шоттки. В 74LS08 отказались от многоэмиттерных транзисторов и фактически вернулись к диодно-транзисторной логике ДТЛ, при сохранении традиционного названия ТТЛ.

Транзистор Шоттки представляет собой комбинацию биполярного транзистора и диода Шоттки. Входной ток, который управляет базой транзистора, имеет два пути: один путь в базу, а другой путь через диод Шоттки в коллектор. Когда транзистор открыт, на его переходе база-эмиттер будет около 0,6 В. Как правило, напряжение коллектора будет выше, чем напряжение базы, и диод Шоттки будет смещён в обратном направлении.

Если входной ток увеличивается, то напряжение коллектора падает ниже напряжения базы, и диод Шоттки начинает проводить и шунтировать часть управляющего тока базы в коллектор. Транзистор сконструирован таким образом, что его напряжение насыщения коллектора меньше, чем напряжение база-эмиттер (примерно 0,6 В) за вычетом прямого падения напряжения на диоде Шоттки (примерно 0,2 В).
Следовательно, избыточный входной ток отводится от базы, и транзистор никогда не переходит в режим насыщения, после которого требуется время для того, чтобы рассосались неосновные носители заряда (время восстановления). Благодаря этому, транзистор Шоттки позволяет создать более быстродействующие микросхемы, чем построенные на обычных транзисторах.
Входы элементов 2И подтянуты к земле резисторами 1 кОм, а нажатая кнопка подтягивает соответствующие входы к плюсу питания.
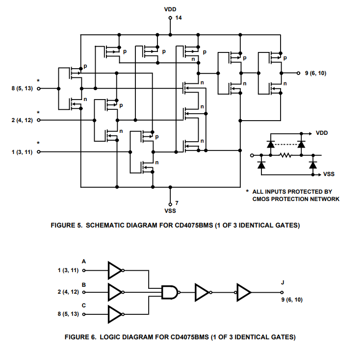
С выхода каждого элемента 2И логический сигнал поступает на вход элемента 3ИЛИ микросхемы CD4075. Получается, что выход CD4075 включит светодиод и откроет транзистор, включающий зуммер, когда хотя бы на один из трёх входов поступит логическая единица. То есть когда нажаты две или три кнопки.
CD4075 — это уже микросхема не ТТЛ или ДТЛ, а КМОП (СMOS), — комплементарной металл-оксид-полупроводник — логики. Это внутренняя структура микросхемы без резисторов, на комплементарных парах P-канальных и N-канальных полевых транзисторов с изолированным затвором. Входы микросхемы, а, соответственно, затворы транзисторов, защищены от статических разрядов и перенапряжения диодами.
В статье про другую КМОП микросхему серии К561, или CD40, мы уже видели такую, на первый взгляд, странную внутреннюю логику, где каждый логический элемент, в том числе буфер-повторитель, является инвертирующим.

На самом деле тут нет ничего удивительного. Транзисторный каскад с общим эмиттером или общим истоком, в том числе двухтактный, как в микросхеме СMOS логики, инвертирует сигнал. Высокий логический уровень на входе каскада создаёт низкий уровень на выходе, и наоборот.
Потому буфер реализован двумя последовательными инверторами, а логический элемент с неинвертирующим выходом — инвертором после инвертирующего.
Недостатком этого устройства на случай, если бы оно применялось для реального голосования, является отсутствие фиксации результата. Здесь как раз пригодился бы триггер.
▍Реле времени на ждущем мультивибраторе
Следующая конструкция — также не триггер, а моностабильный мультивибратор, или одновибратор. Он выдаёт не последовательность импульсов, а всего один импульс определённой длины при поступлении импульса на вход.

Если коснуться сенсора, подключённого ко входу запуска — ноге 2 интегрального таймера NE555, его выход — вывод 3 — переходит в состояние высокого логического уровня. В результате гаснет «дежурный» красный светодиод и загораются 5 белых осветительных.
Также закрывается встроенный в микросхему транзистор, шунтировавший электролитический конденсатор С3. Когда он зарядится через резистор R2 и подстроечный резистор VR1 до двух третей напряжения питания, сработает встроенный компаратор 2, и сбросит встроенный триггер таймера NE555.

Яркие белые светодиоды погаснут, и загорится красный дежурный светодиод. Одновременно с этим активируется выход 7 с открытым коллектором, через который практически моментально разряжается электролитический конденсатор С3.
Конденсаторы C1 и C2 защищает входы компараторов от помех. Время зарядки конденсатора С3, а, соответственно, яркого белого свечения, зависит от его ёмкости и положения бегунка переменного резистора, и в данной схеме может составлять от 3 до 130 секунд. Такое устройство можно использовать для освещения шкафа, электрического щитка или подсобного помещения.
В предыдущей статье мы собирали гитарный эффект, одним из узлов которого является электронный переключатель на транзисторном триггере Т-типа. При каждом нажатии кнопки без фиксации он переключается между двумя фиксированными состояниями. А в интегральном таймере NE555 имеется RS-триггер и два компаратора.
Компаратором называется схемотехнический узел, на выходе которого высокий логический уровень, если напряжение на неинвертирующем входе выше, чем на инвертирующем, и низкий, если наоборот.
Выход RS-триггера переключается в состояние высокого логического уровня при высоком уровне на входе S — Set, установка. И, соответственно, в состояние низкого логического уровня выход триггера переходит при высоком уровне на входе R — Reset, сброс.
▍Светодиодная свечка
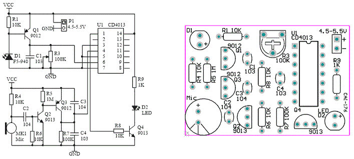
Эта электронная игрушка имитирует поведение настоящей свечи. Светодиод загорается, если на инфракрасный фотодиод попадает тепловое излучение пламени спички или зажигалки, (на ИК пульт от любой техники реагирует также), и гаснет, если подуть в микрофон.

Сердцем схемы является половина микросхемы CD4013, она же К561TM2. Это сдвоенный триггер D-типа (подробнее работу таких триггеров мы описали здесь), имеющий, кроме входов данных и синхронизации, ещё и асинхронные входы установки и сброса. То есть, он может работать и в режиме RS-триггера, который и задействован в электронной свечке.
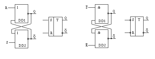
Простейший RS-триггер можно реализовать не только на двух транзисторах, как в схеме обхода гитарных педалей BOSS, но и на двух логических элементах 2И-НЕ, (7400 и первая советская логическая микросхема К1ЛБ533, впоследствии широко известная и всеми любимая К155ЛА3, с которой у многих из нас начался путь в цифровую электронику), а также 2ИЛИ-НЕ (7402, К155ЛЕ1).

Триггер на 2ИЛИ-НЕ будет иметь неинвертирующие входы. Рассмотрим его работу, начиная c логической единицы на выходе. Она представлена высоким уровнем напряжения на неинвертирующем выходе и низким — логическим нулём — на инвертирующем выходе.
На схеме инвертирующие входы и выходы логических элементов обозначены кружками, а схемотехнического узла, в данном случае триггера, — чёрточкой над буквой.
Если на вход сброса подать логическую единицу, на выходе DD1 будет НЕ (1 ИЛИ 1) = 0. То есть, неинвертирующий выход триггера переключится в ноль. Если на входе установки в это время низкий уровень, инвертирующий выход DD2 переключится в НЕ (0 ИЛИ 0) = 1.
А если на входе установки высокий уровень, инвертирующий выход переключится в НЕ (0 ИЛИ 1) = 0, соответственно, при низком уровне на входе сброса неинвертирующий выход переключится в НЕ (0 ИЛИ 0) = 1.
Если на обоих входах логические нули, то состояние триггера не изменится. Но если подать логические единицы на оба входа, то на обоих выходах — инвертирующем и неинвертирующем будет ноль. Поздравляю, мы взломали одноступенчатый триггер на двух элементах И-НЕ.
Триггер на 2И-НЕ будет обладать инвертирующими входами.
Если на вход сброса подать логический ноль, на инвертирующем выходе DD2 будет НЕ (0 И 1) = 1. Тогда при единице на входе установки на неинвертирующем выходе DD1 будет НЕ (1 И 1) = 0.
Если теперь подать низкий уровень на вход установки, на неинвертирующем выходе DD1 будет НЕ (0 И 1) = 0. Соответственно, на инвертирующем выходе DD2 будет НЕ (0 И ?) = 1, вне зависимости от состояния входа сброса.
Высокие уровни на обоих входах не изменяют состояния триггера. Но если подать на оба входа низкие уровни, то оба выхода переключатся в единицу. Увы, этот триггер тоже сломался.
Чтобы избежать возникновения запрещённых состояний, используются триггеры более сложных типов, например, синхронный D-триггер, речь о котором пойдёт далее.
На схеме электронной свечки сигнал установки приходит на ногу 6 микросхемы CD4013 с однокаскадного усилителя постоянного тока (УПТ), выполненного на PNP-транзисторе Q1. На вход УПТ подключён инфракрасный фотодиод D1.

Керамический конденсатор C3 фильтрует возможные высокочастотные помехи. Подстроечным резистором R3 можно регулировать чувствительность фотодатчика, шунтируя выходной сигнал УПТ.
R3 является коллекторной нагрузкой Q1, включённого по схеме с общим эмиттером. Если выкрутить R3 в ноль или около того, Q1 мог бы сгореть под действием черезмерного коллекторного тока. Но сигнал фотодиода слабый и кратковременный, а коллекторный ток не превышает произведения коэффициента усиления H21э и тока базы, потому вероятность такого развития событий крайне низка.
К тому же бессмысленно делать R3 нулевым или околонулевым, ведь тогда зашунтированный вход триггера не получит сигнала с УПТ. Тем не менее, подстроечные резисторы, которые можно установить в опасное для схемы положение, в китайских модулях и конструкторах периодически попадаются, потому следует их изучать, прежде чем включать и крутить.
Сигнал микрофона поступает на вход сброса триггера, — ногу 4 микросхемы, — через двухкаскадный усилитель низкой частоты — УНЧ — с непосредственной связью между транзисторами разных типов проводимости.
Оба транзистора УНЧ включены по схеме с общим эмиттером. Второй каскад на Q3 почти полностью повторяет однокаскадный УПТ на Q1. Резистор R4 подаёт напряжение смещения, необходимое для питания малогабаритного электретного микрофона MK1, а конденсатор С2 не пропускает это постоянное смещение на вход первого каскада УНЧ, — базу транзистора Q2.
С неинвертирующего выхода триггера — ноги 1 микросхемы — логический сигнал поступает на вход УПТ на NPN транзисторе Q4. Данный УПТ зажигает светодиод D2.
Резистор R8 ограничивает ток базы транзистора Q4, включённого по схеме с общим эмиттером. Ток светодиода зажается резистором R9.
Авторы набора могли бы сэкономить один резистор. Если переставить R9 в эмиттерную цепь транзистора, базовый резистор R8 можно было бы не устанавливать, так как это был бы уже каскад с общим коллектором, он же эмиттерный повторитель.
Так как на входе УПТ может быть либо логический нуль, либо логическая единица, усиление по напряжению нам не нужно, а требуется только усиление по току, с которым эмиттерный повторитель прекрасно справляется. Входное сопротивление повторителя высоко, и ограничивать ток базы резистором не требуется.
Сэкономленный резистор 10 кОм можно было бы подключить последовательно с R3, чтобы «железно» предотвратить «запрещённые» состояния схемы.
Надо отметить, что в радиоконструкторах китайцы иногда намеренно делают недоработки и ошибки, потому что изначально разрабатываются такие наборы с целью обучения школьников и студентов, и уже потом попадают на Алиэкспресс.
Лично я никогда не использую схему с общим эмиттером там, где с таким же успехом будет работать схема с общим коллектором, более предсказуемая и помехоустойчивая.
Но если транзистор у нас не биполярный, а полевой, то сопротивление в цепи затвора необходимо, чтобы не сжечь выход микросхемы импульсным током его перезарядки.
Да, затвор полевого транзистора не только боится пробоя перенапряжением и статическим разрядом, но и способен перегрузить или сжечь своим током тот схемотехнический узел, что является его драйвером.
Именно потому мощным полевым транзисторам требуются мощные драйверы и особенно ценятся мосфеты, имеющие малую ёмкость затвора. В импульсных схемах при заваленных фронтах управляющего напряжения во время перезарядки затвора между стоком и истоком не полностью открытого полевого транзистора падает лишнее напряжение, что ведёт к его нагреву и снижению КПД устройства.
А если плата имеет плохую трассировку, и дорожка между драйвером и затвором имеет значительную индуктивность, получается вообще «песня» — в прямом смысле высокочастотный звон образовавшегося LC-контура, который может натворить немало неприятных сюрпризов. Потому продолжаем изучать основы и тонкости электроники.
▍Кодовый замок
В схеме данного электронного замка функционал четырёх синхронных D-триггеров двух микросхем К561TM2 используются уже в почти полном объёме. Не задействованы только инвертирующие выходы трёх и входы установки S всех триггеров, которые заземлены, чтобы избежать нештатных состояний.

Первый триггер U1A получает на вход данных D логическую единицу с плюса питания. Он пропустит её далее, на вход следующего триггера, только тогда, когда на синхронизирующий вход придёт импульс с кнопки S1. Кнопка подтянута к земле резистором R1.
Далее, чтобы сигнал логической единицы дошёл до неинвертирующего выхода последнего триггера U2B, нужно последовательно нажать кнопки S4, S7 и S9. Тогда загорится светодиод, который на данном лабораторном макете символизирует открытие замка.
Если нажать любую из кнопок S2, S3, S5, S6, S0, триггеры U1A, U1B и U2A сбросятся, и код придётся вводить с нуля. А кнопка S8 закрывает замок, сбрасывая U2B.
Элемент И-НЕ микросхемы К155ЛА3, или СD4011, используется в качестве логического инвертора. Когда замок открывается, инвертированный сигнал с инвертирующего выхода триггера U2B сбрасывает все три предшествующих ему триггера.
Таким образом, закрыть замок можно кнопками S9 и S8. Остальные кнопки не влияют на последний триггер.
Конденсатор С1 служит для защиты шины сброса триггеров от возможных помех.
Вместо целой микросхемы, можно было использовать обычный импульсный диод 1N4148 с неинвертирующего выхода U2B на входы сброса, оставив на месте резисторы R6 и R7. Также с помощью диодов можно было бы сделать так, чтобы и S8, и S0, S2, S3, S5, S6 и сбрасывали набранный код, и закрывали замок.
Ещё c применением диодов можно сделать, чтобы S1 сбрасывала U1B, S4 — U2A и S7 — U2B. Это будет защитой от набора правильных цифр в неправильной последовательности.
▍Видео сборки и работы схем
Напишите в комментариях, как можно усовершенствовать и применять изученные сегодня схемы. Спасибо за внимание!
Автор: Гитарная электроника
