Мне нравится подход Kincony к своей работе — видно, что они занимаются любимым делом, никого не стесняются и ни в чём не отказывают своему креативу: на этот раз они сделали то, чего не делал никто до них — установили прямо на плату контроллера 16 «кондовых» тумблеров. С технической точки зрения это решение спорное, но, надо отдать им должное, выглядит E16P очень круто и брутально.
Это уже ближе к натуральному киберпанку и если вы установите такого красавца в свой электрощит, то, несомненно, станете звездой легендой местных электриков (смайл).
Разумеется тумблеры — это не единственное достоинство KC868-E16P, о прочих характеристиках и нововведениях E16P мы поговорим далее в этой статье.
❯ Линейка E16P
Если кто ещё не является постоянным читателем моего блога и не в курсе разветвлённой иерархии линеек контроллеров Kincony, поясню: KC868-E16P является представителем линейки «блоков реле, совмещённых на одной плате с контроллером» KC868-E16S, KC868-E16T и KC868-E16P.
В целом эти контроллеры очень похожи и различаются некоторыми деталями. Более подробно эти различия можно увидеть в следующей таблице.
Из анализа этой таблицы можно сделать следующие выводы. E16S является базовой моделью линейки, принадлежит к «первому поколению», и обеспечивает базовый функционал гибридного решения «блок реле + контроллер».
«Фишкой» модели E16T (второе поколение) является поддержка технологии Tuya и использование модуля ESP32-WROOM-32UE с возможностью подключения внешней антенны.
А герой этого обзора KC868-E16P принадлежит к третьему поколению является модернизацией начальной версии E16S. Основные различия: добавление поддержки POE, два разъёма интерфейса I2C (внутренний и внешний) и вышеозначенные «брутальные тумблеры».
Разбивка на поколения является условной и определяет выход моделей контроллеров примерно с разницей в один год. В целом, чем больше номер поколения, тем «современнее» сделан и выглядит контроллер.
Кроме того, в E16P используется дополнительная плата второго этажа, что тоже характерно для моделей контроллеров Kincony третьего поколения.
❯ Внешний вид
К описанию внешнего вида KC868-E16P мне добавить нечего — всё видно невооружённым взглядом. Ещё раз отмечу только виртуозное использование плат второго этажа (и металлических крышек в некоторых моделях), которое кардинальным образом улучшает внешний вид и «экстерьер» новых контроллеров.

Крупным планом фрагмент с разъёмами для подключения внешних антенн, Ethernet разъёмом и местом для установки POE модуля (об этом подробнее ниже).

Вид сбоку на всю конструкцию. Плата второго этажа крепится на несколько латунных стоек, а с материнской платой она соединяется при помощи двух разъёмов.

Плата второго этажа отдельно от материнской платы. Вся конструкция крепится винтами на восемь стоек и держится практически монолитно с основной платой.

❯ Схемотехника
Вид на основную плату контроллера сверху. Всё видно как на ладони. Реле здесь применяются съёмные и их при желании (или необходимости) можно отключать от платы без пайки.

Обратная сторона платы. Тут без комментариев, возможно только не помешали бы пропилы в плате возле высоковольтных контактов.

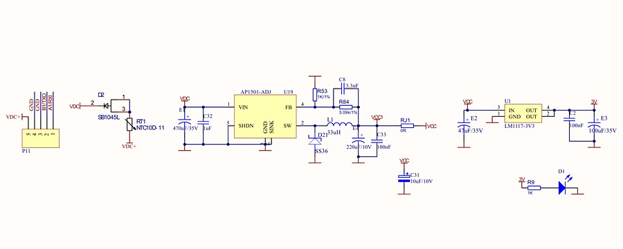
Питание
В подсистеме питания используется микросхема понижающего DC-DC преобразователя AP1501 (3 А) для формирования напряжения 5 В и линейный регулятор LM117-3V3 для формирования напряжения 3,3 В. Тут же присутствует светодиодный индикатор наличия питания.

Ядро ESP32
Распиновка ESP32 почти полностью соответствует распиновке базовой модели KC868-E16S за исключением отсутствия подключения пьезокерамической пищалки (IO2). Кстати, на официальной схеме допущена ошибка — на самом деле на плате нет ни пищалки, ни места для её установки.

USB/CH340
Подсистема подключения к компьютеру и программирования контроллера. Здесь применён полноразмерный USB разъём, что неплохо, поскольку сломать его при подключениях будет проблематично. Далее идут CH340C и две кнопки — «RESET» и «DOWNLOAD».

Цифровые входы (DI)
KC868-E16P имеет 16 цифровых оптоизолированных входов на оптронах EL3H7 (EL357). Взаимодействием с ESP32 занимаются два расширителя цифровых входов/выходов c I2C интерфейсом PCF8574P. На плате присутствуют кнопки тестирования входов, что повышает удобство пользования контроллером.

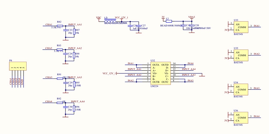
Аналоговые входы (ADC)
KC868-E16P имеет два аналоговых входа 0–5 B и два входа 4-20 мА. Формирование сигналов производится входными каскадами, счетверённым операционным усилителем LM224 и диодами Шоттки BAT54S. Тут же формируется напряжение VCC_12V_1.

Реле

Обслуживанием работы 16-и реле занимаются 3 микросхемы 74HCT14 с инвертирующими триггерами Шмитта и 3 микросхемы ULN2003A с матрицами транзисторов Дарлингтона. На плате (второго этажа) присутствуют индикаторные светодиоды, сигнализирующие о текущем состоянии реле.

Взаимодействие с микроконтроллером ESP32 осуществляется при помощи двух расширителей цифровых входов/выходов c I2C интерфейсом PCF8574P.
Реле имеют по 2 контакта (NO и COM) и могут при необходимости заменяться без пайки. Соединение с платой второго этажа, на которой установлены тумблеры и светодиодные индикаторы состояния реле, производится при помощи разъёмов P13 и P14 (см. схему).
RF 433 МГц

На плате E16P мы видим разъём для подключения модуля приёмника 433 МГц. По какой-то причине компания Kincony часто игнорирует вторую часть беспроводной подсистемы в виде передатчика 433 МГц. Хотя, на мой взгляд, логичнее было бы поставить и приёмник и передатчик.

Ethernet
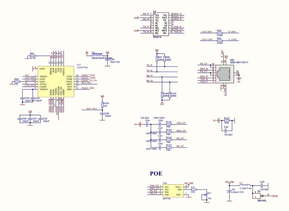
В E16P используется типовая для Kincony схема Ethernet интерфейса на чипе LAN8270A, дополненная возможностью подключения POE модуля DP9700 или совместимого.

Внешний вид POE модуля, установленного в плату E16P.

В обозреваемом контроллере могут использоваться две версии POE модулей:
- DP5312 (12V, 2A) для 12-вольтовых реле
- DP5324 (24V, 1A) для 24-вольтовых реле
Примечание. Читатели моего блога в комментах высказывали сомнения в корректности схемотехники POE на контроллерах Kincony и утверждали, что это может привести к выходу из строя подсистемы Ethernet. Я этого пока не проверял и не могу это ни опровергнуть, ни подтвердить.
RS485
Интерфейс RS485 в имплементации микросхем драйвера интерфейса MAX13487EESA и буфера 74LVC1G125 — места на плате занимает немного, а возможностей для реализации различных проектов по автоматизации добавляет изрядно.

I2C
В модели KC868-E16P реализованы два I2C разъёма, один внутренний, а другой — внешний. Это позволяет подключать к контроллеру любые дополнительные I2C-совместимые компоненты (например, дисплей или датчики) и значительно расширять функционал контроллера.

Serial
Многофункциональный внешний разъём «Serial», «HMI», «GSM» и т. д. Под этими мудрёными обозначениями скрывается разъём Serial интерфейса, к которому можно подключать различное дополнительное оборудование (RX/TX).

❯ Распиновка
Подробная исправленная распиновка контроллера KC868-E16P, которая даёт исчерпывающее представление о том, что и как подключено к ESP32 на плате.

❯ Схема внешних подключений
Немного окультуренная схема внешних подключений контроллера KC868-E16S от производителя (первый этаж).

Компоненты, находящиеся на плате второго этажа, в том числе эпатирующие публику брутальные тумблеры.

❯ Заключение
Ещё один контроллер Kincony из пула 40+ контроллеров на ESP32. Для праздных эстетов и техно-фетишистов — прекрасный образчик киберпанк-гаджета с неповторимой харизмой, а для практиков-атоматизаторов — отличный инструмент для решения их IoT задач (главное, чтобы задача соответствовала ТТХ контроллера).
Автор: smart_alex
