
В третьей части автор оригинальной статьи рассуждает о Зеленограде, памяти и смысле миниатюризации на пальцах.
Disclaimer: огда-то давно и сам баловался написанием статей про изготовление чипов, а в серии статей «Взгляд Изнутри» даже заглядывал внутрь оных, т.е. тема мне крайне интересна. Естественно, я бы хотел, чтобы сам автор оригинальной статьи опубликовал её на Хабре, но в связи с занятостью он разрешил мне перенести её сюда. К сожалению, правила Хабра не разрешают прямую копи-пасту, поэтому я добавил ссылки на источники, картинки и немножко отсебятины и постарался чуть-чуть выправить текст. Да, и статьи (1 и 2) по данной теме от amartology знаю и уважаю.
Краткое содержание предыдущих серий
Итак, что ж мы узнали из первой и второй части?
До начала 2000-х главным приоритетом при производстве микросхем для вычислительной техники было снижение размеров элементов (транзисторов). Миниатюризация позволяла вмещать больше транзисторов на кристалл, что снижало среднюю стоимость одного транзистора в микросхеме и позволяло повышать тактовые частоты, а также интегрировать больше функционала в один кристалл. Последнее снижало необходимость обращения вовне к медленной внешней шине. Размер транзисторов почти линейно коррелировал с так называемой нормой техпроцесса: при уменьшении технормы в 2 раза линейные размеры транзисторов также уменьшались в 2 раза, а площадь — в 4 раза. Физическая структура самих транзисторов при этом не менялась, просто сокращались размеры.
С начала 2000-х стали сказываться физические ограничения. Размеры транзисторов перестали линейно зависеть от технормы. И чем меньше нанометров заявлялось в техпроцессе, тем слабее это сказывалось на реальных размерах элементов. Каждый шаг в снижении размеров технормы теперь сопровождался изменением физики процесса. Кроме того, по мере миниатюризации стали проявляться побочные эффекты в виде увеличения токов утечки и увеличении паразитного энергопотребления. Это поставило крест на дальнейшем увеличении тактовых частот процессоров. В течении 2000-х тихим сапом произошла смена приоритетов. Теперь главной задачей конструкторов стало не уменьшение размеров транзисторов, а снижение токов утечки. Результатом такой политики стал переход от плоских транзисторов к объемным.
Одним из проявлений усложнения техпроцессов стало увеличение стоимости кристалла с каждым сокращением технормы. Себестоимость производства чипов меняется по одному и тому же графику — сразу после выхода нового техпроцесса цена максимальная из-за низкого выхода годных микросхем, затрат на проектирование и оптимизацию. По мере отладки производства себестоимость снижается, выход годных микросхем увеличивается. Минимальная цена в конце цикла — перед снятием с производства. Раньше стоимость микросхемы, например, по техпроцессу 3 мкм и по 1,5 мкм, была одинаковой на одной и той же стадии жизненного цикла. А поскольку число транзисторов на той же площади вырастало в 4 раза, то цена одного транзистора снижалась в 4 раза.

После перехода ниже 130 нм себестоимость чипов стала расти из-за усложнения техпроцессов. Однако, из-за увеличения плотности транзисторов себестоимость в пересчёте на один транзистор продолжала снижаться. Так длилось до технормы 28/32 нм. Дальше каждый шаг давался всё с большим удорожанием чипа, а реальные размеры транзисторов сокращались всё меньше. В результате один транзистор на микросхеме с нормой 22 нм и ниже стоит дороже, чем на норме 28 нм (приплыли!).
О Зеленограде
Больше всего народ интересует, конечно, ситуация с российской микроэлектроникой. К сожалению, не силен в зеленоградских делах. Всё, что знаю, что в 2014-м «Микрон» закупил у французской STMicroelectronics технологическую линию на 90 нм перед самым кризисом. А затем самостоятельно оную проапгрейдил до норм 65 нм техпроцесса. Полагаю, французам это не очень понравилось. О переходе на 65 нм отчитались еще в конце 2014-го. Периодически производили на ней опытные партии. Пошли ли они в серию — не знаю (Прим.: вроде бы да — для памяти). Тем не менее, полусуверенные 65 нм в России есть.
Прим.: про Микрон отличный текст выдал BarsMonster, ещё немного тут, ещё пара статей (1 и 2) по теме от amartology.
Главная проблема в том, что 65 нм оказались не очень востребованы. Для основной продукции Микрона достаточно и 90 нм, и 180 нм, и даже — о, ужас! — полностью суверенных 250 нм. Некоторые микросхемы для оборонки до сих поры выпускают по технологиям 3 — 5 мкм (Прим.: особенно под космос, где важна надёжность, а не быстродействие). Просто чем больше размеры транзисторов, тем выше устойчивость к помехам и радиации. А сверхбольшие вычислительные мощности для специализированных микросхем, как правило, не нужны.
С другой стороны, производство современных процессоров выгоднее заказывать на Тайване и Китае по технормам 28 нм и ниже (прим.: и опять передаём привет Байкалу). В этом случае разработка архитектуры и топологии полностью российская, но само изготовление кристаллов происходит на тайваньских заводах. Многих смущает, что мол это не совсем наши процессоры получаются. В качестве успокоения можно сказать, что практически все мировые лидеры в такой же ситуации. Собственное полупроводниковое производство осталось только у Intel. Такие бренды, как AMD, Apple, NVidia, Qualcomm, IBM и прочие производятся на заводах TSMC или Samsung. Так, AMD в 2009-м вывел свое производство в отдельную компанию GlobalFoundries, которую купили арабы. Последние технормы они не осилили и отказались от участия в разработке 7 нм техпроцесса, сконцентрировались на «более зрелых» техпроцессах. Сейчас находятся в предбанкротном состоянии, которое намечено на 2024 год примерно, а инженеров готово забрать к себе IBM.
В конце 2018 в Микроне подтвердили свои планы создать в Зеленограде собственное производство на 28 нм. Производство планируют развернуть уже в 2022 году на новой, построенной с нуля фабрике. Реальность сроков под большим сомнением, хотя, конечно, было бы неплохо. 28 нм – это уже другой уровень и производства, и проектирования, позволяющий начать производство принципиально новых изделий. Но об этом ниже.
Вообще ситуация в российской микроэлектронике не такая тухлая, как может показаться. Если учесть, что 12 лет назад самый «тонкий» техпроцесс в стране был 800 нм, даже нынешние полностью российские 250 нм выглядят не так уж плохо. Есть слухи, что освоили технологию «растянутого кремния», перешли с 150 мм пластин на 200 мм, наладили выпуск собственных фотошаблонов. Главной проблемой останется недостаточный спрос и конкуренция с импортом, что никак не позволяет выйти хотя бы к нулевой рентабельности.
Ведутся попытки освоить что-то прорывное. Например, фотолитографию в глубоком ультрафиолете (EUV-литографию).
В этом смысле интересна история с голландской фирмой «Mapper Lithography» (BarsMonster писал о ней, а также статья от CorneliusAgrippa ). Фирма специализировалась на оборудовании и установках многолучевой электронной литографии (МЭЛ).
Электронная литография позволяет работать с разрешениями в доли нм, однако очень энергоемкая и медленная. С помощью нее делают фотошаблоны для оптической литографии. Обычно используют один пучок электронов, который облучает всю площадь. Использование МЭЛ позволяло бы существенно ускорить процесс, хотя и энергопотребление установки сильно возросло.
Голландцы пытались вывести МЭЛ в серийное производство. Хотя бы для мелкосерийных микросхем, где создание набора фотошаблонов не окупается. Т.е. где дешевле наносить рисунок сразу на кремний, чем делать набор масок, и потом штамповать микросхемы с помощью оптической литографии. И здесь Mapper нашел единомышленников в лице РосНано. В 2012-м заключили договор на постройку заводов в Москве и Питере. Завод в Москве был открыт в 2014 году и в тот же год начал выпуск электронных линз.
О прибыльности пока нет и речи, но сами технологии есть и развиваются. С учетом удорожания процессов фотолитографии, МЭЛ может со временем сравняться с ней по стоимости. К сожалению, инвестиции РосНано не спасли саму «Mapper Lithography». Компанию выкупила голландская же ASML – крупнейший в мире производитель фотошаблонов и систем фотолитографии. Направление МЭЛ закрыли, сотрудников Mapper распихали по другим направлениям (прим.: так как в EUV вбуханы такие бабки, что Голиаф не выдержит двоих). Сейчас в мире осталось всего 2 игрока, которые продолжают развивать МЭЛ – американская Multibeam и РосНано.
Где нужны маленькие нанометры?
Рассмотрим крупнейшего контрактного производителя микроэлектроники – тайваньский TSMC. Вот отчет за 2 квартал 2018:

Как видим, на самые тонкие процессы приходится только 38% выручки компании, а 19% приходится на 90 нм и больше. Немецкая X-FAB, например, вообще использует технологии только 130 нм и выше, и не страдает от этого.
Рассмотрим основные направления современной электроники:
- Силовая электроника. Здесь тонкие процессы не только не нужны, а даже невозможны. Поскольку они работают только на напряжениях в районе 1 В. Для силовой электроники требуются другие концентрации примесей и вертикальные размеры слоев. Само понятие норма техпроцесса имеет другой смысл. Она рассчитывается, не исходя из минимально возможного технологически, а вытекает из рабочих напряжений и плотности тока. Размеры силовых элементов рассчитываются исходя из пиковой силы тока.
Прим.: будучи на заводе ABB в славном городе Lenzburg, был приятно поражён тем, какой широкий ассортимент продукции они выпускают и как делают failure analysis битых преобразователей тока. - Промышленная электроника. Это различные промышленные микроконтроллеры и системы управления механикой. Как правило работают с напряжениями в пределах от нескольких вольт до десятков вольт. Рабочие технормы там обычно от 130 нм. Для промышленной электроники не требуется миллиардов транзисторов и каш-память в сотни МБ, т.к. выполняют обычно ограниченный набор операций. Микроконтроллеры более специализированы, чем микропроцессоры для вычислительных систем. Часть кода и инструкций там «зашиты» в сам кристалл на этапе изготовления, а не загружаются программно. Благодаря этому на родных операциях работают быстрее. Самое большое значение здесь имеет надежность.
- Военная, космическая и радиационно-стойкая электроника. Здесь технормы начинаются от 250 нм. Меньше просто нельзя, т.к. с уменьшение размеров транзисторов резко растет число сбоев от воздействия радиации и помех. Также как промышленная электроника, это, как правило, специализированные микросхемы с меньшими требованиями к производительности.
- Бытовая и автомобильная электроника. Аналоговые, аналого-цифровые схемы и цифро-аналоговые микросхемы. Тенденция здесь – объединение всего функционала (и цифрового и аналогового) в один кристалл. Кроме силовых транзисторов естественно. Например, однокристальные телевизоры. Проблема здесь в том, что, как правило, число требуемых транзисторов не велико. Для нормального функционирования устройства за глаза хватает десятков тысяч транзисторов. При технологиях меньше микрона вся занимаемая ими площадь – доли квадратного миллиметра. Часто контактные площадки под выводы занимают больше площади, чем сама логика. Поэтому и пытаются впихнуть в такие микросхемы все что можно – электронные часы с будильником, радиоприемник и прочие побочные функции в чип стиральной машинки. Себестоимость получается практически та же. Заморачиваться с маленькими нанометрами при таких раскладах смысла никакого. Тем более есть ограничения из-за наличия аналоговых биполярных транзисторов и заметных рабочих токов. Использовать меньше 90 нм даже в цифровой части нет смысла. Ситуация может измениться с распространением «интернета вещей» (IoT).
- RFID-метки. Это чипы для разных карт, электронных ключей, метки товаров. Состоит из небольшой микросхемы и пленочной антеннки. Микросхема сделана из репрограммируемой памяти на основе КМОП и управление наведенным питанием на биполярных транзисторах. Размеры кристалла меньше 1 мм2. Число транзисторов обычно невелико, постоянного питания нет. Поэтому требования к дешевизне одного транзистора и энергопотребление не актуальны. Главное – длительность хранения значения памяти в пассивном режиме. Как писал уже при нормах ниже 130 нм увеличиваются токи утечки, и, соответственно, в ячейках значение может быть утеряно. Техпроцесы ниже 90 нм не просто не актуальны, они вредны.
Прим.: разбор RFID есть тут, а скоро будет ещё немного гикпорна. - Вычислительная техника. Процессоры, память, контроллеры. По стоимости это львиная доля современного рынка электроники. Вот здесь действует правило: чем больше транзисторов в кристалле, тем лучше. В отличии от специализированных контроллеров здесь весь набор команд и инструкций загружается программно. Отсюда высокие требования к производительности – цена универсальности.
Российские предприятия в состоянии (прим.: с оговорками и натяжками) выпускать первые 5 групп микросхем, кроме IoT. Правда, по обороту рынка в деньгах они все вместе сильно уступают 6-й группе.
Смысл миниатюризации
Некоторые интересовались: а почему так важно впихивать максимум транзисторов на единицу площади? Что мешает сделать просто кристалл побольше или сделать 2 кристалла вместо одного.
Для вычислительной техники это очень важно. При современных частотах на размер кристалла имеется физическое ограничение. Это скорость света, оно же скорость распространения электрического сигнала. Скорость всего 300 млн метров в секунду. В процессоре с тактовой частотой в 3 ГГц электрический сигнал за такт пробегает 10 см. При этом, за такт транзисторы должны не только изменить свое состояние, но и должны устояться все переходные процессы. Для этого нужен запас минимум в 3 раза. Т.е. самый дальний транзистор в кристалле не должен быть дальше 3 см от тактового генератора. Генератор ставят в центре чипа, значит вся схема должна вписываться в круг радиусом 3 см от центра кристалла (можете проверить на своих ПК ;) ). Для кристалла квадратной формы получаем максимальный размер 4х4 см. Чем выше частота, тем меньше предельные размеры.
Теплоотвод. Чем больше размер кристалла, тем труднее отводить тепло с центральной части. А это чревато.
Чем меньше линейные размеры транзисторов, тем меньше паразитные емкости и быстрее проходят переходные процессы. Соответственно, выше быстродействие и ниже ток перезарядки.
Теперь почему один процессор с 4 млн транзисторов, например, лучше 4 процессоров по 1 млн транзисторов. Для начала вопрос цены. Кристалл с 4 млн транзисторов будет стоить ненамного дороже кристалла с 1 млн транзисторов. Поскольку создаются в едином техпроцессе. Кроме чипа микросхема состоит еще и из корпуса и золотых выводов из кристалла. А золото металл недешевый. Условно для 1-милионной микросхемы нужно 300 контактов (1200 для 4-х микросхем), для 4-милионной — 308. Выгода очевидна.
Потом 4 микросхемы будут между собой взаимодействовать через внешнюю шину, а она в разы медленнее тактовой частоты самого процессора (см. пункт про скорость света). Прим.: да есть решение от AMD с Infinity Fabric, но это отдельная тема. Получается, что 4 процессора могут работать только в режиме изолированных задач. В то время как 4 ядра внутри одной микросхемы могут работать как кластер, оперативно распределяя задачи и обмениваясь на тактовой частоте процессора.
Поэтому желание сделать транзисторы максимально мелкими, и запихать в кристалл все, что можно имеет под собой рациональное обоснование.
Перспективы
Получается, что с первыми пятью группами микроэлектроники в России все не так уж и плохо. Проблемы с рентабельностью и ценой, но технологические возможности имеются. С вычислительной техникой сложнее. Можно конечно сделать Байкал или Эльбрус по 65 нм технологии. Это эпоха Intel Pentium 4 (пичаль!). Вот только при таких мизерных сериях стоимость будет запредельной. Или, как вариант, продавать ниже себестоимости за счет бюджета. А на фига? Пока не прикрыли возможность, проще и дешевле производить на Тайване (что, собственно, и делается).
С выходом на мировой уровень и большие серии кажется беспросветный мрак. Но и здесь появился лучик света. Связан он с появлением новых типов электронной памяти. Чтобы объяснить, с чем связан оптимизм, придется слегка влезть в технические детали.
Основные типа электронной памяти
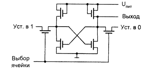
Статическая оперативная память или SRAM.
По сути это транзисторная схема на полевых транзисторах. Давно известные логические триггеры.

Стандартной является шеститранзисторная ячейка памяти. Хотя бывают и 8- и 10-транзисторные.

Благодаря перекрестной обратной связи внутри, она хранит свое состояние даже при отсутствии сигнала на входе. Пока есть питание конечно. Используются те же КМОП транзисторы, потребляют они только ток переключения при изменении значений. В статическом состоянии потребляется только паразитный ток утечки.
Плюсы – высокая скорость чтения и записи (на уровне тактовой частоты), низкое энергопотребление, четкость хранения значения, стандартная технология
Минусы – энергозависимость, большая занимаемая площадь на кристалле.
Используется обычно, как встроенная кэш-память процессора. Производят и отдельные микросхемы SRAM, но сейчас это скорее экзотика.
Динамическая оперативная память или DRAM.
Ячейка динамической памяти представляет из себя один слегка модифицированный КМОП-транзистор:

Отличие от стандартного МОП-транзистора в том, что контакт к стоку не подключается к шине, а трансформируется в небольшой плоский тонкопленочный конденсатор Металл – Диэлектрик – Кремний. Если конденсатор заряжен – логическая «1», не заряжен – логический «0». Все управление ячейками осуществляется схемой управления – контроллером. Ячейки памяти объединены в строки и столбцы, образуют плоскую матрицу. Строки объединяются затворами, столбцы истоками.
При записи на затвор подается напряжение, транзистор открывается. Если на исток от контроллера в этот момент подается напряжение, появляется ток и конденсатор заряжается. Нет напряжения, не заряжается. Запись идет одновременно на всю строку.
Чтение аналогично, только контроллер находится в режиме чтения. Подается напряжение на затворы. Если конденсатор был заряжен, потечет ток (логическая 1), если не заряжен, тока нет (логический 0). Считывается также вся строка разом. После считывания конденсаторы разряжаются, все ячейки устанавливаются в 0. Контроллер на основе полученных данный производит повторную запись строки.
На самом деле чтение и запись происходят постоянно, даже при отсутствии активности. Дело в том, что емкость конденсатора очень маленькая, он быстро разряжается, в течении миллисекунд или десятком мс. Поэтому фоном идет постоянная регенерация (чтение и повторная запись строк). Как только регенерация останавливается, в течении сотых долей секунды данные во всех ячейках обнуляются.
Плюсы динамической памяти – компактность.
Минусы – меньшее быстродействие, высокое энергопотребление, сложность управления, энергозависимость.
Однако несмотря на все недостатки, все модули оперативной памяти сейчас типа DRAM. Кроме редкой экзотики. Компактность все пересилила.
Репрограммируемая память, Flash-память и EEPROM.
Строится на основе полевых транзисторов с плавающим затвором:

Под управляющим затвором есть еще один, ни к чему не подключенный и окруженный со всех сторон диэлектриком – «плавающий затвор». Заряд попадает в плавающий затвор и влияет на формирование канала. Зарядам из плавающего затвора деваться некуда, поэтому ячейка сохраняет значение даже при выключенном питании. В зависимости от деградации окружающего диэлектрика заряд может храниться от нескольких месяцев до десятков лет.

В простейшем случае для получения единицы можно загнать положительный заряд, тогда транзистор будет все время открытым. В реале используют отрицательный заряд, который еще сильнее «запирает» канал.
Как происходит чтение. На управляющий затвор подается положительное напряжение чуть выше порогового. Если плавающий затвор разряжен, то в базе образуется канал и транзистор открывается – логическая «1». Если заряжен, то он компенсирует напряжение управляющего затвора, и канал не образуется. Транзистор закрыт, логический «0».
С чтением все просто. Главная проблема — запись. Нужно загнать заряд в изолированный затвор или снять его. В разное время использовали облучение ультрафиолетом, лавинный пробой, инжекцию высокоэнергичных электронов, туннельный пробой.
С лавинным пробоем понятно. Дают высокое напряжение, оно пробивает диэлектрик и заряжает плавающий затвор. Для разрядки пробой в другую сторону. Но лавинный пробой такая вещь, это как удар током для человека. Убить не убьет, но после 10-го раза здоровье может пошатнуться. Поэтому число циклов перезаписи было ограничено.
При инжекции электронов пробоя не происходит, просто под действием напряжения электроны с высоким уровнем энергии прорываются сквозь окисел и попадают в плавающий затвор (или из него). Минусы метода – длительность перезаписи и высокое напряжение.
По мере утончения слоев диэлектрика до единицы нм, появилась возможность заряжать и разряжать плавающий затвор с помощью туннельного эффекта. Электрическим полем смещаем энергетическую структуру слов так, чтобы напротив затвора оказывались или заполненные электронами уровни или свободные уровни. Тогда электроны туннелируют или туда, или обратно. Благодаря этому число циклов перезаписи достигло тысяч или десятков тысяч. Зависит от материала и качества диэлектрика.
Плюсы – энегронезависимость, компактность, приличная скорость чтения.
Минусы – длительное время записи, высокие напряжения записи, деградация по мере работы.
Используется в SSD устройствах и RFID-метках.
Прим.: кстати, флешку тоже пилили в своё время для опытов…
Магниторезистивная память, MRAM.
Новый тип памяти. По принципу работы похож на DRAM, но вместо электрического конденсатора используется магниторезистивная ячейка. Магниторезистивная ячейка – это структура, электрическое сопротивление которой зависит от направленности магнитных доменов.
Состоит из 2-х слоев ферромагнетика, между которыми тонкая (около 1 нм) пленка диэлектрика. Первый слой представляет ферромагнетик с постоянной намагниченностью, второй с переменной, так называемый свободный слой. Если домены первого и второго слоя расположены сонаправленно, электроны могут активно туннелировать черед диэлектрик, высокий туннельный ток. Если домены противоположно ориентированы, то туннельный ток на порядки слабее.
Схематически магниторезистивную ячейку можно представить, как резистор с двумя значениями сопротивления – высоком и низким. Свободный слой хранит вектор намагниченности неопределенно долго и без внешнего питания. То есть этот тип памяти энергонезависим.

С чтением все просто: подаем напряжение на затвор транзистора, через него и магниторезист начинает течь ток. Если сопротивление маниторезиста высокое, то слабый ток, если низкое, то сильный ток. По величине тока и определяется логический «0» или «1».

Проблемы опять с записью. Разрабатываются десятки способов, каждый из которых имеет свою аббревиатуру.
Изначально перезапись свободного слоя производилась сильным током. Но это высокое энергопотребление при записи. Плюс, в этом случае ячейку нельзя сделать меньше сотен нм, иначе перезаряжаться будут и соседние ячейки. Микросхемы памяти такого вида имеют емкость максимум 16 МБ.
Поэтому разрабатываются другие методы – локальным термическим нагревом, ступенчато, с использованием антиферромагнетиков, спиновым током. Последний вариант сейчас представляется самым перспективным. Физика там сложная, переходящая в квантовую механику. Поэтому замнём для ясности.
Еще одним достоинством MRAM является то, что магниторезистивные ячейки не требуют отчуждения места на кристалле. Они располагаются сверху, над КМОП структурой. Т.е. сначала формируем все слои КМОП, первые слои металлизации, все покрывается окислом. Потом сверху сплошняком первый слой ферромагнетика. Вытравливаем лишнее, затем то же со слоем диэлектрика и вторым ферромагнетиком. Получается очень компактная структура.
Магниторезистивная память сейчас считается самой перспективной. Некоторые даже заявляют, что с ее внедрением в серию вообще исчезнет разделение памяти на оперативную и постоянную. Будет просто память. В частности, операционку не нужно будет загружать, она сразу будет работать из памяти при включении питания. Как TR-DOS на Синклерах в старые добрые времена. Там ядро операционки работало из ПЗУ.
Какое место здесь занимает Россия. В разработке MRAM наши хоть и не лидеры, но на передней линии. Во всяком случае пока. Есть такая российская компания «Крокус Наноэлектроника», которая занимается памятью STT MRAM, т.е. MRAM переносом спинового момента (подробнее).
Это дает нашим производителям окно возможностей, чтобы пробиться на мировой рынок производителей микросхем для вычислительной техники. Окошко не очень большое, но оно есть. Нужна воля, деньги и собственные техпроцессы на 28 нм.
Заключение
Я считаю, что одна из наших главных проблем заключается в менталитете. Это привычка впадать в эмоции, опускать руки и заниматься самобичеванием. Вместо того, чтобы методично и целенаправленно работать. В микроэлектронике это проявляется особенно остро. Надо просто вспомнить старую русскую пословицу: глаза боятся, а руки делают.
Мировые лидеры уперлись в физические ограничения, отрасль от бурного роста переходит к медленному развитию. Прорывы типа квантовых процессоров пока на далеком горизонте. Ближе чем телепортация, но, скорее всего, не в нашей жизни. В ближайшие 20 лет среди игроков на поле микроэлектроники может кардинально смениться состав лидеров. Главное тут не щелкать клювом.
Не забудьте подписаться на блог: Вам не сложно – мне приятно!
И да, о замеченных в тексте недочётах просьба писать в ЛС.
P.S.: Минутка рекламы. В связи с последними веяниями «моды», хотел бы упомянуть, что МГУ открывает в этом году постоянный кампус (а учит уже 2 года!) совместного университета с Пекинским Политехом в Шеньчжэне. Есть возможность выучить китайский, а также получить сразу 2 диплома (IT-специальности от ВМК МГУ в наличии). Подробнее о ВУЗе, направлениях и возможностях для студентов можно узнать тут. Приём документов — до 10 июля!
Автор: Евгений
