
План:
-
Вступление.
-
Логические операторы.
-
Четвертьсумматор.
-
Полусумматор.
-
Полный сумматор.
-
Заключение.
Вступление
Здравствуйте, в этой статье я подробно расскажу о том, как можно собрать свой собственный 4-битный сумматор в игре «майнкрафт». Так что если вы далеки от радиоэлектроники, это отличный шанс узнать для себя что-то новое. WELCOME.
Обращаю внимание на то, что все приведённые схемы ниже - абсолютно рабочие и применимы в реальной жизни.
Логические операторы
Не для кого не секрет, что все процессы, которые протекают в компьютере это пачки логических нулей "0" и единиц "1". Но несмотря на такой скудный набор параметров это неплохой способ для управления всеми необходимыми компонентами компьютера.
Проще говоря:
0 (логический ноль) - тока нет
1 (логическая единица) - ток есть

И, так как мы имеем дело только с нулями и единицами, а нам надо сконструировать целую вычислительную машину, мы воспользуемся такими штуками, как логические операторы. Логические операторы - звучит страшно, но на деле это просто и интересно. Сейчас всё покажу:
Основных всего 3, а нам больше и не понадобится.
1. Оператор "НЕ"

Если на входе у нас нет тока, то на выходе ток будет. И наоборот, если на входе ток есть, то на выходе его не будет.
2. Оператор "ИЛИ"

Тоже простой оператор, в котором есть два входа по которым может идти ток, и какой бы рычаг мы не включили лампочка всегда будет гореть. То есть «или-или». При этом она так же будет работать если оба провода будут пропускать ток. И не работать если тока в них нет.
3. Оператор "И"

Данный оператор немного посложнее. Его реализация в майнкрафте выглядит вот так. Суть в чем: у него есть два входа по которым может идти ток, но лампочка загорится только в том случае, если оба провода будут проводить ток и никак иначе
Вот и всё, что нам понадобится для того, чтобы собрать сумматор любой битности.
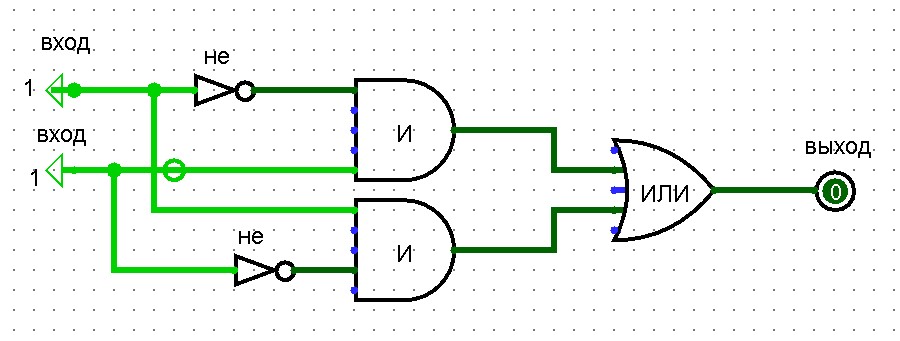
Четверть сумматор
Начнём с простого четвертьсумматора. Эта штука может суммировать числа без переноса в следующий разряд. То есть без переноса десятка.
У нас есть два входа, которые будут представлять из себя два числа, которые будут суммироваться между собой. Если лампочка горит значит сумма = 1, если лампочка не горит значит = 0.
Вот схема:

Она очень простая и придумать её может каждый. При суммировании единицы и нуля мы получаем единицу, при суммировании двух единиц мы получаем "ноль". Разумеется, без переноса десятка.
Воссоздав всю эту схему в майнкрафте, используя логические операторы рассмотренные ранее, мы можем получить готовый и полностью рабочий четвертьсумматор:

Но это лишь четвертьсумматор. Давайте соберём машину, которая сможет переносить десяток.
Полусумматор
Полусумматор - это уже штука, которая чем-то может напомнить калькулятор. Но всё таки он не полный и называется так, потому что не может учитывать перенос разрядов ( десятков ) других сумматоров.
Но реализовать перенос дело тоже не геморрное, и если посидеть подумать, то можно быстро его собрать.
У меня получилась такая схема:

Немного пошаманив с редстоуном мы получаем готовый полусумматор:

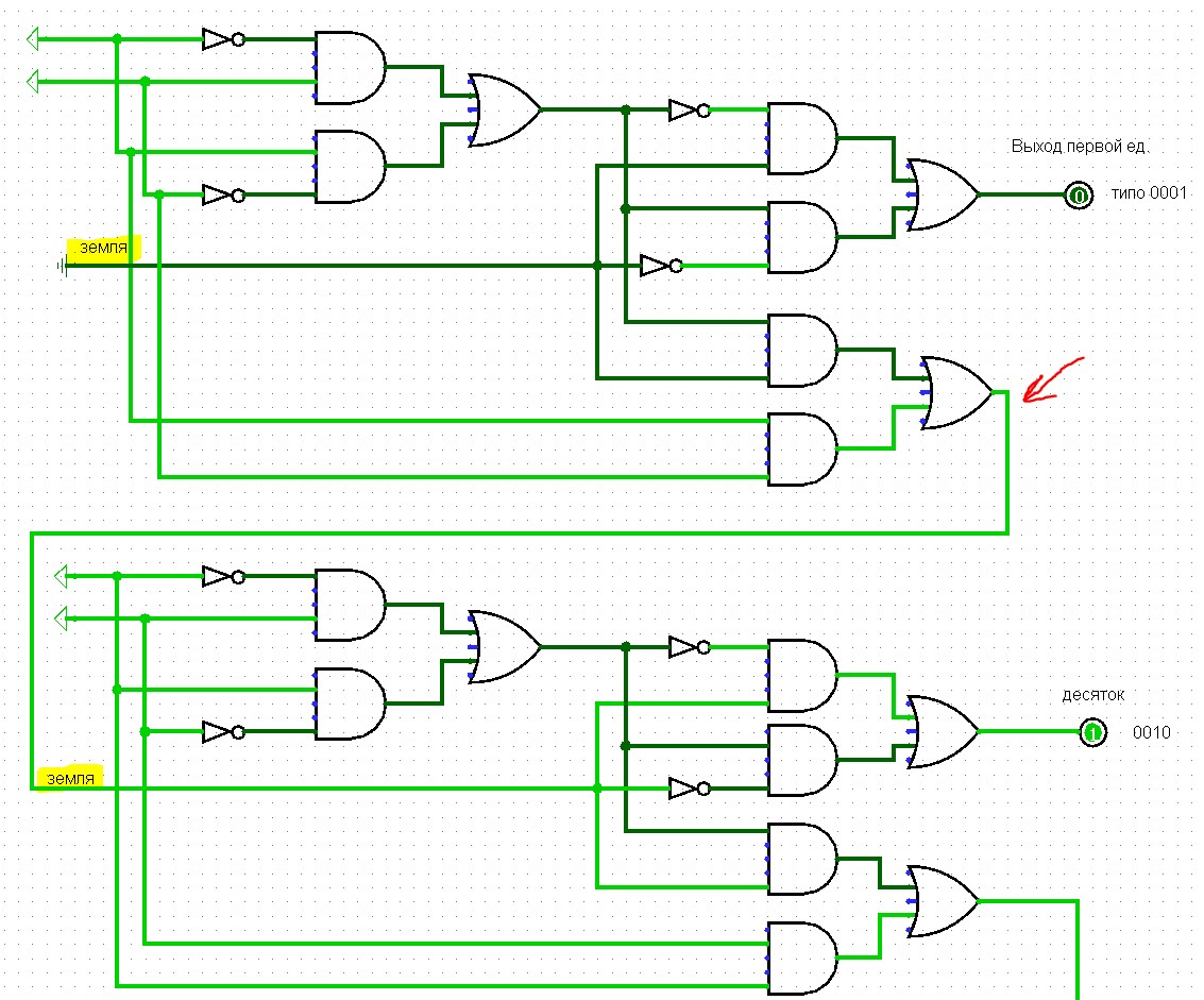
Четырёхбитный сумматор
4-битный сумматор - это просто последовательное соединение четырёх полусумматоров.Проблема появляется только от того, что в конечной версии его неудобно читать.Но как обычно, это всё поправимо.
Разберём принцип по которому оно все будет соединяться:

Это общий вид и как всё это дело должно подключаться. То есть вместо второй лампочки мы просто ведём наш провод и используем его в качестве «земли». Я это покажу на примере своей схемы:

Подключая таким последовательным образом мы увеличиваем битность нашего сумматора. То есть да, так можно делать до бесконечности.
Итоговая схема получается большая поэтому сюда я её не размещу (если размещу, всё равно ничего не будет понятно), но давайте посмотрим, что вышло в майнкрафте.

Сразу обращаю внимание на то, что я вывела все лампочки в правильном порядке, чтобы оно имело читабельный для человека вид.
Обращайте внимание на редстоун, потому что у него органичная дальность работы. Где-то 15 блоков от рычага. Так что ставьте повторители.

Заключение
Как итог могу сказать, что майнкрафт это отличная среда для подобных поделок. По крайней мере попробовать стоит.
Благодарю всех, кто дочитал эту статью до конца. В дальнейшем я выпущу ещё одну, но только уже про самодельный компьютер с шифратором, сумматором и дешифратором, а пока всем до свидания.
Автор: Антонина
