В статье предлагается вариант конструкции индикатора радиоактивности построенного, по большей части, из самых простых и широко распространенных деталей. Предлагаемая конструкция индикатора радиоактивности получает энергию от ручного электрогенератора, в качестве которого использован шаговый электродвигатель с редуктором. В устройстве использован датчик типа СТС-5.
Сейчас можно приобрести самые разнообразные модели индикаторов радиоактивности [1], а любители электроники разработали большое количество конструкций для самостоятельной сборки от несложных «трещалок» [2-6], до приборов, не уступающих заводским образцам [7-8]. Но большинство конструкции требуют для своей работы либо химического источника тока, либо подключения к электросети. Таким образом, в случае какой-либо по настоящему большой катастрофы многие из этих приборов либо сразу станут бесполезны, либо достаточно быстро исчерпают запас энергии в своих автономных источниках электропитании, замену которым будет сложно найти. Строго говоря, есть конструкция измерителя мощности дозы на базе электроскопа, которая в качестве источника энергии использует ПВХ-трубку и шерстяную ткань [9]. Но эта конструкция весьма требовательна к качеству изготовления и пригодна для оценки только очень больших мощностей дозы ионизирующего излучения, вроде тех которые возникают при выпадении радиоактивных осадков в первые часы и дни после ядерного взрыва [10].
Вообще индикатор радиоактивности потребляет относительно мало энергии, так что его питание можно осуществить от ручного электрогенератора, как это было реализовано в приборе ДП-62 [11].
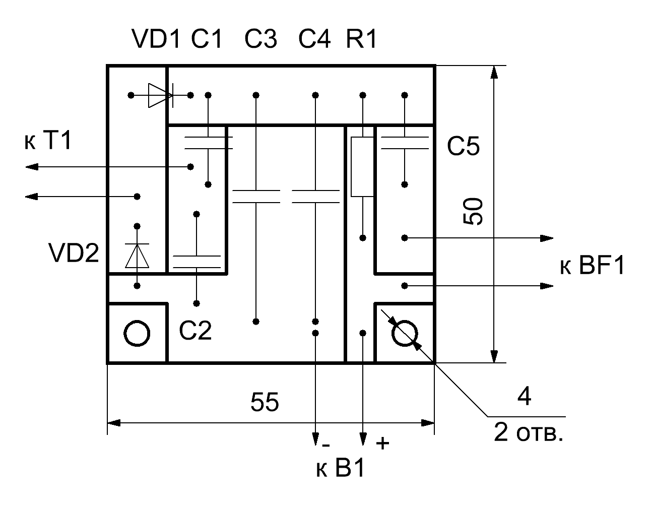
В качестве электрогенератора автор использовал шаговый электродвигатель от сканера CanoScan 4400F со штатным редуктором. Цветовая маркировка выводов электродвигателя показана на схеме. К электродвигателю подключен трансформатор Т1, который повышает напряжение, вырабатываемое генератором, до примерно 150-200 В (в зависимости от скорости вращения вала). Трансформатор взят готовый из радиолюбительских запасов автора, на нем присутствует маркировка 1.702.087-01. Первичная обмотка имеет сопротивление постоянному току около 30 Ом, а вторичная около 1500 Ом. После трансформатора напряжение поступает на вход удвоителя напряжения, собранного на конденсаторах С1- С2 емкостью 0,1 мкФ, рассчитанных на напряжение 630 В и диодах VD1-VD2 типа HER108. Удвоитель напряжения заряжает конденсаторы С3 и C4 типа К73-11 емкостью 0,47 мкФ, рассчитанные на напряжение 630 В. От них через резистор R1 типа МЛТ- 0,5 сопротивлением 2,7 МОм осуществляется питание счетчика Гейгера B1 типа СТС-5. Клеммы для подключения счетчика Гейгера B1 вырезаны из жести. Параллельно резистору R1 через слюдяной конденсатор С5 типа КСО-2 емкостью 1000 пФ, рассчитанного на напряжение 500 В, подключены головные телефоны ТОН-2М. Разумеется, использовать конденсатор именно типа КСО-2 не обязательно, его можно заметить любым пленочным конденсатором подходящего напряжения и емкости. В качестве гнезда X1 для подключения телефонов использована стандартная электрическая розетка без крышки.
Большая часть компонентов размещается на плате, выполненной псевдопечатным способом.
В качестве корпуса использован отрезок кабельного канала с габаритами 175х60х35 мм. Шаговый двигатель с редуктором размещен снаружи, для чего в корпусе проделано специальное отверстие.

Внутри корпуса располагается трансформатор, плата, счетчик Гейгера и колодка для подключения головных телефонов.
Торцы закрыты Г-образными элементами, вырезанными из того же самого кабельного канала.
Торцевые элементы удерживаются на месте при помощи мебельных уголков МК 16х16х12 мм. Трубка счетчика Гейгера СТС-5 закреплена хомутами, вырезанными из упаковочного пластика. Полностью собранное устройство начинает работать сразу, ни каких настроек оно не требует. При работе необходимо вращать большую шестерню, которая через промежуточные шестерни приводит в движение вал шагового двигателя. В принципе это можно делать пальцем руки, но опыт показывает, что в этом случае на подушечку пальца надо наклеить пластырь, иначе мозоль на пальце пользователю гарантирована. Другим вариантом будет намотка на вал шестерни несколько витков тонкого прочного шнурка. В этом случае вращение вала электрогенератора обеспечивается постепенным сматыванием шнурка. При некоторой сноровке несколько витков накрутить назад на вал большой шестерни можно достаточно быстро так, что конденсаторы С3 и C4 разрядиться не успеют.

Так как датчик расположен внутри корпуса прибора, то устройство чувствительно к гамма-излучению. У автора дома нет ни цезия-137, ни кобальта-60, ни даже стронций-иттриевого контрольного источника Б-8 [12], поэтому работоспособность прибора проверялась на бусинах из уранового стекла [13], которые были расположены непосредственно на корпусе счетчика, так как они дают слабое бета-излучение, плохо проникающее через корпус устройства.
При таком размещении «контрольного источника» увеличение количества щелчков в телефонах хорошо заметно. Количество щелчков за 40 с должно примерно равняться мощности дозы в микрорентгенах в час [5]. Подобный примерный способ оценки мощности дозы ионизирующего излучения используется не только в самодельных конструкциях, но встречается и в конструкциях выпускавшихся промышленностью приборов [14-15]. Разумеется, считать щелчки в наушниках гораздо менее удобно, чем просто прочитать показания на экране, но это неудобство является обратной стороной простой конструкции прибора.
Кроме этого, следует отметить, что хотя рассмотренная конструкция и является весьма простой (может даже слишком простой), в ней все же имеется два весьма дефицитных компонента. Со счетчиком Гейгера ни чего поделать не получится, если вы собрались фиксировать ионизирующее излучение, то детектор частиц ионизирующего излучения необходим, но вот высокоомные головные телефоны ТОН-2М сейчас хоть и не являются каким-то особым раритетом, но, мягко говоря, не лежат на прилавке каждого магазина электроники.
В заключении хотелось бы отметить, что история предыдущих радиационных аварий и катастроф явно свидетельствует о том, что в экстренной ситуации многие люди готовы впадать в крайности, одни рассуждают в духе того, что раз радиацию мы не видим, то и она нам ничего не сделает [16], а другие наоборот впадают в панику от каждого щелка счетчика Гейгера. Впрочем, в этом нет ни чего удивительного, учитывая, что социологические опросы демонстрируют чудовищный уровень научной безграмотности значительной части людей даже по самым элементарным вопросам [17]. Вообще, вопросы дозиметрии и биологического влияния ионизирующего излучения весьма непросты [18-22] и только хорошее понимание проблемы позволит понять чего стоит избегать любой ценой, чего стоит опасаться, а что дает риски, меньше тех которые большинство обычно игнорирует [23-24]. В конце статьи хотелось бы всем пожелать, чтобы все мы сталкивались в обычной жизни только с источниками радиации типа уранового стекла [25], калиевых удобрений [26] и тому подобных предметов.
Источники
-
Как выбрать дозиметр? - URL: https://mydozimetr.ru/blog/stati/kak-vybrat-dozimetr/
-
Клементьев С. Самодельный радиометр. Журнал Юный техник №1 1956 г. с.64-65
-
Даниленко В., Кочетов Н. В лучах Беккереля. Журнал Моделист конструктор №5 1994 г. c.14-16
-
Даниленко В., Кочетов Н. В лучах Беккереля. Журнал Моделист конструктор №6 1994 г. с.28-30
-
Поляков В. Индикатор радиоактивности. Журнал Юный техник №7 2011 г. с.74-78
-
Подключение детектора радиации к Arduino. - URL: https://radioskot.ru/publ/izmeriteli/podkljuchenie_detektora_radiacii_k_arduino/15-1-0-1365
-
Народная дозиметрия. Бюджетный детектор радиации своими руками. - URL: https://habr.com/ru/articles/662343/
-
Дозиметр для Серёжи. Часть II. «столетние трубки» vs мирный атом. - URL: https://habr.com/ru/articles/461107/
-
Дозиметр для Серёжи. Часть III. Народный радиометр. - URL: https://habr.com/ru/articles/471236/
-
Полинг Л. Не бывать войне! – М.: Издательство иностранной литературы, 1960 - 236 с.
-
Контрольный источник Б-8. - URL: https://www.youtube.com/watch?v=2xpHH0yJl2A
-
Урановое стекло. Радиоактивная красота! - URL: https://www.youtube.com/watch?v=oGtfbQZD4uE
-
Дозиметр бытовой ДГБ-05Б. - URL: https://radioskot.ru/publ/byttekhnika/dozimetr_bytovoj_dgb_05b/21-1-0-898
-
Счетчик ионизирующих частиц. - URL: https://radioskot.ru/publ/byttekhnika/schetchik_ionizirujushhikh_chastic/21-1-0-904
-
Чернобыль ч.5. Вне АЭС. - URL: https://habr.com/ru/articles/557074/
-
Почему необходимо просвещение, или снова о распространенных заблуждениях. - URL: https://wciom.ru/analytical-reviews/analiticheskii-obzor/pochemu-neobkhodimo-prosveshchenie-ili-snova-o-rasprostranennykh-zabluzhdenijakh
-
Константинов А. Занимательная радиация. Всё, о чём вы хотели спросить: чем нас пугают, чего мы боимся, чего следует опасаться на самом деле, как снизить риски - Новоуральск: ООО Аристократ, 2016 – 224 с.
-
Мюллер Р. Физика для будущих президентов – М.: Астрель: Полиграфиздат, 2011 – 416 с.
-
Хала И., Навратил Дж. Д. Радиоактивность, ионизирующее излучение и ядерная энергетика – М.: Издательство ЛКИ, 2013 – 432 с.
-
Бекман И.Н. Радиоактивность и радиация. Курс лекций – М.: 2006. - URL: http://profbeckman.narod.ru/RR0.htm#Лекция_1.АТОМНАЯ_ФИЗИКА
-
Радиохимия (часть 1). Начало. Химия – Просто. - URL: https://www.youtube.com/watch?v=RkMJkqjNObY
-
Радиоактивные загрязнения: от Чернобыля до Коломенского. Владимир Петров. Ученые против мифов 11-2. - URL: https://www.youtube.com/watch?v=M-yHg3RAsH8&t=445s
-
Радиоактивные отходы ввозят в Россию? Постскриптум: УПМ-11. Владимир Петров. - URL: https://www.youtube.com/watch?v=DCSC6Pa2zY8
-
Радиоактивная бижутерия! - URL: https://www.youtube.com/watch?v=_IF02M_POPc
-
Радиоактивные удобрения. - URL: https://www.youtube.com/watch?v=QsSbeZePJL8
Автор:
Denev
