
От переводчика: Это руководство поможет вам создать биопринтер из подручных материалов (не путать с 3D биопринтером!!!, об этом в следующий раз).
Биопечать — это печать биологическими материалами. Думайте об этом как о 3D печати, но спрессованными ингредиентами! Большая работа была проведена исследовательскими лабораториями и крупными компаниями, такими как Organovo занимающимися проблемой печати человеческих тканей и органов человека, с целью тестирования лекарств, и трансплантации органов людям.
Все это звучит невероятно сложно, но дело в том, что основные технологии широко доступны — все это основано на струйной и / или 3D-печати! Так что мы на BioCurious решили поиграть с этой технологией сами — и проект BioPrinter Community появился на свет!
Шаг 1: Разбор старого струйного принтера

Берём старый струйный принтер, в нашем случае HP 5150, но подойдёт практически любой. Можете просто срывать все пластиковые крышки, но убедитесь, что кнопка перезагрузки на передней панели всё ещё работает.
В нём есть маленький мгновенный переключатель, который чувствует открыта ли крышка. После снятия крышки, нужно зафиксировать это переключатель во включённом положении. вручную или с помощью зубочистки, приклеив маленький кусочек пластика, в общем включите фантазию.

Так же внутри есть переключатель механизма подачи бумаги, который чувствует загружена ли бумага. С ним нужно сделать тоже самое.
Чтобы убедиться, что всё сделано правильно, распечатайте пару листов. Смотреть как разобранный принтер печатает, само по себе интересно.

Следующей задачей является вскрытие картриджа, для замены чернил на что-то более органическое. Лучше взять новый картридж, у которого сопла ещё не засорены, но вы можете попробовать и старый, только перед использованием включите режим очистки головки, если ПО принтера это позволяет.

После снятия всех наклеек вы увидите, что большинство картриджей имеют приклеенную крышку с небольшим вентиляционным отверстием для подачи воздуха во время вытекания чернил. Крышку нужно снять ножом или специальным инструментом, только имейте ввиду, что в будущем картридж нужно будет снова вставлять в принтер.
Как только вы вскроете картридж вы увидите, что весь резервуар занимает небольшая губка, которая удерживает чернила на месте. Цветные картриджи имеют отдельные отсеки чернил со своими губками (обычно голубой-пурпурный-желтый, а не красный-зеленый-синий, так как цвета печати на белой бумаге является процессом вычитания цвета). Вы можете выжать оставшиеся чернила и сохранить их для последующих экспериментов (например, для бумажной хроматографии). Затем промыть, промыть, и ещё раз промыть картридж дистиллированной и деионизированной водой, чтобы не засорить печатающую головку минеральным остатком. Независимо от того как хорошо вы промоете его, вряд ли у вас получиться вымыть всё, поэтому залейте в картридж дистилированной воды и напечатайте что-нибудь, потом ещё и ещё пока мельчайшие частицы чернил не перестанут выходить.
Теперь необходимо чем-нибудь заполнить наш картридж. Тут всё зависит о вашей фантазии. Мы решили начать с чего-нибудь простого, а не прыгать сразу к печати живых клеток. Мы решили напечатать что-то с помощью раствора арабинозы на фильтрованной бумаге.
Мы решили напечатать с помощью раствора арабинозы на фильтровальную бумагу. Затем мы вырезали её и положили на пластину агарозы, с выращенной плёнкой из кишечной палочки, чем спровоцировали перенос pGLO плазмид. Этот плазмид содержит зеленый флуоресцентный белок (GFP), под управлением арабинозочувствительного ускорителя.
В результате, там, где мы распечатали арабинозу на фильтровальной бумаге, мы увидели под ультрафиолетовым излучением зелёный свет излучаемый кишечной палочкой! Обратите внимание, что красота этого эксперимента заключается в его простоте (прим. переводчика: ну да, ну да… могли бы и что-то по интереснее придумать): мы только должны были печатать простым раствором сахара, а не объемными живыми клетками, причём на бумаге, так что нам даже не придётся менять технологию работы с бумагой. Также можно попробовать печать с помощью антибиотиков или даже белков, таких как ферменты или факторы роста.

На первой фотографии мы распечатали половину страницы арабинозой (Прим. переводчика: надо приглядеться, сочувствую дальтоникам.).

А на этом фото мы распечатали логотип глазного яблока. К сожалению, резкость изображения оставляет желать лучшего.
Шаг 2: Проблема — существующие принтеры имеют слишком высокое разрешение

Мы провели немало времени, смотря на струйные печатающие головки под микроскопом. Серебристая полоска в нижней части картриджа называют пластиной с соплами. Это просто ленты из нержавеющей стали. В этом картридже, сопла расположены в четыре ряда, из которых вы можете увидеть две на первом изображении выше. Сопла фактически пронумерованы от 1 до 416. 416 сопел в печатающей головке это примерно 1/3 дюйма выходит до 1200 точек на дюйм.
Теперь, 1/1200 на дюйм означает интервал в 21 мкм. Кроме того, сами сопла фактически около 23 микрон в диаметре. Это порядка размера эукариотической клетки — Ой-ой! Мы должны по-прежнему иметь возможность печатать клетки E.coli гораздо меньше размера (~ 1 мкм в диаметре ) с этой печатающей головки, а также возможно дрожжевые клетки (~ 10 мкм в диаметре ).
Но подождите — это еще не все!
Когда вы удаляйте металлическую пластину сопла, вы получаете фактически возможности печатающей головки — чуда инженерной кремния, который включает в себя как наливные, микроскопические нагреватели, которые испаряют часть чернил в термическом струйном принтере, так и кучу встроенной электроникой. Отличная мишень для продвинутых микроскопистов!




Последнее изображение волнует нас гораздо больше. Там, кажется, фильтр, интегрированный в кремний, расположенный между резервуаром чернил и печатающей головкой! По изображению с микроскопа, мы оцениваем отверстия в фильтре, размером около 3 мкм, что может оказаться недостаточно даже для клеток кишечной палочки!

Вдобавок, использую коммерческий принтер придётся изменить весь путь движения бумаги, к тому же существующие драйвера предоставляют ограниченные возможности для управления печатающей головкой, если конечно не адаптировать драйвера под Linux.
Так что давайте создавать собственную печатающую платформу, над которой мы будем иметь полный контроль.
Шаг 3: Используем печатающую головку InkShield

Итак, похоже, что мы, возможно, не сможем печатать что-либо большее, чем дрожжевые клетки используя последнее поколение струйных принтеров. И мы не можем быть в состоянии напечатать даже дрожжи или клетки E.coli с помощью струйного картриджа на данном принтере!
Другим путём является использование древних HP принтеров с разрешением 300 dpi, и сопел размером предположительно около 80 микрон или около того, что должно быть достаточно для печати клеток человека. Например, HP DeskJet 500, дошедший до нас их 90-х. Удачи в поиске этого антиквариата.

Сейчас, комплект разработки Parallax для струйных принтеров и картридж HP 51604A позволяет печатать с разрешением в 96 dpiпроблема в том что они сняты с производства несколько лет назад.


К счастью для нас, Николас Льюис признал необходимость DIY-платформы для струйной печати, и начал на Kickstarter кампании по созданию Inkshield: An Open Source Inkjet Shield for Arduino. InkShield строится вокруг HP C6602 струйного картриджа, с 12 соплами и 96 точками на дюйм, предназначенный для печати этикеток на вещи, как кабели. 96 точек на дюйм равно шагу в 265 микрон. Как вы можете видеть в последнем изображении, фактический диаметр сопла составляет только около 1/3 от расстояния между точками, или около 85 микрон — просто идеально подходит для наших целей!

InkShield предназначен для управления Arduino, но нуждается в более высоком напряжении, чем 5V Arduino получаемые им от USB. Таким образом, вы должны предоставить 9-12V питания через специальный разъем питания на InkShield или через разъем питания на Arduino.
Шаг 4: Версия 2: Hackteriabot!

Для нашей второй биопечатающей платформы, мы построили XY-платформу из пары старых CD-приводов, вдохновленные красивым DIY лазерным резаком / микрофлюидо платформой от наших друзей из Hackteria:
hackteria.org/wiki/index.php/HackteriaLab_2011_Commons#Micro_Manipulator
hackteria.org/wiki/index.php/DIY_Micro_Dispensing_and_Bio_Printing
hackteria.org/wiki/index.php/DIY_Micro_Laser_Cutter
hackteria.org/wiki/index.php/DIY_Microfluidics#Advanced_DIY_Microfluidics
hackteria.org/?p=1186
diybio.org/2012/06/12/gaudilabalgaepicker/
Расположив движущиеся механизмы, перемещающие головку в CD/DVD приводе, под углом в 90 мы получаем XY-платформу с очень маленькой строительной областью, но с очень большой точностью позиционирования
Использование позиционирования лазерной головки от механизма CD привода для строительства высокоточной XY платформы — не новая идея: builders.reprap.org/2010/08/selective-laser-sintering-part-8.html
Шаг 5: Сборка X-Y платформы из Б/Ушных CD приводов

Сперва собираем стопку старых приводов. Открываем лоток с помощью скрепки. Возможно вам придётся перебрать несколько приводов прежде чем вы найдёте с шаговым двигателем. По крайней мере половина из тех что мы разобрали имели двигатель постоянного тока. Если кто-то знает как по виду отличить их между собой, то сообщите нам об этом.

Их легко отличить друг от друга разобрав привод: DC имеют два провода, а Stepper 4 и короткий шлейф.

В отличие от постоянного тока, шаговые двигатели предназначены для перемещения на определенное число шагов, где каждый шаг представляет собой часть полного оборота. Это делает удобным для высокоточного позиционирования, без необходимости создания системы обратной связи, проверяющей позицию нахождения головки. Например, 3D принтеры обычно используют шаговые двигатели для позиционирования печатающей головки.

После онлайн-проверки некоторых серийных номеров, мы наткнулись на хорошо документированный биполярный шаговый двигатель, помеченный как PL15S-020. Остальные найденные двигатели очень похожи на него, так что вероятно они имеют одинаковые параметры.

Технические данные: robocup.idi.ntnu.no/wiki/images/c/c6/PL15S020.pdf
Данный шаговый двигатель делает 20 шагов на оборот (не много, но достаточно), а ходовой винт имеет шаг 3 мм за один оборот. Таким образом, каждый шаг равен 150 мкм перемещения лазерной головки — не плохо!
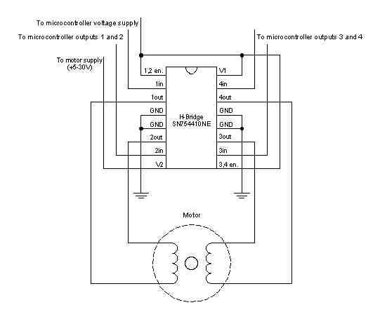
На Arduino.cc сайт мы нашли схемы для биполярных шаговых двигателей, а также пример кода для их управления. Мы заказали несколько SN754410NE H-мостов для реализации схемы, показанной на последней картинке.

Старый CD / DVD приводы имеют множество других интересных комплектующих! В том числе, лоток механизма открытия / закрытия, содержащий двигатель постоянного тока с низкоскоростной передаче, двигатель шпинделя, который вращает CD, имеет как правило, высокопроизводительный бесщеточный двигатель постоянного тока, который можно использовать в игрушечных самолетах и вертолетох. Плюс, куча переключателей, потенциометры, чёртовы лазеры, и даже соленоиды! В общем, извлеките всё!!!
Шаг 6: Соберите всё вместе

Материалы:
— Два механизма перемещения лазерной головки с шаговыми двигателями (желательно одинаковые) из старых приводов. Стоимость: несколько долларов за штуку.
— Один InkShield комплект, с картриджем и держателем картриджа. Стоимость: $ 57
— Дополнительно: дополнительный HP C6602 струйный картридж. Стоимость: 17 $
— Arduino Uno. Стоимость: $ 30
— Два SN754410NE H-Bridge Motor. Стоимость: $ 5
— Комплект для прототипирования Arduino и / или крошечная макетная плата. Стоимость: $ 4-21
— Провода, винты, стойки, корпуса. Стоимость: от бесплатно до $ $ $, в зависимости от воображения.

Общая стоимость для наших версия: около $ 150, доставка / обработки для частей включены. Фотографии выше показаны две различные версии мы сделали. Вторая имеет хорошую акриловую верхнюю пластину, и намного больше места для размещения вещей между ними.

Общая стоимость для нашей версии: около 150$, включая доставку/обработку частей. Фотографии выше показаны две различные версии, которые мы сделали. Вторая имеет хорошую акриловую верхнюю пластину, и намного больше места для размещения элементов между ними.







Механизм перемещения CD привода, находящийся внизу, перемещает синюю пластину на которой вы что либо печатаете (например, пластину агарозы). Верхний механизм привода, установленый под прямым углом, перемещает струйную печатающую головку. Мы использовали Shapelock и некоторые винты для крепления нижней платформы к лазерной головке, и крепления держателя картриджа к верхней головке лазера. Электроника состоит из Arduino Uno в нижней части, белого InkShield (подключенного к струйному держателю картриджа с хорошим белым ленточным кабелем), и протоплаты с шаговыми двигателями наверху.




Бумажные полоски, из бумаги в клеточку, на нижней и верхней платформах позволяют нам отслеживать положение по X и Y осям. Общая площадь печати составляет около 1,5 дюйма в обоих направлениях, с разрешением 150 мкм за один шаг. Следует отметить, что разрешение шаговых двигателей похоже на разрешение печатающей головки: 96 точек на дюйм 265 микрон шаг, но точки напечатанных печатающей головки четко разделены — больше как 150-200 микрон.



Шаг 7: Успех

Это наш первый по-настоящему-рабочий Биопринтер. Мы заправили картридж жидкой культуры кишечной палочки + pGLO. Слегка модифицировали «I <3 InkShield» DEMO Arduino, которое шло с InkShield, и напечатали пару строк «I <3 BioCurious» снова и снова на агаровой пластине. Агара была заполнена почти до самого верха, чтобы свести к минимуму расстояние печати.
Как вы можете видеть, печать живыми клетками E.coli работает отлично! Мы, вероятно, дали колонии развиваются больше чем нужно, так что буквы немного расплываются. Мы получили распыление небольших колоний по углам клетки — вероятно, из-за некоторого распыления от струйной головки. Мы можем улучшить качество регулировкой вязкости или плотности клеток культуры, загружаемых в картридж.
Но в целом, не плохо для первого раза!
После печати мы дезинфекции поверхность и внутренность картриджа с отбеливателем, а потом пропустили немного отбеливателя через головку. После чего промыли всё дистилированной водой.
Вероятно, было бы хорошей идеей, вложиться в ультразвуковой очиститель ювелирных изделий, который может разрушать в том числе и органические вещества в самых труднодоступных местах.
Шаг 8: Полученный урок и планы на будущее
Мы обратились к этому проекту с практически нулевым опытом работы с Биопечатью, шаговыми двигателями, струйными картриджами, и даже программирования Arduino! Поэтому, естественно, не все наши действия были оптимальными. Вот некоторые вещи, которые мы могли бы сделать иначе в следующий раз:
— Изучая работу шаговых двигателей мы получили действительно ценный опыт, но мы могли сэкономить кучу времени и усилий, адаптируя некоторые из RAMPS (RepRap Arduino MEGA Pololu Shield) технологий, которая уже была хорошо развита именно с этой целью в сообществе 3D-печати. В частности, шаговый двигатель Pololu уже имел встроенные микрошаговые возможности.
— Строительство собственной XY-платформы — это здорово! Но мы используем эти шаговые двигатели для того, для чего они никогда не были предназначены, что начинает себя проявлять. Мы уже получаем некоторые проблемы с иногда пропускающей нижней ступенью, по-видимому, из-за частых ручных сбросов, изнашивающих пластиковые детали. Было достаточно легко купить новые шаговые двигатели, чтобы держать их, добавить немного микропереключателей для конечных остановок, и код функции сброса позиции в программном обеспечении.
— Как только вы начинаете поиск новых шаговых двигателей и RAMPS электроники, почему бы не начать сразу с 3D-принтеров вместо этого? Если мы устали с нашей текущей версии биопринтера, то, наверное, из-за выбранного направления. Стоимость, скорее всего, увеличится на порядок и так, хотя…
— Наличие одного печатающая головка имеет свои ограничения. Если бы мы действительно хотели заняться какой-то тканевой инженерией, мы хотели бы иметь возможность печати нескольких типов клеток, и поставить некоторые леса материала между ними. Мы могли бы потенциально положить два струйных картриджей спина к спине. Решением Больших Мальчиков в этой области является использование шприцевых насосов. Представьте себе, что имея несколько шприцевых насосов рядом с принтером, каждый из которых подаёт свой материал на печать через тонкую трубку, а иглы установлены на печатающую головку. Следите за обновлениями…
Теперь слон в посудной лавке… Что, черт возьми, вы делаете с вашим собственным биопринтером?! Я не думаю, что BioCurious будет когда-либо конкурировать с такими компаниями как Organovo с точки зрения печати человеческих тканей или органов. С одной стороны, содержание клеток животных отнимают гораздо больше усилий. С растительными клетками намного легче работать! Не хочу, чтобы всй пошло прахом, так что следите за некоторые из наших следующих инструкций!
Между тем, вот несколько идей:
— Печать градиентов питательных веществ и / или антибиотиков на слой клеток для изучения комбинаторных взаимодействий — или даже для выбора различных изолятов из образца из окружающей среды.
— Печать шаблонов факторов роста на слой эукариотических клеток для изучения клеточной дифференцировки.
— Печать двух или более видов микроорганизмов на различных расстояниях друг от друга, чтобы исследовать метаболические взаимодействий.
— Настройка вычислительной задачи как 2D модель строительства микроорганизма на агаровой пластине.
— Исследование систем реакция-диффузия
— Печать 3D структур с помощью повторной печати слоёв. Теперь вы можете рассмотреть возможность сделать все выше в 3D!
— Распечатать клетки в раствор альгината натрия, на поверхности пропитанной хлористым кальцием, для создания 3D структур геля (по аналогии с процессом spherification в молекулярной гастрономии )
— Есть ещё идеи? Оставьте их в комментариях!
Шаг 9: Добавлено: Так что вы хотите сделать для реальной науки?
Биопринтер, показанный здесь, очевидно, всего лишь прототип. Но так как у нас были очень серьезные запросы об использовании этого в академических лабораториях, вот некоторые рекомендации:
— Группа Дельфин Дин в университете Клемсон работает на Bioprinting с использованием модифицированного HP DeskJet 500. Определенно посмотрите их видео на JoVE on Creating Transient Cell Membrane Pores Using a Standard Inkjet Printer! Множество информации, о том как иметь дело со с струйными принтер, использующимися в качестве лабораторного оборудования, как очистить картриджи, готовить соответствующие клеточные суспензии, и некоторые интригующие не 3D приложения для печати.
— Мы еще не получили удовлетвореных доказательств того, что картриджи HP C6602 могут печатать эукариотические клетки. Мы считаем, что скорее всего это связано с засорением печатающей головки продуктами распада клеток. Мы будем держать вас в курсе по поводу использования ультразвуковых установок для очистки…
— Печати может занять несколько минут, так что держите принтер в капюшоне, чтобы избежать загрязнения.
— Оберните электроники в пищевую пленку или постройте корпус, чтобы сохранить его сухим и чистым. Все остальное можно протирать с хлоркой после использования.
D'haeseleer, P. (2013, 22 января).
Автор: malan
