
Многие любят рассуждать на тему того, как выжить в случае некоего глобального катаклизма. Именно благодаря этому становятся популярными разнообразные видеоблоги, где рассматриваются способы воссоздания практически с нулевого уровня привычных нам предметов и технологий, а также выживание в условиях агрессивной среды с их помощью.
Попробуем и мы порассуждать на эту тему, предположив, что наступил некий час «Х», после которого вся электроника так или иначе «приказала долго жить». Мы сейчас не будем останавливаться на причинах этого события. Только возьмём за отправную точку, что мы остались без своего любимого интернета, раций и даже без модного LoRa :-)
Ранее мы уже изучали устройство и простые возможности создания собственного «двигателя Судного дня». Теперь же попробуем прикинуть, как нам организовать радиосвязь между разрозненными группами людей, учитывая, что электроники не осталось от слова «совсем» (правда сделаем допущение, что некоторые механические компоненты могут быть найдены на свалках или сняты из мест «остатков цивилизации»).
▍ Приёмник сигнала
Наше рассмотрение можно вести с разных сторон, мы же начнём с обратной стороны, с точки приёма радиосигнала.
Радиоволна, доходя до приёмника, возбуждает в его антенне электрический ток. Так как в обычное время в зоне нахождения приёмника вещает одновременно множество радиостанций, то если бы приёмник одновременно принимал все эти сигналы и преобразовывал в звук, то мы бы услышали какофонию звуков. Именно поэтому приёмник необходимо настроить на определённую частоту.
Для вычленения из множества сигналов только тех, которые нам потребуются, необходимо создать такую электрическую схему, которая сможет реагировать именно на эти сигналы. Для этих целей и служит колебательный контур.
Переменный высокочастотный ток, идущий от антенны к колебательному контуру, вызывает в нём электрические колебания, которые будут существенными только в том случае, если частота приходящих на контур колебаний электричества будет максимально близка к потенциальной частоте контура, другими словами, можно сказать, что возникнет резонанс. Чем более частота подводимых к контуру колебаний будет отличаться от собственной частоты контура, тем меньше эти подводимые колебания будут воздействовать на контур.
Настройка контура производится с помощью изменения ёмкости конденсатора или изменения индуктивности контура с использованием вариометра, который представляет собой систему из токопроводящего ползунка и катушки:

Источник картинки: vk.com
Приведённый выше вариометр представляет собой катушку, которая намотана на каркас, способный вращаться вокруг собственной оси. К виткам катушки плотно прижато контактное колёсико.
При вращении катушки колёсико скользит по виткам без изоляции и, таким образом, изменяется количество задействованных в катушке витков, благодаря чему можно добиться того, что только нужная частота, приходящая с антенны, будет вызывать в катушке индуктивности максимальную реакцию, то есть резонанс.
Далее, если мы обратимся к возможным схемам радиоприёмников, то из них самым простым является так называемый детекторный радиоприёмник, который прост тем, что в его составе нет усилителя и, кроме того, для его работы не требуются элементы питания.
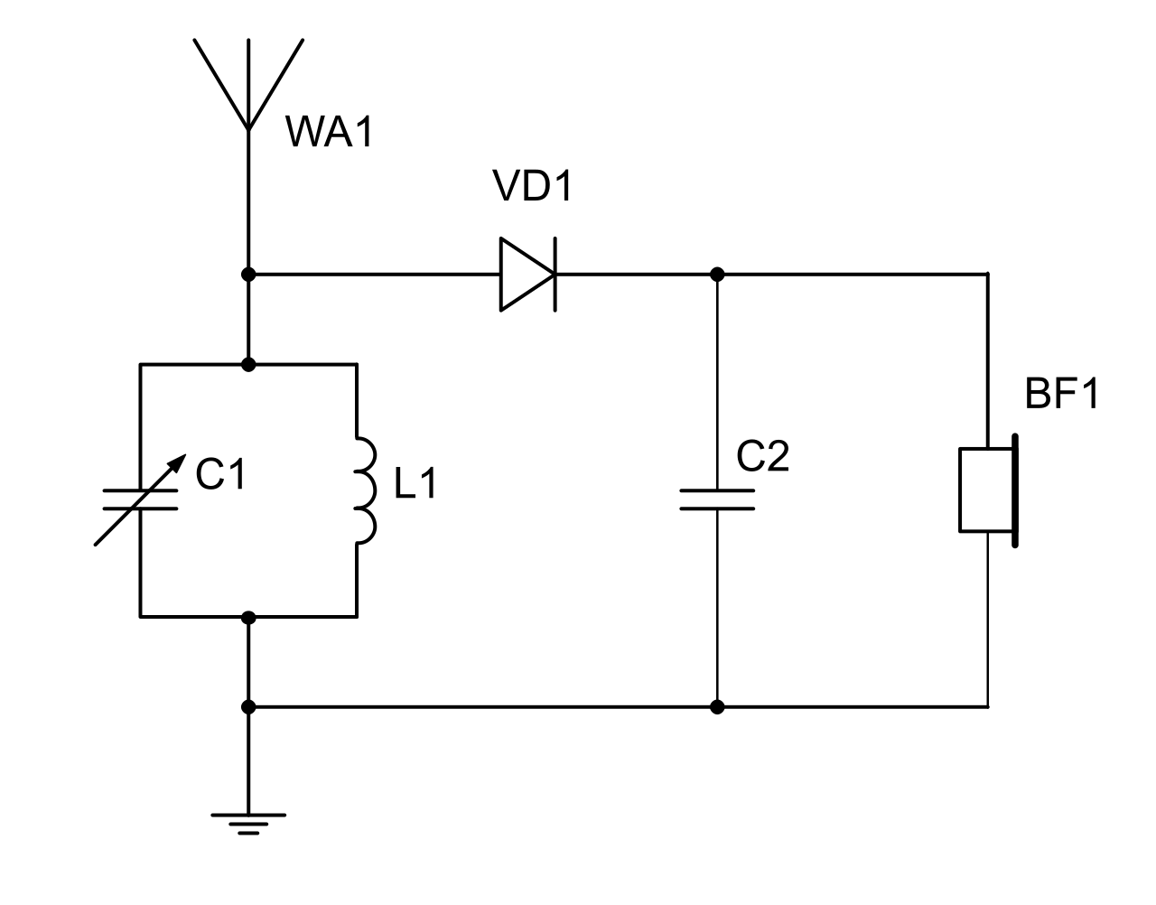
В самом простом случае схема детекторного приёмника выглядит следующим образом:

Источник картинки: Panther, wikipedia.org
Как можно видеть на схеме, C1 представляет собой переменный конденсатор, L1 — колебательный контур, VD1 — так называемый «детектор на диоде», C2 — блокировочный конденсатор и высокоомный звукоизлучатель(ли) не менее 3 кОм.
В приведённой выше схеме детектор является по сути демодулятором, то есть восстанавливает информацию, заложенную в передаваемый сигнал модулятором.
Кстати сказать, для увеличения громкости и улучшения качества здесь можно использовать вместо одного диода диодный мост, что позволяет задействовать энергию обоих полупериодов высокочастотного сигнала:

Источник картинки: www.qrz.ru
Однако диод — это слишком сложно, и в самых первых приёмниках использовался кристаллический детектор, который представлял собой сульфид свинца или кадмия, в который упиралась тонкая проволочка. Перемещая её по поверхности кристалла, можно было добиваться максимальной громкости. Подобное устройство представляет собой аналог диода Шоттки:

Источник картинки: JA.Davidson, wikipedia.org
Минусом подобного кристаллического детектора является его излишняя чувствительность, так как он реагирует на любые механические колебания, которые смещают проволочку из точки на кристалле, где достигается максимальная громкость.
Эффективность работы подобного детектора зависит от того, насколько острым является кончик проволочки и насколько сильно он упирается в кристалл, насколько чистым является сам кристалл.
Для устранения подобных недостатков в дальнейшем стали применяться детекторы с постоянной точкой, или так называемые цвитекторы, представлявшие собой трубочку, внутри которой расположена пара из медного проводника и слоя окиси на нём:

Источник картинки: www.155la3.ru

Источник картинки: www.155la3.ru
Тем не менее, раз уж мы условились, что вся электроника нам недоступна, то в этом случае возможно применение альтернативного варианта — обычного лезвия, которое специально оксидировано с помощью нагрева, и этот слой оксида на нём может также выступить в роли детектора:
Правда в видео, приведённом выше, автор использует внешний усилитель звуковой частоты, содержащийся в активной колонке. В нашем же случае вполне можно использовать альтернативный вариант с высокоомными наушниками, или же, вероятно, в наше время вполне можно будет задействовать обычные светодиоды (вместо наушников), чтобы производить общение с использованием радиочастоты, задействуя азбуку Морзе.
Несколько отвлекаясь от темы — выше была приведена схема усовершенствованного детекторного приёмника с использованием диодного моста. Приходилось видеть несколько модернизированную подобную схему, которая предлагалась автором в качестве источника получения энергии «из воздуха» для питания сверхъяркого светодиода или подзарядки аккумулятора в местах, где отсутствует электричество:

Источник картинки: www.qrz.ru
Теперь, после того как мы ознакомились с основными компонентами детекторного радиоприёмника, на приведённом ниже рисунке несложно будет узнать, что именно изображено:

Источник картинки: Hihiman, wikipedia.org
Подобные приёмники можно использовать также и без использования наушников (особенно при их отсутствии), так как в прошлом они использовались для приведения в действие также и электромеханических устройств, например, зуммеров.
Из минусов подобного приёмника можно назвать его высокую зависимость от качественного заземления и длинной антенны, которая в идеале должна составлять десятки метров.
▍ Передатчик сигнала
Конечно, электроники у нас не осталось в доступности, однако наверняка практически в любом месте проживания людей можно будет найти большое количество проводов разного диаметра и длины, которые нам и понадобятся. Используя их, мы можем собрать самый простой из известных радиопередатчиков — искровой.
Он представляет собой устаревший способ передачи в эфир, генерируя волны, в процессе чего используется искровой разрядник:

Источник картинки: Boberchik, wikipedia.org
Подобного типа передатчики были исторически первыми и использовались вплоть до конца Первой мировой войны.
Типичная радиопередача представляет собой сочетание двух этапов: генерация несущей частоты, то есть создание колебаний, и на втором этапе — изменение амплитуды, частоты, фазы.
В отличие от этого способа, искровой радиопередатчик не обладал модуляцией и мог вещать в эфир только несущую частоту, именно поэтому такие передатчики использовались для передачи телеграфных сигналов азбукой Морзе.
Подобные передатчики были не слишком эффективны и обладали низким КПД, так как излучали очень широкий диапазон частот (засоряя эфир).
Приведённая выше схема классического искрового передатчика была позже улучшена Фердинандом Брауном, который предложил исключить разрядник из цепи антенны и связать его с этой цепью с помощью одного или более контуров:

Источник картинки: www.popadancev.net
В качестве конденсатора в подобной схеме использовалась (как вариант) лейденская банка и была возможность настройки вторичной катушки переменной длины для передачи на нужной частоте.
Кстати говоря, само присутствие лейденской банки и гальванического элемента в схеме выше наводит на идею использования в схеме вместо этих элементов электрофорной машины, так как с наличием гальванических элементов может быть напряжёнка :-) Кроме того, в её составе уже есть лейденские банки и источник высокого напряжения:
Благодаря этим усовершенствованиям новые передатчики могли вещать уже на дальность более 10 000 км, в отличие от прежних передатчиков, максимальная дальность которых составляла порядка 20 км.
Например, с использованием подобного передатчика в 1901 году был послан телеграфный сигнал из Англии в Северную Америку.
Но в целом подобные устройства были не особо эффективными, и требовалось в передатчик закачивать «страшные киловатты», из которых только малая часть попадала на антенну. Для примера, одна из самых продвинутых систем радиосвязи на тот момент, установленная на корабле «Титаник», была оборудован передатчиком на 5 кВт, из которых на саму антенну приходило только порядка 500 Вт (и такое соотношение не предел – известны передатчики и мощнее). Передатчик мог вещать на длинных (600 м) и средних волнах (300 м). Дальность его действия ночью достигала 2 000 миль, а днём — порядка 250-400.
Но увеличивать мощность также нельзя было до бесконечности, так как, повышая мощность, закачиваемую в передатчик, можно было добиться в итоге только того, что на самой антенне начинался разряд, который и съедал её. Чтобы бороться с этим, увеличивали длину антенны:

Источник картинки: www.popadancev.net
Подытоживая рассказ, хочется сказать, что лучше, конечно, не попадать в подобные ситуации, чтобы потребовалось всё описанное выше, тем не менее, как автору статьи кажется, подобные знания могут быть для кого-то любопытными, а для кого-то даже и полезными в определённой ситуации. Как показывает практика, для радиопередачи не обязательно иметь даже какие-то сложные передатчики, в самом простом варианте достаточно даже обычного пьезоэлектрического разрядника от зажигалки.
Понятно, что его мощность составляет желать лучшего и, к тому же, желательно иметь настройку частоты, которая здесь как класс отсутствует, но тем не менее:
Принцип действия подобного устройства мы уже описывали в одной из статей ранее:

Анимированная схема приёма радиоволн полуволновым диполем. Источник картинки: www.wikipedia.org
Возвращаясь же к теме подстройки на определённую частоту, возможно, подобной точности и не потребуется, так как искровой передатчик, по сути своей, шумит в широком диапазоне частот, и шанс быть услышанным, осуществляя передачу с его помощью, довольно велик.
Тем не менее, в усреднённом виде схемы приёмника и передатчика, используемых в эпоху искрового телеграфа, могли бы быть изображены следующим образом:

Источник картинки: www.computer-museum.ru
Как можно видеть, в обеих частях схемы используются колебательные контуры с подстройкой частоты.
В левой части схемы можно видеть: вращающийся прерыватель (П), телеграфный ключ (ТК), индукционную катушку (ИК), разрядник (Р), конденсатор (С), индуктивную катушку (L).
В правой части схемы можно видеть, в том числе: детектор (Д), телефон (Т), батарею с делителем частоты (Б), который служит для оптимального подбора режима работы детектора.
Так что, в случае необходимости, «повторение уже пройденного» вполне себе вариант для осуществления связи.
Автор:
DAN_SEA
