
На заре зарождения радиотехники безмятежный покой мирового эфира нарушался, разве что, электромагнитными волнами, порождёнными грозовыми разрядами. Современный эфир такой безмятежностью уже не обладает, он наполнен огромным количеством сигналов, как естественного, как и искусственного происхождения.
Радиоприёму на любительских КВ-диапазонах мешает буквально вся городская среда: базовые станции сотовой связи, мощные лампы уличного освещения, соседние компьютеры, гаджеты и т.д. Ослабить влияние внеполосных помех на полезный сигнал помогает применение в радиоаппаратуре связи диапазонных полосовых фильтров.
Все части цикла статей о создании любительской радиостанции:
▍ Блок диапазонных полосовых фильтров трансивера
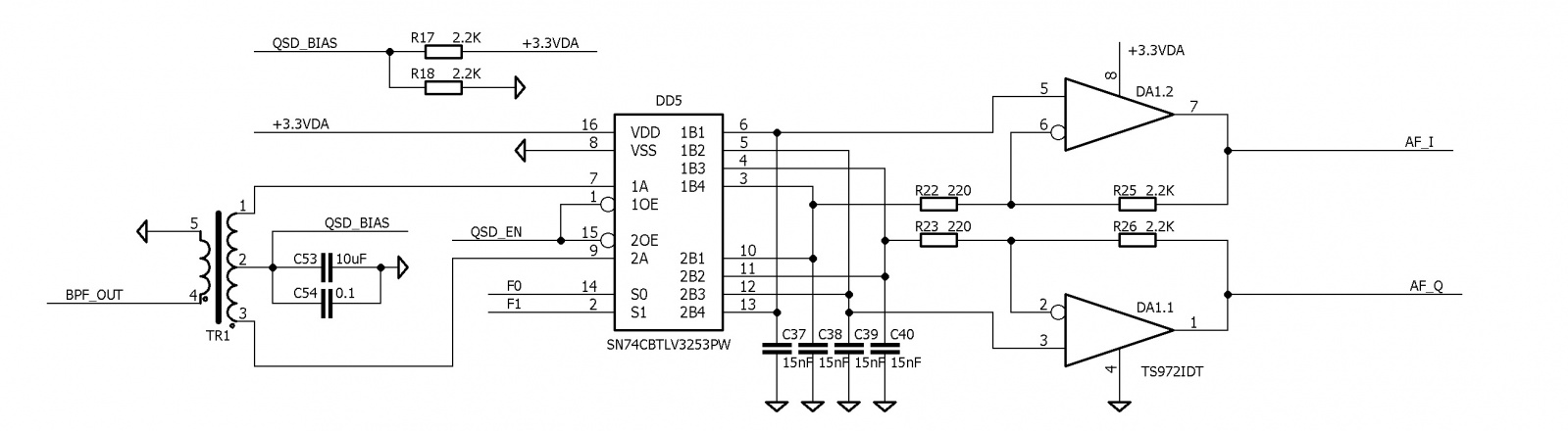
Схема блока диапазонных полосовых фильтров (ДПФ) трансивера Selenite Lite приведена на рисунке ниже:

Правая часть схемы содержит четыре полосовых октавных фильтра Баттерворта третьего порядка с полосами пропускания 1.5…4, 4…8, 8…16 и 16…32 МГц. «Октавными» они называются по причине того, что «перекрывают» диапазон в «одну октаву», т.к. нижняя частота среза у них в два раза меньше верхней. Переключатель диапазонных фильтров в левой части схемы собран на двух половинках мультиплексора-демультиплексора SN74CBTLV3253PW. Для обеспечения работы микросхемы с аналоговыми сигналами на «общие» выводы переключателей 1A и 2A подано напряжение смещения, равное половине напряжения питания.
Правильно собранный из рекомендованных компонентов ДПФ не требует настройки и имеет АЧХ как на рисунке ниже с вариациями в пределах допуска компонентов:

Отметим, что на рисунке выше заметно ослабление сигнала в полосе пропускания фильтров на 3 дБ.
▍ Блок ДПФ приёмника Softrock Ensemble II RX
За основу блока ДПФ разработанного в рамках проекта трансивера взята схема полосового фильтра «высокочастотной» версии приёмника Softrock Ensemble II RX, приведённая на рисунке ниже.

Схема «прототипа» тоже содержит четыре полосовых октавных фильтра Баттерворта третьего порядка с полосами пропускания 1.5…4, 4…8, 8…16 и 16…32 МГц, но выглядит несколько сложней. Блок ДПФ приёмника гальванически развязан от антенны, «половинки» FST3253 в переключателе диапазонных фильтров включены «в параллель» для снижения переходного сопротивления открытых каналов, напряжение смещения подаётся через обмотки трансформаторов, а на входах двух «низкочастотных» фильтров включены аттенюаторы.
Аттенюаторы нужны для комфортной работы на «шумных» низкочастотных диапазонах без снижения чувствительности приёмника. В трансивере Selenite Lite эта задача решена по-другому: если в приёмнике Softrock Ensemble II RX предусилитель в схеме Тэйло имеет коэффициент передачи k = 50, то в трансивере Selenite Lite коэффициент передачи этой схемы k = 10, а «недостающие децибелы» можно компенсировать настройками усиления входных цепей кодека.
▍ Конструкция блока ДПФ трансивера Selenite Lite
Принципиальное отличие блока ДПФ разработанного трансивера от аналогичных решений заключается в том, что он полностью собран на SMD-компонентах и не содержит моточных изделий. На фото ниже представлены фрагменты лежащих рядом плат трансивера Selenite Lite (слева) и SDR-приёмника Softrock Ensemble II RX (справа):

Зоны размещения ДПФ на платах обведены красным. Любой, кто мотал катушки индуктивности на «тороидах», особенно, на Т25 и мельче, согласится, что потеря 3 дБ для фильтра на SMD-компонентах – ничто, по сравнению с трудоёмкостью изготовления и монтажа «намотанных» катушек.
Подытожим: трансивер Selenite Lite работает в диапазоне частот от 1500 кГц до 30 МГц и «перекрывает» без разрывов девять любительских (десять, если считать неразрешённый в РФ диапазон 60 м), 14 вещательных КВ-диапазонов и диапазон СиБи (CB), но имеет в составе только четыре диапазонных полосовых фильтра.
▍ Сам себе полосовой фильтр
Применение четырёх «октавных» фильтров вместо гораздо большего количества «диапазонных» стало возможным исключительно из-за особенностей применённого в трансивере смесителя.
Dan Tayloe в своей статье [2] отмечал, что одним из достоинств его схемы является возможность создания высокодобротного полосового фильтра, полоса пропускания которого определяется ёмкостью применённых в схеме конденсаторов и сопротивлением цепи между этими конденсаторами и источником сигнала.
Эквивалентная схема одного канала коммутации схемы Тэйло приведена в [2] на рисунке 4. Сопротивление цепи между источником сигнала и конденсатором C1 складывается из эквивалентного сопротивления выхода диапазонного полосового фильтра Rsys, сопротивления резистора между ДПФ и смесителем R и переходного сопротивления канала микросхемы мультиплексора-демультиплексора Rs.

В «классической» схеме Тэйло каждый из конденсаторов подключается к источнику сигнала на протяжении четверти цикла. В «двойной» схеме с балансным трансформатором на входе каждый конденсатор подключается к источнику сигнала на протяжении половины цикла, и в этом случае частоту среза такого «переключаемого интегратора» можно вычислить по формуле:
Недостатком схемы Тэйло являются ярко выраженные на АЧХ смесителя резонансы на нечётных гармониках принимаемого сигнала, о чём также упоминает в своей публикации и Г.П. Петин. Для фильтрации нечётных гармоник вполне достаточно и «октавного» фильтра, что мы и имеем в рассматриваемой конструкции.
Возможность применения совместно со смесителями по схеме Тэйло простых полосовых октавных фильтров определяется высокой стойкостью этих смесителей к внеполосным помехам, обусловленной их фильтрующими свойствами. Простой блок ДПФ – это, несомненно, второй «плюс» применения в трансивере схемы Тэйло.
▍ Идеальных фильтров не бывает…
Теперь о недостатках совместного использования рассматриваемого блока ДПФ и смесителя по схеме Тэйло. Они неочевидны, но они есть, и нивелировать влияние этих недостатков на работу трансивера, как раз и призваны «лишние» компоненты в схеме смесителя: R19, R20, C41, C42, R27, R28, C43, C44.

Сначала обратимся к фильтрующим свойствам смесителя. Частоту среза фильтра НЧ в этой схеме при Rs = 4 Ом можно высчитать по формуле:
В своей публикации Dan Tayloe при расчёте полосы пропускания по эквивалентной схеме полагает сопротивление цепи между ДПФ и конденсатором, равным нулю, а выходное сопротивление ДПФ Rsys равным 50 Ом. И это в нашем случае неверно.
Применённые в разработке «октавные» фильтры имеют достаточно большую полосу пропускания, и их входное и выходное сопротивление в этой полосе не всегда равно расчётному. Измерить реальное значение выходного сопротивления фильтра можно, например, с помощью радиолюбительского векторного анализатора nanoVNA, что и было сделано на испытаниях всех четырёх плат установочной партии трансивера.

Результаты испытаний показали, что АЧХ фильтров на всех платах практически идентичны, а «разбег» значений выходного сопротивления фильтров на частотах любительских диапазонов достаточно значительный: от 32 до 110 Ом. Особенно не «повезло» в этом плане диапазонам 80 и 160 м, на которых сужение полосы пропускания за счёт высокого выходного сопротивления фильтра было заметно на панорамном индикаторе невооружённым глазом.
▍ …проверено на практике
В результате длительных экспериментов было принято решение уменьшить сопротивление резисторов R19 и R20 до 10 Ом, расширив полосу пропускания смесителя до значения 92 кГц на диапазонах 80 и 160 м. При этом, естественно, полосу пропускания на других диапазонах потребовалось каким-то образом «сузить».
Самым простым путём решения этой задачи, как раз и является расширение функциональности разностного усилителя интегрирующим звеном первого порядка, с помощью подключения параллельно резисторам R25, R26 конденсаторов C41, C42 ёмкостью 560…680 пФ. RC-цепочка на выходе разностного усилителя служит для увеличения наклона характеристики. Номиналы R27, R28 аналогичны R25, R26; номиналы C43, C44 равны номиналам C41, C42. Все значения номиналов компонентов фильтров подобраны опытным путём. АЧХ схемы смесителя приведена на рисунке ниже:

В принципе, из-за наличия в кодеке TLV320AIC3104 встроенного антиалиасного фильтра этот раздел можно было бы в публикацию и не включать, но всегда полезно разобрать принцип действия «классического» схемного решения, обозначить проблемные места в его работе и указать способы решения этих проблем.
Если полагаться только на встроенный в кодек антиалиасный фильтр, схемное решение квадратурного смесителя можно упростить до вида на рисунке ниже, и оно будет работать. При этом не надо забывать, что убрать компонент с предназначенного для него места на печатной плате или заменить его чип-резистором 0 Ом намного проще, чем добавить на плату новый компонент «вторым этажом».

▍ Диапазонный полосовой фильтр «по Реду»
В части ДПФ у радиолюбителей принято апеллировать к изданному в 1990 году издательством «Мир» переводу книги Э. Реда (Eric Tart Red) «Справочное пособие по высокочастотной схемотехнике».

На рисунке выше приведён «классический» образец восьмидиапазонного ДПФ «по Реду» с коммутацией диапазонных фильтров высококачественными «радиочастотными» реле.
Помимо этого, блок содержит максимальную комплектацию для подобных устройств: два аттенюатора, широкополосный УВЧ, а также предварительный усилитель мощности. Катушки индуктивности в самых лучших традициях намотаны на тороидальных сердечниках производства Amidon (ныне Micrometals).
Устройство такого блока ДПФ намного сложнее, чем в трансивере Selenite Lite. Сложность обуславливается тем, что эти блоки ДПФ предназначены для работы с супергетеродинными схемами. Они должны отфильтровывать не только гармоники, но и «зеркальный канал».


Что такое «зеркальный канал» хорошо видно на паре рисунков выше: при промежуточной частоте (ПЧ, IF) 500 кГц и частоте гетеродина 2400 кГц трансивер «Радио-76» в этом примере формирует на передачу два равных по мощности сигнала, один на частоте (2400 – 500) = 1900 кГц, второй – на частоте (2400 + 500) = 2900 кГц.
Фильтра Баттерворта третьего порядка с «наклоном характеристики» 30 дБ на октаву, как в трансивере Selenite Lite, для подавления гармоник тут хватит, но для подавления «зеркального канала» уже явно недостаточно.
Кстати, приведённый на рисунке выше блок ДПФ «по Реду» с задачей выше тоже бы справился неважно: очень мало расстояние между «зеркальными каналами». Поэтому в книге Реда и рассматриваются супергетеродины с промежуточной частотой 30 – 40 МГц. И если бы ПЧ в рассматриваемом примере была, хотя бы, 5000 кГц, то гетеродин был бы настроен на частоту 6900 кГц, а сигналы формировались бы на частотах 1900 и 11900 кГц. Подавить такой «зеркальный канал» полосовым диапазонным фильтром гораздо проще.
Справедливости ради надо заметить, что в аппаратуре прямого преобразования «зеркальный канал» тоже есть. Он располагается на другой боковой полосе, и подавляют его не ДПФ, что нереально, а «фазовым» методом, т.е. исключительно «математикой».
▍ От автора
В данной части публикации мы подробно рассмотрели работу смесителя по схеме Тэйло с диапазонными полосовыми фильтрами.
Возможность создания на основе «переключаемого интегратора» высокодобротного полосового фильтра значительно снижает требования к характеристикам ДПФ в составе аппаратуры SDR. При этом из-за характерных для схемы Тэйло резонансов на нечётных гармониках гетеродина совсем исключить ДПФ из состава трансивера без потери качества работы не представляется возможным.
Также следует отметить простоту решений аппаратуры SDR и прямого преобразования по сравнению с супергетеродинами.
В следующей части публикации мы рассмотрим частотозадающие цепи трансивера Selenite Lite.
Схема электрическая принципиальная, перечень элементов и рисунок печатной платы SDR-трансивера Selenite Lite содержатся в документе «Selenite Lite User Manual», расположенном в репозитории проекта «Selenite Lite».
Больше информации о проекте можно найти в некоммерческом telegram-канале «Проект «Селенит».
72/73! de RD9F
Источники:
1. Ред Э. Справочное пособие по высокочастотной схемотехнике: Схемы, блоки, 50-омная техника: Пер. с нем. – М.: Мир. 1990
2. Dan Tayloe. Ultra Low Noise, High Performance, Zero IF Quadrature Product Detector and Preamplifier
3. Петин Г.П. Ключевой синхронный детектор. Схемотехника, № 3,2003, с. 14-15
4. Поляков В.Т. Радиолюбителям о технике прямого преобразования – М.: Патриот, 1990
Автор: Дмитрий Руднев
