Иногда, при разработке устройств на микроконтроллерах, возникает потребность в выводе на дисплей большого количества информации или же в выводе информации на крупный дисплей для возможности ее считывания с большого расстояния. К сожалению, готовых решений этой проблемы нет, а те что есть – весьма дороги. Например, графические ЖК-дисплеи с возможностью подключения к микроконтроллеру обычно имеют диагональ не более нескольких дюймов и достаточно существенную цену (причем, даже монохромные, о цветных вообще можно не говорить).
В то же время есть огромный парк старых ЖК мониторов. Модели с диагональю 15-19 дюймов можно приобрести в рабочем состоянии за 200 – 500 руб. Особенно это касается моделей с немодным сейчас соотношением сторон 4:3. Эти модели достаточно надежные. Лампы CCFL, используемые для подсветки, конечно, теряют яркость за годы эксплуатации и их спектр свечения уходит в неприятный красноватый оттенок, но благодаря большому количеству таких мониторов всегда есть возможность выбрать более-менее живой экземпляр. Кроме того, лампы CCFL относительно несложно заменить обычной светодиодной лентой, подключив ее напрямую к источнику питания 12 В монитора. Однако при этом обычно необходимо заблокировать цепи обратной связи от микросхемы управления подсветкой к контроллеру самого монитора, иначе монитор будет думать что подсветка неисправна и просто выключится. Также придется пожертвовать функцией регулировки яркости. Однако, этой функцией мало кто пользуется. Обычно яркость монитора настраивается один раз в жизни, сразу после его покупки и потом никогда не меняется.
Мной таким образом был доработан монитор диагональю 17” фирмы «Самсунг». Результат меня удовлетворил, монитором вполне можно было продолжать пользоваться по его прямому предназначению. Единственное, хочу отметить, что в моем случае причиной переделки стал пробитый повышающий трансформатор, а не вышедшая из строя лампа CCFL, которые, как я уже говорил, достаточно надежны. Также светодиодные ленты я подключил через ключ на мощном транзисторе npn для того, чтобы подсветка отключалась по команде от контроллера монитора, иначе во время инициализации монитора или переключении режимов на экране видны полосы и неприятные мерцания.
Кроме выхода из строя ламп подсветки и схемы их питания, другой наиболее частой проблемой в таких мониторах следует назвать выход из строя конденсаторов в блоке питания. Иных проблемных мест в мониторах обычно не бывает и после указанной доработки и замены конденсаторов на свежие они наверняка еще проработают не менее 10 лет.
Большинство старых мониторов обычно всегда имеют разъем VGA для подачи на него сигнала от компьютера. Часто присутствует только один этот разъем. Иногда в паре с разъемом DVI (чаще на более дорогих моделях). Разъем HDMI больше встречается на относительно современной технике.
Таким образом, разъем, который с почти 100% вероятностью найдется на старом мониторе – это разъем VGA. На него и будем ориентироваться.
Чтобы вывести изображение на монитор достаточно оперировать всего 5-ю сигналами – R, G, B – отвечающие за цвет и яркость, HS, VS – отвечающие за синхронизацию. Как это сделать, подробно рассмотрено в статьях 1, 2, 3, 4, поэтому не буду повторяться.
В вышеперечисленных статьях для вывода видеосигнала чаще всего используется ПЛИС, которая обычно весьма недешевая. В одном из вариантов сигналы генерируются на микроконтроллере и рассыпухе. Хотелось бы попроще и подешевле одновременно. Поэтому было принято решение использовать ПЛИС, но не PGA, а CPLD. Такие ПЛИС имеют существенно меньше доступных логических ячеек, но также и стоят дешевле. Например, макетную плату ПЛИС MAX II Altera EPM240 мне удалось приобрести на Aliexpress всего за 8,57$ (без учета доставки). Причем, в комплект входил также и программатор. Сами чипы можно найти за 1,6 – 2,1$ (не оригинал, разумеется).

Макетная плата MAX II Altera EPM240
Да, для реализации был выбран текстовый режим, как наиболее простой для микроконтроллера, но, в то же время, достаточно информативный. Некоторые простые графические вещи можно реализовать символами псевдографики, как это широко практиковалось во времена DOS. Для реализации графического режима потребуется передавать большой объем данных от микроконтроллера и дополнительно загружать его формированием графики, что не всегда допустимо, особенно для слабых ядер.

Первый шаг — успешный вывод на экран символа «2». Символ получился отзеркаленным. Не беда
У указанной ПЛИС на борту имеется flash ПЗУ, которое весьма заманчиво использовать для хранения ПЗУ знакогенератора. Однако объем его крайне невелик – всего 8 кБит или 1 кБайт. Этого может хватить только для символов с разрешением 5х7, да и то, если пожертвовать неотображаемыми, малозначительными и визуально идентичными символами из таблицы ASCII. Кроме того, использование встроенного ПЗУ потребует расхода логических ячеек, которых и так немного. Как бы ни был привлекателен этот вариант, придется от него отказаться и использовать микросхему внешнего ПЗУ, взятую, например, из старых материнских плат. Если найти микросхему с питанием 3,3 В, то даже не придется ничего думать насчет согласования уровней напряжений с ПЛИС. Объемы таких ПЗУ достаточно велики – 2/4/8 Мбит или 256...1024 кБайт, что позволяет хранить там большое количество различных шрифтов в хорошем разрешении 8х16.

Макетная плата Altera MAX II крупным планом
Для хранения образа экрана также потребуется микросхема ОЗУ. Рассчитаем примерный требуемый объем. Если мы планируем использовать шрифт 8х16, то при разрешении экрана 640х480 мы получим 80 знакомест по горизонтали и 30 строк по вертикали. Значит для хранения образа экрана необходимо 80∙30=2400 байт. Не очень удобное число. Оно лишь ненамного больше чем ближайшая степень двойки – 2048. Поэтому память используется нерационально, всего на 58%, поскольку ближайший объем, кратный степени двойки – 4096. Кстати, именно поэтому получил распространение текстовый режим 80х25, в котором 5 строк были попросту выброшены. В этом случае количество потребной памяти – 2000 байт, что замечательно помещается в объем памяти 2 кБайт. Однако современные микросхемы памяти имеют достаточно большие объемы, экономить ее сейчас смысла особого нет. Более того, можно сознательно пойти на нерациональное использование объема памяти в угоду упрощения логики дешифрации и экономии логических ячеек ПЛИС. Итак, нужен объем 4096 байт (212, 12 бит адреса), который можно разделить следующим образом: 5 бит адреса выделить на адрес строки (будет использовано 30 из 32) и 7 бит на адрес столбца (будет использовано 80 из 128).
Такой же объем памяти потребуется для страницы атрибутов символов. В качестве атрибутов обязательно нужны будут цвет символа, цвет фона, подчеркивание, мигание.
Итого, необходима память размером не менее 8 кБайт. Из вариантов «под рукой» лучше всего подходит статическая память (используемая как кэш-память), также взятая со старых материнок. Единственное, эта память обычно 5-вольтовая. Однако если это память КМОП, она чаще всего без проблем работает и при напряжении 3,3 В, единственное, при этом необходимо закладывать бОльшие тайминги.
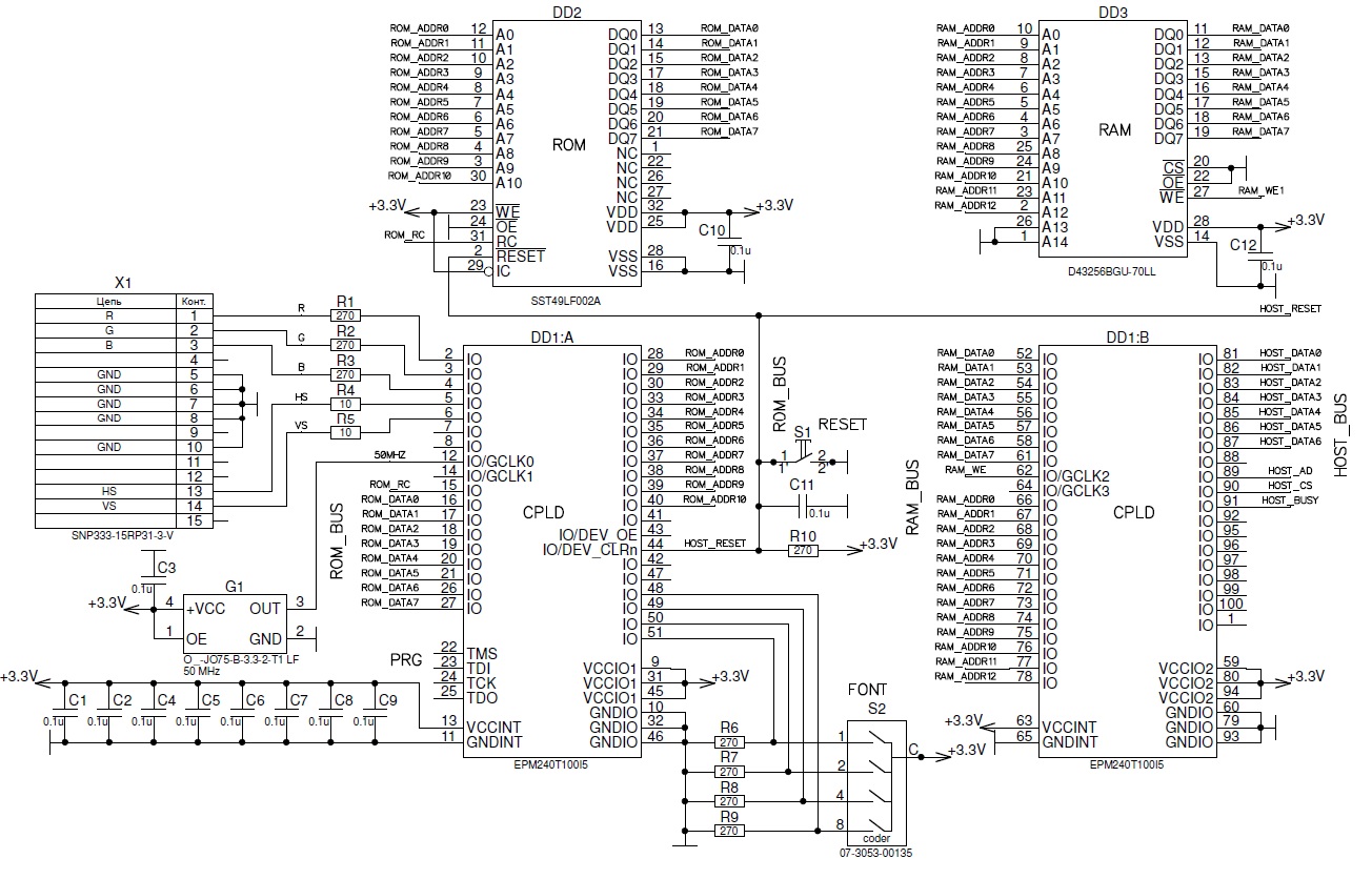
Итак, получилась следующая схема.

Первый вариант схемы
Как видно, схема включает в себя только 3 микросхемы и минимум внешних деталей. Если применить в качестве основы вышеупомянутую макетную плату EPM240, то кроме нее потребуются только микросхемы ПЗУ, ОЗУ и разъем VGA с пятью резисторами. Подключение сигналов к ПЛИС показано условно, поскольку почти все ее ножки равнозначны (кроме глобальных тактовых сигналов, на один из которых необходимо подать сигнал с тактового генератора). При программировании микросхемы под конкретное устройство почти все сигналы можно будет переназначить. Пока же устройство собрано на мактной плате и этот вопрос можно отложить.
Устройство общается с микроконтроллером по параллельному 8-битному интерфейсу (сигналы с префиксом HOST), логически почти идентичному широко распространенному интерфейсу дисплеев на контроллере 1602 и им подобных. Единственное отличие – добавлен сигнал BUSY от устройства к микроконтроллеру. Его необходимость обусловлена тем, что доступ к микросхеме ОЗУ предоставляется только в момент обратного хода кадровой развертки. В остальное время микросхема занята логикой ПЛИС. Сигнал BUSY также имеет смысл сигнала запроса прерывания. По его перепаду контроллер может автоматически начинать запись в буфер экрана.

Второй шаг — вывод некоторых символов знакогенератора различным цветом символа и фона
Описание интерфейса:
- DATA[7:0] – данные 8 бит, порт однонаправленный, только на запись в устройство.
- CS – выбор устройства, 0 – устройство выбрано, 1 – устройство не выбрано. По положительному перепаду CS защелкиваются данные при записи.
- AD – адрес/данные, при операции записи: 0 – передаются данные, 1 – передается адрес.
- BUSY – занятость устройства, 0 – не занято, 1 – занято. Если устройство занято, операция записи данных в ОЗУ игнорируется. Возможна запись только в регистр адреса.
- RESET – сброс устройства. 0 – сбросе, 1 — работа. Аппаратный сброс можно использовать для мгновенного гашения экрана. При активации этого сигнала прекращается выдача сигнала на монитор. Сброс не влияет на содержимое микросхемы ОЗУ.
Запись данных от микроконтроллера в ОЗУ возможна только во время кадрового гасящего импульса, когда микросхема ОЗУ не занята логикой ПЛИС. Это время составляет 1,440 мс. Несмотря на то, что это довольно-таки большой интервал, при использовании медленных микроконтроллеров может не хватить времени чтобы полностью перезаписать всю область памяти. Например, микроконтроллер AVR при работе на частоте 11,0592 МГц успевает записать только 3 полные строки экрана со всеми атрибутами. Если не перезаписывать атрибуты (как это обычно и происходит при реальном использовании – атрибуты записываются один раз при старте программы), то можно за один раз записать 6 строк. Наверное, если оптимизировать код, переписать его на ассемблере, то можно существенно ускорить обновление данных. Иначе для перезаписи всего экрана может потребоваться от 5 циклов (если обновлять только данные) до 15 циклов (если обновлять еще и атрибуты). При частоте развертки 60 кадров в секунду, это займет от 1/12 до 1/4 секунды. Если кто-то из читателей когда-то работал на машинах класса ХТ или АТ с тактовыми частотами процессора в районе 4 – 12 МГц, то ощущения при обновлении экрана будут примерно такие же.
Если же ждать очередной гасящий импульс неохота и хочется записать все за один присест, можно воспользоваться сигналом RESET. При его активации внутренняя логика ПЛИС останавливается и отключается от микросхемы ОЗУ, давая прямой доступ микроконтроллеру к памяти. Регистры для работы с ОЗУ сигнал сброса не затрагивает.
В общем же случае операции при записи такие: нужно дождаться когда сигнал BUSY станет нулевым, затем необходимо выставить на шину данных нужные данные, выставить сигнал типа данных (адрес или данные) – AD и «щелкнуть» сигналом CS, сначала в лог. 0, затем в лог. 1. При переходе этого сигнала из лог. 0 в лог. 1 данные защелкнутся в памяти. Во время гасящего импульса микросхема ОЗУ напрямую подключается к сигналам HOST микроконтроллера, соответственно, соблюдение таймингов при записи является заботой микроконтроллера. Но, чаще всего, статическое ОЗУ — достаточно шустрое устройство и обычно имеет тайминги существенно меньшие того, с какой максимальной скоростью средний микроконтроллер может управлять своими линиями ввода/вывода.
Микросхема ОЗУ D43256BGU-70LL подключается к ножкам ПЛИС сигналами с префиксом RAM. К этим сигналам относится 8-разрядная шина данных (двунаправленная) и 13-разрядная шина адреса. Из управляющих сигналов используется только сигнал WE. Поскольку на шине RAM микросхема одна и обе шины (адреса и данных) в ее полном и безграничном владении, сигналы OE и CS не используются, на них необходимо подать постоянный лог. 0, соединив их с общим проводом.
Примерно так же подключена (сигналы с префиксом ROM) микросхема ПЗУ SST49LF002A, за исключением того, что шина данных однонаправленная. Сигналы OE и WE этой микросхемы также не используются и напрямую подключены к лог. 0 и лог. 1 соответственно.
На свободные ножки ПЛИС подключены джамперы для выбора текущего шрифта. Поскольку объем микросхемы ПЗУ достаточно велик, это позволяет записать в нее несколько различных шрифтов, в т. ч. и с национальными алфавитами и переключать их простой установкой джамперов.
Разъем VGA подключен к ПЛИС с помощью всего 5 резисторов. Причем, резисторы в цепях HS и VS несут больше защитную функцию и их можно безболезненно исключить. Резисторы в цепях R, G, B подобраны таким образом, чтобы совместно с входным сопротивлением монитора (75 Ом) они образовывали делитель напряжения, уменьшающий напряжение на входе монитора до номинального 0,7 В.

Внешний вид макета
Ножки питания зашунтированы керамическими конденсаторами, а на ножку GCLK0 подается тактовый сигнал частотой 50 МГц от кварцевого генератора. Эти детали уже были на макетной плате.
К сигналу RESET подключены резистор, конденсатор и кнопка, собственно, и формирующие этот сигнал. Но если этот сигнал формируется микроконтроллером, то эти детали не нужны.
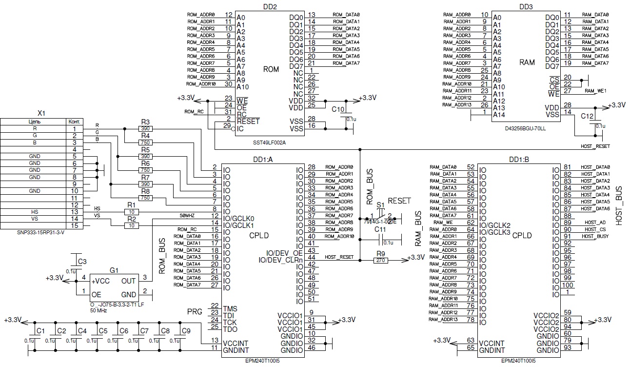
После написания основной части планируемой логики работы ПЛИС, оказалось что объем использованных логических ячеек ненамного превысил только половину от имеющихся. В связи с этим появилось желание немного усложнить логику работы, добавить больше возможностей. В первую очередь можно увеличить количество цветов до 16. Для этого нужно использовать еще 3 ножки ПЛИС и добавить в схему еще 3 резистора. Это не слишком усложнит схему, зато добавит еще 8 цветов. В этом случае страницу ОЗУ с атрибутами придется полностью отдать под цвет и добавить еще одну страницу с атрибутами, увеличив на 1 разряд шину адреса ОЗУ. В дополнительную страницу атрибутов можно перенести и выбор шрифта, добавить подчеркивание, моргание символа, моргание фона и т. д.
Новая схема имеет следующий вид. Она не сильно отличается от предыдущей.

Второй вариант схемы
При увеличении количества цветов возникает вопрос — какую палитру выбрать? Когда цветов всего 8 такого вопроса нет – все цвета это двоичный перебор трех основных цветов r, g, b (2^3=8). Когда больше – тут возможны варианты. Например, 16-цветная палитра EGA:

Палитра EGA
Как видно, в этой палитре 4-й бит отвечает за яркость. Но половинки таблицы поделены по яркости неодинаково. Первая половина «настроена» на 2/3 яркости (байт ААH = 170 = 2/3*256). Во второй половине добавляется еще 1/3 яркости (байт 55H = 85 = 1/3*256) и цвета называются bright *color*. Интересный момент: из схемы выбивается цвет №6 (yellow/brown), который по логике должен быть АААА00, но специально сделан АА5500 для того, чтобы малопривлекательный грязно-желтый цвет заменить на более востребованный коричневый. Это известная аппаратная фича видеокарт и мониторов EGA. Причем, в некоторых мониторах это было учтено, а в некоторых моделях с целью упрощения схемотехники на это забивали. А в других даже добавляли отдельный регулятор для настройки (назывался «BROWN ADJ.»), которым можно было отрегулировать желаемый оттенок этого цвета. Поэтому цвет в таблице обозначен как желтый/коричневый.
Нелинейное деление по яркости автоматически приводит к появлению в палитре двух оттенков серого – светло-серого и темно-серого цвета, которые весьма востребованы на практике.
Однако, 16-цветная палитра VGA немного другая. Там цвета делятся по яркости ровно пополам (80Н = 128 = 1/2*256):

Палитра VGA
В ней также выбивается из логики один цвет – светло серый (С0С0С0), который должен быть черным и, соответственно, дублировать уже имеющийся. Кроме того, этот цвет поменялся местами с темно-серым цветом (808080). Это сделано специально для совместимости 16-цветных палитр VGA и EGA, которые, таким образом, почти идентичны по восприятию.
В нашем же случае, когда сигналы формируются аппаратно с помощью резисторов представляется более удобным использовать палитру EGA. При этом необходимо добавить в логику дешифрации коррекцию только одного цвета – того самого №6. Все остальные цвета получаются автоматически. Для коррекции палитры VGA только изменением программы дело бы не обошлось — понадобилось бы добавлять еще группу резисторов для формирования светло-серого цвета (С0С0С0).
Резисторы должны быть рассчитаны так, чтобы одна группа давала 1/3 яркости, вторая 2/3 яркости, и вместе, соответственно, давали полную яркость. Нехитрыми вычислениями согласно закону Ома были рассчитаны их сопротивления: 390 Ом и 750 Ом.
Логика для формирования видеосигнала для статичного изображения (например, тестовых цветных полос) довольно простая. Однако если необходимо формировать изображение в зависимости от внешних событий или команд, задача несколько усложняется. Необходимо организовать интерфейс с ОЗУ и ПЗУ. Причем, обмен должен происходить не просто быстро, а очень быстро! Попробуем для начала оценить, будут ли вообще выбранные микросхемы успевать работать.
Итак, у нас режим 640х480. Частота вывода пикселей – 25 МГц (вообще то по стандарту должно быть 25,175 МГц, но можно абсолютно безболезненно округлить до 25, VGA, как и многие другие аналоговые стандарты допускает довольно значительный разбег по параметрам), частота кадровой развертки 60 Гц (реально получается – 59,5 Гц), частота строчной развертки – 31,46875 кГц (реально – 31,25 кГц), то есть, время вывода одного пикселя составляет 40 нс, символа шириной 8 бит – 320 нс. За 320 нс необходимо прочитать ASCII код символа (байт), код цвета (байт) и поле аттрибутов (байт) из ОЗУ, затем используя ASCII код в качестве адреса прочитать из ПЗУ битовую маску символа. Только после этого у логики ПЛИС будет вся необходимая информация для начала формирования изображения.

Третий шаг — получение информации от микроконтроллера
Согласно даташиту, для выбранной микросхемы D43256BGU-70LL полный цикл чтения занимает 70 нс. Поскольку мы ее используем при пониженном напряжении, длительность цикла необходимо увеличить. Хотя бы до 100 нс. Таким образом, за 320 нс мы как раз успеем прочитать из ОЗУ 3 байта — ASCII код, код цвета и атрибуты символа. Отлично. С ПЗУ сложнее, в нем адрес записывается в 2 захода – по строкам и столбцам и, согласно описанию, цикл чтения занимает 270 нс. Небыстро, но в 320 нс укладываемся, даже с запасом.
Проблема в том, что мы не можем начать выдавать адрес ПЗУ пока не узнаем как минимум ASCII код, а на это нужно 100 нс. В сумме получается 370 нс. Выручает нас то, что каждый по отдельности цикл чтения ОЗУ и ПЗУ укладывается в допустимый интервал и можно просто потратить на чтение данных не один цикл, а два. На время подготовки данных необходимо сместить область отображения символов, сделав дополнительную область гашения шириной 2 символа в начале строки, и, на те же 2 символа уменьшить область гашения после конца строки. Это сделать несложно – просто смещаем гасящий импульс на 640 нс (соответственно, смещается и синхроимпульс). С точки зрения монитора – никакой разницы.
Для понимания того, что и в какой момент писать и считывать удобно составить циклограмму. Поначалу ее и все тайминги я держал в голове, однако составление ее на бумаге и взгляд на нее со стороны позволил существенно оптимизировать циклы чтения и даже уменьшить количество использованных дефицитных регистров.

Циклограмма обращения к ОЗУ и ПЗУ
Цикл начинается с выставления на шину адреса ОЗУ адреса байта ASCII символа. Через 80 нс на шине данных ОЗУ появляется запрошенный байт, который мы незамедлительно используем для формирования адреса для чтения байта из ПЗУ знакогенератора. На отметке 100 нс выставляем на шину адреса ОЗУ адрес байта атрибутов символа. На 140 нс (через 60 нс после выставления адреса) защелкиваем первую часть адреса ПЗУ. Ждем еще 60 нс и выставляем на шину адреса ПЗУ вторую часть адреса. К этому времени на шине данных ОЗУ уже должен быть байт данных с атрибутами символа, 5 бит которого (подробные описания регистров ниже) отвечают за шрифт и входят во вторую часть адреса ПЗУ. Оставшиеся 3 бита данных сохраняются во временном регистре 2. Еще через 60 нс защелкиваем вторую часть адреса ПЗУ. Данные на шине данных ПЗУ появятся через 120 нс после этого события и это произойдет уже во время второго цикла. Чтобы циклы не пересекались, эти данные запишем во временный регистр 1 (на отметке 80 нс). И, наконец, на отметке 300 нс необходимо переписать все подготовленные данные в рабочие регистры. Битовая маска символа из временного решистра 1 переписывается в регистр rom_reg, применяются ранее сохраненные биты атрибутов к считанному в этот момент байту с цветом.
Таким образом, к концу второго цикла будут готовы все данные для вывода символа.

Четвертый шаг — картинку полностью формирует микроконтроллер. Символы и фон разных цветов, символы разных шрифтов. Некоторые нижние строчки моргают (фото этого не передает, прошу поверить на слово)
Основные регистры:
Запись данных из микроконтроллера в ОЗУ происходит следующим образом. Дожидаемся когда сигнал BUSY станет нулевым, записываем в регистры адреса начальные адреса, куда будут записываться данные (чаще всего это адрес 0 – адрес начала страницы данных, но может быть и произвольный адрес если необходимо изменить только несколько байт). Затем записываем необходимые данные. После записи каждого байта, адрес автоматически увеличивается на 1. При подходе к краю экрана (80-й символ в строке) адрес положения символа в строке автоматически обнуляется, а адрес строки увеличивается на 1. После записи всей страницы данных адрес автоматически переключается на запись страницы атрибутов, а после страницы атрибутов – на запись страницы цвета. После записи всех трех страниц адрес также автоматически обнуляется и начинается запись в страницу с данными. Таким образом, начальный адрес можно выставить только один раз и далее гнать только данные. Это позволяет сэкономить несколько мкс на установку адреса, а также упрощает программирование, когда закинуть все данные можно в одном цикле на 7200 итераций.
Формат данных для записи данных (AD=0):
data page
[7 - 0]
sym ASCII (8 bit)
На странице данных хранятся ASCII коды символов.
attribute page
[7 - 3] [2 - 0]
font (5 bit) sym attribute (3 bit)
sym attribute (3 bit):
bit 0 – symbol blinking
bit 1 – background blinking
bit 2 – underline symbol
На странице аттрибутов хранятся шрифты и атрибуты символов. Младшие два бита отвечают за аппаратное моргание символа или фона, третий бит – за формирование подчеркивания. Старшие биты выбирают шрифт. Соответственно, можно выводить на экран символы из разных шрифтов вперемешку в любой комбинации. 5 разрядов для выбора шрифта позволяют хранить 32 разных шрифта, включающие как любые символы национальных алфавитов, так и спрайты для вывода картинки, например.
color page
[7 - 4] [3 - 0]
background color (4 bit) symbol color (4 bit)
Cтраница цвета содержит, соответственно цвет символа и цвет фона. Цвета могут быть любые из 16-цветной палитры.
Регистров адреса — 3. Выбор, в какой конкретно из них идет запись осуществляется старшими битами. Если старший бит [7] равен лог. 0, то записывается регистр позиции в строке (столбец). Если он равен лог. 1, то записывается регистр номера строки (строка) и номера страницы ОЗУ (данные или атрибуты или цвет). Если три старших бит равны лог. 1 то записывается специальный управляющий регистр, биты 4, 3 которого определяют положение аппаратно формируемой черты при включении бита подчеркивания, биты 2 – 0 зарезервированы для будущих настроек.
Формат данных для записи адреса (AD=1):
[7] [6 - 0]
0 sym col pos (7 bit)
Регистр хранит позицию в строке.
[7] [6 - 5] [4 - 0]
1 page (2 bit) sym row pos (5 bit)
page: 00 – data page, 01 – attribute page, 10 – color page
Регистр хранит номер строки и выбор страницы.
[7 - 5] [4 - 0]
1 1 1 control reg (5 bit)
control reg: bit 4,3 – adjust underline
00 – 11 and 12 lines
01 – 12 and 13 lines
10 – 13 and 14 lines
11 – 14 and 15 lines
bit 2,1,0 – for future use
Специальный управляющий регистр.
Если задать адрес вне диапазона 0-79 по столбцу и 0-29 по строке, то данные начнут записываться в теневую область памяти, которая не отображается на экране. Ничего страшного в этом нет, после прохождения адреса 128 данные снова запишутся в видимую область. Была идея использовать теневую область данных как дополнительное ОЗУ для микроконтроллера. При этом, шину данных необходимо сделать двунаправленной и добавить сигнал чтения/записи. Однако от этого было решено отказаться с целью упрощения интерфейса. Тем более, что современные микроконтроллеры не испытывают настолько сильного недостатка в ОЗУ, как это было раньше. Кроме того, доступ к этому ОЗУ происходит не в любое время по желанию микроконтроллера, а также только во время гасящего импульса.

Пятый шаг — попытка вывести графическое изображение (неудачно)
Внутренние регистры ПЛИС (некоторые):
hreg[10:0] min-0, max-1599
[10 - 4] [3 - 1] [ 0 ]
sym col pos (7 bit) sym col (3 bit) tact bit
Регистр содержит текущее положение развертки по горизонтали. Тактируется от частоты 50 МГц, что в 2 раза больше необходимых 25 МГц, поэтому младший бит (tact bit) не используется. Соответственно, биты с 1 по 3 обозначают позицию внутри символа, биты с 4 по 10 – позицию символа в строке. При достижении значения 1600 регистр обнуляется и на 1 увеличивается регистр vreg.
vreg[9:0] min-0, max-524
[9] [8 - 4] [3 - 0]
0 sym row pos (5 bit) sym row (4 bit)
Регистр содержит текущее положение развертки по вертикали. Тактируется от регистра hreg. Соответственно, биты с 0 по 3 обозначают строку внутри символа, биты с 4 по 8 – строку символов. Бит 9 попадает уже в область гашения, поэтому не используется. При достижении значения 525 регистр обнуляется.
ram_addr_int[13:0], ram_addr_ext[13:0]
[13 - 12] [11 - 7] [6 - 0]
page (2 bit) sym row pos (5 bit) sym col pos (7 bit)
page: 00 – data page 01 – color page, 10- attr page
Регистры содержат текущее значение адреса для доступа к ОЗУ (всего 16 кБайт). Младшие 7 бит – адрес символа в строке (столбец), затем 5 бит – адрес строки и 2 бита – адрес страницы (данные, атрибуты или цвет). Этих регистров 2 – один для внутреннего использования логикой ПЛИС, второй управляется извне, микроконтроллером и может быть изменен только им.
rom_addr[10:0] row
[10 - 4] [3 - 0]
ASCII code (7 bit) sym row (4 bit)
rom_addr[10:0] col
[10 - 6] [5 - 1] [0]
0 0 0 0 0 font (5 bit) ASCII code[7]
Регистр адреса ПЗУ, записывается в два приема. Содержит адрес строки символа, ASCII код символа и адрес шрифта. Эти адреса расположены таким образом, что в ПЗУ можно прошивать стандартные файлы шрифтов *.fnt без какой-либо дополнительной обработки, просто подряд. Объединить несколько шрифтов в один файл для прошивки можно, например, программой редактирования файлов WinHex. Главное, чтобы шрифты были с разрешением 8х16.
rgb[5:0]
[5 - 3] [2 - 0]
rgb color 1/3 rgb color 2/3
Регистр вывода цвета. Этот регистр подключен непосредственно к ножкам ПЛИС, подающие сигналы R, G, B на монитор. Младшие 3 бита подают сигнал уровнем 2/3 яркости (должны подключаться к резисторам 390 Ом), старшие подают сигнал уровнем 1/3 яркости (их необходимо подключить к резисторам 750 Ом).
Файлы проекта выложены на Гитхаб.
Поскольку объем данных ПЗУ достаточен, на монитор также можно выводить и графические изображения. При этом, изображение необходимо разбить на спрайты размером 8х16 и зашить в ПЗУ знакогенератора. Изображение только должно удовлетворять двум требованиям: чтобы в пределах одного спрайта было использовано не более двух цветов из палитры и количество спрайтов не превышало 256. Как, например, на изображении ниже. За специально подготовленное изображение спасибо художнику A_Foxli.

Текст
К слову сказать, уложиться в 256 спрайтов — задача не из легких, именно поэтому изображение выглядит больше как детский рисунок. В процессе подгонки его приходилось несколько раз упрощать. Рисование спрайтами отлично подходит, например, при выводе на экран логотипа фирмы.

Вопросы и предложения прошу писать в комментариях.
Автор: Тимофей Захаров
